Fórum témák

» Több friss téma
Fórum » Erősítő mindig és mindig
Mielőtt kérdezel, a következő két dolgot ellenőrizd! I. A helyes tápfeszültségek megléte. II. A kimeneten van-e egyenfeszültség. Élesztés.
Lapozás: OK   681 / 2566
(#) agressiv válasza Doncso hozzászólására (») Dec 30, 2010 / 8
 
Megmondom őszintén elég komolytalannak tűnik főleg ha figyelembe vesszük a srác korát. Nem bántani akarom, de egy 14 éves gyerek szerintem ne akarjon 160V-os erősítővel szórakozni, mert rossz helyre nyúl és meghal a helyszínen.
(#) nikolatesla válasza agressiv hozzászólására (») Dec 30, 2010 /
 
Mert azok nagyobb teljesítményt képesek leadni...
4ohm-on kellene 800W és 80V-os tápfesz mellet.
Hidalni nem szeretném.
(#) Bassmester válasza nikolatesla hozzászólására (») Dec 30, 2010 /
 
Úgy akarsz ilyen volumenű dologba kezdeni, hogy a fórumon kérsz hozzá kapcsolási rajzot? Szerinted ha ez megvolna akkor már meg is tudnád építeni? Mit akarsz 800W-tal? Akkor is érdekel a dolog ha azt mondom hogy az anyagköltsége 20.000 Ft/csatorna, plusz a tápegység ami alsó hangon is egy újabb 20-as és ennyiből még be sincs dobozolva.
Talán már megvan hozzá a min. 1,5 kW-os +/-80V -os tápegységed?
(#) dj.csont hozzászólása Dec 30, 2010 /
 
Üdv.Mindenkinek egy olyan kérdésem lenne hogy van egy Thomson cs100 -as mini hifi-m aminek szeretnék egy vonal aux bemenetet tenni bele mert nincsen viszont úgy szeretném meg oldani hogy a hifi kezelő szerveivel lehessen a hangot és EQ-t állítani. Rádió részét használom a CD és kazetta részét nem! Valami olyasmire gondoltam hogy ahol cd vagy kazetta jele bele csatlakozik fő áramkörbe ott nem -e lehetne ár kötni és úgy ha Cd re váltók akkor aktív lesz a Aux bemenet. Gondoltam megkérdezek itt egy nagy tudású szakít Hátha tud valami okosságot. Fel kutattam a neten és találtam kapcsolási és nyák rajzot is hozzá legalább egy kicsit előrébb vagyok Segítséget előre is köszönöm!
(#) Doncso válasza agressiv hozzászólására (») Dec 30, 2010 /
 
Jól látod kolléga. Fő a fokozatosság, lehet építeni mindent, a megfelelő felkészültség mellett. Fő a biztonság, addig nincs gond, amíg tudjuk mit csinálunk. Nem árt tisztába lenni, ezeknek az áramköröknek a működésével, ez nem az a kategória, hogy belapátolom az alkatrészeket, aztán működik a két ledes villogó. Ezzel nem szeretnék senkit megbántani.
(#) Moderátor hozzászólása Doncso hozzászólására (») Dec 30, 2010
 
Jól van srácok, zárjuk le a nikolatémát.
Nem bugyuta a srác korához képest, mindössze fiatalkori megalomán kényszeredettsége van. Majd remélhetőleg kinövi.
(#) prücsök hozzászólása Dec 30, 2010 /
 
hello mindenkinek! az lenne a kérdésem hátha ti tudtok nekem segiteni! van egy technics su-v570 es erősitőm bekapcsolom az elsö led villágit a panelon a relé nem kattan de viszont a végfok melegszik! ha valaki tud nekem segiteni akkor kérem irjon és még azt szeretném megtudni hogy az icét hogy lehet lemérni hogy jó e vagy sem?[/color]

Kéretik a mondatkezdésnél a nagy betűk használata.
szamóca
(#) djgombi válasza prücsök hozzászólására (») Dec 30, 2010 /
 
Szia! Szervíz! Röviden ennyi de ha értesz hozzá megjavíthatod!
(#) prücsök válasza djgombi hozzászólására (») Dec 30, 2010 /
 
helló! a szerviz dolgot ha nem irod is tudom de pont az a lényeg hogy nem akarom od vinni! ha tudsz abbn segiteni nekem hogy hogy tudnám megjvitani szerviz kizárva kkor örömmel várom a válaszodat!
(#) matyusz válasza prücsök hozzászólására (») Dec 30, 2010 /
 
Gondolom elszállt a végfok és feszültség akarna kikéreckedni a hangfalaidba amit a beépített védelem nem enged, hogy ne füstöljön le a hangfalad. Esetleg ha tudnánk a végfok típusát (elősször IC re gondolok ami STK széria) De akár még az is lehet, hogy a relé halt meg de ez nagyon ritka.
(#) promise válasza prücsök hozzászólására (») Dec 30, 2010 /
 
Ha jól sejtem,akkor SV13205 tipusú végfok IC van ebben is.A 18-as lábáról vezérel egy tranzisztort,ami a relét kapcsolja,itt nézz szét. A tranyó 2SA992 és Q501 a poziciószáma.
(#) nikolatesla válasza Bassmester hozzászólására (») Dec 30, 2010 /
 
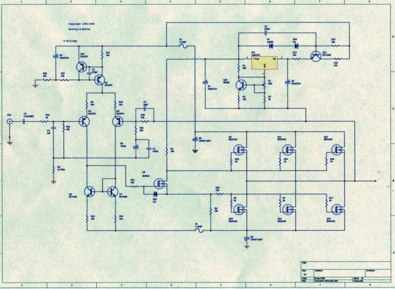
Van egy trafóm 3kW toroid 2x70V és 1X12V
Dobozt most vettem Johnse kollégától.
Nekem már csak a paneleket kellene megcsinálnom.ú
A tép készen van,6db 10000µF/100V-os kondi van rajta és 2db 25A-es gretaz híd.
(#) skero válasza nikolatesla hozzászólására (») Dec 30, 2010 /
 
Már megbocsáss de 2x70V hogy jön ki 80V -ra. Nem is számolgatok gyök kettővel anélkül is tudom ,hogy sokkal többre jön ki. Szegény kondik eléggé a határon lesznek kb 99 V- nál
(#) Doncso válasza nikolatesla hozzászólására (») Dec 30, 2010 /
 
Szia.

Törölve.
(#) szamóca válasza Doncso hozzászólására (») Dec 30, 2010 /
 
Veszélyes tanácsokat adni a felkészületlen emberkéknek!
Gondolj bele! Ha pl. a 60mF-nyi határadaton lévő csájna kondibank ami valószínűleg nem nagy áramú, ill. fesztűrésű ekkora terhelésnél elpukkan, úgy, hogy evvel láthatóan nem számol, simán megvakíthatja.
3kW-os toroid, 2x800W kimenő P, mit fog hajtani vele?
Ha a k.rajz is kérdés már számára, és alapvető számításokkal sincs tisztában, akkor simán ön, és közveszélyes.
Írogat, mert menő csávó akar lenni, kitűnni a tömegből. Azonban nem készült még fel arra hogy ilyen kaliberű dolgokba fogjon. Milyen kész projektet láthattunk már tőle, ami megalapozná ennek a kivitelezését?
(#) Doncso válasza szamóca hozzászólására (») Dec 30, 2010 /
 
Szami, értelek, igazad van, nade az jobb ha valahol máshol, esetleg más fórumon, valami szaki maki ad neki olyan tanácsot, hogy a képébe robban 60.000uf pölö egy rosszul bekötött graetz hídtól ? Egyébként, ha 100v-os akkor tudnia kell a 98v-ot, bár én sem preferálom egyáltalán. Az hogy mit hajt meg vele , nem tudom, valószínűleg, csak a tudása határait feszegheti, de tudod mit, igazad van, légyszives töröld az előző hozzászólásomat, inkább nem veszek részt a buliban.
(#) szamóca válasza Doncso hozzászólására (») Dec 30, 2010 /
 
Köszi Doncso!
(#) Bassmester válasza nikolatesla hozzászólására (») Dec 30, 2010 /
 
Mire akarsz használni 800W-ot? Csináld meg inkább 4x400W/8 Ohm-ra. Egy ilyen négycsatornás végfok már komplett hangosításhoz elegendő, de egy 2x800-asnak nem sok értelmét látom. Pontosan hány volt egyent ad a pufferelt tápod? A valós mért adatokat közöld a fórumon, ne ilyen 70-80V-okat, mert nem mindegy.
(#) nikolatesla válasza Bassmester hozzászólására (») Dec 30, 2010 /
 
Azért lett volna 800W mert a trafóm 3kW amihez nem akartam 400W-osat.
Az a baj,hogy a dobozom nem valami nagy. 2,5U magas rack kivitel.
A feszültségi pontosan 86,36V üresben de ha valamivel le terhelem pl egy villanyégő akkor le megy 79,93V-ra.
A pufferek bírni fogják Nicon márkájúak.
Egyébként úgy van megoldva a táp,hogy 2X80V +/-/gnd. .
(#) Alkotó válasza nikolatesla hozzászólására (») Dec 30, 2010 /
 
Szíved joga felraksz-e e bármit is, de a fórumozó többikenek szintén szabad választása van abban, mennyire vesznek komolyan.
Ha van néhány valós (látható) produktum, akkor könnyebb eldönteni, milyen a hozzáállásod. Egyfajta "érv" lehet a saját "komolyságod" igazolására.
Nekem valahogy úgy van rendben az igazságérzetem, hogyha lehetőleg egyensúly van a fórumnak adott, és a tőle kapott dolgok között.
(#) Doncso hozzászólása Dec 30, 2010 /
 
Na, hogy ne csak az OFF menjen, mesélek valamit, hoztak ma egy Rx500-as, de nem ám a 2N5886-os tranyósat, áá, ez mos-fet-es (mégjobb. ) legalábbis a gyári felirat az elején erről árulkodik, na gyorsan felnyitottam a konzervet, majd az eléggé undorító látványtól eltekintve (kb 25 év disco, sör, bor, pálinka, nikotin, kb így nézhetek ki én is belülről) világossá vált, hogy ez ugyanaz az Rx ami nekem is volt, azaz az eredeti, csak KD503-as végtranyókkal, szóval a mosfet-nek nyoma sincs, kamu volt. De ez semmi, első bekapcs, mindkét protect led világít, hejejj dejó mondom. Na kiderítettem, hogy az egyik végfok panel meghalódott,mondjuk nem értem akkor minek két külön protect led, ha az egyik csati meg jó és mégis mindkettő világít , ne de ezzel nincs is gond, de hogy szedjem szét? Persze laikus mondja csavarhúzóval, na ezeknek az embereknek adnám oda, hogy tessék, javítsd meg. Ilyen elszúrt egy konstrukciót még nem láttam, egyszerűen szerelhetetlen, nem lehet szétszedni anélkül, hogy ne kellene 50 kábelt leforrasztani a panelról, majd ezek után hozzáfértem a végfok tranyókhoz, igazából itt derült ki hogy KD-tranyók, na lényeg, hogy kiméregetem őket lekötés után...semmi, mind jó, na most mi legyen.. hümmögök, cigizgetek, na jó rászánom magam, mégjobban szétbontom, méregetek, na megvan, az egyik meghajtó tranyó, egy BD140-es halott, nade kérdem én, hogy lehet az, hogy a meghajtó B-C zárlatos lesz, és se az előtte, se az utánna lévő végtranyót nem lövi el? Akkor mitől szállt ez el? 30 év után úgy gondolta, hogy ő nyugdíjjba megy? Szóval ilyen van? Kerestem más hibás alkatrészt a panelon, már csak kiváncsiságból, hogy ez mitől szenderült jobb létre, nade semmi, se egy kiszáradt elsó, de még szivárgó se, se egy megnyúlt ellenállás, de még egy zárlatos kondi se, minden alkatrész rendbe, ilyen van?
(#) szabónagymester hozzászólása Dec 30, 2010 /
 
Segítséget kérnék az alábbi topográfia helyességének ellenőrzésére.
Az eagle-ben lévő beültetési képet, és a dokumentumban lévő vetületi rajzát nem igazán tudom összeegyeztetni.
A to-92 tokokkal mindig gondban vagyok, hogy most hogy is kell nézni, elhelyezni, ha szerelési oldal felől rajzolom a panelt....
(#) agressiv válasza nikolatesla hozzászólására (») Dec 30, 2010 /
 
Idézet:
„400W-os erősítő kapcsolást keresek ami nem túl nagy helyigényű és max 60V-os tápot ka”

Mi jelent a nem túl nagy helyigény? Mégis mekkora helye lenne neki?
Idézet:

A legjobb olyan lenne ami nem termel túl nagy hőt és nem is nagy a stereo panel.”

Ehez minimum D osztályú erősítő kellene.
(#) bencikusz válasza nikolatesla hozzászólására (») Dec 30, 2010 /
 
Szia!

Ezeket a rajzokat még a régi HE-gyűjteményből bányásztam elő.

Nem tudom hogy milyen a hangja, én nem foglalkozok ekkora teljesítménnyel.

Használd egészséggel!

(Látom már megelőztek, szerintem is inkább a D osztály felé kéne menni ekkora teljesítménnyel. Kapcsoló üzemű táppal. Találtam is egyet)
(#) Bassmester válasza nikolatesla hozzászólására (») Dec 30, 2010 /
 
A D-osztályú (PWM) végfokok nem termelnek sok hőt és egy pár fettel lazán lenyomják a 400W-ot. Ha szereted a komoly kihívásokat, akkor építs egy olyat. Egyébként pedig nem fogsz találni az elképzelésednek megfelelő AB-osztályú kapcsolást, mert 400W-hoz legalább 3 pár izmos fet kell csatornánként és bizony a hűtésüket is komolyan kell venni. Remélem kedvet kaptál, sok sikert
(#) Alkotó válasza nikolatesla hozzászólására (») Dec 30, 2010 /
 
Találhatsz 400W-os erősítőt több félét is.
Azt javaslom, először válassz kapcsolást, és csak utána gondolj a trafóra.
Alapvetően 3 lehetőséged van 400W-nyi teljesítményhez
Több áteresztő-elemet párhuzamosítasz az erősítő végén. Ehhez általában elég magas tápfeszigény társul, és nagyon ritka ha 4ohmtól nagyobb imedancián is képes leadni a maximumot.
Kisebb erősítőből építesz kettőt, amit aztán összekapcsolsz. Ezt teheted párhuzamosítással, vagy hídba kötéssel. Az utóbbi a szokásos. Ellenütemű vezérlést kell adni nekik (erre is találsz megoldás pl. a VF2 topikban). Sok előnye van, de figyelni kell az impedanciára, mert ezeket ritkán lehet 4 ohmmal terhelni, hiszen akkor a két erősítőre már csak 2-2 jutna, amit vélhetően nem fog elviselni.

Végül van egy nagyon fontos szempont. Szinte teljesen biztos, hogy ha készen veszel MOSFetes végfokot, az olcsóbb, szebb, megbízhatóbb, és garancia is van hozzá, mintha magad építesz ilyet. Tehát csak akkor fogj neki, ha az építés élményére vágysz.
(#) nikolatesla válasza Alkotó hozzászólására (») Dec 30, 2010 /
 
A KD féle az jó?
Nem szeretnék hidalni és 4db 8ohm-os ládikát hajtanék róla azaz 4ohm-on kel 400W.
(#) fleta válasza Doncso hozzászólására (») Dec 30, 2010 /
 
Ismerős a dolog, én sem jutottam zöldágra egy ilyenne, kidobtam a belét, pontosabban eadtam a vaterán, és csináltam bele 2x300 wattot fetekből, a trafót kellett csak áttekernem meg a kondikat kicserélnem.
De akkor is rajta van az elején a logó, és mindenki azt hiszi hogy Reflex, csak azt nem értik mitől szól ilyen jó!
(#) nikolatesla válasza Bassmester hozzászólására (») Dec 30, 2010 /
 
Az még nem menne nekem sajnos. A kapcsoló üzeműhöz Minimum egy szkóp kéne ami nekem még nincs.
Illetve nem sok tapasztalatom van a kapcsolóüzemű cuccokról.
(#) doomkiller válasza szabónagymester hozzászólására (») Dec 30, 2010 /
 
Hali ha az alkatrészek felől nézed akkor igy.
Következő: »»   681 / 2566
Bejelentkezés

Belépés

Hirdetés
XDT.hu
Az oldalon sütiket használunk a helyes működéshez. Bővebb információt az adatvédelmi szabályzatban olvashatsz. Megértettem