Fórum témák
» Több friss téma |
Fórum » Sprint-Layout NYÁK-tervező
Alkotó fórumtárs Sprint Layout 6 leírása: sp6_alkoto.pdf
Helló.
Te magad el tudod készíteni, a relé adatlapja alapján. De ha mégsem, akkor szívesen segítek, elkészítem.
Erről beszélek én is. Ennyit biztosan megér, legalábbis annak aki ezt a "fajta" nyákrajzolót keresi.
Én most rendeltem a testvérét, az Splan 7.0-át Áramkörtervező.
Majd mesélj róla. Én sokat játszottam a 6.0-val, de igazából nem szerettem meg. Nekem kézenfekvőbb, átláthatóbb tehát jobb a ProfiCAD.
Azért ne veszítsd el a kedved, csatolok egy mintát, amit a 6.0-val rajzoltam.
Sziasztok!
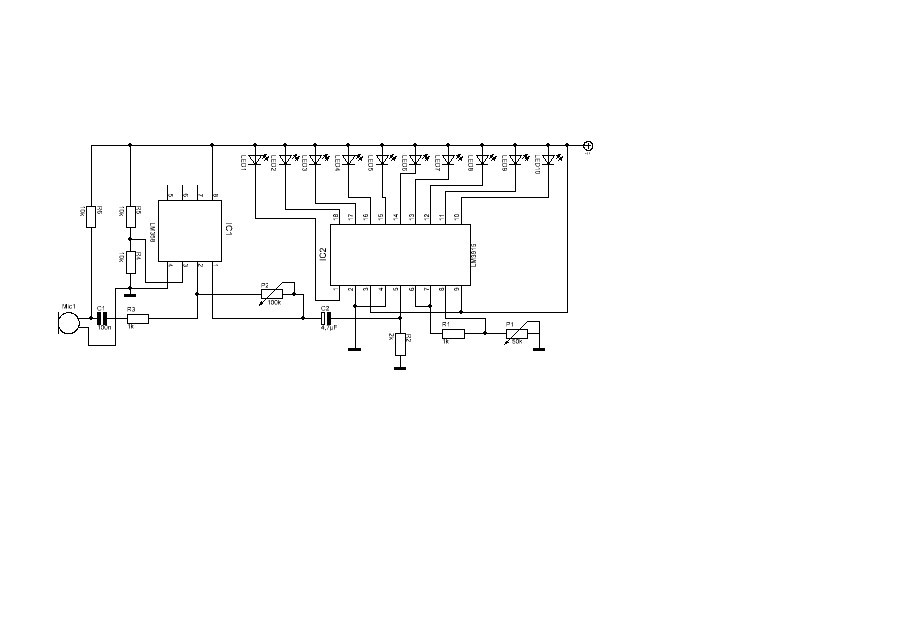
Segítség kellene, elakadtam. Szeretném éltem első nyákját maratni így elkezdem a kapcsolásom tervezését. De megy. A kapcsolás tartalmaz 2db IC (DIL18 DIL8) 10db LED, 2db trimmer, 6db ellenállás, 2db kondi, 2db bemenet ebből egyik a GND-re megy és természetesen a +9/GND. Ti hogyan kezditek el a tervezést? Én először feltettem a 10db LED és DIL18 IC. Eddig ment is, de tovább órák óta nem jutok, mindig van 1-2 vezeték ami a levegőbe marad. Nem szeretnék átkötést. Én úgy csináltam, hogy felpakoltam az alkatrészek majd Connections segítségével a rajz alapján össze kötöttem őket. Fogtam az Autorute lehetőséget, de nem jó akár hogyan pakolom nem bírom megoldani. Ti hogyan csináljátok ilyen kis kapcsolásnál?
Nem mindég lehet megoldani átkötés nélkül.
Esetleg csinálhatod kétoldalasra is. esetleg tedd fel a lay állományt.
Tedd fel a kapcsolási rajzot.
Idézet: „Ti hogyan kezditek el a tervezést?” Valószínű mindenkinek meg van a technikája amire esküszik. Én először megnézem a rajzot, átgondolom mire van lehetőség, aztán egy ponton elindulok. Nincs fix indulási pont, mindig az áramkör és annak formája határozza meg nálam. Másnál más. Sokat kell rajzolnod, gondolkodnod, előre látnod mi lesz..... Meg kell találnod magad ebben. Autorout-ot felejtsd el ha valóban akarsz tervezni, és nem egy program kusza vonalainak kiszolgáltatni magad.
Sziasztok!
A sprint layoutból valahogy a nyáktervet ki lehet exportálni pdfbe ?
Pl. Kinyomtatod pdf-be.
PDFCreator vagy Bullzippdf printer a te barátod.
Igen, telepítesz egy pdf nyomtató programot.
Sziasztok!
Forrszem és vezető sáv átmérőt/vastagságot mire a legideálisabb beállítani? Amiket alapból nyomtat azok szerintem nagyon kicsik.
A forrszemeket én a fúrási lehetőségemhez állítom. 1x2 mm legtöbbször.
A vezetősávot a terheléshez és a rendelkezésre álló helyhez képest adom meg. Ha lehet akkor minél szélesebbet, esetleges alámaráskor nincs probléma vele.
A másik dolog ami nem tiszta:
Nyákon a + és GND sávokat hogyan illik megoldani? Pl.: nekem most van egymás mellett 2db IC közöttük egy elko. Összeköthetem az IC-k földre menő lábait és kivezethetem egybe? Ill. a + oldalt is lehet így csinálni?
Ezt az adott kapcsolás alapján lehet eldönteni.
Van amikor csillagpontba kell összehozni van, hogy elég felfűzni egy vezetősávra az egészet.
Megcsináltam a kapcsolási rajzot. Eddig csak papíron volt meg darabokban. Remélem jó lett.
Szóval ennek szeretném a nyákrajzát elkészíteni. Mellékeltem, hogy milyen elrendezés lenne az ideális számomra. Innen nem bírok tovább lépni. Az autoroute nagyon idegesít. Hogyan kellene elindulnom?
Egy dolog, amit nem értek. Miért nem akarsz átkötést? Nem szégyen az átkötés. Sőt, ha megnézel egy professzionális készüléket, abban is van átkötés. Nekem az a véleményem, hogy az átkötés ugyan olyan alkatrész, mint az összes többi. Én használnám a helyedben.
Üdv!
Ha az elrendezés a fő prioritás, akkor ahhoz kell a lehetőségeknek igazodnia, ebben az esetben átkötés, kétoldalas...stb Ha az a prioritás, hogy egyoldalas legyen a kapcsolás és ne legyen átkötés akkor az elrendezésben kell kompromisszumokat kötni.
Ahogy elrendezted az alkatrészeket az valóban szép, de a LED és az IC közt hagytál majdnem 6mm helyet, ahol 10 sávot kellene elhúznod. El lehet 0.2 mm sávokkal. Csak annak nincs értelme.
Szempont, hogy egyoldalas legyen. Elrendezés csak annyi, hogy lehetőleg ne legyen túl nagy a végeredmény.
A táp és gnd- vel még nem tudom mit kezdjek. Valóban nyújtani kellett rajta. 1x2 furathelyek, 0,9 vezető sáv. Nem merek kisebbet használni.
Talán a mellékletből lesz valami! Nézd meg jól ez 20 perc alatt készült..
Vertikálisan tükrözd meg az egészet mert így nem jó már tiszta SMD-ben gondolkozok a tükrözésekkel tervezésekkel mindig
Attól nem fog megtanulni tervezni, ha megrajzolod helyette
Köszönöm!
Nekem így sikerült. Sajna lett benne egy átkötés mert az lm3915 2. és 4. lábát másképpen nem tudtam a földre vinni. Legalább van összehasonlítási alapom.
Ha a ledeket megforgatod nem kell olyan cikkcakkos vonal.
Egy 100nF hidegítőt azért tegyél a tápra de legjobb ha mindkét soklábúbnál van..
Jó látom, hogy te az lm358 IC rossz sorrendbe kötötted?
A sematikus rajon visszafelé számozva az IC lába és mintha te ezt követted volna.
A tápra értem, de a másik felét nem. Hogy érted, hogy jobb ha mind két IC-nél is van?
|
Bejelentkezés
Hirdetés |











