Fórum témák
» Több friss téma |
Elsőnek ott keresgettem,de nem igazán tudtam hogy melyik lenne a legmegfelelőbb .Aztán gondoltam itt a fórumban tudtok egy-két tanácsot adni.
Itt a topikja. Az adatlapján is van kapcsolás, úgy mint a 7294-nél.
A vita döntetlen, hiszen gyártóspecikfikus:
A: logaritmikus; B: lineáris; Alpha adatlap szerint.
igen már megtaláltam,köszi.
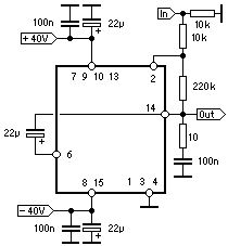
Üdv. A tda7294 használható invertáló kapcsolásban ? Pl. így:
Úgy döntöttem hogy maradok a szimpla tda7294-nél,jókora hűtéssel,ma néztem egy műszaki boltban és 2300 pénzbe kerül,ennyiért nem érdemes otthon készitgeni(maratás stb)
Találtam egy tápot ami 200VA toroid 2x35V egyenirányítva.Szerinted ez milyen lenne hozzá?
Jó lesz , még éppen belefér, ha nem akarod állandóan végre hajtani! A kondikat én azért kicserélném valami fiatalabbra...
ha marad az a táp akkor mindenféleképp kondi csere,viszon nem értettem hogy ezt "ha nem akarod állandóan végre hajtani"mire érted.
Teljes kivezérlésre gondolt, mert ez az IC tudna többet is.A feszültsége kissé alacsony.Az optimális AC 2x29.5V 125W teljesítménnyel csatornánként
Eddig ez volt árban a legolcsóbb amit találtam.
Körül néztem egy-két boltban ma és a legolcsóbb ami teljesítményben megközelíti a tűrhetőt az egy 150w/2x24v toroid volt 9500Ft-ért. Elég borsos áruk van.
Így van, max kivezérlésre gondoltam! Ennél a végfoknál 4ohm-on 24V AC fölé nem mennék (még a 25 ennél a trafónál mehet mert az üres járati fesz ), itt már nagyon sokat disszipál az ic. 85-90W-ot is lead tisztán, ezen az impedancián, ha ezt osszeadod sztereo oldalnál, plusz hozzá adjuk a tetemes disszipációt is (50W-ot is termelhet/ic), már böven fölötte vagyunk a 200W-nak. Mikor már nem birja szusszal a trafód, sokat esik a szekunder fesz, és nem tudja kiszolgálni a végfokokat. Megasabb hangerőn torzitani fog, de egy nagyobb trafóval még vigan szólna. 300W- ha ragaszkodsz a 4ohm-hoz és bulizgatni szeretnél vele, ha viszont otthonra kell még elegendő a belinkelt táp is.
Talán annyit tudnék még csinálni hangfal ügyben,hogy jelenleg sorosan vannak kötve a hangszóróim(2db mély,1db magas kondival)és így 4ohm,viszont ha átkötöm párhuzamosra akkor ugyebár megváltozik az ohm számuk elvileg 12ohm környékére.
Ha jól tudom.?
Hogyha a hangszoróid 8 ohmosak, és sorosan vannak kötve akkor az eredő ellenállásuk 16 ohm, hogyha pedig párhuzamosan kötöd őket akkor lesz az eredőjük 4 ohm.
Valami nagyon nem jó ezzel gondolatmenettel
Ha párhuzamosan kötök hangfalakat - hangszórókat az impedancia felére csökken, ha sorosan, akkor összeadódnak, pl 2db 8ohm-s hangszóró párhuzamosan ( pozitiv a pozitivval - negativ a negativval ) kötva 4ohm-t eredményez. Ugyan ezek sorosan ( egyik hangszóró pozitivjára a pozitiv, ennek a hangszórónak a negativja a másik hangszóró pozitivjával összekötve, és ennek a hangszórónak a negativjára az erősitő negativja ) 16ohm-t eredményez, a magas meg párhuzamusan van a rendszerrel, egy kondival az alsóbb frekvenciák levágása 6dB-el, soros kondi -párhuzamos tekercs a magassal 12dB, de ez nem szól bele mikor a multival méred a komplett hangfal impedanciáját. Neked akkor ,hogy is van?
A szabály ugyanúgy vonatkozik rájuk is. Párhuzamos üzemben feleződik az eredő ellenállásuk, soros használat esetén pedig összeadodik az ellenállásuk. Tehát hogyha te párhuzamosan kötöd a hangszoróidat akkor az eredő impedanciájuk 3 ohm lesz, ami borzasztóan kicsi, nehezen illeszthető egy erösítőhöz. Sorosan 12 ohmos lesz, ami inkább elfogadható.
Elméletben így is van , de ezek nem ellenállások,hanem hangszórók. Sokkal inkább terhelő impedanciaként kell értelmezni. Magyarán a frekvenciától függ ,hogy az erősítő hány ohm-os nak látja a hangsugárzódat.
A képen jól látható , hogy ez a hangszóró pl ha 70 Hz es hangot sugároz akkor 54 ohmos, de ha pl 350 Hz -et nézzük akkor ott lehet akár 4 ohm is. Ez a pont a hangszóró impedancia minimuma , ezt célszerű figyelembe venni az ilyen jellegű számításoknál. Vannak olyan hangszórók amiknek ez a pontja jóval 4 ohm alá megy és ha pl 2 olyan hangszórót kötünk párhuzamosan aminek pl 3.2 a imp minimuma akkor bizony nem 2 ohm-os terheléssel kell megbirkózni az erősítőnek hanem 1.6 ohm-al. Azt is fontos megjegyezni , hogy az impedancia menet bedobozolt hangszórónál teljesen más, ezért a kész hangsugárzó impedancia menetét célszerű vizsgálni. Bővebben: Link
Igen, igazad van, elöbb helytelenül fogalmaztam, de csak az egyszerűség kedvéért! Személy szerint tudok a hangszorók frekvenciafüggő impedanciaváltozásáról, de azért kösz, hogy kijavítottál, így más okulhat belőle.
Szerk.: S így legközelebb énis megpróbálok célirányosan válaszolni
Multival nemigazán lehet impedanciát mérni, azzal csak egyenáramú ellenállását méred meg. Azaz a 0 Hz-nél méred az impedanciát. De te is a tejes hangsugárzó impedanciájára lennél kíváncsi 20 Hz-20000Hz es tartományban.
Jól gondolod ,hogy minden beépített alkatrész , de még egy kis plusz csillapítóanyag a hangdobozba ,is befolyásolja . Teszek be egy 2 utas reflex rendszerű hangdoboz impedancia menetét. Eléggé beszédes ez, a hozzáértők úgy olvasnak benne mint egy könyvben!
Nem kioktatásként szántam ,csak gondoltam tisztába teszem ,hogy mások is megértsék ,hogy ez hogyan is működik.
Megnézem,jelenleg párhuzamosan van kötve és így 3.9 ohm-ot mértem. Átkötve sorosra,11.8-at mértem.
Visszakanyarodva az erősítőhöz,nem tudom mejik lenne neki jobb.?
Köszönöm a kiigazitást, jobban én se fogalmaztam volna
, de szerintem most nem kell ennyire belemélyednünk ebbe.feccus Két 6ohm-os hangszórót párhuzamosan kötve én nem kötnék a 7294-re, ha csak ezek maradnak akkor szerintem kösd sorosan öket, adj neki +/- 40V-ot és hosszú életü lesz a végfok is, igy viszont 8ohm-nál kisebbel nem kéne terhelni késöbb se, ha mondjuk majd hangfalat váltasz.
Elvileg az ic adatlapján"VS = ą 27V, RL = 4"ohm.(70w)
A mikroshopnál azt mondták hogy 2 x 27 - 29V váltófeszültség kell 4ohm-ra.
Azt elérheted ekkora fesszel, hogy jó nagy disszipációd lesz amit megérsz majd lehűteni, nézd a grafikontBővebben: Link 4ohm-on 30V-nál följebb nem is mutatja. Nekem van egy aktiv subom tda-al, egy 25cm pioneer-t hajt 24V AC táppal,tortyogásig lehet hajtani a végfokot (bekapcsol az áramkorlát)
Ezt a grafikont nézd meg, itt látszik amiröl beszélek, az ic max 50W-ot tud eldiszipálni...Disszipáció
Igen,igazad van.
Valamit ki kell találnom hangfal ügyben. Esetleg ha "megtoldadám" a hangfalat egy 4ohm-os ellenállásal?
Mérted is a végfokodat? A tortyogást a hővédelem is okozhatja ha nem tud elég gyorsan hűlni. Ha csutkára kivezérled és már rendesen klippel, az még akkor sem ugyanaz a tortyogás amit a hővédelem képes produkálni.
Igen, a borda maximum 40 fokot ért el 25 fokos lakásban több mint egy óra müködéssel, a tok 55 fokos volt max. Ebből hűtőborda a bordábol van egy 20cm-es darab rajt.
|
Bejelentkezés
Hirdetés |






Ha párhuzamosan kötök hangfalakat - hangszórókat az impedancia felére csökken, ha sorosan, akkor összeadódnak, pl 2db 8ohm-s hangszóró párhuzamosan ( pozitiv a pozitivval - negativ a negativval ) kötva 4ohm-t eredményez. Ugyan ezek sorosan ( egyik hangszóró pozitivjára a pozitiv, ennek a hangszórónak a negativja a másik hangszóró pozitivjával összekötve, és ennek a hangszórónak a negativjára az erősitő negativja ) 16ohm-t eredményez, a magas meg párhuzamusan van a rendszerrel, egy kondival az alsóbb frekvenciák levágása 6dB-el, soros kondi -párhuzamos tekercs a magassal 12dB, de ez nem szól bele mikor a multival méred a komplett hangfal impedanciáját. Neked akkor ,hogy is van?






