Fórum témák

» Több friss téma
Fórum » Elektronikában kezdők kérdései
- Ez a felület kizárólag, az elektronikában kezdők kérdéseinek van fenntartva és nem elfelejtve, hogy hobbielektronika a fórumunk!
- Ami tehát azt jelenti, hogy a nagymama bevásárlását nem itt beszéljük meg, ill. ez nem üzenőfal!
- Kerülendő az olyan kérdés, amit egy másik meglévő (több mint 17000 van), témában kellene kitárgyalni!
- És végül büntetés terhe mellett kerülendő az MSN és egyéb szleng, a magyar helyesírás mellőzése, beleértve a mondateleji nagybetűket is!
Lapozás: OK   1132 / 4061
(#) pcroland válasza MaTe193 hozzászólására (») Jan 14, 2011 /
 
Nekem nem tengeri szivacsom van.Sima boltban kapható(tekercsben)sárga kb 1mm vastag törlőrongy.Ha teljesen ki van száradva is csak 10 másodperc alatt kezd el barnulni,de nem olvad
(#) pcroland válasza kadarist hozzászólására (») Jan 14, 2011 /
 
Köszönöm.Amúgy hestore-s sk68 bordám van.Nagyon jól ki van találva.Recék vannak benne és oda lehet csavarni.6 olyan vájat van és azokon akárhova tehetem az ic-t.Ha kell valakinek tudok hozzá adni Spirnt Layout macro-t.És nem tudod melyik jobb?Eloxált vagy nélküli borda?Gondolom az eloxált mert az drágább.
(#) morzsa15 hozzászólása Jan 14, 2011 /
 
Sziasztok!
Az lenne a kérésem hogy az állábi kapcsolási rajzot egyszerűbb be meg tudná valaki nekem csinálni előre is köszönöm!
(#) zolika60 válasza morzsa15 hozzászólására (») Jan 14, 2011 /
 
Mit egyszerűsítenél ezen még?
(#) pcroland válasza morzsa15 hozzászólására (») Jan 14, 2011 /
 
Szia!Én csináltam hozzá nyákot igaz smd.Nem tudom,hogy ebbe ugyan azok-e az alkatrészek,de működik.És aszthiszem egy wattot tud(8 ohm ).Ha nem megy smd-be segítek áttervezni ha nem értesz az SL-hez.Ja és zolika60:Szerintem azt nem ment neki a tervezésben,hogy nem sorba vannak az LM386 lábai.
(#) storm válasza zolika60 hozzászólására (») Jan 14, 2011 /
 
Köszi a választ, de ahogy olvasgattam a komikat... Úgylátom nem valami stabil kapcsolás
(#) robotech hozzászólása Jan 14, 2011 /
 
Sziasztok!

Ilyenkor derül ki mekkora pancser vagyok analóg technikából:
Egy totem pole-os kimenetet szerettem volna csinálni egy FET-nek, mert nagyfrekin lesz kapcsolva,és a gatejét ki is kellen üríteni,nem csak feltölteni, továbbá mindezt 12V-ról.

A mellékelt kapcsolást építettem meg egy NPN,és egy PNP tranzisztorral,és azt tapasztalom, hogy nem kapcsol a FETre 12V-ot, teljes kitöltési tényező mellett is csak 5V-ot kapcsol rá.
Mi lehet a hiba? Hogyan kéne felépíteni ezt a totem pole-os kimenetet?

Köszi a választ!

totempole.JPG
    
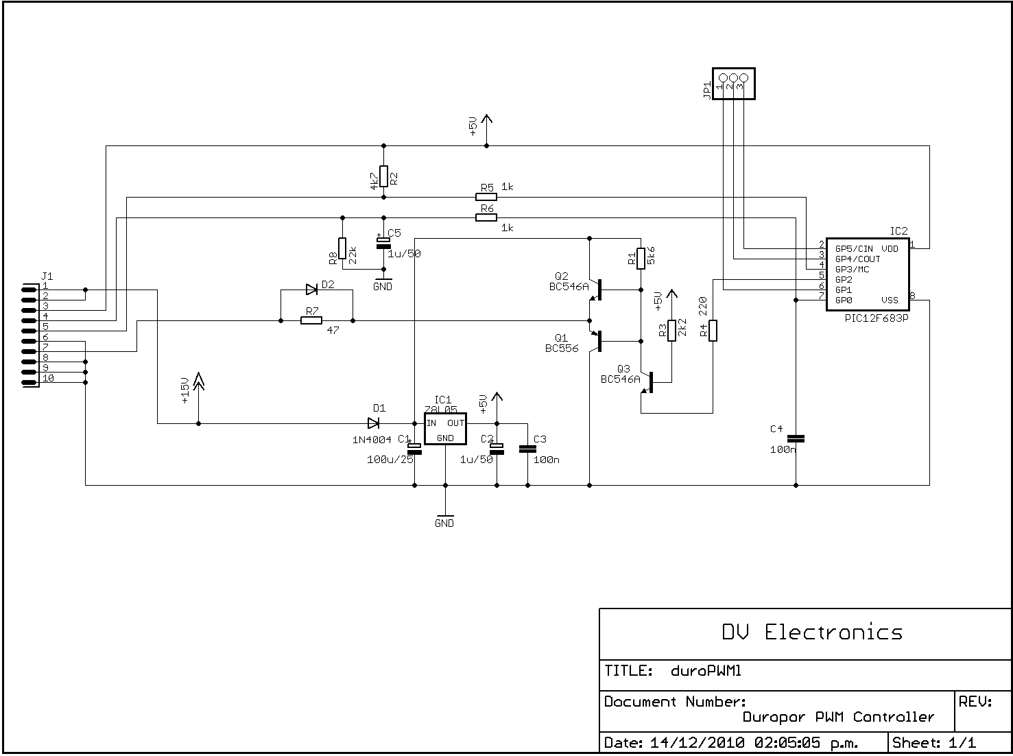
(#) vilmosd válasza robotech hozzászólására (») Jan 14, 2011 /
 
Kb igy. Nem fordit fazist, es a bemenete a pichez illeszkedik. Probaltam sokfele FET-el, es sokfele terhelessel. PWM frekit max. 16 kHz-et probaltam.

duropwml.png
    
(#) kadarist válasza robotech hozzászólására (») Jan 14, 2011 /
 
Szia!
A totem pole-nál az emitterek közösek. Bővebben: Link
(#) robotech válasza vilmosd hozzászólására (») Jan 14, 2011 /
 
Köszi,
látom itt legalább még egy tranzisztor használatos.
a BC-s tranzisztorok bázisára is 15V megy egy ellenálláson keresztűl, így azt szeretném kérdezni,hogy a PIC 5V-os kimenete nem is elég ahhoz,hogy a tranzisztorok megfelelően kinyissanak?
(#) robotech válasza kadarist hozzászólására (») Jan 14, 2011 /
 
Köszi szépen, ez az, hogy keresni is tudni kell...

én csak annyit írtam be, hogy totem pole output,és így jóval kevesebb ,és rosszabb képtalálatot kaptam...
(#) robotech válasza kadarist hozzászólására (») Jan 14, 2011 /
 
Uraim! Önök csodálatosak!

a mellékelt ábra alapján kiváló totem pole kimenetet sikerült készítenem!

Köszönöm a segítséget!
(#) krisz976 válasza proli007 hozzászólására (») Jan 14, 2011 /
 
Szia!
Köszönöm a segítséget.
Esetleg, ha három ledet szeretnék működtetni és párhuzamosan kötném őket akkor sok mindent kellene változtatni az áramkörön? üdv. Krisz
(#) krisz976 válasza kadarist hozzászólására (») Jan 14, 2011 /
 
Szia!

Köszi a segítséget. Krisz
(#) vilmosd válasza robotech hozzászólására (») Jan 14, 2011 /
 
Hali
A Q3 tranzisztor bazisa 5 volton log a R3 ellenallason keresztul, tehat amikor a PIC kimenete "H" szintu a tranzistor lezar, es a Q2 emitteren megjelenik a 15 volt. Ez azert van igy, mert egyes FET-ek nem szeretnek kinyitni 5volt G-S feszultsegnel teljesen, es nagy lesz adisszipacio a FET-ben. 10 volt felett altalaban kinyitnak teljesen, es igy kozel zerus lesz a D-S csatornaellenallas. A D2 dioda szerepe a G-S kapacitas gyorsitott kisutese (3-4 nF korul van), ezzel a FET gyorsabb lezarasa. A Q2 kollektorfeszultsege a 10-16 V tartomanyban lehet, mert igy meg nem lepjuk tul a max. G-S feszt, es nem fog a FET elhalalozni. Vegulis hasonlo kapcsolasok vannak a "Low-side" FET meghajtokban is, csak altalaban FET tranyok segitsegevel.
(#) robotech válasza vilmosd hozzászólására (») Jan 15, 2011 /
 
Köszönöm a részletes választ! így már értem (habár 3szor kellett elolvasnom. Az analóg elektronika nemigen megy nekem...)

Belefutottam a következő problémába:
a totem pole kimenet rendben, a FET-et a mellékelt rajz alapján rákötöttem, aminek eredménye képpen a 10ohmos gate-en lévő ellenállás azonnal elhiccent.

A feladat az lenne, hogy 20khz PWM-el kellene az AC ventillátor motort vezérelni,mert így extra halk a működése (nem búg,mint triak esetén).
Egy gyári áramkört mértünk meg szkóppal, azt másoltam le, működésileg. (szóval csak a működését másoltam, a panelt nem néztem át.)
Hogyan kellene a FET-et illeszteni a kimenethez, hogy még működjön is szerintetek?

Köszi előre is a választ!
(#) robotech válasza robotech hozzászólására (») Jan 15, 2011 /
 
Bocsi, még hozzátenném, hogy a FET-et egysze rosszúl kötöttem be, felcseréltem a gate-et,és a source-t, mire a totem pole tranzisztorai és a 10ohmos ellenállás is kiment.
Ezeket az alkatrészeket cseréltem, a FET-et jól kötöttem be, majd az ellenállás megint kiment... Lehet,hogy tönkrement a FET? hogy tudnám kimérni?
Drain-gate között 48ohm van, source-drain között 48 ohm van. ez jó? Mit kellene tudni mérni?
(#) kadarist válasza robotech hozzászólására (») Jan 15, 2011 /
 
Szia!
Az a FET zárlatos. Cserével végleg kiállt! A gate és bármely másik kettő kivezetés között szakadást kellene mérni akkor, ha nincs gate-zárlat.
(#) robotech válasza kadarist hozzászólására (») Jan 15, 2011 /
 
OK! Ez igazán jó hír! (mert ez gyorsan megoldható)
És szerinted a kapcsolás jó lenne?

Egy orosz kollégánál láttam íly módon működtetni FET-et, ebből jött az ötlet:

Köszi!
(#) kadarist válasza robotech hozzászólására (») Jan 15, 2011 /
 
Az IR IC egy gate-meghajtó , úgyhogy ez egy nagyon jó rajz.
(#) gerasz88 hozzászólása Jan 15, 2011 /
 
Egy haveromal azon gondolkozunk hogy meg lehetne e csinálni hogy egy 8g USB pendrívet rá lehet e kötni egy telefonra hogy pl. azon ami zenék vannak lehesen hallgatni telefonal.
Lehet hogy hülyeség de ha lehet írjátok le hogy hogy? ?
(#) beny.97 hozzászólása Jan 15, 2011 /
 
nem tudom hogy lehetséges de gondolkodom rajta. sztem nem lehetetlen de utánna nézek
(#) dpeti válasza gerasz88 hozzászólására (») Jan 15, 2011 /
 
Igen, hülyeség, márpedig úgy, ahogyan van

Mobiltelefon USB csatlakozója USB slave, tehát azt csak Hostra tudod csatlakoztatni (még ha On-The-Go is lenne, akkor is a pendrive csak slave tud lenni), plussz FW módosítás is kellene, ami biztosan nem fog megtörténni

Csinálhatsz egy micro-sd usb átalakítót, amely egy kis mikrokontrollert tartalmaz, amely tud USB hostként viselkedni, ezen kívül emulálni tud microsd kártyát, és rendelkezik egy kis nyákdarabbal, ami úgy néz ki mint egy microSD kártya.

Ilyet nem tudom hol lehet találni, itt ne kérj arra senkit sem, hogy csinálja meg, mert nem kis munka.
(#) gerasz88 hozzászólása Jan 15, 2011 /
 
Oké köszi
De szerintem se lehetetlen.
(#) silenthill2 hozzászólása Jan 15, 2011 /
 
Sziasztok! Az lenne a kérdésem hozzátok, hogy lehetséges lenne e megépíteni egy kis kerülőutat az áramfogyasztás lecsökkentéséhez.
Gondolatom egy autóba való 12V-ról 220V előállítására képes cuccból jött. Csak annak az a hátránya, hogy pár száz W előállítására képes. Legalább is nagyobbról nem tudok. Szóval hasonló félére gondoltam, de beltérre, és arról volna szó, h NEM az egész háztartás ellátására kellene, hanem csak egy elektromos olaj radiátort szeretnék működtetni így! Tehát azt szeretném,hogy nagyából 12V- ból 220-230-V-ot és kb 3000-3500W-ot előállítani. Meg építhető ez az ötlet? Még is mennyibe is kerülne? Várom válaszaitok. Sziasztok!
(#) gerasz88 válasza dpeti hozzászólására (») Jan 15, 2011 /
 
Hát enyire nem értek hozzá De azért köszi.
(#) kadarist válasza silenthill2 hozzászólására (») Jan 15, 2011 /
 
Szia!
A 12V-ot honnan szerzed? Az a forrás-energia ingyen áll a rendelkezésedre?
(#) gerasz88 hozzászólása Jan 15, 2011 /
 
Sziasztok aszt szeretném kérdezni hogy lehet e házilag egy fáziskereső ceruzát öszeszkábálni de mind eszt ugy hogy nem vagyok egy mindent tudó műszerész.
De köszi előre is.
(#) peter1995 hozzászólása Jan 15, 2011 /
 
Hello.Hogyan tudok egyszerűen 12VDC-ből 40VDC-t csinálni?Úgy hogy a 12V teljesítménye a 40V-on is megjelenjen.
(#) Ghoost válasza silenthill2 hozzászólására (») Jan 15, 2011 / 1
 
szia!

Kerulout nem letezik!
Elkepzelesed ELVIEKBEN mukodhet, de gyakorlatban szerintem nincs ertelme.

Egy feszultseg atalakito [legyen az transzformator vagy inverter] mind 2oldalan ugyanazon teljesitmeny jelenik meg, es itt most nem veszem figyelembe a veszteseget.

Tehat az alap
220V
3500w;
ez ~16A. [kimenet]

nezzuk akkor a bemenet igenyet.
Az 12V es
mint tudjuk itt is a 3500W jelenik meg,
ami mar ~300A (291.6A).

Mar csak egy olyan betaplalast talalj ami tudja ezen parametereket, es akkor indulhat a kert projekt megvalositasa.
Következő: »»   1132 / 4061
Bejelentkezés

Belépés

Hirdetés
XDT.hu
Az oldalon sütiket használunk a helyes működéshez. Bővebb információt az adatvédelmi szabályzatban olvashatsz. Megértettem