Fórum témák
» Több friss téma |
- Ez a felület kizárólag, az elektronikában kezdők kérdéseinek van fenntartva és nem elfelejtve, hogy hobbielektronika a fórumunk!
- Ami tehát azt jelenti, hogy a nagymama bevásárlását nem itt beszéljük meg, ill. ez nem üzenőfal! - Kerülendő az olyan kérdés, amit egy másik meglévő (több mint 17000 van), témában kellene kitárgyalni! - És végül büntetés terhe mellett kerülendő az MSN és egyéb szleng, a magyar helyesírás mellőzése, beleértve a mondateleji nagybetűket is!
Nekem nem tengeri szivacsom van.Sima boltban kapható(tekercsben)sárga kb 1mm vastag törlőrongy.Ha teljesen ki van száradva is csak 10 másodperc alatt kezd el barnulni,de nem olvad
Köszönöm.Amúgy hestore-s sk68 bordám van.Nagyon jól ki van találva.Recék vannak benne és oda lehet csavarni.6 olyan vájat van és azokon akárhova tehetem az ic-t.Ha kell valakinek tudok hozzá adni Spirnt Layout macro-t.És nem tudod melyik jobb?Eloxált vagy nélküli borda?Gondolom az eloxált mert az drágább.
Sziasztok!
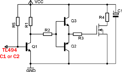
Az lenne a kérésem hogy az állábi kapcsolási rajzot egyszerűbb be meg tudná valaki nekem csinálni előre is köszönöm!
Szia!Én csináltam hozzá nyákot igaz smd.Nem tudom,hogy ebbe ugyan azok-e az alkatrészek,de működik.És aszthiszem egy wattot tud(8 ohm ).Ha nem megy smd-be segítek áttervezni ha nem értesz az SL-hez.Ja és zolika60:Szerintem azt nem ment neki a tervezésben,hogy nem sorba vannak az LM386 lábai.
Köszi a választ, de ahogy olvasgattam a komikat... Úgylátom nem valami stabil kapcsolás
Sziasztok!
Ilyenkor derül ki mekkora pancser vagyok analóg technikából: Egy totem pole-os kimenetet szerettem volna csinálni egy FET-nek, mert nagyfrekin lesz kapcsolva,és a gatejét ki is kellen üríteni,nem csak feltölteni, továbbá mindezt 12V-ról. A mellékelt kapcsolást építettem meg egy NPN,és egy PNP tranzisztorral,és azt tapasztalom, hogy nem kapcsol a FETre 12V-ot, teljes kitöltési tényező mellett is csak 5V-ot kapcsol rá. Mi lehet a hiba? Hogyan kéne felépíteni ezt a totem pole-os kimenetet? Köszi a választ!
Kb igy. Nem fordit fazist, es a bemenete a pichez illeszkedik. Probaltam sokfele FET-el, es sokfele terhelessel. PWM frekit max. 16 kHz-et probaltam.
Szia!
A totem pole-nál az emitterek közösek. Bővebben: Link
Köszi,
látom itt legalább még egy tranzisztor használatos. a BC-s tranzisztorok bázisára is 15V megy egy ellenálláson keresztűl, így azt szeretném kérdezni,hogy a PIC 5V-os kimenete nem is elég ahhoz,hogy a tranzisztorok megfelelően kinyissanak?
Köszi szépen, ez az, hogy keresni is tudni kell...
én csak annyit írtam be, hogy totem pole output,és így jóval kevesebb ,és rosszabb képtalálatot kaptam...
Uraim! Önök csodálatosak!
a mellékelt ábra alapján kiváló totem pole kimenetet sikerült készítenem! Köszönöm a segítséget!
Szia!
Köszönöm a segítséget. Esetleg, ha három ledet szeretnék működtetni és párhuzamosan kötném őket akkor sok mindent kellene változtatni az áramkörön? üdv. Krisz
Hali
A Q3 tranzisztor bazisa 5 volton log a R3 ellenallason keresztul, tehat amikor a PIC kimenete "H" szintu a tranzistor lezar, es a Q2 emitteren megjelenik a 15 volt. Ez azert van igy, mert egyes FET-ek nem szeretnek kinyitni 5volt G-S feszultsegnel teljesen, es nagy lesz adisszipacio a FET-ben. 10 volt felett altalaban kinyitnak teljesen, es igy kozel zerus lesz a D-S csatornaellenallas. A D2 dioda szerepe a G-S kapacitas gyorsitott kisutese (3-4 nF korul van), ezzel a FET gyorsabb lezarasa. A Q2 kollektorfeszultsege a 10-16 V tartomanyban lehet, mert igy meg nem lepjuk tul a max. G-S feszt, es nem fog a FET elhalalozni. Vegulis hasonlo kapcsolasok vannak a "Low-side" FET meghajtokban is, csak altalaban FET tranyok segitsegevel.
Köszönöm a részletes választ! így már értem (habár 3szor kellett elolvasnom. Az analóg elektronika nemigen megy nekem...)
Belefutottam a következő problémába: a totem pole kimenet rendben, a FET-et a mellékelt rajz alapján rákötöttem, aminek eredménye képpen a 10ohmos gate-en lévő ellenállás azonnal elhiccent. A feladat az lenne, hogy 20khz PWM-el kellene az AC ventillátor motort vezérelni,mert így extra halk a működése (nem búg,mint triak esetén). Egy gyári áramkört mértünk meg szkóppal, azt másoltam le, működésileg. (szóval csak a működését másoltam, a panelt nem néztem át.) Hogyan kellene a FET-et illeszteni a kimenethez, hogy még működjön is szerintetek? Köszi előre is a választ!
Bocsi, még hozzátenném, hogy a FET-et egysze rosszúl kötöttem be, felcseréltem a gate-et,és a source-t, mire a totem pole tranzisztorai és a 10ohmos ellenállás is kiment.
Ezeket az alkatrészeket cseréltem, a FET-et jól kötöttem be, majd az ellenállás megint kiment... Lehet,hogy tönkrement a FET? hogy tudnám kimérni? Drain-gate között 48ohm van, source-drain között 48 ohm van. ez jó? Mit kellene tudni mérni?
Szia!
Az a FET zárlatos. Cserével végleg kiállt! A gate és bármely másik kettő kivezetés között szakadást kellene mérni akkor, ha nincs gate-zárlat.
OK! Ez igazán jó hír! (mert ez gyorsan megoldható)
És szerinted a kapcsolás jó lenne? Egy orosz kollégánál láttam íly módon működtetni FET-et, ebből jött az ötlet: Köszi!
Az IR IC egy gate-meghajtó , úgyhogy ez egy nagyon jó rajz.
Egy haveromal azon gondolkozunk hogy meg lehetne e csinálni hogy egy 8g USB pendrívet rá lehet e kötni egy telefonra hogy pl. azon ami zenék vannak lehesen hallgatni telefonal.
Lehet hogy hülyeség de ha lehet írjátok le hogy hogy? ?
nem tudom hogy lehetséges de gondolkodom rajta. sztem nem lehetetlen de utánna nézek
Igen, hülyeség, márpedig úgy, ahogyan van
![]() Mobiltelefon USB csatlakozója USB slave, tehát azt csak Hostra tudod csatlakoztatni (még ha On-The-Go is lenne, akkor is a pendrive csak slave tud lenni), plussz FW módosítás is kellene, ami biztosan nem fog megtörténni ![]() Csinálhatsz egy micro-sd usb átalakítót, amely egy kis mikrokontrollert tartalmaz, amely tud USB hostként viselkedni, ezen kívül emulálni tud microsd kártyát, és rendelkezik egy kis nyákdarabbal, ami úgy néz ki mint egy microSD kártya. Ilyet nem tudom hol lehet találni, itt ne kérj arra senkit sem, hogy csinálja meg, mert nem kis munka.
Sziasztok! Az lenne a kérdésem hozzátok, hogy lehetséges lenne e megépíteni egy kis kerülőutat az áramfogyasztás lecsökkentéséhez.
Gondolatom egy autóba való 12V-ról 220V előállítására képes cuccból jött. Csak annak az a hátránya, hogy pár száz W előállítására képes. Legalább is nagyobbról nem tudok. Szóval hasonló félére gondoltam, de beltérre, és arról volna szó, h NEM az egész háztartás ellátására kellene, hanem csak egy elektromos olaj radiátort szeretnék működtetni így! Tehát azt szeretném,hogy nagyából 12V- ból 220-230-V-ot és kb 3000-3500W-ot előállítani. Meg építhető ez az ötlet? Még is mennyibe is kerülne? Várom válaszaitok. Sziasztok!
Hát enyire nem értek hozzá De azért köszi.
Szia!
A 12V-ot honnan szerzed? Az a forrás-energia ingyen áll a rendelkezésedre?
Sziasztok aszt szeretném kérdezni hogy lehet e házilag egy fáziskereső ceruzát öszeszkábálni de mind eszt ugy hogy nem vagyok egy mindent tudó műszerész.
De köszi előre is.
Hello.Hogyan tudok egyszerűen 12VDC-ből 40VDC-t csinálni?Úgy hogy a 12V teljesítménye a 40V-on is megjelenjen.
szia!
Kerulout nem letezik! Elkepzelesed ELVIEKBEN mukodhet, de gyakorlatban szerintem nincs ertelme. Egy feszultseg atalakito [legyen az transzformator vagy inverter] mind 2oldalan ugyanazon teljesitmeny jelenik meg, es itt most nem veszem figyelembe a veszteseget. Tehat az alap 220V 3500w; ez ~16A. [kimenet] nezzuk akkor a bemenet igenyet. Az 12V es mint tudjuk itt is a 3500W jelenik meg, ami mar ~300A (291.6A). Mar csak egy olyan betaplalast talalj ami tudja ezen parametereket, es akkor indulhat a kert projekt megvalositasa. |
Bejelentkezés
Hirdetés |















