Fórum témák
» Több friss téma |
Sziasztok!
Építettem egy hőmérőt az autómba, mivel elég régi típus, és nincs benne, csak egy visszajelző lámpa. A hőmérő az alábbi linken látható, egyszerű LED-soros LM3914 vezérlésű műszer. (Link) Úgy gondoltam, hogy az eredeti visszajelzőt is szolgálatba állítom, kicserélem LED-re, és bekötöm úgy, hogy együtt világítson az utolsó előtti LED-el a sorban. (dupla figyelmeztetés, figyelemfelkeltőnek) Az IC 11. lábáról egy 1k-s ellenállás megy egy BC212 tranzisztor bázisára, a tranyó emittere tápon van, a kollektora pedig ellenálláson keresztül a plusz LED-re megy. Van még egy ellenállás a tranyó bázisa és emittere között is, ezt most variálgattam, de nem lett jó a rendszer. A gond az, hogy a LEd folyamatosan világít, igaz csak halványan, és akkor kezd el teljes fénnyel menni, amikor az utolsó előtti LED is felvillan a sorban. (tehát amikor kell) Ezt az állandó halvány világítást szeretném megszüntetni. Hogyan csináljam?
Sziasztok!
Ráakadtam erre a ledes hőmérőre,tetszik csak némi kis módosítás kellene,10-100 c ig akarok mérni egy IC vel?! Tehát 1-1 hejett 1- 10 kellene számolni. Ha valaki tud megoldást azt megköszönöm.
Sziasztok!
Nekem egy olyan kis hőmérő kapcsolás kellene ami 4 LEDből áll, és a LEDek úgy világítanak hogy az első 90 foktól, a második 100-tól a harmadik 110-től, és a negyedik 120 felett! Valaki tudna segíteni nekem ezügyben? Kicsi panel kellene, mert RC autóra szeretném felszerelni! Előre is köszi a segítséget! üdv PIXI
Próbáld meg 1M körülivel. Ha még mindig világít lehet csökkenteni az értéket.
Szólj, ha eredmény van.
Most vettem észre hogy itt van a linkben a kapcsolás ami nekem kell!
![]() Amúgy van ennél jobb, megbízhatóbb ami azt tudja amit én szeretnék?
Vagy próbáld meg BC182-vel. IC-től egy 1K ellenálláson keresztül a bázisra, A bázistól egy 1M a test felé, az emitter szintén test, a kollektor körbe egy soros ellenálláson keresztül a LED a tápra.
Sziasztok!
Az lenne a kérdésem, hogy ennél az ICnél, hogy lehet azt megcsinálni, hogy mindig csak a megfelelő led világítson, és ne az összes amin már túl ment, és lehet-e egy ledet két lábra kötni, vagyis mondjuk a 100 és a 110 fok ugyan az a led legyen! üdv PIXI
Ha a 9. lábat nem a tápra, hanem a földre kötöd, akkor mindig csak a megfelelő LED fog világítani (DOT mód, azt hiszem) A másik kérdés miért jó?
Üdv azt hogyan lehet megcsinálni hogy a hestore-ról rendeltem egy mono vu métert és egy lm 35 hőérzékelő diódát és összekötni hogy milyen meleg van annyira megy fel a led .Pontosabban ezt rendeltem meg Bővebben: Link.
Hali! Van egy kérdésem. Az előző oldalon van egy kapcs rajz a hőmérőhöz.de azért én is belinkelem... Azt nem értem rajta, hogy hova kell tenni az elem negatív pólusát, és ha jól emlékszem 4 helyen nem folytatódik a vezeték. Azzal mit kell csinálni? (bocsi, ha túl nagy hülyeséget kérdeztem volna...)
Azokat a "talpacskákat" össze kell kötni és így megkapod a negatív csatlakozást.
Üdv az érdekelne hogyan lehetne egy olyan led soros hőmérőt építeni ami -20c-tól 50c-ig képes kijelezni a hőmérsékletet (persze valahogy úgy hogy ne ugy hogy 7 *10 ledes led meghajtott keljen beépíteni ha lehet nem értek annyira az ilyenekhez de szerintem egy ledd mátrixal meg lehetne oldani
Hello!
Kicsit össze-vissza beszélsz, tisztázd magadban a kérdéseidet! Pld. Hány Led-el szeretnéd jelezni a 20..50 fok tartományt. Ez kell először eldönteni, aztán majd, hogy ez hogyan valósul meg. De ha "nem értesz hozzá", akkor hogyan állítod, hogy Led mátrixot kell alkalmazni? ![]() üdv! proli007
Szia! és pont kijelzést szeretnél vagy vonal kijelzést?
Sziasztok bennem is már felvetödött a kérdés hogy esetleg 3db 7 szegmenses kijelzövel megoldhato lenne e valami egyszerü elektronikával. Ok azt tudom hogy néhány ellenálás kell meg hasonlo de ne legyen tul bonyi.
Hello!
Oszt milyen kérdés vetődött fel benned? A téma címét elolvastad? Vagy a hétszegmenses kijelző lesz a Led-sor? Mert ha digitális hőmérőt készítenél, ahhoz azért két ellenállásnál több kell. (A gondolat olvasást még gyakorolnunk kell..) :yes: üdv! proli007
Jó láttam a cimet de nem vagyok teljeen jártas az elektronikában csak szeretnék valami kis okos eszközt késziteni ami pb egy hömérö és szegmenskijelzös de nem vagyok egy nagy forumozo igy ezt találtam és biztam benne hogy segit valaki. Amugy valami olyan cuccot szeretnk összerakni amivel falfütés-hütést tudok gyorsan mérni hogy mit tudok a falbol kihozni.
Hello!
Akkor a keresőbe a "hőmérő" szót kellett volna beírni. és találtad volna ezt, vagy mikroprocesszorosnak "Digitális hőmérő.." címmel. üdv! proli007
Sziasztok.
Vki eltudná mondani az LM3914 működését? Az oké hogy 10 led meghajtására képes de hogyan?
Szia!
A szokásos feszültségosztó-feszültségkomparátor megoldás, néhány kiegészítéssel. Az adatlap kissé bővebben is részletezi az IC belső felépítését.
Sziasztok!
Szeretnék építeni egy RGB led-es hőmérőt, lm3914-el. Úgy képzeltem el, hogy dot módban, ellenállásokkal 10 lépésben szabályoznám a színt. A kérdésem az lenne, hogy az lm3914 képes e meghajtani ezt a ledet? Mármint, hány mA-ra terhelhető külön külön a kimenetek. Ha jól látom, akkor a led maximális áramfelvétele 30mA alapszínenként, de az ic 20mA kimenetenként? Ha nem tudja meghajtani, akkor mi a megoldás? Előre is köszönöm.
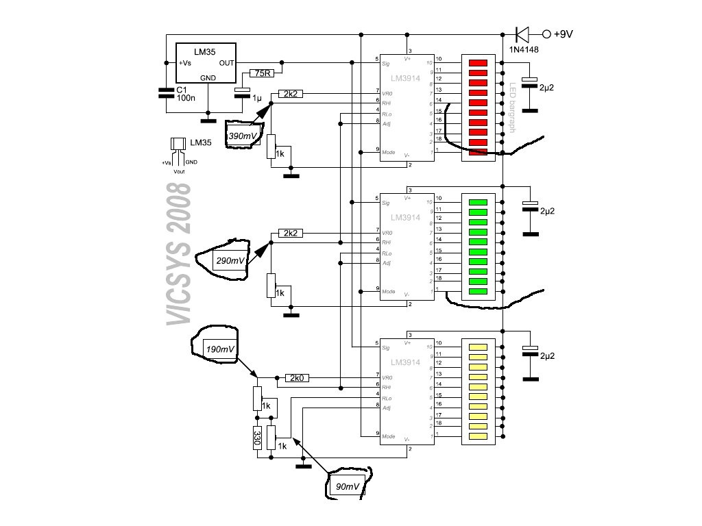
Üdv, csináltam egy vicsys-féle hőmérőt, és előállt egy olyan helyzet, hogy hiába tekergetem a helitrimmereket mint a hülye, nem akar beállni megfelelő értékekre, a legalső pl ahol csak 90 mv kéne, ott 3 egész valamennyi a legalsó határ. Már mindent próbáltam, de nem sikerül. az ic-lábak között indokolatlanul nagy a fesz szerintem. a nyákot is átnéztem ezerszer, és jónak tünik, forrasztások is rendben, kontaktol minden mindennel, de már az őrületbe kergettem magam a tekergetéssel.
Sziasztok! Ehhez a kapcs rajzhoz nincs véletlenül olyan nyákrajza ami kör alakú? Köszönöm!
Sziasztok!
Szeretnék egy túlmelegedés visszajelzőt csinálni motorra. A lényeg annyi lenne hogy egy kis hőellenállást beteszek a hűtőbordák közé, és a műszerfalon egy LED kezdjen el világítani ha a hőmérséklet eléri a 110°C-ot. Meg ha nem bonyolult akkor még jó lenne, szintén ezt a hőellenállást használva hogy folyamatosan világítson egy LED addig amíg el nem éri a 70°C-t. Ha egyszerűen megoldható(ha bonyolult akkor hagyjuk) akkor egy kis trimmer potival lehessen szabályozni hogy mikor kapcsoljon. +/- 5 vagy 10°c. Valamint ami fontos hogy 6v-ról üzemeltethető legyen. De könnyet át lehessen alakítani(1-2 alkatrész cseréjével)12v-osra. És ha lehet ne legen túl érzékeny kisebb feszültség ingadozásokra. Elektronika terén nem vagyok túl jó. Ha van egy megfelelő kapcsolási rajz, nyákterv meg lista a "hozzávalókról" akkor megoldom a dolgot. A forrasztás az jól megy.
Szerintem előbb a keresőben kellett volna széjjelnéznded, mielőtt ezt a kérdést felteszed. Rengeteg hőmérős téma van, pl. ez http://www.hobbielektronika.hu/forum/topic_867.html
Hello!
Lehet forrasztani.. üdv! proli007
Sziasztok! Lenne egy kérdésem. Nézegettem ezt a Vycsys féle LED-es hőmérőt, és azon morfondíroztam hogyan lehetne hasznosabbá tenni. Az az ötletem támadt hogy rá kellene eszkábálni egy ventilátoros szabályzást. Mondjuk ha elér egy bizonyos hőmérsékletet a figyelt alkatrész akkor a ventilátor elindul és ha lecsökken egy előre beállítottra akkor leáll. Ehhez mellékeltem két képet. Az első az eredeti kapcsolás. A bal oldalon az a két kis vonal egy-egy kivezetés amire az ic ad feszültséget, ezek mennének a második képen látható kapcsolók helyére. Ha az ic a T2-es tranzisztorra ad feszültséget az áramkör "beélesedik" ha eléri a T1 kivezetését akkor bekapcsol és üzemelne a ventilátor egészen addig amíg a T2 megkapja a feszültséget, majd az egész visszaáll alap helyzetbe. Kérlek nézzétek át, és ha van bármi ötletetek, észrevételetek jelezzétek. Valamint ha az eredeti kapcsolásban a referenciafeszültségeknek mennyi a maximuma? Amit én szeretnék beállítani az 790mV,690mV,590mv és 490mV. Ez tehát lehetséges az eredeti áramkörben vagy módosítanom kellene a feszültségosztókat is? Válaszaitokat előre is köszönöm.
Hello!
Ha már egyszer szimulátorban rajzoltad meg, miért nem próbáltad ki. - Mert a PNP tranyók így nem jól vannak bekötve, kollektor emitterük fel van cserélve. - De ha már relé van benne, akkor azt is fel lehet használni az öntartásra. - Az IC a Ref-Out és az ADJ láb között 1,2V feszültséget állít be. Vagy is a 2,2kohm-on ez van. 1,2V/2,2k=0,48mA. Plusz az ADJ kb. 80uA árama, az 0,56mA. Ez az áram folyik át a potin is. Ha az maximumra van tekerve, akkor ellenállása 1kohm, tehát 0,56mA*1k=0,56V, vagy is 560mV körüli. (Referencia osztó áramát nem számolva) üdv! proli007 A hozzászólás módosítva: Okt 26, 2012
|
Bejelentkezés
Hirdetés |















