Fórum témák
» Több friss téma |
Fórum » LED-es kivezérlésjelzők
Témaindító: KeserűCukor, idő: Márc 27, 2006
Témakörök:
Sziasztok!
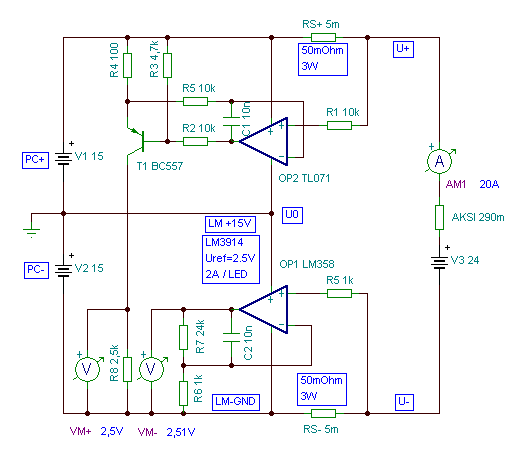
Ez a kapcsolási rajz szerintetek jó?
Akárhogy nézem két, földfüggetlen táppal látom megoldhatónak egyenlőre, de az meg nem egyszerű...
Leírod, hogy miért gondolod ezt? Biztosan meg van benned fogalmazódva, de én nem tudom mire gondolsz.
Azért mert az árammérés egyik pontja sincs fix feszültségen (a táp 12-15 volt között változtatható), viszont ahogy néztem az LM3914 -nél az ic belső kötése miatt nem lehet a bemenet a táp testjétől független, az UAA180-nál meg nincs belső rajz...
Értem. Várd meg Proli007-et, hátha kitalál valamit!
Hello!
Galvanikusan akkor lehet mérni valamit, ha a mérőmű ezt alapból biztosítja. pld. egy Deprez műszer, külön független táppal rendelkező elektronikus mérőmű, vagy áramváltó, amiben Hall elem biztosítja az elválasztást (van olyan IC amiben ez benne van). Megoldható még ISOAMP erősítővel is a probléma. De mind számomra horrorisztikus áron, úgy hogy nem láttam egyet sem, kivéve az ISOAMP erősítőt, amit már magam is készítettem) Mivel a kijelzés mindössze 10db Led valósítja meg, ezért a mérés pontosságának bőven megfelel, a +-2% hiba. Alkalmazható lenne így differencia erősítő fokozat is, de ott az ellenállások pontatlansága közösmódusú elnyomási hibát okoz. De kitaláltam számodra egy "egyszerű" megoldást, feltétele mind össze, hogy a töltési feszültséget nem csökkented le mondjuk 5V alá. Mert akkor megszűnik a tápfeszültség. - A lényeg, hogy az LM3914 GND tápfeszültsége a töltő, -12V kimenetén van. Ekkor a kijelző IC-k a PCtáp GND-jéről, mint +12V-ról táplálható. - Az OPA erősítők táplálását a rajzon láthatod. Mivel alapvetően "féltápfeszültsége" üzemmódban üzemelnek, a típustól eltérni nem lehet, csak hasonló paraméterű IC-t használva. - A Shunt ellenállások egyöntetűen 5mohm/3W értékűek, amin 20A áram esetén 100mV feszültség esik. Kialakításánál át kell gondolni, hogy tényleg azt mérjük, amit szeretnénk, tehát az áram bevezető és feszültség kivezető pont nem igazán lehet azonos. (Persze a +-2% hiba itt is fennállhat.) - A negatív ággal "nincs problémánk", hiszen a Shunt negatív fele, közös az LM3914 GND pontjával, mind össze a 100mV feszültséget fel kell erősítenünk az LM 2,5V-os referencia szintjére. Ezt végzi az alsó műveleti erősítő, aminek erősítése 1:25 és beállítását az LM3914-hez, az R7 ellenállás változtatásával meg lehet oldani. (Akár két R7a-R7b sorosan kötött ellenállás összeválogatásával is, és nem kell trimmer, mert vélhetően a Shunt pontatlansága teszi majd szükségessé az állítást.) Így az OPA kimenetén 0..20A esetén 0..2,5V feszültséget vehetünk le az LM3914 számára. - A pozitív ág áram értékét, egy feszültségvezérelt áramgenerátorral visszük át, a -12V-os oldalra. Az IC a tranzisztor kollektoráramát, 100mV feszültség esetén 1mA-ra állítja be. Tekintve, hogy a tranyó kollektora az áramgenerátor kimenete, az ott folyó áram a tápfeszültség (korlátozott) változásától független lesz. Ha ezt a Shunt feszültségével arányos áramot átvezetjük egy ellenálláson, akkor arról a Shunt-ön átfolyó árammal arányos feszültséget vehetünk le. (A mérést kalibrálni itt is az R8 változtatásával lehetséges, a negatív ágnál leírt módon) 1mA/2A esetén 2,5kohm-os ellenállást használva, itt is 0..2,5V feszültséget kapunk. Ezzel már vezérelhetjük az LM3914 bemenetét. - Most már nincs más dolgod, mint az LM3914-ből két kijelzőt készíteni. Ahol az IC referencia feszültsége 2,5V, vagy is a Ref-out/Ref-ADJ és Ref-ADJ/GND lábak közé, egy egy 1kohm-os ellenállást kell tenni. Így a Ref-Out és GND között, kb. 2,5V mérhető. üdv! proli007
Hello!
Nem, mint itt is olvashatod..üdv! proli007
Le a kalappal előtted!
Köszönöm a kapcsolást és a magyarázatot is. Féltem tőle hogy nem lesz egyszerű megoldás... Megnézem majd hogy lehet kicsire és laposra összehozni. Azt a differenciál erősítő nem megoldás a közösmódusú elnyomási hiba miatt dolgot kifejtenéd akár priviben, ha itt nagyon off?
Hello!
Csak röviden.. - Lehetne alkalmazni kivonó áramkört, amivel a Shunt két felén mérhet feszültség különbségét venné. De a pld. 100mV Shunt-ön eső hasznos feszültséghez, 12..15V azonosfázisú hibajel tartozna. A kivonás csak akkor lenne pontos, ha a kapcsolásban az ellenállás párok értékei abszolút pontosak lennének. De ekkor is küzdeni kellene az OPA CMRR hibájával. Tehát létezik ilyen erősítő INA.. jó drágán, ahol az ellenállások a tokban vannak, és lézerrel egyedileg jusztírozzák.. üdv! proli007
Építettem egy újabb változatot egy réges-régi kivezérlésjelzőből. Kapcsolási rajzának alapja a fájlnévben olvasható.
Alapvetően a tápfeszültség stabilizálásán variáltam egy kicsit, és 18db LED-re növeltem a sort, így 50V-ról éppen remekül működik, azaz könnyen illeszthető pl. egy QUAD-ba. FONTOS! a kijelzése lineáris. Viszont elég hosszú, ezért ez nem okoz komoly gondot.
Szia!
Ehhez mit szólsz most fogtam hozzá a panel már kész. http://s-o.webnode.cz/vu-metr/
A led az "magyarul" fog világítani!!!
A PIC nekem egyenlőre idegen világ. De valóban ez a jövő (sőt inkább a jelen).
Kíváncsian várom az eredményt. Azt mondta egy rendkívül bölcs és hozzáértő ember (nem pontos idézet, csak ez maradt meg nekem belőle): A PIC digitális, ami jó, és sokszor segít, de a világ ettől még analóg.
Elbír de mi értelme van 10-et is meg bír hajtani..
Köszi a választ. Azért akarok 2 ledet rakni 1 plexi lapba, hogy a fény ne csak középen legyen erős hanem mindenhol.
de a biztonság kedvért tegyél rá egy ellenállást ne hogy ki süsse!!
Áramgenerátor hajtja a LED-eket, amit a Te állítasz be a megfelelő lábakon...
Hello!
Így van, ahogy Kividivi írja, áramgenerátor van a kimenetén. De nem párhuzamosan kel kötni a Led-eket, hanem sorba. Annyit sorba lehet kötni egy kimeneten, hogy a Led-ek nyitófeszültségének összege, ne legyen több, mint a tápfeszültség mínusz 3V. (még az IC is kímélve lesz, mert kisebb hű fog rajta képződni) üdv! proli007
Hello all.Szeretnek epiteni egy 1 soros stereo vu metert 2 db lm3915 el.Kellene valami fele kapcsolas ami jol mukodik es nyakrajz is.
Sziasztok. Kérdezném hogy készített-e már valaki pices kivezérlésjelzőt? Vagy hallott-e már valaki ilyenről? Mert szerintem meglehetne csinálni és még talán olcsóbban is kijönne.
Sziasztok!
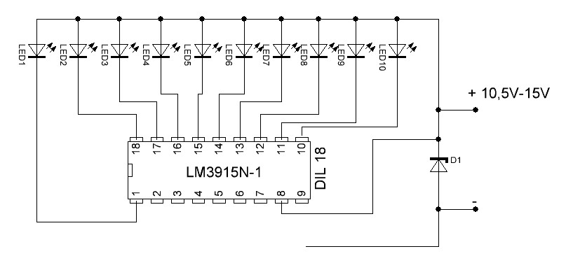
Szeretnék csinálni egy akkumulátor őrt az automba. LM3915N-1-es IC-m van. (kaptam egyet a havertól). Hogyan lehet ezt megcsinálni hogy 10,5V és 15,5V között legyen a kijelzés? Ledeim is vannak már. Valami ilyet szeretnék csinálni: Bővebben: Link
Sikerült eddig eljutnom az eredeti kép alapján. Ha valaki tudna kérem segítene befejezni?
Miért nem nézed meg az adatlapját? Ott sok mindent megtalálhatsz.
tessék nagyon egyszerű kapcsolási rajz és még müködik is
köszönöm. megnézem.
Amúgy a "be" résznél kap tápot az ic (ide is jó az akkumulátor 12V-ja), a 12V pedig az akkumulátort kell rákötni? Bocs az alap dolgokért de még csak most ismerkedek az elektronikával.
Az a része értelmet lenni össze kell kötni polaritás szerint be dugni a szivargyujtóba oszt jó
|
Bejelentkezés
Hirdetés |














