Fórum témák
» Több friss téma |
ezt láttam én is de a fontos fizika dolgokat is megszeretném érteni hogy ilen kor az áram és feszültség viszonyok hogyan alakulnak.
ÜDv
ezt is nézegetem de itt sem akar összeállni a kép valamiért! Valahogy az eddig tanultak rosszul vágnak össze
![]() Ebben a rajzban azok a menetelő alakzatok az elektronok lennének avagy a megállapodott áram iránya? Ha valaki nekem leírná hogy hogyan is miért mükődik így a TTL nand, Nagyon megköszönném! ÜDv Köszi szépen
Az elektronok a - pólustól "menetelnek" a + felé, úgyhogy az csak az áramirány lehet. Ennél világosabb és egyértelműbb képet nem kaphatsz egy áramkör működéséről. Egyáltalán a tranzisztor működésével tisztában vagy?
Tudod, az a lényeg, hogyha áram folyik a tranzisztoron, akkor leesik a kollektorfeszültsége (a bázisba áram folyik). Ha le van zárva (nem folyik áram a bázisba), akkor meg felmegy tápfeszültségig a kollektorfeszültség.
megmondom őszintén hogy a dióda müködésével kapcsolatban tisztában vagyok.
A tranzisztornak a müködését nem értem pontosan lehet hogy ezért is van hogy nem áll össze a kép! Ha tudsz részletes érthető leírást megköszönöm! Hobbielekronikán van egy leírás de sztem az nem annyir a jó!
Rengeteg anyag van erről: Bővebben: Link. Tehát a tranzisztor, mint ahogy a neve is sugallja egy vezérelhető ellenállás. Ha egy kis áramot vezetünk a bázisába, ami az emittere felé fog folyni, akkor a kollektorán keresztül áram fog folyni az emittere felé. Kis bázisáram-változással nagy kollektoráram-változást lehet elérni. Ezt hívják erősítésnek. A kapuáramköröknél kapcsolóüzemben használják a tranzisztort, tehát vagy teljesen ki van nyitva a kollektor-emitter vagy zárva van. Erre is van szimuláció: tranyó működése
A hab a tortán: tranzisztor, mint kapcsoló
Na most már kapisgálom a dolgot:
De még kapcsoló üzemben kérdése az hogy mit jelent az inverz müködéses mód?
Hol láttad ezt az "inverz" dolgot? Nem az inverterre gondolsz. Az csak annyit tesz, hogy ha a bemenetén magas szint van, akkor a kimenetén alacsony és fordítva.
http://sub.allaboutcircuits.com/images/04125.png
ezt gy magyarázzák sok helyen hogyen hogy t1 ha magas szintet kap akkor inverz üzemmódba fog mükődni!
Így van! Az NPN tranzisztornál alapból a kollektornak pozitívabbnak kell lenni, az emitterhez képest, de van, hogy ez megfordul. A szimulátor itt is látványosan mutatja be ezt a állapotot: Bővebben: Link. Kapcsolgasd a H-t L-re az egérrel a bemeneteken.
szóval akkor ha t1 re 5 voltot kapcsolunk mindkét ágra akkor t1 elkezd vezetni kollektor irányba mert megkapta bázisáramot és azért emitter és kollektor között van kapcsolat.
vagy rosszul értelmezem?
A szimulátor magyaráz a legjobb hatékonysággal, szerintem fogadd el az ő megoldását.
Én azt elfogadom de ha élőszóval elmondanád az lenne a legjobb ha lehet ilyet kérnem!
Köszi szépen!
szóval ha a tranzisztor emiterre alacsony szintet adok azaz levan testelve akkor kinyit a tranzisztor. EZek után az emiter és a kollektor rövidzár és ezért a kollektorn 0 v jelenik meg!
Ha magas szintet adunk az emiterre akkor miért jeleneik meg magas szint? ÜdvKöszi szépen
Csak ha mindkét bemenetre magas szintet adunk, akkor lesz a kimeneten alacsony szint. Ha a bemeneteken alacsony szint van, akkor lesz a kimeneten magas szint. Figyeld meg, hogy milyen állapotban nem folyik bázisáram a kimeneti tranzisztorba.
Eggyel több aki ezt már nem érti.Azt még csak csak elfogadom ,hogy a bázis-kollektor közötti diódán áram folyik a kimeneti tranzisztor bázisa felé -a bemenetek magas szintje esetén- ,és ez kinyitja a kimeneti tranzisztort,de a záró irányban az emitteren masírozó elektronok már nekem is életidegenek.
Bár egy érdekes kapcsolást láttam ,ahol a fordított E-B(összekötve)pozitív - C negatív bekötésű NPN tranzisztor mint oszcillátor működött (tényleg működött mert megépítettem) .
A tranzisztor szimmetrikus felépítése miatt fordított bekötéssel is működik, bár így jellemzői jelentősen leromlanak, inkább csillapít, mint erősít. Ezt az inverz beállítást szinte kizárólag TTL logikai kapuknál használják.
Sziasztok,
NE555-tel szeretnék BD433-as tranzisztort 'kapcsolni'. Tudtommal az 555 teljesítménye 3W. A BD433 I(b) paramétere 1A. Ez számomra azt jelenti, hogy, ha 1A áram folyik a B-E-n, akkor van teljesen nyitva, és folyik a maximális áram a C-E-n. (Tévedek?) 10V-ot kap az 555, 12 V-t kap a BD433. Az 555 kimenetén lenne egy LED, és a BD433 bázisa. Hogy tudom a BD433-at vezérelni? Köszönöm, zimpee
Bocsánat,
3 db Bd433-at szeretnék kapcsolni 1 db 555-tel. LED csak 1 db lenne. Rajzolok. Köszönöm, zimpee
Hello!
Nem szerencsés sorba kötni a Led-et a vezérléssel. Mert igaz, hogy csak három bázisellenállás kell a tranyók elé, de a három tranyó össz bázisáram nem érheti el a Led maximális (kb. 20mA) áramát. Továbbá, mikor az 555 kimenete alacsony, a bázisok lógnak a levegőben, ezért a Led után egy ellenállás kell a GND felé. Sokkal célszerűbb, ha a Led-enk és a tranyóknak külön bázisellenállásuk van. De az 555 kimenti terhelése ne haladja meg a 100mA-t. (200 a max, de jobb a béke). Így a bázisáram lehet mondjuk 3x30mA és a Led árama 10mA. JA, és nem írtad a tranyók kollektoráram terhelését, anélkül meg értelmetlen a kérdés.. üdv! proli007
Üdv,
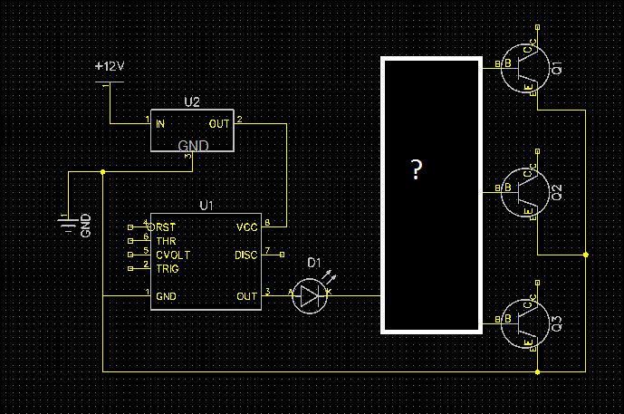
Minden BD433-ra jut 3 db sorbakötött power led előtétellenállással. A ledeknek 1500 mA jár. A feladvány számomra az, hogy vezérlem a BD433-at, hogy 1,5A menjen minden ledsornak. Rajzolok. (A visszajelző LED-et átvariáltam.) Köszönöm a segítséget, zimpee
Hello!
HA megnézed a BD433 adatlap 1. ábráját, akkor láthatod, hogy 1,5A kollektor áramhoz, kb. 100-as béta tartozik. A szükséges bázisáram minimuma. Ib=Ic/beta azaz a másfél amperhez, minimum 15mA szükséges. De hogy jól nyitva legyen a tranyó, és kicsi legyen a maradék kollektor-emitter feszültsége, válasszuk ennek a kétszeresét. Bár nem írtad a rajzra az U2 stabi kimeneti feszültségét, de válasszuk mondjuk az 5V feszültséget. Akkor magas szint esetén, a 3-as kimenet, legfeljebb 4V-ra tud felmenni. A tranyó szükséges bázis-emitter feszültsége kb. 700mV. Ezt a kettőt levonva a tápfeszültségből Ub=5V-1V-0,7V=3,3V Tehát ennyi jut a bázisellenállásra. Rb=Ub/Ib=3,3V/30mA=110ohm. Tehát 100ohm-ot nyugodtan használhatunk bázisellenállás gyanánt. (A Led előtéteket, meg gondolom Te is ki tudod számolni) üdv! proli007
Uce sat minimális értékéhez (ne melegedjen) 2A hoz .2 A bázisáram ajánlott az adatlap szerint. Így viszont már az 555 kimenete nem igazán elegendő.Én igazából amióta a feteket felfedeztem nagyobb áramok kapcsolására azt szoktam használni.
Egy másik kérdés ami felmerült bennem, az 555 nem tud szimmetrikus kimenetet (illetve csak extra alkatrészekkel) ezért az is fontos, hogy a kimeneten sok szünet kevés jel ,vagy szimmetrikus környéki,esetleg kevés szünet sok jel a kívánatos.Az első két esetben egy PNP tranzisztor kell az 555 kimenete és a + táp közé (persze előtét ellenállással) ,ennek e kollektorára egy egy 200mA körüli áramhoz tartozó ellenállás a tranzisztorok bázisa felé. Az utolsó eset a bonyolultabb ekkor vagy elég amit az 555 tud (szerintem a melegedés miatt nem) ,ha nem akkor inkább fetet alkalmaznék.
üdv,
Ez egy nagyon korrekt válasz, végre sikerült megértenem ennek a mikéntjét! A stabi egyébként 7810 lesz, a tranyó adatlapján a B-E feszültség 1V, úh. most már tudok számolni. Köszönöm, zimpee
A melegedést folyamatos üzemben le fogom mérni, s megosztom veletek.
Hello!
Természetesen a Fet alkalmazása célszerűbb. De én mindig abban próbálok segíteni, amibe belevágnak, és a megértést tartom fontosabbnak, nem a konkrét alkalmazást. A szaturáció csökkentéséhet, nyilván minél nagyobb bázisáram a megfelelőbb. De a nagyobb bázisárammal szemben a gyakorlatban, a nagyobb áramú tranzisztor alkalmazása a megfelelőbb választás. Annak szaturációja is kisebb lesz. A kitöltési tényezőre vonatkozó hozzászólásodat jól el komplikáltad. Igen, az 555 esetében a kondenzátor feltöltéséhez alapból kisebb áramot lehet biztosítani, mint kisütéséhez. Így az lassabban töltődik fel, mint kisül. De mivel maga az áramkör invertál, ennek a jelnek a fordítottja lesz a kimenti jel. Avagy a kimeneti jel kitöltési tényezője az IC "alapkapcsolása" esetén, legfőképpen 50..100% között állítható be, a két ellenállás alkalmazásával. Ha ez gond akkor kiegészítő alkatrészekkel ez megfordítható (persze nem teljes tartományban), vagy a kimeneti jel meginvertálható (mint sok más kapcsolásban tették) Invertálni, természetesen PNP meghajtó tranzisztor alkalmazásával is lehet. De ez azért nem célszerű, mert az IC magas szintű maradék feszültségét is figyelembe kell venni, vagyis bázisosztó (vagy diódás szinteltoló) szükséges. (Ezekre is vannak példák a "villogós" topikokban) üdv! proli007
Hi,
a következő kapcsolásban már fet fog üzemelni, jelenleg maradok a sima tranzisztornál, megnézem, ebből mit lehet kihozni. proba: A kitöltés számomra azért nem fontos, mert ez az 555 egy monostabil kapcsolás lesz, aminek a triggerét egy astabil vezérli kondival illesztve. Azért, mert tervezek egy nyomógombot is, amivel kézzel lehet triggerelni a monostabilt. Így nincs szükség a kitöltéssel való variálásra, és a monostabil impulzushosszát is kedvemre tudom állítani egy trimmerrel. üdv, zimpee
Sziasztok!
Tanácsot szeretnék kérni! 24 Volt tápfeszültségget szeretnék ki be kapcsolni egy tranzisztorral. Egy 100 Wattos egyenáramu motor meghajtásáról lenne szó. A motor mechanikailag nem lenne nagyon terhelve igy valószinű nem kérne 7 Ampert, de gondolom érdemes a duplájára méretezni. Tehát adott: 24 Volt 15 Amper Ezt kéne tudnia átadnia egy tranzisztornak amikor a bázisára kerül a feszültség, ami 5 és 12 Volt közt lenne. Konkrétan egy távirányitós autóról van szó. Aminek a vevőegysége normás esetben egy kis motort hajt meg, az én esetemben azonban ennek a tranzisztornak a segitségével egy igencsak massziv motort vezérelne. Milyen tranzisztort javasoltok erre a célra? Anyagi okoból nem igazán tipusmegjelölés kéne, hanem bontott fellelhetőség, az se baj ha csak tipp és csak többszöri probálkozásra jön eredmény. Pl. van PC-tápom abban van erősebbnek látszó tranyó, vannak BD139 eseim, kettőszáz valamennyi is, nem tudom mi bir 7 ampert, azt meg végkép nem, 24 voltot bir e illetve erre egyáltalán alkalmas e erre... És mégis milyen ellanállásértékekkel érdemes kisérletezni? Jól sejtem hogy az R2 höz szintén 100 Wattos ellenálás kell, esetleg túlméretezve 150 W? |
Bejelentkezés
Hirdetés |













