Fórum témák
» Több friss téma |
- Ez a felület kizárólag, az elektronikában kezdők kérdéseinek van fenntartva és nem elfelejtve, hogy hobbielektronika a fórumunk!
- Ami tehát azt jelenti, hogy a nagymama bevásárlását nem itt beszéljük meg, ill. ez nem üzenőfal! - Kerülendő az olyan kérdés, amit egy másik meglévő (több mint 17000 van), témában kellene kitárgyalni! - És végül büntetés terhe mellett kerülendő az MSN és egyéb szleng, a magyar helyesírás mellőzése, beleértve a mondateleji nagybetűket is!
Szia!
Az oldal keresője segít. Kiválasztod a te aszimmetrikus táplálásához való nyákrajzot és megépíted. De az IC adatlapján is találsz nyákrajzot. Bővebben: Link
Hi
Ajánlom a sprint-layout-ot, jó munkát
Ide süss: Bővebben: Link
Sziasztok
Miért lehet nagyobb frekvenciákon (30-100kHz és még e felett) kis transzformátor maggal átvinni nagy teljesítményt?
Szia!
Mert nagyobb frekvencián több erővonal fér bele egy adott keresztmetszetű vasmagba.
Mást kell dugni, nem az áramot... A pozitív pólust a +Vs-re kell kötni, a negatívat pedig a GND-re. Gondolom erről van szó.
Igen arról de akkor nem is kell neki semmi áram csak a hang?
Tegyük fel hogy van egy egy fázisú asszinkron villanymotor. Ezt én egy kis porvasmagos trafóra kötöm. Amit meghajok egy olyan áramkörrel, ami egy 30kHz es jelre rámodulál egy 50Hz es jelet. Így is érvényes az amit mondtál? Mert a motor csak 50Hz et "lát". De a teljesítményt a 30kHz es "csúcsokból" fogja venni?
Érted a kérdést?
A tápfeszültséget (áramot) kösd erre a két pontra, az erősítendő jelet a Vi és G2 (GND) közé, a hangszórót pedig az RL és GND-re kösd.
Értem a kérdést, de minek használnál trafót?
Üdv!
Olyan kérdésem lenne, hogy van egy 14 V-os, (max 50A-os) rendszerem. És ebből kellene nekem 14 V-os, max 20 A-os rendszert csinálni. Meglehet csinálni valahogy?
Egy 20 amperes biztositek segitsegevel.
Kérlek, erre adjatok választ nekem: megépítettem a toroid lágyindító kapcsolást az oldalról. Amíg a relé be nem húz, addig a 230V 4db 5W/10Ohm-os ellenálláson keresztül megy a trafóba. Ezek sorba vannak kötve. Most jön a hiba, mert én úgy számoltam, hogy az ellenállások wattszáma sorba kötésnél 5W marad, csak az ellenállásuk adódik össze, ha párhuzamosan kötném őket, akkor 1/R1+1/R2 stb képlet alapján jönne ki az eredő ellenállás, de ugye a wattszámokat meg összeadnám. Ez így nem helyes? Valahol azt olvastam, hogy sorbakötésnél adódnak össze a wattszámok.
Kérem, aki tudja, válaszolja nekem meg, elbizonytalanodtam.
Mire szolgál ez a "rendszer"? A maximális áram a fogyasztók ellenállásától függ. Használj nagyobb ellenállású terhelést és akkor lecsökken az áramfelvételed.
Soros és párhuzamos kötésnél is összeadódnak a teljesítmények.
Köszönöm szépen! Azért vacilláltam, mert a 4db sorbakötött 5W-os 10ohm-os ellenállást cserélném 2db 10W-os 150-200ohm-osra, hogy a trafó után kötött kondibank lassan töltődjön fel.
Üdv
Emberek ennek a veztéknek mekkora az átmérője Link ?
négyzetgyök (0,14 mm2 /pi) *2 = 0,42 mm
szia úgy gondoltam hogy akkor lesz 3 szín azaz KÉK & PIROS & ZÖLD ezek a színeket lehet majd kapcsolni a 3 állású kapcsolóval ! Már el ig kezdtem szerintem elég sokat haladtam azért nem raktam még ellenálást mert szerintem nem kell mert ha mgnézed a képet látod hogy a zöldböl és a piros ledből is több van így szerintem nem muszály ellenálás de ha szerinted kell akkor szivesen meghalgatom javaslatodat!
Ledek mellé mindig tenni kell ellenállást, mert különben olyan lesz, mintha rövidre zárnád a tápodat.
Sziasztok!
A latch meg a shiftregiszter közt mi a különbség? Azt olvastam valahol, hogy a latch "átlátszó". Mit értünk ez alatt? Köszi!
Szia!
Itt magyarázatot kapsz az átlátszóság fogalmáról: Regiszterek
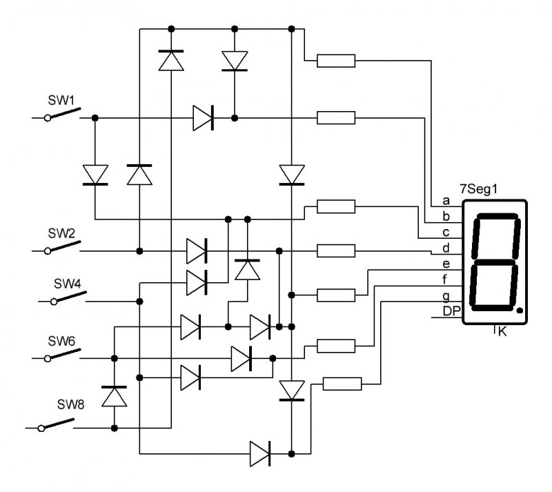
Udv ! Egy problemaval kuzkodom , megpedig egy nyakterverzessel
. Nem nagyon jon ossze a nyakrajza ennek a kapcsolasi rajznak ( Fájlmellékletben ) . Esetleg ha valaki segitene , megkosszonem de nagyon . Holnapra elkene keszitenem , s meg csak a nyakrajzot bamulom es gondolkodom , rajzolgatok , de nem nagyon jon ossze . A diodak : 1N4148
Szia!
Egy kicsit rendezd át a rajzot, hogy a sok keresztezés megszűnjön. Ezek után sokkal átláthatóbb lesz a rajz.
Hello!
Estleg próbáld meg a diódákat az ábra szerint beletervezni. Így csak 5*8 pötty kell a panelen. (Ahol nem kell, ott kihagyod a diódát.) üdv! proli007
Üdv mindenkinek! Tudna nekem valaki ebben segíteni?
Egy 0,03T indukciójú homogén mágneses mezőben az indukcióvonalakra merőlegesen 2000000m/s sebességgel belövünk egy protont. a) ekkora sugarú körpályára tér a részecke? b) iben különbözne az előbbi körtől az ugyanekkora sebességgel belőtt elektron körpályája? ( A szükséges adatokat keresük meg táblázatban!) 2. feladat A hidrogén egy protont, a hidrogén izotópja, a deutérium egy protont és egy neutront tartalmaz az atommagjában. Az atommagokat 100 feszültséggel fegyorsítjuk, majd az induksióvonalakra merőlegesen 0.02T mágneses indukciójú homogén mágneses mezőbe vezetjük. ekkkora sugarú körpályán mozognak? ( A szükséges adatokat keressük meg táblázatban!) Egyik ismerösöm tette elém de nekem hablagy az egész!
A proton nagyon nehéz az elektronhoz képest, úgyhogy nagyobb erő kell az eltérítéséhez. Meg 100 mire gyorsítunk? Elektronvolt, vagy mi a mértékegység? De ezt a kérdést inkább egy fizikai fórumba kellene "belőnöd".
|
Bejelentkezés
Hirdetés |






. Nem nagyon jon ossze a nyakrajza ennek a kapcsolasi rajznak ( Fájlmellékletben ) . Esetleg ha valaki segitene
, megkosszonem de nagyon . Holnapra elkene keszitenem , s meg csak a nyakrajzot bamulom es gondolkodom , rajzolgatok , de nem nagyon jon ossze . A diodak : 






