Fórum témák
» Több friss téma |
Fórum » Labortápegység készítése
A pontos előrajzolás és pontozás, illetve a lehetőleg oszlopos fúrógép mellett, két további szempont is nagyon fontos.
- a fúró, és annak élkiképzése, párosítva egy jó kenőanyaggal. Ebben az esetben ez nem olajat jelent, hanem valamilyen petróleum alapú kenőanyagot. - az alumínium milyensége. Többek között éppen azért ötvözik az alumíniumokat, hogy jobban forgácsolhatóak legyenek. A tiszta alumínium olyan mint a takony, nyúlik-kenődik. Az is előfordul vele, hogy a furat eleje még helyzetbe van, de mire átérsz már elmászik akár 1mm-t is.
Én általába kenőanyag nélkül szoktam HSS fúróval fúrni. Meg is van az eredménye...Kenőanyagnak esetleg régiféle direkt erre a célra ajánlott spray van itthon. Persze van vagy 20 éves már kapni sem lehet viszont régen állítólag szörnyen drága volt
Nincs szükség "csoda" anyagokra. Petróleum vagy gázolaj is teljesen jó, sőt a semmitől "bármilyen" olaj is sokkal jobb.
Alumínium fúrására, menetvágásra a denaturált szesz (spiritusz) a megfelelő kenő anyag.
Uraim! Ez itt a labortáp topic, nem a műhely... :no:
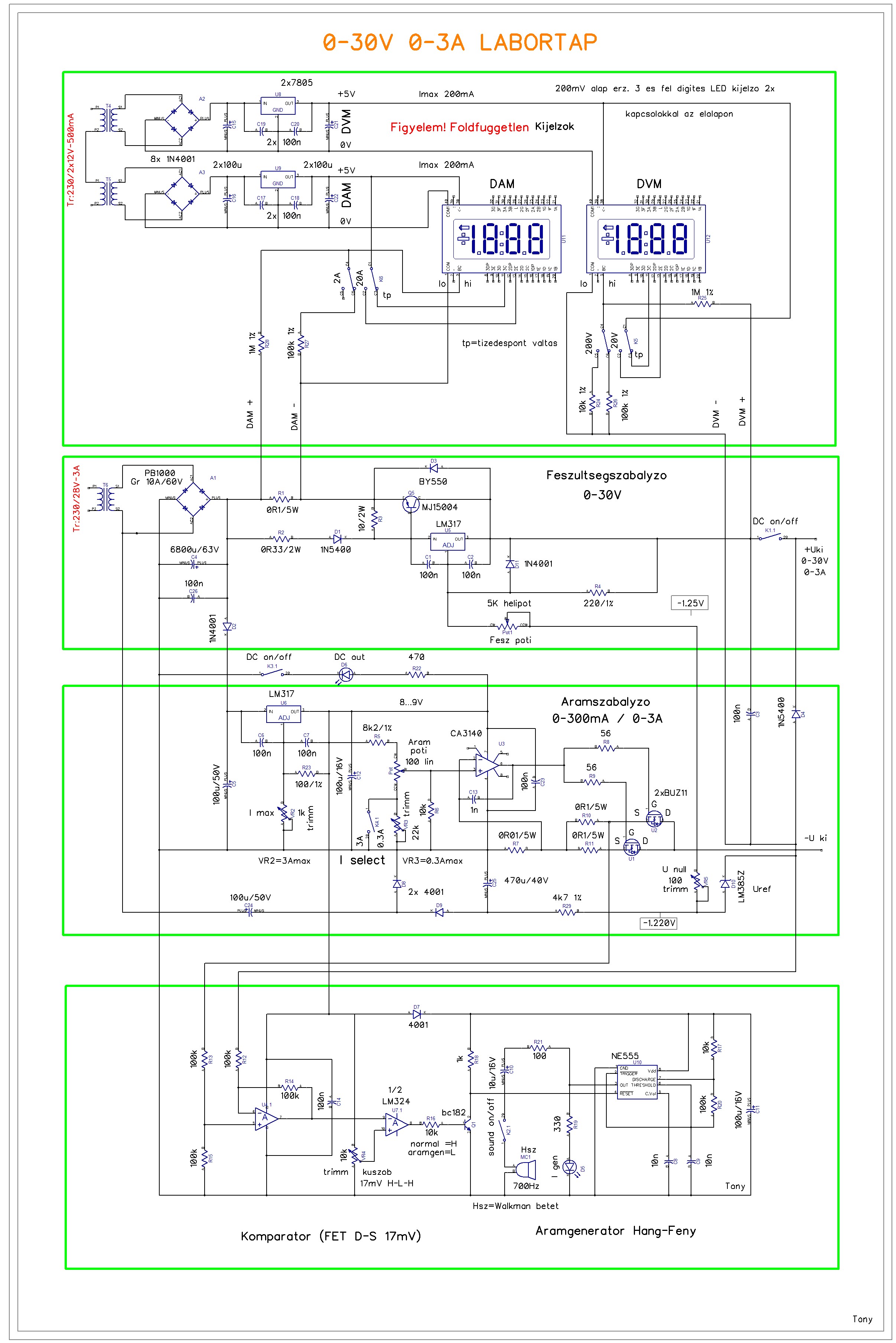
Időközben elkészült a javított, módosított változata a labortápnak.( az eredeti kapcsolásban az R15 100k ell. sajnálatos módon nem a 0V-ra, hanem az U4.1 kimenetére volt csatlakoztatva, én néztem el elnézést)
És a nyákterv. Az alapkapcsolást azért mellékelem mert talán így jobban átlátható a kapcsolás,( egyszerű, olcsó, ha kell gyorsan megépíthető akár hétvégi projekt gyanánt).
Az áramszabályzó részben én most is látok egy kisebb elvi hibát, attól még működhet, de nem igazán jó így.
Üdv!
A kérdésem igaz, hogy egy kész gyári tápegységre irányul de ezt a topikot találtam mégis megfelelőnek. Van egy gyári 2*30V 3A tápegységem. Gondolom soknak ismerős ez a kivitel (sok gyártó gyártja más néven ugyan azzal a "töltelékkel"). A probléma az vele, hogy egy tüske jelenhet meg be/ki kapcsoláskor mivel nem egy áramköröm tette már tönkre. Nem tudom a tüske mikor jelenik meg. A szkópommal se sikerült bemérnem. Ugyanakkor nem tudom ez hogyan fordulhat elő. Ha a bekapcsolás után illesztem az áramköröm akkor preciziósan tartja a kívánt feszültséget de ha az áramkör csatlakoztatva van a labortáphoz amit így kapcsolok be akkor gond van. Lehet sokatok azt mondja, hogy mibe kerül most először bekapcsolni a tápot és azután illeszteni a fogyasztót. Ugyanakkor egyes gyártók szériájában szerepel egy kapcsoló is ami azt szolgálja, hogy a tápáramtól függetlenül le tudja választani a táp kimeneteit. Nekem is ezt kéne tennem, hogy egy kapcsolót építek be?
Engem érdekelne, hogy mi a gond. Leírod pár szóban? Köszi!
Tulajdonkép a labortápot is felfoghatjuk egy analóg (hangfrekis) erősítőnek. És erősítőkben szoktak tenni koppanásgátló áramkört, ami a be- és kikapcsoláskor fellépő tranziensektől védi a hangszórót (fogyasztót). Ugyanezt az elvet követve, nyugodtan lehet ilyet építeni labortápba is.
Szia!
Szóval akkor azon megoldás, hogy kapcsoló-val manuálisan választódik le a kimenet is csak egy olcsó megoldás. Esetleg meg tudnád mondani, hogy milyen néven találhatók meg ezek a kapcsolások? Az is elég ha mondasz egy elvet, hogy mire kéne alapozni. Ami a gond az az, hogy mivel labortáp ezért mind a feszültség mind az áram változik. Késleltetés is egy megoldás lenne gondolom. Ami a baj az az, hogy nem tudom újon volt-e ez a betegsége, mivel 1 év után figyeltem fel erre. Az is igaz, hogy ahogy visszaemlékszem ez idő alatt nem is működtettem róla érzékeny kapcsolásokat. Nem tudom eldönteni, hogy gyárilag rendelkezik ezen betegséggel vagy valami elállítódott, kiszáradt stb. benne. Egyelőre akkor marad tervben a másodlagos kapcsoló, késleltető vagy ha te ajánlasz valami más megoldást.
Ez a topic is ezzel foglalkozik. A lényege, hogy egy kis áramkör egy relén keresztül a kimenetet késleltetve kapcsolja a végfokra (eredeti alkalmazásában), és kikapcsoláskor azonnal ejti azt. Így a be és kikapcsolási tranziensek nem jutnak a kimenetre. Ugyan ezt alkalmazhatod a labortápodban is. Eredeti alkalmazásában persze általában egybe építik a kimeneti dc és a hővédelemmel, de ezt itt elhagyod és kész.
Köszi. A késleltetett bekapcsolás akkor jó ötlet. Viszont nem tudom, hogy hogyan lehet a kikapcsolást siettetni. Mármint bekapcsoláskor megérkezik a pulzus és ehez viszonyítok, de kikapcsolást nincs ahonnan sejtse a kapcsoló áramkör, hogy mikor következik be.
Nagyon egyszerű. Az AC-t figyeli, és ejt amikor az megszűnik. A pufferkondi addig úgyis tartja a feszt, tranziens nem nagyon van. Mire esni kezd a puffer a relé rég bontott.
Tényleng. Ugyankkor az is eszembe jut, hogy a feszültségszabályzás fel van osztva különböző intervallumokra a tápban. Vagyis a 30V-ot kb. 7.5V-onként felossza. Több szekunder leágazás van és ezeket rellével kapcsolgatja a vezérlés. Lehet az is, hogy a baj ott keletkezik amikor egyből 20V felettire van állítva a táp és bekapcsolódik. Ilyenkor jópár relé gyors csattogása hallatszik. Lehet ezek is közrejátszanak.
Perfettó!
Hopsz, közben töröltem a hozzászólást mert első olvasatra nem voltam benne biztos hogy erről szól most a beszélgetés. Na most már mindegy.
Haladok...
Tehát:
Én a most készülő tápomban úgy oldottam meg hogy a segédtápot egy külön diódával egyenirányítom. A dióda után direkt egy kis értékű kondi van amin a 230V megszűnésekor a H szint nagyon gyorsan meg tud szűnni. Ezt rákötöttem a PIC egyik INT lábára és így a 230V megszűnésekor a PIC azonnal a reset vektorra ugrik, ahol gyorsan elment az EEPROM-jába minden fontos adatot, majd elengedi a relét. Mire a puffer elkón elkezd csökkenni a feszültség, addigra a labortáp kimenete rég le van már galvanikusan választva. Bekapcsoláskor pedig szépen kivárja míg minden rendesen feléled, megnézi hogy minden szükséges körülmény adott-e a működéshez, esetleg öndiagnosztikát futtat, bekalibrálja magát, majd ha úgy gondolja hogy ő működőképes akkor bekapcsolja a relét.
Akkor lehet egyelőre marad a manuális megoldás és figyelem, főleg mivel alig használom távollétem miatt. Úgy is a mikrokontrollerek iránt egyre nagyobb az érdeklődésem és szándékom, hogy megértsem az ők világukat is.
Én személy szerint nagyon várom hogy elkészüljön. Szerintem nem vagyok egyedül. :yes:
Hello!
Nem egy, hanem több hiba is van.. Csak főbb vonalakban. - Az U6 LM317 szabályozása már nem megfelelő. A VR2 potival, a referencia feszültség (ami tápfesz is) 1,25..13,8V-ig szabályozható. Teljesen feleslegesen, hiszen azt 8..9V között állítanád. Amúgy felesleges az R23-at ilyen kis értékre választani, és a a szabályzókörben a trimmeren 12mA áramot folyatni. De a VR2 helyett, egy soros ellenállást és egy trimmert kell alkalmazni, amivel csak a 8..9V között lehet beállítani a kimeneti feszültséget. - Ha a referencia feszültség 8..9V között van, akkor az R5 ellenálláson kb. 1mA áram folyik át. ez az "Áram potin"-n 100mV feszültséget hoz létre. Mivel az U3 a poti feszültségét hasonlítja össze R7 Shunt ellenállás feszültségével a maximálisan beállítható kimeneti áram 0..10A értékű. Imax=Upoti/R7. Amennyiben a maximális áramot 3A-ben állapítottad meg, az R7 értékét növelni kell. - De egyébiránt az U3 offset feszültsége, kb. 3..5mV értékű. így esetlegesen a kimeneti hibaáram 0,01ohm esetén. 3mV/0,01ohm=300mA is lehet. Már csak ebből az okból is érdemes R7 értékét nagyobbra választani. Jelentős veszteséget nem okoz, mert vele sorban ott vannak az R10/R11 ellenállások, aminek eredője ötször nagyobb. - Ha R7 ellenállást is 0,1ohm-ra választod, akkor 3A esetén azon 300mV feszültség esik. Ez mellett a 3mV offset 1% hibát, vagy is 30mA hibát képes okozni. Nyilván ebben az esetben az áramszabályzó potin R5-el, 0..300mV feszültséget kell létrehozni. De a két határú áram beállítás sem megfelelő, hiszen a VR3 trimmer jelenleg a poti alatt van, tehát nem csökkenti, hanem növeli annak feszültségét. Vagy is át kell az egészet helyezni a poti fölé.. A terheléssel arányos áramot sem értem miért az R1 ellenállásról célszerű levenni. Hiszen ott az R2 párhuzamosan van, amin U5 részáramai folynak, hőmérséklettől és Q5 bétájától függő mértékben. Tehát R1-en eső feszültség csak arányos lehet de azonos nem a terhelőárammal. Sokkal célszerűbbnek látom a feszültség levételét, az R7 ellenállásról, hiszen azon ténylegesen a terhelőáram folyik át. És ha értéke 0,1ohm-ra nő, akkor 3A mellett, ugyan úgy 0..300mV lesz mérhető rajta mint R1-en lenne. Az áramkorlátozás kijelzése szellemes az BUZ DS feszültségének figyelésével, de hagy maga után kívánnivalót. Mivel Uds feszültség elvileg nulla ha nincs korlátozás, de az Rds ellenállása miatt, a terhelőáramtól (drain áramtól) is változni fog. Így a beállított áramkorlát értékétől függően a küszöbérték is változni fog. Gyakorlatban biztos megfelelő a megoldás, de ennél az áramgenerátor kapcsolásnál, sokkal egyszerűbben is detektálható, az áramkorlát belépése. üdv! proli007
Szia István. Kérted, hogy jelezzem, ha jutok valamire az IGBT-modullal. Tudom privátba beszéltünk , de azért írom ide, mert talán másnak egyszer hasznos lehet. Szóval elő szedtem a jó kis Proli tápomat, és kivettem az áteresztő fetet, helyére bekötöttem a modul. Tökéletesen működik, szépen szabályoz minden szuper. Amin jót nevettem, hogy 3A-es áramnál rövidzárba téve, szinte alig akart felmelegedni, akkora a modul alján a fémlap
látszik, kellett neki vagy jó 20-30mp mire felmelegedett rendesen, persze borda nélkül. Aztán lekapcsolva az áramot, szinte azonnal le is hűlt. Szóval eddig minden ok. A következő lépés, hogy alkotó-modjára támaszkodva kap egy segédtápot, megemelem a feszt 50v-ig és 4-5A ig az áramot.
Szia!
Nagyon köszönöm az építő jellegű hozzászólást, észrevételt. Valóban "profibb" lett volna a VR2-vel sorba kötni egy ellenállást, mindössze az egyszerűség kedvéért hagytam el, illetve úgy gondoltam, minél kevesebb olyan alkatrészt ültetek be, ami esetleg hőmérséklet változásra ronthatja az amúgy "betonstabil" kimeneti feszültséget és áramot (lehet hogy rossz elmélet), mindenesetre orvoslom. R23 ezek szerint 220 OHm 1% fémréteg? Igen, eredetileg 10A-re volt tervezve az áramhatár, ezért maradt benne az R7 0R01 OHm-mal, de 0R1-en is gondolkoztam már, ebben csak megerősítettél, köszi. Érdemes ezek szerint az U3-ra offset kompenzáló trimmert tenni? A VR3-at tényleg elnéztem, megy az áram poti fölé. Idézet: „Az áramkorlátozás kijelzése szellemes az BUZ DS feszültségének figyelésével, de hagy maga után kívánnivalót. Mivel Uds feszültség elvileg nulla ha nincs korlátozás, de az Rds ellenállása miatt, a terhelőáramtól (drain áramtól) is változni fog. Így a beállított áramkorlát értékétől függően a küszöbérték is változni fog. Gyakorlatban biztos megfelelő a megoldás, de ennél az áramgenerátor kapcsolásnál, sokkal egyszerűbben is detektálható, az áramkorlát belépése.” Valóban, a gyakorlatban tökéletesen teszi a dolgát a komparátor, ezért is választottam ezt a részt annak idején (kb 10 éve) mert nem egy "libkóka" jellegű, vagy vált , vagy nem. A legtöbb tápban (és ez így van rendjén,a kis veszteség miatt) általában van egy(vagy több) power disszipator aktív elem, és van egy Rs egy sönt ami meg kell az áram beállításhoz. Ha beállítunk egy bizonyos feszültséget akkor ő azt minden körülmények között tartani akarja, no de beállítunk hozzá egy áramot is ami viszont visszaszabályozza ugyan azt az elemet. Ezért tartottam jó ötletnek, hogy a pozitív ágban van a feszültség szabályzó rész, a negatív ágban meg az áram szabályzás, így egymástól függetlenül képesek "dolgozni". (és ezt a gyakorlatban be is bizonyította) Viszont érdekelne az egyszerűbb megoldás az áramgenerátor detektálására. Még egyszer nagyon köszönöm az észrevételeket, jav...!
Örvendetes eredmények! De még mindig fenntartom, hogy nagy a drop a FET-hez képest. Viszont ez a modul garantáltan nem fog tönkremenni semmilyen terhelésre sem.
Hello!
A helyzet nagyon egyszerű. Amíg a beállított referencia feszültség nagyobb, mint a Shunt ellenálláson mérhető feszültség, az IC teljes gőzzel nyitja a Fet-eket. Avagy a kimenete majdnem a tápfeszültségen van. Mihelyt megindul az áramkorlátozás, a kimenet beáll a Fet-ek küszöbfeszültségére, kb. 3..6V-ra. Ezt lehet érzékelni egy PNP tranyóval, vagy egy PFet-el a plusz tápfeszültséghez képest. (esetleg szinteltolás szükséges, ha az IC-nek a plusz oldalon maradék feszültsége van. De a tápegységemben is hasonló megoldást (egyszerű led+előtét ellenállást) alkalmaztam, de nem csak az áram, hanem a feszültség szabályzó fokozatban is. A megoldás előnye, hogy jelzi, mikor az áramszabályzó munkaponton kívüli tartományban van. Tehát előbb jelez, mint ahogy az áramkorlátozás hatására, a kimenő feszültség csökkenni fog. Ha beállítunk egy bizonyos feszültséget akkor ő azt minden körülmények között tartani akarja, no de beállítunk hozzá egy áramot is ami viszont visszaszabályozza ugyan azt az elemet." Amit az áram/feszültség szabályzónál írtál, az ugyan úgy igaz itt is, csak nem a két szabályzó fokozat "küzd" egymással, hanem a feszültség és áram szabályzó áramkör. De az eredmény a "könyökpontban" ugyan az lehet. üdv! proli007 |
Bejelentkezés
Hirdetés |






látszik, kellett neki vagy jó 20-30mp mire felmelegedett rendesen, persze borda nélkül. Aztán lekapcsolva az áramot, szinte azonnal le is hűlt. Szóval eddig minden ok. A következő lépés, hogy alkotó-modjára támaszkodva kap egy segédtápot, megemelem a feszt 50v-ig és 4-5A ig az áramot. 




