Fórum témák
» Több friss téma |
A biztosíték többször felhasználható, de azt kéne megnézni, hogy a hőérzékelőd nem romlott e el, vagy nem rossz e az érintkezése, esetleg elmozdult a helyéről. Mert a fő probléma hogy magasabb hőmérséklet lett valami miatt mint a megengedett.
(No meg lehet a biztosíték is rossz...) Egy hőmérséklet ellenőrzés kimutatná.
Sajnos most nincs nálam hőmérős műszer, de alkalom adtán megmérem, ha legközelebbi ittjártamig nem derül ki semmi. Addig nem fogják maximumon használni, hátha csak eltolódott a szabályzás és nem romlott el teljesen. Köszönöm a gyors segítséget!
Sziasztok.
Bár a sütőm még nem elektromos ,de azért remélem tud valaki segíteni. Szóval mostanában azt kezdte el csinálni, hogy bealszik magától. Belenéztem és van benne egy cső (gondolom ez figyeli hogy van e láng), aminek a végét egy kicsit megkapartam, és azután jó volt egy ideig. Nehéz benne cserélni ilyen csövet? És hol kapható ilyen cső? Előre is kösz.
Kösz a válaszokat. Megtaláltam az alkatrészt. Bár az még eldöntendő hogy nekifogjak e, vagy sem.
Az a "rézcső" egy hőelem, és a "gázcsapban" pedig van egy tekercs. A láng melegétől áram folyik át a tekercsen és fogvatarja a fegyverzetet ami biztositja gáz szabad áramlását. Ezért kell a begyújtáskor benyomni a gombot és nyomvatartani amig bemelegszik egy kicsit...
Kis szerencsével elég annyit tenned, hogy fogsz egy 10-es villáskulcsot és ésszel meghúzod a "gázcsap" vegén az a "hollander szerű csavart" amivel csatlakozik a hőelem a csaphoz, ugyanis nagyon kis feszültségről van szó, de jó nagy áramról ezért kis kontakthiba is gondot okoz... Ha ez nem segit, akkor inkább hivjál szerelőt, mert akkor vagy a csapban a tekercsvég sajtolt kötése lett kontakthibás, vagy elégett a hőelem. Ezt már jobb ha szekember csinálja. A jó hir az az, hogy az esetek döntő többségében az utánhúzás segit...
Szia. Sajnos ez most nem jött be.
Marad a szerelő. Azért kösz a a segítséget.
Helló!
Egy Constructa ch1412 öreg elektomos sütő az alany. Tud valaki kapcsolási rajzot hozzá? Bekapcsoláskor világít a fűtés visszajelző, a légkeverés is működik, a grillszál is megy, de maga a sütő nem fűt. Mi lehet a baj? Köszönet! Zsolt
Sziasztok!
Fagor 6H-175- höz tud valaki nekem adni kacsolási rajzot? 2 éves készülék ( már az első perctől így működött ) miután feszültség alá van helyezve folyamatosan - tehát 24 órán át-megy a szellőztető / hűtő ventilátor úgy is, hogy "0" állásba van a program választó kapcsolója. Ma szétszedtem, a hátulján a hőmérséklet kapcsoló termosztátra rosszul voltak szerintem bekötve vezetékek ( NO, NC állású). Most jól működik, de azért szeretném a gyári rajzán látni a helyes bekötést ( ha ezt a gyárban elkú...ák, lehet másat is rosszul kötöttek be rajta).
Kedves Fórumozók, mélyen tisztelt tapasztalt szakemberek, mérnökök, tapasztalt szerelők! Beépíthető, AEG sütővel kapcsolatban szeretnék segítséget kérni. A sütőn van a felső beépíthető kerámia főzőlap kezelőgombjai is. A sütő egy német, akkoriban csúcstechnikát képviselő sütő volt, kb. 6 éves lehet. Már ez a sütő is tudta a pirolitikus sütőtisztítást. A kijelzője valójában német feliratokből áll és a feliratok mögött egy egy LED gyullad ki ha a sütő az adott funkcióban van. (warmluft stb.) Ez a kijelző egyszer csak teljesen rendszertelenül, a sütő kikapcsolt állapotában (amikor csak a 4 szegmenses LED kijelző az órát mutatja normál esetben) villódzik, teljesen kiszámíthatatlanul mint ha valami zárlatos lenne. Egyébként a főzőlapok jól működnek, és érdekes módon "megszokásból" a gombokkal sütőt lehet működtetni, de a visszajelzés továbbra is villódzik, van hogy az összes üzemmód egyszerre, nem szabályosan hanem mint amikor valami kontakt hibával hol kap áramot hol nem. Ez a jelenség KIKAPCSOLT állapotban is ugyanígy van. A sütő pontos típusa: AEG E6140 Competence. A szerviz szerint nem lehet hozzá alkatrészt kapni ezért nem javítható DE TUDNAK AJÁNLANI EGY ÚJAT VISZONYLAG OLCSÓN AMI SOKKAL JOBB EZÉRT INKÁBB VEGYEK ÚJAT.... hmm .. szóval magam esnék neki és ha nem sikerül akkor örökre menzáról hordom a kaját.
Nehezemre esik elhinni, hogy amire sok sok éven át spóroltunk, és minőségi berendezés, az bár működik mindene csak a visszajelzése van meghülyülve és az egész sütőt főzőlappal együtt kukába dobjuk. Én nem akarok (és főleg nem tudok) újat venni. Ha van olyan ember aki ehhez el tud érni bármilyen szerviz útmutatót, kapcsolási rajzot, vagy érdemben tudna szólni hozzá hogy milyen részén keressem a hibát, akkor kérem, hogy jelentkezzen. Villamosmérnök tanonc vagyok ezért bele merek nyúlni, még ha rengeteget kell is tanulnom és sokkal tovább fog tartani mint egy porfinak tartana. KÉREM, hogy érdemben segítsetek. hálásan, tényleg hálásan bízom a jó szándékú emberekben, mert szükségem van rátok. Pénzem pedig nincs szerelőre, mert a profi szerviz szerint nem lehet javítani mert nincs már hozzá vezérlő elektronika. De ha a teljes vezérlés rossz, miért működik rendesen csak a visszajelzése nem működik azaz "discozik" az egész.. ? KÖSZÖNÖM !!!!!! Tényleg nagyon köszönöm ha segítetek.
Köszönöm ez egy jó tipp, várok még hátha van valakinek még ötlete.
Van egy Fagor H 800 x elektromos sütöm, egyszer azt vettük észre, hogy az összes led világít pirosan, de az óra nem,és semmilyen gombra nem reagál, vmi elektronikai hibája lehet.
A szerelő aki nálunk volt elkért 10 ezret, hogy ezt megállapítsa, amit én is tudtam. Azt mondta, hogy nem tudja megnézni, a panelben mi ment tönkre, az egészet cserélni kell, kb. 30 ezer ft. Amit még észrevettem, hogy a vezetékekről néhol lejött a szigetelés, és érintkezhettek egymással, talán ez okozta a gondot.Azóta szigeteltem, de bekapcsoláskor ugyanaz a helyzet.Kérdésem, tényleg cserélni kell az egész panelt ? Lehet-e kapni vhol használtan ? Típusa : C42T000B6 Köszönöm
Ha nem tudod megjavítani akkor nincs más megoldás. Tegyél fel a panelről képet, hátha valaki ráismer, vagy tud javítási tanácsot adni.
Egy történetet azért leírnék a szuper márkaszervizek "javíthatatlan mert nincs hozzá alkatrész" címmel. Egy kétbetűs márka ami L-lel lezdődik és G-vel végződik pesti márkaszervizbe egy páramentesítő készüléket NEM tudtak megjavítani, mert a vezérlő elektronikája elromlott és panel nem révén azt mondták javíthatatlan. Na kezembe vettem az Internetet és hosszú hetek keresgélése és kínai nyelvleckék után (hehe) rádöbbentem, hogy a sokak által olyan sokat szidott Kínában léteznek olyan gyárak ahol nem termékeket gyártanak hanem adott rajzszám alapján kapcsolási paneleket. Mindegy mi az, csak panel rajzszám kell hozzá és ők (ha megvan nekik) legyártják a panelt. A panel rajzszáma alapján felkerestem a gyártót, nem mondom, hogy könnyű volt megértetni mit akarok. Mivel nem "ugranak" nekem ha kérek 1 db-ot ezért időbe telt mire oda jutottak. (Mert ha mondjuk a SONY bead nekik egy 50.000 db-os panel legyártást nyilván azt veszik előre). És csodák csodájára hetek múlva érkezett egy csomagom. POSTAKÖLTSÉGGEL együtt a panel került 4 ezer valahányszáz (!) forintba. Maga a panel nevetségesen olcsó volt. És ami még nevetséges, hogy ami tönkrement a másikon és a szerviz által javíthatatlannak mondott, nos az a része a panelen valóban másféle IC-vel volt megoldva, Nem Motorola volt hanem azt hiszem Sanyo cip. És csokák csodájára működik! Ezért arra biztatom az alkatrész (komplett panel) híján javíthatatlannak mondott készülékek tulajdonosait, igenis merjenek utánajárni. A másik megoldás pedig a BP-en működő UNI-SER szerviz, ahol általam igencsak nagyra becsült mérnökök dolgoznak és postán lehet nekik rossz panelt is küldeni és megjavítva visszapostázzák garantáltan nagyon baráti áron. Nem találkoztam még ennyire korrekt céggel mint ők ezért ezúton is nevemet vállalva (úgy hogy közöm nincs hozzájuk) is emelem a kalapom mert nagyon ritka az ennyire korrekt, becsületes cég mint ők.- Szóval hajrá, érdemes javíttatni a paneleket vagy cserélni még ha a márkaszerviz nem is tud hozzájutni ahhoz már. A FAGOR sütőnél tényleg okozhatja zárlat, át kellene nézni a vezérlés összes forrasztását, esetleg a vezetékeket. Sütőknél jellemző sajnos hogy a hőtől elenged egy egy IC lába a NYÁK-ról vagy olyan mint ha oda lenne forrasztva de a forrasztás nem tökéletes. A panelt pedig ha cserélni kell javaslom inkább elküldeni az UNI-SER szervizhez mert ők meg fogják javítani neked töredékéért mint amennyibe az új kerülne!! Persze, kérj tőlük ajánlatot és akkor tudni fogod, hogy mibe fájna, az még úgy tudom náluk ingyenes a bevizsgálás. http://uniszerviz.hu Remélem, segítettem azzal hogy nem zsiványok közé küldelek.
Ja és itt egy link, ahol meggyőződhetsz róla, hogy
a panel 105 fontba kerül ami cca 37 eFt körül saccolom tehát sokkal sokkal jobban játsz az UniSer-rel, aztán ha ők sokat mondanak a javítási költségre még mindig nem került semmibe csak tudod, hogy mennyiért lehet javítani. Döntés előtt én bevizsgáltatnám velük a panelt, hátha csak egy egy kis alkatrész adta meg magát és pár ezerből javítható. A döntés a tiéd ![]() Az új panel rendelési helye: http://www.bec-components.co.uk/?_n=~Other;_s=4561;_i=x19238
Kösz szépen az információt !
Valószínű zárlatos lett, mert a vezetékek szigetelését mintha egér rágta volna meg, és így érintkezhettek egymással.Szigeteltem sima szigetelőszalaggal,de a probléma ugyanúgy fennáll: az összes led világít, de bármelyik gombot nyomogatom nem reagál semmire. Nem is vagyok benne biztos, hogy a panel hibás. Láttam egy hőbiztosítékot is, elég fekete, de nincs elszakadva, akkor gondolom az jó, vagy nem ? ld. képen Kínát is megpróbálnám, de csak a panel típus száma van meg, kapcsolási rajz nincs, és neten sem találtam. Képek : http://kepfeltoltes.hu/view/120309/bizt1_www.kepfeltoltes.hu_.jpg http://kepfeltoltes.hu/120309/bizt2_www.kepfeltoltes.hu_.jpg
Üdv! Segítséget vagy tanácsot szeretnék kérni!
Hozzám került nemrég egy BOSCH HET 48E4 tipusú beépíthető sütő, a hozzá való(gondolom) elektromos főzőlappal.Elméletileg a sütő részben található vezérlő elektronika vagy annak valamilyen eleme. Bekötve világít a főzőlapon két led, de nem világít a sütőn a gombok feletti részen...ezért gondolom, hogy hibás ez a egység. A sütő rész úgy tünik hibátlanul működik. Kérdésem: valami hasonló de másik tipusszámú sütőből át lehet e emelni egyben ezt az egységet és működne e? Van e esetleg valami egyszerűbb dolog amit megnézhetnék rajta, hátha attól működne? Merre található ebben a tipusban az a sokat emlegetett biztosíték? Nagyon tetszik ez a tipus, fehér és a design is nagyon kellemes... Hátha tud vki segiteni, köszönöm előre is!!!
Sziasztok!
Kaptam egy Whirlpool beépíthető szettet, azzal hogy rossz a sütője. Miután az egyes elemeket végigpróbáltam direktbe kötve elindítani kiderült hogy nem a sütő a rossz hanem a kapcsolónál rosszul vannak a vezetékek (valószínűleg) visszadugva. Ha valakinek van hozzávaló rajza, vagy egy fotóval ki tudna segíteni a bekötéssel kapcsolatban, megköszönném. A készüléket nem igazán sikerült beazonosítanom, nincs semmi jelölés a burkolaton. Rajzot amit találtam egy 2x12es kapcsolós készülékhez való ez pedig 2x9-es. Whirlpool képek
Sziasztok! Az elektromos sütőnkbe tönkrement a fűtőszál. Azt szeretném megkérdezni hol lehet a legolcsóbban ilyet vásárolni? Konkrétran ez: http://www.rotovill.hu/termekek/6339/KOSZORUBETET_2000W_MORA_d_175mm.html
Én itt szoktam vásárolni, igaz nem túl gyakran. Az ára 5070Ft + posta.
Gyors, pontos bolt. Ha időben rendelsz (kb. 14-ig), másnap reggel hozza a posta/futár.
Köszi. Az általam belinkelt üzletben megkaptam 3685 Magyar Forintért. Azt hittem drágább lessz,de nem. Tegnap beépítettem, gond nélkül működik
Sziasztok!
Van egy bosch tűzhelyem, a sűtője villamos. Sütés közben elment a villany, de az egész elektromos része nem működik (óra, gyújtó, sütő). Szétszedtem, de nem találtam benne biztosítékot, esetleg, ha valaki meg tudná mondani merre található benne biztoosíték azt megköszönném. Pontos típust nem tudok írni, de csatolok róla egy képet.
Egy hőkioldót keress a bejövő vezetéken egy zsugorcsőben. Valami ilyesmit.
A hozzászólás módosítva: Aug 11, 2013
Heló!
Volna egy Fagor 2H-114 elektromos sütőnk... Még szűz a cucc! Persze már sok éve lett beszerelve (így garancia sincs) de használva sosem volt! A probléma az, hogy egyáltalán nem akar működni! Úgy tekergetjük a gombokat ahogy le van írva de egyáltalán nem melegít és a ventilátor se mutat semmit! Egyedül a "programválasztó" és a hőfok választó gomb feletti égők égnek de nem történik ezen kívül semmi... ![]() Ötletetek van, hogy mi a baja??? A segítséget előre is köszönöm!!!
sziasztok_nekem vagy egy olyan problémám hogy a sütöm villanyrésze nem működik_még a ventinllátor se forog mi_lehet a probléma_
A hozzászólás módosítva: Okt 2, 2013
Keresd meg a hőbiztosítékot. Szerintem az a bűnös.
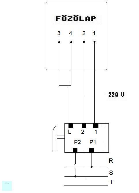
Sziasztok, rezsó főzőlap bekötésben kérnék egy kis segítséget. Eldurrant az 1500 w-os lapom, rendeltem újat, és amikor megjött, akkor vettem észre, hogy nem 2 lába van, hanem 4. Az eredeti 1500 w-os volt, de csak 2 lábbal. Ez ha jól sejtem, akkor lesz 1500 w-os, ha mindkét ág megy benne.
Az alábbi ellenállásokat mértem a lábak között: 1-4 : 154 Ohm 2-4 : 180 Ohm 2-3 : 64 Ohm Volna valakinek tippje, hogy kössem be 2 vezetékkel, hogy kijöjjön belőle az 1500 Watt? Ez nyilván 2 fázist használna, de már nem szeretnék még egy lapot venni, ez is a második, mert először kisebb méretet rendeltem meg, ráadásul a rezsó is egy barátomé, akinek elvállaltam ingyen a cserét. Amúgy a kisebb méretű, vadi új 145 mm-es átmérőjűt szívesen odaajándékoznám valakinek, aki tudja a fenti találóskérdésemre a megoldást. Az 1000 W-os. A képet a webáruházról szedtem le, ez volt a termékfotó mellé csatolva. Ez is csak most tűnt fel, hogy felmentem az oldalra mégegyszer...
Sziasztok!
Fagor 6H-755x típusú sütő panelen két alkatrész kidurrant, melyeket nem tudok beazonosítani. Esetleg ha valaki tudna rajzot vagy a saját paneljéről fotót, a két alkatrészről adatot leolvasni és elküldeni, megköszönném. Mellékelem a fotókat. Köszönöm. A hozzászólás módosítva: Okt 15, 2013
http://szerviz.szerviz24.fotoalbum.hu/viewpicture/pictureid/21999213]
Az imént lemaradtak a fotók. itt megtekinthetők.
Gondolom, már megoldottad. 154+64 Ohm//180 Ohm.
A hozzászólás módosítva: Okt 15, 2013
Hello! Ez a "sánta ló" várhatóan ez a kapcsolóüzemű táp IC lesz. A leégett alkatrész pedig vagy kisértékű ellenállás, vagy NTC lesz a táppal sorban. De a diódákat is meg kell vizsgálni, mert "komoly zárlat" volt az IC meghibásodása miatt. üdv!
|
Bejelentkezés
Hirdetés |













