Fórum témák
» Több friss téma |
100 százalék, hogy a táp!!
Ez a táp esetleg pár wattog jó, de inkáb oda se. Főleg ilyen kondikkal, biztos, hogy itt a gáz! Én mostanában nemhogy 2 diódát használok az erősítőkben, hanem 8 diódát!! azaz 2 greatz hidat!! De minimum 1 greatz hid!
Hali!
Egy másik topicban ajánlották ezt az erősítőt és azt gondolom, hogy nekem ezt tetszik. Na szóval az alkatrészeket megrendelem egységcsomagban, a trafót viszont magam szeretném építeni(értsd.: tekercselni). Egy torroid-ra gondoltam, csak az a baj, hogy nemigazán értek ehez, hogy milyen ennek a felépítése. Gondolom az az öv a vasmag... Honnan lehet ilyet szerezni? +Milyen vastag rézdrótból tekercseljem? A menetszámot milyen képlettel kell kiszámolni? Bemenete 230V-os hálózat lenne és az kéne, hogy +-27V tudjon magára az erősítőre "folyni". Amúgy hogy kell tekercselni? Egy réteg primer, egy réteg szekunder? Tudom, hogy kezdő vagyok, de valahol el kell kezdeni... ) Üdv
Szia dusinnhht,
En azt javaslom, hogy ne a trafo keszitesenel kezd ha kezdo vagy. Hazi korulmenyek kozott hatalmas szivas lehet barmilyen trafot tekercselni (nem beszelve a toroidrol!!!) foleg akkor ha meg a trafo felepiteset sem ismered. Raadasul ahhoz hogy biztonsagos legyen a kesz trafo fontos eletvedelmi szabalyokat kell betartani hisz ez egy halozati trafo lesz! Szerintem sokkal jobban jarsz, ha egy kesz trafot veszel: vagy ujat vagy hasznaltat, mindegy, csak biztonsagosan es jol mukodjon. Nagyon sok kellemetlensegtol kimelheted meg magad es sokkal hamarabb hallgathatod a kesz erositodet. udv p.s. a +-27V-os feszultseg nem "folyik". A feszultsegre azt mondjuk, hogy esik es az aram folyik
Köszi a választ, lehet hogy így fogok tenni, pláne, hogy (veszem észre) van az AIWA NSX-V50 es hifim, aminek van mélyládakimenete.
Igen ám, rákötöm de semmi... Használtan vettem, szóval lehet hogy az előző tulajnál elment az IC-je (mert ugye gondolom van egy mély végfoka neki)... Majd holnap küldök képeket, meg megkeresem az IC típusát, addig is ha valaki tudna kapcsolási rajzot küldeni, az jó volna... Meg lehet mérni ezeket az IC-ket, hogy működnek-e (mint pl a tranzisztoroknál)?Üdv
Nem ismerem azt az Aiwa cuccot, de nem lehetseges, hogy a sub kimenet nem egy vegfok kimenete? A melyladak altalaban aktivak szoktak lenni, azaz bennuk van a vegfok es valamilyen vonal szintu bemenetuk van. Ezert feltetelezem, hogy az Aiwan a sub kimenet is csak valami vonal szintu kimenet lehet ... persze siman tevedhetek, mert ahogy mondtam nem ismerem a cuccot.
Az IC-ket nem igazan lehet ugy mericskelni mint a tranzisztorokat. Egyet azert megtehetsz: megmered a tapfesz labai kozott hogy van-e rovidzar. Ha rovidzaras, akkor biztos sz*r az IC, de azert ez eleg ritka dolog es nem biztositek semmire ... mas problema is lehet egy ICvel!!!
Sziasztok! Micsoda véletlen, én is Aiwa hifivel mesterkedem, de én még ebbe a témába is tartozok, ugyanis én a meglévő Aiwa NSX-S111 -es hifimet, ami vagy 2x12W RMS-t tud megfejelem ezzel a "csodaIC"-vel. Ráadásul 2-vel, ugyanis sztereót akarok.
Csak az a bökkenő, hogy kicsi a hűtőbordám (ugyanis az régen még csak egy TDA7294-et fagyasztott és ahhoz elég volt) és nem tom elég lenne-e ha rádobnék egy 12V-os 8cm-es ventit. Van erről valakinek valami tapasztalata, véleménye? (Ez a hűtőbordám olyan 1400cm2 összfelületű, más meg nincs és nem is szeretnék venni, keríteni meg nem tudok jelenleg)
Szerintem nem olyan kicsi az a hűtborda, elviszi a kettőt normál hangerőne, viszont, ha sokat használod max-on, akkor érdemes rárakni egy hőmérséklet szabályzós ventit.
Szia zsoltee,
egy ugyanilyen Aiwa-t kaptam szét nemrég, behalt rajta a kijelző egy része, meg a hangerő-szabályzó is megadta magát, és hiányzott a kijelző fedele. SZétszedtem, jó lesz alkatrésznek. Trafóját már elhasználtam, 3 CD-s, cd-része jó, úgyhogy ha kell belőle valami, és eljössz érte, odaadom az egész kacatot, mivel pár hét múlva kidobom, ha nem tudom elhasználni... TaTa
Zsoltte, a hűtőborda két IC -nek elég lenne, de vízszintesen van beszerelve, ráadásul a doboz alsó perforálást is letakartad alatta, így a meleg levegő a bordák közt reked. Ha ennél az elrendezésnél maradsz, én a ventillátort feltétlenül javaslom.
Sziasztok,
én egy hónapja gitárcombót építettem a főnökömnek egy ilyen végfokkal, és egy PII borda hűti. Ha teszel be egy ilyet kompletten procihűtővel, sokkal szellősebb lesz a hely, és szerintem a ventivel ugyanaz a borda el kell, hogy bírja a két IC-t. TaTa
Hello!néhány kérdésem lenne a kapcsolással kapcsolatban.a vclip (vagyis clipping) lábra kell kötni ledet,hogy látni is lehessen,hogy mikor torzít az ic?vagy melyik lábra?és ez hogyan működik.van valakinek tapasztalata torzítást mutató lednek a bekötésével?a mute és stby lábakat egyik kapcsolásban a 40voltra,a másikban pedig 5voltra kapcsolják ugyanakkora ellenállással. mindkettő működik? mindegy mekkora jelet kap a láb,csak magasszintű legyen?a kapcsolásban van 2db. 1000mikroF-os kondenzátor.ennek szerepe a puffer lenne?mert akkor kihagynám,és inkább a táphoz raknék nagyobbat.vagy hagyjam benne az 1000mikor-sat,és a táphoz is rakjak kondit?köszi a válaszokat!
Hello, TDa7294 -ben nincs clip detector, a TDa7293 ill TDA 7294S -ben van. Ezeknél ez a funkció az 5-ös lábra van kivezetve. Lusta vok rajzolgatni és írni , de találtam egy oldalt ami megadja a megoldást erre a problémára: Bővebben: itt.
Itt a működés és a kapcsolások is megtalálhatóak. A Mute / stby lábakat lehetőleg 5V -tal kell vezérelni (nemzetközi fórumokon többször felmerült ez a probléma), a tápfeszből egy zener -diódával egyszerűen megoldaható. (a gyári kapcsolást ezen kívül még több helyen figyelmen kívül kell hagyni). Az ellenállások és a kondik az időállandókat szabják meg, sztem a közösen vezérelt MUte/ stby elrendezést érdemes használni lsd. a gyári kapcsolás, itt egy diódával van megoldva, hogy bekapcsoláskor előbb a stby és csak utána mute kapcsoljon ki, kikapcsoláskor pedig fordítva: előbb mute kapcsol be és utána lép stby -ba. Ez a sorrend nagyon fontos!!!!! A 1000µF os pufferkondit a panelen helyezd el közel a PWVS+- táplábakhoz, a VS+- pedig a meghajtófokozat táppontja, ide tegyél be 100n -os kondit, de nem árt egy 10µF loW -ESr elkó sem. A tápot is jól puffereld, oda is kell kondi! üdv. MarcoH
nagyon szépen köszönöm a kimerítő választ!!!Szép napot!
Sziasztok! OLvastam MarcoH hozzászólását és nekem is ilyen kérdésem lenne a pufferekkel kapcsolatban. Nekem sztereo kapcsolás van, ami úgy néz ki, hogy két db tda 7294 nyák egymás mellé van téve és mivel a szélein körbe a test (vagy 0V) fut végig én az összetételnél hosszirányban össze is forrasztottam. Így végülis olyan mintha 1 nyák lenne az egész. A földkábelt (ami a tápról jön) erre a nyákra kb. majdnem az összetéztelhez forrasztottam, a +- kábeleket először csak az egyik nyák tápkivezetéseire tettem és innen 2 db rövid vezetékkel átugrottam a másik nyákra velük, aztán pedig már a tápról külön vittem oda is a +- -t. Azért kísérletezgetem vele, mert az egyik oldal brummog és gyanítom, hogy nem a jelbemenetnél kapja, hanem a tápellátásban van valami bibi. Mindkét nyákon van pufferkondi 1000u, csak az egyiken 50V-osak a másikon 63V-osak. 100n kondik is vannak. A tápon meg két db 4700-as, meg 2 db 2200 mikros van. Az lehetséges, hogy ennyi féle pufi rosszul hat egymásra? Egyébként tényleg mi a szerepe annak a két 1000 mikrosnak közvetlen a tda előtt? Egy nyákrajzon láttam 470 mikrosat is oda tervezve.
Idézet: „A földkábelt (ami a tápról jön) erre a nyákra kb. majdnem az összetéztelhez forrasztottam,” na, ha hiszed ha nem szerintem akar ez is lehet a gond, hogy majdnem. Probald ki, hogy pont oda teszed közepre! Szerintem az kevesbe befolyasolja, hogy kulönbözö feszultsegu kondik vannak benne, de ez csak szerintem... Meg egy dolog, szerintem a következöt csinald: Egy panelre tedd a greatzet es az összes puffer kondit, amid csak van. A vegfok panelra pedig csak a 100 nanos kondik legyenek a tapokhoz rakva! innen a tap panelröl vidd a feszt mindket vegfok panelnak. ha igy is buug akkor nem tudom
Helló.Nekem van egy tda7294-es végerősitőm csak az a bajom hogy a tápal nem jutok dűlőre
.Mivel:van egy szimpla 220/15v-os trafóm amit megcsináltam +-39 és ezt kellene nekem +-27-re vagy +-32 (vagy legroszabb esetbe +-35-re) stabilizálni .Kérdés:Menyire lehetséges ez?Tudna nekem valaki valami könyű kapcsolási rajzot mellékelni? Jah a trafót a mellékel kép alaján alakitottam át.
Húú, hogy lett ebből az 1x15 voltból 2x39 volt? nem értem, főleg hogy az alapján a rajz alapján csináltad. álltalában a AC primer feszültség szorozva négyzetgyök kettővel = a puffer kondin mérhető feszültséggel. Kiszámoltam, kb 20-21 volt lesz a 15 voltból.
Másik dolog, hogy én erősítőkben nem szivesen használom ezt a fajta tápot, valószínüleg működni fog vele, de lehetséges, hogy nagyobb hangerőnél fulladozik majd az erősítő és torzít. Mondjuk ha jól emlékszem szabi83 írta, hogy neki ilyen táp van egy erölködőjéhez, amivel egy mélyládát hajt és azt írta, hogy rendben van, ha jól emlékszem. A feszcsökkentésre nincs ötletem, de a tda 7294 működik +- 39 volttal, ha jól emlékszem talán +-42volt a max, nézd meg az adatlapját! A feszültséget mérd meg mégegyszer! Nézd meg nem e volt a mérőműszered váltóáramra beállítva és nem e úgy mérted az egyenfeszt.
Pár volt csökkenést a + és - ágakba kötött diódákkal érhetsz el( 35voltra lecsökkents a 39et az 4V, oda kb 7 dióda kell, és mindegyiknek tudnia kell azt az áramot amit az erősítő felvesz. De szerintem jobban jársz ha letekersz a trafobol, az nem egy nagy dolog. 2x15Vbol ACből lesz kb 40V egyenfeszed, 1x15V-os trafóból sose. A táp müködik így ahogy a rajzon van csak nagyobb kondik kellenek, mivel csak minden második félperiodusban tölti a kondikat, a greatz jobban kihasználja a trafoban rejlő teljesítményt, de ezis megfelelő lehet.
hello!szeretnék majd két db. tda7294-et hídba kötni.van egy inverter ic-m(tl071), és ezzel szeretném a bemenő jelet invertálni,ezt az egyik tda erősítené, a másik tda pedig a normál jelet hajtaná,és így szeretném a két ic-nek a kimenetére kötni a hangszórót.Van valakinek vélmenye erről?
(Ezt egyébként itt olvastam valahol,így sokoldalúbb lesz az erősítő(mondjuk 2*70 vagy 1*140)) Köszi
Így is meg lehet oldani, de akár a műveleti erősítő nélkül is, csak a két ic-vel.
Keress rá, biztos találsz kapcsrajzot. Ha nagyon nem találod akkor írj és segítek.
Hello, a megoldás jó, az inverter erősítése legyen nagyon pontosan egységnyi. (kis tűrésű ellenállások)
Huhuu említi a gyári adatlapon szereplő kapcsolást, az is megfelelő, de sajnos van benn pár hiányosság. Pl. kimeneti kompenzáció hiányzik, több helyen DC leválasztás hiányzik, nagyfrekis szűrés sincs. Én a legjobb megoldásnak egy differenciál meghajtón ( pl. DRV134 a Texas -tól) való hajtást találom, csak nehéz ilyet szerezni, de lehet mintát rendelni belőle. Ha hídban hajtod az IC -ket 8Ohm -os közös terhelésnél a tápfesz +-25V körül legyen MAX. Így hídban kivehető kb. 120W@8Ohm elfogadható THD mellett. üdv.: MarcoH
hello!
huhuu: Pont az lenne a lényeg,hogy műveleti erősítővel oldjam meg,így bármikor lehetne válsztani egy kapcsolóval 2*70wattos erősítő és 1*120w között.Segítséged szívesen fogadom!Köszi MarcoH: köszönöm az eligazítást! Milyen kapcsolás alapján használjam a tl071-et?elég lenne a datasheet-ben lévőre hivatkozni(névvel).köszönöm!
Hali!
Végülis ha jól értelmezem, akkor a kapcsolásból ez a rész a fontos! (a bekeretezett) Ha nem akarsz ilyen váltókapcsolót beletenni! Mert ez végzi a jel megfordítását! Tehát az ottani "kapcsoló" állása, ami a rajzon van! Ebben az állásban csinálja a hidalást!
Hy!
Na csak átfutottam rajta, de nekem nagyon úgy tűnik, hogy a műv. erősítőknél az invertáló bemenet és a nem invertáló fel van cserélve egymással. A lábak jelölése viszont jó a tl074 -hez. Te mit gondolsz? Üdv. MarcoH
Nemtom én még nemépítettem meg csak tegnap keresgéltem ott vmit és láttam ezt most meg mondom hátha jó ide
Köszönöm szépen Mindenkinek!A bemenetek felcseréléséről,amit MarcoH írt,van vkinek ötlete?
Jó fórumozást!
Sziasztok. Nem olvastam végig a Topicot, és bocs ha olyat irok vagy kérdezek, amit már leirtak előttem.
Megépítetettem ezt a TDA 7294-es végfokot. Ezt ami a topic elején van: tda7294-2.jpg. Nem müködött a kimeneten 4 V volt, ésha leterheltem akkor meg leesett 0 V-ra. A Stand-by-t is kapcsolgattam, és semmi , vagyis ugyanaz.Pedig tutira jol kötöttem be, átnéztem 3szor is, persze még mielőtt tápfeszt adtam volna neki. Egybként+ 30 V-ot kapott, és teljesen szűrt táprol.( PC tápok ) Ha valaki tudja, vagy sejti mi lehet a gond, az segítsen léccci. Előre is kösz
Ugye szimmetrikus tápról hajtod? Vagy csak simán +30 Volt? Mert az úgy nem jó
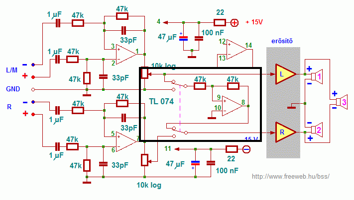
Jaah és persze ha tudsz , akkor rakjál fel képeket! Hangszórót kötöttél rá? Egyébként itt van egy ilyen KIT-es megoldás! Én ezt csináltam meg! Egy picit más! tovább lapozgatva INNEN a fórumot lesz hozzá nyormális nyákterv is amit szabi kollega csinált! |
Bejelentkezés
Hirdetés |




Csak az a bökkenő, hogy kicsi a hűtőbordám (ugyanis az régen még csak egy 




.Mivel:van egy szimpla 220/15v-os trafóm amit megcsináltam +-39 és ezt kellene nekem +-27-re vagy +-32 (vagy legroszabb esetbe +-35-re) stabilizálni
.Kérdés:Menyire lehetséges ez?Tudna nekem valaki valami könyű kapcsolási rajzot mellékelni?
Jah a trafót a mellékel kép alaján alakitottam át. 


, vagyis ugyanaz.





