Fórum témák

» Több friss téma
Fórum » Elektronikában kezdők kérdései
- Ez a felület kizárólag, az elektronikában kezdők kérdéseinek van fenntartva és nem elfelejtve, hogy hobbielektronika a fórumunk!
- Ami tehát azt jelenti, hogy a nagymama bevásárlását nem itt beszéljük meg, ill. ez nem üzenőfal!
- Kerülendő az olyan kérdés, amit egy másik meglévő (több mint 17000 van), témában kellene kitárgyalni!
- És végül büntetés terhe mellett kerülendő az MSN és egyéb szleng, a magyar helyesírás mellőzése, beleértve a mondateleji nagybetűket is!
Lapozás: OK   1199 / 4050
(#) kadarist válasza m.joco hozzászólására (») Feb 18, 2011 /
 
Bizonytalanná és határozatlanná válik a kimenet állapotváltozása.
(#) janikukac hozzászólása Feb 18, 2011 /
 
Ma egy sajnálatos dolog történt. A pákám a kukába került. Persze nem azért mert meguntam a forrasztgatást :hehe: hanem azért , mert a nagybátyámmal próbáltuk a hegyet kicserélni benne, és széttéptük. Na sebaj, úgyis terveztem, hogy veszek egy 24 V pákát, és szabályzó is fog majd készülni hozzá. Olcsó de jó pákát kezdőknek, és olcsón kijövő egyszerű szabályzót valaki tud? Előre is köszi, és szép estét. Hja, és elnézést, ha már nagyon unalmas vagyok. :yes:
(#) zolika60 válasza janikukac hozzászólására (») Feb 18, 2011 /
 
Válogass:Bővebben: Link
Bár neked is szabad a keresőt használni.
(#) janikukac válasza zolika60 hozzászólására (») Feb 18, 2011 /
 
Használtam én, kerestem. Csak tapasztalat miatt kérdem, meg az árak érdekelnek. Köszi szépen.
(#) qvasz2 válasza mex hozzászólására (») Feb 18, 2011 /
 
[OFF] Speciel írtam neki vagy 5-6 sort, de mire a végére értem már túlléptem a szerkesztési időt, és b@szott elküldeni. . . ilyenkor megy el a kedvem a válaszolástól !
(#) mex válasza qvasz2 hozzászólására (») Feb 18, 2011 /
 
OK, de ezt honnan is gondolhattam volna az első hsz láttán?
(#) qvasz2 válasza mex hozzászólására (») Feb 18, 2011 /
 
[OFF]Az én hibám, hogy ilyen tetű lassan, egy (-két) ujjal gépelek.
(#) mex válasza qvasz2 hozzászólására (») Feb 18, 2011 /
 
Próbáld ki a jegyzettömböt, aztán az abban megírt szöveget bemásolod a válaszablakodba, amit természetesen csak előtte nyitsz meg. Meglátod új távlatok nyílnak a válaszadás terén.
De mostmár tényleg hagyjuk abba, mert jön a vérmodi.
(#) slave557 válasza qvasz2 hozzászólására (») Feb 18, 2011 /
 
Hát nem nagyon merek így belekezdeni, szerintem egyszerűbb lenne, ha vennék egy adaptert, legalább lenne egy 12v-osom, abból mindig hiány van itthon.

Ez jó lenne a ledhez?
(#) m.joco válasza kadarist hozzászólására (») Feb 18, 2011 /
 
Értem. Köszi.
Üdv.
(#) LGS94 hozzászólása Feb 18, 2011 /
 
Üdv! Erősítő teljesítményét, hogyan is kell kimenti feszből kiszámolni milyen képlettel? ÉS 100hz-es jellel kell mérni és akkor is ha csak ilyen 5W-os teljesítményre lehet számítani?
(#) sasano1 hozzászólása Feb 18, 2011 /
 
Jó estét Mindenkinek,
Segitséget kérnék réz vezeték megfelelő átmérőjének megválasztásában:
1. villanybojler 1400w a mérőtől kb. 12 méterre van.
2. tűzhely leginkább sűtő 2000w kb. 15 méterre a mérőtől.
A mérőhöz jelenleg 1982-ben behúzott alu vezető megy nem tudom milyen vastagságban.
A mérő 40A-os 3*230V
Előre is köszönöm.
Sanyi
(#) qvasz2 válasza slave557 hozzászólására (») Feb 18, 2011 /
 
Amit linkeltél, sajnos nem visz közelebb a megoldáshoz. Ha nem akarsz, tudsz építeni áramgenerátort, akkor vegyél készen. (sajnos a HEStore nem a jóbarátod ezügyben).
A LED-et már megvetted, vagy csak kinézted? Próbáltam keresni adatlapot, de nem találtam róla.
És a táp, amiről először kérdeztél, az a 14V, az miféle?
A legjobb egy állítható áramú áramgenerátor lenne. Ha találsz készen kapcsoló üzeműt, akkor érdemes azt használni. Ha nem találsz kapcsoló üzeműt, érdemes az LM317-es IC-t áramgenerátoros üzemben bekötni, és azzal kipróbálni, mert ahhoz csak egy ellenállást kell méretezni.
áramgenerátor LM317-el
(#) qvasz2 válasza qvasz2 hozzászólására (») Feb 18, 2011 /
 
Egy jobb rajz az LM317-hez:
Bővebben: Link
Az ellenállás először legyen kb. 1,2 ohm / 2-3W, ezzel kb. 1A lesz az áram.
(#) blackdog válasza sasano1 hozzászólására (») Feb 18, 2011 /
 
Ha mér magad akarod szerelni otthon a "villanyt": 10m távolságon belül 16A tudsz elvinni 1,5 mm2 tömör réz vezetéken.
Alu és réz vezetéket NEM SZABAD összekötni!
Mivel tudatlan vagy használj 4 mm2 vezetékez 20 méteren belül a nagy fogyasztóknál.
De a legjobb lenne, ha hívnál egy szakembert.
[off] A spórolás pénzt meg ment életet NEM!
(#) imi84 hozzászólása Feb 18, 2011 /
 
Ez tényleg nagyon kezdő kérdés lesz: mondjuk eagle-ben (vagy kicad-ban) akarok csinálni egy egyoldalú nyákot. (És tegyük fel hogy van legalább három lábú alkatrészem (mert innentől van értelme egyáltalán a kérdésnek)). Azt szeretném megkérdezni, hogy a vezetősávokat úgy kell megrajzolnom, ahogy azt a forrasztási oldalon fogom látni, vagy tükrözve, ahogy az alkatrész oldalon látnám ha átlátszó lenne a nyák?
(#) pcroland hozzászólása Feb 19, 2011 /
 
Hello! Csak annyit szeretnék tudni, hogy a lomex oldalán ha bemegyek a fólia kondikhoz akkor az oda írt volt szám már váltóáramba kell érteni? Pl.: ~250V, 600Vdc (egy kondin)
(#) mps válasza imi84 hozzászólására (») Feb 19, 2011 / 1
 
Hali!
Úgy látod, mintha az alkatrész oldalról néznéd, és átlátszó lenne.
(#) csabacsaba hozzászólása Feb 19, 2011 /
 
Hello.Kaptam egy ilyen kutyut es fogalmas sincs hogy mi lehet,a googleben nem kaptam nekem valo leirast ezert ide fordulok hatha vki ismeri.Bauer Bosch,Ved 460 Video Scanner.
Koszi.
(#) Akashi hozzászólása Feb 19, 2011 /
 
Még mindig nem boldogulok...
Eldurrantottam a stab Ic-met.
Hogyan lehetne valami zéner+tranzisztor dologgal 45V=-ból 20-25-öt csinálni?
(#) bbalazs_ válasza Akashi hozzászólására (») Feb 19, 2011 /
 
Hany amperre?
A legeslegegyszerubb, ha valami HV jelzesu alkatreszt keresel, azok ugy 60V korulig szoktak mukodni, de azert van az adatlap...
Ha viszont ram hallgatsz, akkor stepdownt hasznalsz, kicsivel bonyolultabb csak, de nem zabalja fel az egesz teljesitmenyt. Ekkora ugrasnal szerintem ez fontos.
Ha csak par milliamper, akkor nezd meg a TL431-eset, talan van HV-s belole...
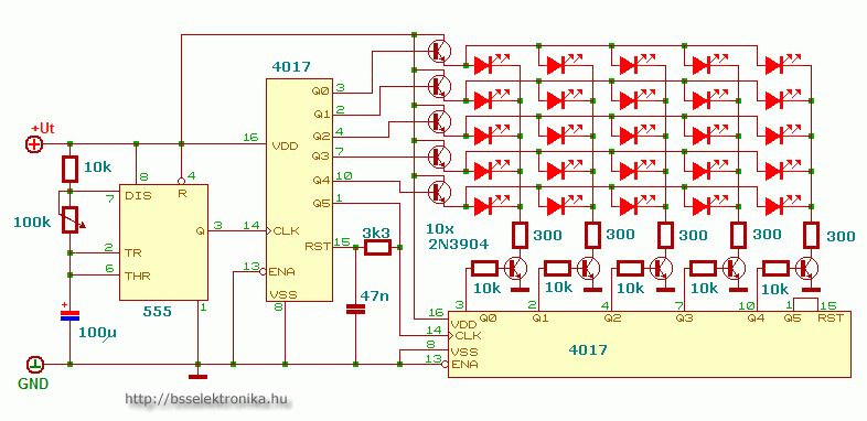
(#) Mybuster hozzászólása Feb 19, 2011 /
 
hello mindenkinek!

Van ez a kapcsolási rajz az egyik 4017 est le szeretném cserélni egy 4024-es re ami bináris számláló! megoldható?

osszev.gif
    
(#) slave557 hozzászólása Feb 19, 2011 /
 
Üdv!
Érdeklődnék, hogy tud-e valaki olyan oldat, ahol leírják lépésről lépésre, hogy hogyan lehet számítógépről 230V-os kapcsolót kezelni, tehát a gépről bekapcsolni mondjuk a lámpát.
Ha lehet valahol kapni ilyet az is érdekel, de gondolom csinálni olcsóbb.
Köszi
(#) peter1995 hozzászólása Feb 19, 2011 /
 
Hello.2n3904-es tranzisztort mivel tudok helyettesíteni?Ha jól olvastam ki az adatlapját akkor 40V és 200mA-es NPN.
(#) peter1995 válasza peter1995 hozzászólására (») Feb 19, 2011 /
 
És az az SMD ellenállás amire 132 van írva az hány ohm/Kohm-os?Egy rossz multiméretr javítok és ez a két alkatrész szemmel láthatóan halott.
(#) fantom45 válasza peter1995 hozzászólására (») Feb 19, 2011 /
 
Itt van a kiszámítási mód. Olyasmi mint a kondenzátornál.
(#) peter1995 válasza fantom45 hozzászólására (») Feb 19, 2011 /
 
Kössz.Akkor1,3K-ellenállás.
(#) mindenes válasza peter1995 hozzászólására (») Feb 19, 2011 /
 
A 2N2222A jó helyette ,bár a tokozásuk különbözik.
(#) peter1995 hozzászólása Feb 19, 2011 /
 
Hello.-Van egy szép nagy folyadékkristályos kijelzőm.Meg lehet oldani hogy ellől hőmérőt csináljak?
(#) granpa válasza janikukac hozzászólására (») Feb 19, 2011 /
 
Helló Janika!
Tételezzük fel, hogy jók a trafók. Leméred a tekercsek ellenállását, ha nem zárlatos (van ellenállása), akkor mehet a 220-ba. Primer vezetéken (220) mérsz áramot (soros kötés), felírod, majd addig terheled a szekundert, míg kb. a 10x-esét méred. Nem melegszik, nem füstöl, nem esik a fesz.(szek.); tovább terheled, amíg a szek. fesz. nem esik kb. 5%-ot, ez a vége (max. nem állandó) terhelhetőség. Csak óvatosan! Számolni és jegyzetelni (akkor legközelebb tudni fogod)!
Üdv: Kálmán :yes:
Következő: »»   1199 / 4050
Bejelentkezés

Belépés

Hirdetés
XDT.hu
Az oldalon sütiket használunk a helyes működéshez. Bővebb információt az adatvédelmi szabályzatban olvashatsz. Megértettem