Fórum témák
» Több friss téma |
Fórum » Futófény
Nos kész az első futófényem, de fura.
Egyenlőre csak 10 sima led. De. Azzal nyitottam, hogy régi szokásomhoz híven forditva tettem be az IC-t. Valahogy túlélte, talán azért, mert csak 2.4 Voltal hajtom meg. Kicsit halványabban ég, de a másik furcsaság, hogy lépked. Furcsa ugyanis a Cloc és a másik clock (amelyik elött plusz egy szó van) lábakra csak egy egy kábelt forrasztottam ami a levegőben lóg. Az volt a terv, hogy elösször próbaképpen összeérintve léptetem. De ha összeérintem, nem lép, amikor meg mozgatom az áramkört, idönként lép, nem is egyet, többet majd ujra megáll. mi lehet ez? Másik. Gyors lépések kellenek, ezért nem vacakolnék az 555-el, hanem valami lassabb bontott kvarcra raknám. Azt simán rátehetem két lábra vagy ennél bonyolultabb? Ha simán akkor a két clock láb vagy a clock és valamelyik másik láb?
Szia!
Inkább az a fura, hogy az IC még működik! 1: Fordított tápfeszültség. ( Szerencsére csak kicsi és az is csak elem. ) 2: A CMOS áramkörök nem szeretik ha a bemenetük szabadon lóg! Akár tönkre is mehet a bemenetein összeszedett zavarjelektől. Ellenállásokkal határozott logikai szintre kell húzni a bemenetet. A lassú jelváltásnál - a tiltott sáv feszültsége - a P és N csatornás tranzisztorok kinyitnak és belső ellenállásuktól függően a tápegységet rövidre zárhatják. Ha a tápegység bírja akkor az IC tönkremegy. S van még egy fontos dolog amire nagyon figyelni kell a CMOS IC-k használatakor. Mégpedig az, hogy a bemenetre a tápfeszültségnél nagyobb feszültséget NEM SZABAD ADNI! Mert az IC gyártási technológiájából adódóan parazita tirisztor keletkezik. S ezt a parazita tirisztort a tápfeszültségnél nagyobb bemeneti feszültség begyújtja és a tápegységet rövidre zárja. Végeredmény az IC tönkremegy. Az ellentétes polaritású bemenő jel is tönkre teszi az áramkört. 3: Tegyél felhúzó ellenállást a CLK bemenetre. Az engedélyező és reset bemenetet meg értelemszerűen kösd a megfelelő tápfeszültségre. 4: Nem tudom mi gondod van az 555-tel? Egyszerű, olcsó, sokoldalú oszcillátort lehet vele építeni. De ha nem nagyon akarsz vele bíbelődni és nem kell a frekvenciát állítani akkor alkalmazz villogó LED-et... 5: Idézet: „Gyors lépések kellenek, ezért nem vacakolnék az 555-el, hanem valami lassabb bontott kvarcra raknám.” Most akkor gyors vagy lassú! S a _CD4017-es_adatlapja_ tartalmazza a folyamatábrát. CLK-n megy be a léptető impulzus. CLKE ( órajel engedélyező bemenet ) meg a negatív tápfeszültségre ( vagy GND-re ) lesz kötve.Bocs kicsit hosszú lett! De ha ezekre figyelsz akkor minden CMOS áramköröd garantáltam működni fog.
A CLK - CLKE bemenetek felcserélhetők! Lásd a mellékelt képen.
A kvarcot nem tudod berezgetni a 4017 kapuival, esetleg olyan komplett oszcillátorral ami már négyszög jelet ad.
A lábak zárogatásával igazán nem tudod léptetni mert össze vissza minden értéket léptet be,még kapcsolóval is nehéz egyet léptetni vele megbízhatóan (a másik bemenetet viszont fix szintre kell kötni. Ha ilyen nagy frekvencián járatod és hosszú vezetékeket alkalmazol (1-2m) már egy csomó problémával találod magad szembe.(rádió adóként működik,nem tudsz szintet váltani gyorsan mert a vezeték kapacitásait nem tudod feltölteni csak vonalmeghajtókkal...)
Köszi a válaszokat.
Többfajta, de hasonló problémáról van szó. Egyiknél alacsony a másiknál magas órajel kell. Ez a kábeles megoldás csak próba volt, de ezekszerint akkor a rádiójelek hatására villogott. Legalább értem. Tehát akkor a vezérlőjel nem jó nyomogombbal. OK. Tehát a 13, láb az az engedélyező kimenet s ebben az esetben testen a helye. Amúgy ez mi másra szolgál még? És mire szolgál a 12. láb? A villogó led túl lassu. Ebben az esetben a 4017 maximális frekvenciájával összemérhető órajel kell ami, ha jól tudom néhány MHz. Azt hiszem itt majd a led fog határt szabni. Mi az a frekvencia amit a led még képes produkálni? Szóval ezért gondoltam a kvarcra mert azt hittem egyszerübb megoldani, mint 555-el.
Köszi.
Szóval a hosszu vezeték csak egy- a 4017-tel kapcsolatos tájékozatlanságom miatt - rossz ötlet volt a próbára. Szóval akkor a kvarchoz nem elég ha tápra kötöm az egyik végét s a másik végét a 4017 CLK lábjára. Sajnálom. Ha bonyolultabb áramkör kell a kvarc használatához mint maga az 555, akkor ez sajnos zsákutca.
Nézd át az adatlapját a 4017-esnek. Sok hasznos dolgot lehet benne találni.
S ajánlom még az _oszcillátorok_cikket._(Link)_
A 12. láb a CARRY OUT. Ezzel lehet kaszkádba ( sorba ) kapcsolni a számlálókat. Minden ötödik órajelre szintet vált a kimenet s a következő számláló így csak minden tizedik impulzusra fog lépni egyet. Mivel a CARRY OUT kimenet, ezért ezt nem illik határozott logikai szintre kötni...
Már attól függ miért.Amit a led tud azt te már rég nem látod Az elsőnek ami a Hestore-ban van a kapacitása 1MHz ra van megadva tehát valószínű többet tud a 4017 nél (bár nem igazán értem mit akarsz,ha a kimenetekre ledet kötsz és ilyen magas órajellel akarod működtetni akkor folyamatos fényt látsz max haloványabbat.A LED világítási időnek legalább 8-10% alatt bekapcsolva kell lennie ahhoz hogy biztonságosan alkalmazható legyen,vagy észrevehető fényerő csökkenést/tönkremenést kapsz eredményül .Ha kettő 4017 mátrixban-t akarsz tesztelni akkor a mátrixponton max 1MHz órajel esetén 10KHz-val villog a leded sajna az idő 1/100 részében.Amit ha kompenzálni akarsz áramnövekedéssel akkor tönkreteszed a ledet, egyébként meg nagyon halovány lesz.
Kvarcot oszcillátorként betokozva (csak táp kell neki ) is árulnak.
Ezt nem értem. ha minden tizedikre vált akkor ez ugy fog kinézni, hogy végig megy, a másik egyet ugrik
ujra végigmegy a másik mégegyet ugrik? Mert nekem az kéne, hogy sorba menjen végig a futófény az összes leden, mintha egy 20 ledes futófényem lenne.
Több ügy is van. Most az érdekelne mennyivel villoghat max a led a használhatósághoz.
A világitási idő 10%-át nem értem. Ebben a példában egy ledsor menne 1 Mhzvel. Hogy meddig világitana nem tudom, érdekes a 4017 nél órajelet meg lehet adni, de hogy a led meddig világit, arra nincs utalás. Ha jól értem egy minimum idő kell a lednek amit felvillan ahhoz, hogy látszódjon is és tönkre se menjen. Mennyi ez az idő?
Egy egyszerű kaszkád kapcsolással 100 LED is vezérelhető kettő 4017-essel. Itt egy példa _50db_LED_ elvi vezérlésére. S itt egy _25db-s_ kapcsolás. Csak egy átkötés és máris 20db LED léptethető egyesével sorba.
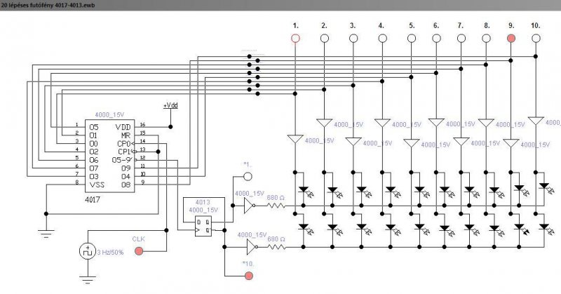
1db 4017-tel és 1DB 4013-mal megoldható a 20 lépés. Lásd mellék.
Köszi.
Mik azok a fehér és piros golyók? Azt a részt nem értem pontosan. Nyitottam egy topicot korábban 4017-es alapu matrixról, igaz ott pc adta volna az órajelet 2 parallel port lábon külön az icknek. Igaz ott az volt a fő gond, hogy nem ledeket hanem motokat vezéreltem, s azt se értettem mitől függ hogy egy egy mátrix elem mennyi ideig kap áramot. (A motor mennyi ideig forog). Most már egyre jobban összeáll a kép. Ha a PC adja az ütemet, akkor ha jól értelmezem, tetszőleges lehet egy egy led (motor) világitási (üzem-) ideje. Így minden egyes motor annyi ideig forog mig a következő motorra át nem megy a vezérlés, és a teljes lefutási idő attól függ, hogy a motokat összesen mennyit kellett forgatni.
Itt sem értem a piros és fehér golyókat.
Az sem világos nekem, hogy akkor mindkét kapcsolás alkalmas folyamatos fotófényre? Igazából a 20 led csak példa inkább 40 ledes futófény kell, de lehet elmegyek százig is ha már így belejöttem. Mintha a két 4017-es (matrix) példánál lenne benne még két ic részleges felhasználása, ha jól látom. A második példánál, ahol 4013-al van kombinálva nekem úgy tűnik, az is matrix. Mi a különbség a két kapcsolás között? Hangsúlyozom több feladatról van szó ezért látszólag idönként ellentétes követelményekkel jövök elő. Hol pl. hol matrixot akarok, hol oszlopot. Az az egyik gondom, hogy a 40 es (talán százas) futófény led sorral van mégegy követelmény: Miközben megy a led futófény (ebben az esetben magas órajellel), még külön engedélyezni vagy tiltani kell, hogy az éppen soron következő led egyáltalán világitson e? Egyik fórumtársunk azt mondta, a 4017 "tesz rá", hogy a kimenetén van e led, vagy csak a levegőben lóg, ő végrehajtja a fotófény parancsot. Ebből kiindulva úgy képzeltem el, hogy eszerint közös ellenállást kap a 4017 ledsora s azon keresztül megy testre, de beiktatok egy tranzisztort, ami vagy engedélyezi neki a testet vagy nem. Ez a megoldás azonban mátrix esetében nem működik. A kérdésem itt az, ha a 4013 nak a 4017-es 12-es lábára menő vezetékét szaggatnám igy azzal működne az elképzelés, vagy megintcsak összezavarná a rendszert a helyzet: Köszi
Egy baj van ,ha valamit kérdezel rajzolj.(mit hogyan hol...) Egyébként szerintem a 20 ledes is mátrix ,tehát ha a közös ponton bontod az áramkört értelemszerűen mindkét led kialszik.A 4017 úgy működik hogy egyik kimenete magas (pl az 1) az erre kötött led világít.Ha megkapja a következő órajelet akkor a következő láb lesz magas (az előző alacsony. az 1 Led kialszik a 2 LED kigyullad. ) A LED-nél nem a minimális idő számít Hanem ha azt akarod hogy világítson akkor a világítási idejének legalább 10%-ában áramot kell kapnia .
Köszi
De még mindig nem értem. Ha például azt akarom, hogy tizezred másodpercig világitson akkor százezred másodpercig kell áramot kapnia? De hisz végig kapná az áramot mind az egy tizezredes másodpercben.
1: A piros ( de lehet zöld és kék is az EWB-ben ) vagy áttetsző "fehér" gömbök csak a logikai jelek állapotát mutatják! Ha áttetsző ( fehér) akkor a vezetéken L szint van. Ha színes ( piros, zöld vagy kék, ) akkor azon a vezetéken ahova be van kötve, magas H szint található. Ezek a gömbök csak a logikai állapot megértésé segítik. ( Vagy épp összezavarnak ezek szerint. )
2: Igen mind két kapcsolás alkalmas a folyamatos üzemre. Ez csak az alkalmazott órajeltől függ. 3: Az igazi az lenne ha az alap futófényt legalább próbakapcsolásban megépítenéd. S az jó ha beindult a fantáziád! 4: A 4013-as egyszerűbb. De nem lehet bővíteni. Ez csak MAX 20 lépést tud. 5: Ahhoz hogy a LED-mátrix egy elemét kapcsolni tud, a LED-et "kapcsolóval" kell ellátni és azt is vezérelni kell. De így a mátrixkapcsolás elveszíti az egyszerűségét! Sőt exponenciálisan nő az elkövezhető hibák száma a kimenetek számával. ( Nyákon szinte követhetetlen lesz a kapcsolás. A huzalos változatot meg elképzelni is szörnyűség. ) Másik lehetőség a kimenetek állapotának figyelése és a LED-meghajtó áramkör vezérlése a külső vezérlőjel figyelembevételével. Sok független vezérlőjel esetén ez az áramkör sem lesz egyszerű. A 4013-as kapcsolásnál elég lenne csak a 4013-as kimeneteit ki kapuzni. De ha csak egy LED-et akarsz kizárni akkor a 4017-es kimenő jelét is figyelembe kell venni.- Ha lehet maradjunk az adott témánál. Mert nagy kavarodás lesz belőle... (#925912) Prome: Az időosztásos vezérlésnek ( multiplexált vezérlés, mint PL a LED-mátrixnál is van, ) ) az a lényeg, hogy minden kimenet egy egy időszeletet kap és azalatt van vezérlése. LED-kijelző esetén addig az ideig világít egy egy szegmens, vagy LED-mátrix esetén (vezérléstől függően) egy egy sor vagy oszlop. ( Ahhoz, hogy az időkeret (multiplexált vezérlés,) korlátait átlépd az adott kimeneti értéket el kell tárolni... ) Pl: 10Hz-s az órajel s van 10 kimenet. Minden LED csak a bemenő órajel-frekvencia 1/10. részéig ideig fog világítani. Vagyis egy LED KB. 1Hz-vel fog villogni. ( Ha jól számoltam. )
Hali én megépítettem ezt a futófényt (mellékletben van a rajz)de a 4017-es ic-ben a 12 kivezetés nincs feltüntetve a rajzon,és a 555-ic-én a 6-os és a 7-es kivezetés.szóval ezekkel mit kel csinálni?Valaki tudna settengni?
Hagyd őket üresen.Egyébként működik, vagy nem merted bekapcsolni?
Az a baj hogy általában csak az életben előforduló problémákkal tudok mit kezdeni.Számomra az 1/10.000 másodpercig világító led =hibás működés.
Egy led vagy világít( 0.2s vagy tovább) / vagy nem világít( 0,2s vagy tovább). Egy motor vagy kap annyi áramot ,hogy beindul vagy nem Ha egy emberi érzékelésre tervezett eszközt az érzékelési határon kívül használok annak semmi értelmét nem látom egyenlőre. A lednél a világít nem világít számomra nem azt jelenti hogy áramot kap /vagy nem ,hanem azt hogy 20ms onként legalább 2 ms-ra kap áramot.A többit a szemünk hozzá képzeli. A 4017/4013 működését meg úgy képzeld el mintha egy forgó kapcsolót az ic-k által kapott órajellel léptetnél (10 vagy 2 állású kapcsoló).Ha ezt így behelyettesíted az összes ezzel kapcsolatos kérdésed szinte kis logikával megválaszolható. (felteszem led+ellenállás+kapcsoló áramkört már építettél.) Ha túl gyorsan tekered a ledjeid folyamatosan világítani látszanak.
A 6. láb a 2-es lábbal van összekötve. Az 5. és 7. lábat hagyd üresen az 555-nél.
Megcsináltam működik csak az utolsó 5 fut és a többi halványában villog és a harmadik erősen villog.Mi lehet a baja többször is leellenőriztem és az összekötés jó.Amúgy univerzális nyákra készítettem'
Az ic 12 lábát nem kötötted véletlenül valahova,esetleg a tranzisztorok közös emittere valahol szakadt ,vagy rosz tranzisztort/ rosszul raktál be a 3.4. led környékén.
Ha csak sima ledet akarsz róla üzemeltetni (és kimenetenként egyet) ,a tranzisztorokat nyugodtan kihagyhatod.A ledeket közvetlen az ic lábra is kötheted,az ellenállást viszont növeld meg 220-330 ohm-ra
Köszi szépen nagyon rendes vagy még máskor is fordulhatok hozzád?
Szerintem nem csak hozzám ,más is biztosan segít.
Halli ismét' Valaki nekem nem tervezne egy nyomtatott áramkör rajzot.Ez a rajz.Nagyon megköszönném. :yes: :awink:
Nincs mit!
|
Bejelentkezés
Hirdetés |




S a


A 4013-as kapcsolásnál elég lenne csak a 4013-as kimeneteit ki kapuzni. De ha csak egy LED-et akarsz kizárni akkor a 4017-es kimenő jelét is figyelembe kell venni.



