Fórum témák
» Több friss téma |
Fórum » LED-es kivezérlésjelzők
Témaindító: KeserűCukor, idő: Márc 27, 2006
Témakörök:
Nekem 3915-os van. Az sajnos logaritmikus ha jól tudom a 3914 pedig lineáris. Vagy azzal is meg lehet oldani?
Megcsináltam a Splanban a kapcsolást (99% a tiéd), így jó lesz? Ha igen akkor megcsinálom a nyákot és kiprobálom. Az IC-t tokba teszem ha mégse lenne jó a 3915-ős.
Próbáld meg de ne hagy rajta az aksin mert a ledek leszivják
Sza!
Háromlábu Fénykibájtó Leddiódát szeretnék keverni. Normál feszültségosztóra gondoltam, de aztán rájöttem az ebben az esetben negativba megy át. Mit javasoltok?
Hogy mi megy át hova?? Leddióda és fénykibájtó??
Csájtó.
Szóval ha fogok pl. 5 voltot. Ráteszem trimerre. Két végére. Akkor ugyan a középső pöcökkel jól osztja az arányt, de virtuális test keletkezik. A középső lesz a nulla, alul minus felül plusz. A bárszéknek pedig közös a nullája, igy nem tehetem meg azt, hogy mondjuk egyiknek az alső a nulla másiknak meg a középső s akkor jó lesz az arány. De ha középső a nulla s alul felül az arány, akkor pediglen alul negativ mert alul hozzáképes kisebb ugyebár.
Üdv azt szeretném kérdezni hogy a mono kivezérlésjelzőt a fangfallal sorba kell kötni ? Vagy hova érdemes ahol jó jelet ad ki?
létszi segítsetek üdv
Hello!
Nem lett volna baj, ha tisztázod, mit értesz "mono kivezérlés jelző" alatt. De hangfallal sorba nem kötünk semmit. És mi ad ki jó jelet? Mert egy kivezérlés jelző az csak jelez, vagy hangfrekvenciás jelet fogad. De csak információt ad ki, jelet általában nem. üdv! proli007
Hello
Arra gondoltam mono alatt hogy ha 2 fangfal van akk ugyan azt jelzi ki nem külön a 2 hanglalat. és akk úgy kérdezem hova kell kötni a kivezérlésjelzőt? Üdv Joohhnyyxx
Hello!
Ebben az esetben, a két hangfal jelét, két ellenállással közösíthető a kivezérlésjelző számára. Ekkor a kivezérlésjelző egyszerre látja mind két hangszóró jelét. Tehát a kivezérlésjelző bemenetéről egy-egy ellenállást kell kötni a két hangszóró felé. Ha konkrét rajzot teszel fel, és megadod az erősítő teljesítményét, hangszóró ellenállását, akkor lehet konkrét ellenállásértéket is meghatározni. üdv! proli007
Üdv azt láttam a rajzon is hogy kell elő ellenállás.
De nekem azt mond el létszi hogy hova kell kötni a kivezérlésjelzőt ? mert ugye a 2 hangfalnak 4 vezetéke van hogy mit hova kell kötni? És ha esetleg ez Jack dugóval van összerakva akkor hova kell bedugni hogy működjön? előre is köszi Üdv :Joohhnyyxx
Az ilyen kivezérlésjelzőket, rálehet simán az LCD TV-re is kötni?
A kivezérlésmérők általában gyakorlatilag feszültségmérők, ezért bármire rá lehet rakni, főleg ha a forrás és a mérő jelszintek nagyjából azonosak.
Ebből kifolyólag tv hangkimenetre is rá lehet tenni, akár az audió kimenetre akár a fejhallgató kimenetre, akár a hangszóróra, csak a méréshatárt kell illeszteni.
Hello!
- Ennek a kivezérlés jelzőnek eleve két bemenete van, tehát ez megoldódott. - A hangszóró kimenethez általában oda van írva, hogy "+" és "-" . Az R1 és R2 ellenállást kell a hangszórókimenet + végére kötni. A kijelző GND-részét (fordított T alakú jel), pedig az erősítő GND pontjára. Ez általában a hangszóró kimenet "-" pontja. De figyelni kell, mert ha az erősítő végfok hidalt kapcsolású, akkor a hangszóró kimenet "-" jelű pontja is egy erősítő kimenetén van. És ha a két "-" pontot a kivezérlésjelző közösíti, akkor a végfok tönkremegy. Hogy hidalt-e az erősítő, arról egy méréssel is meggyőződhetünk. Az erősít kikapcsolt állásában megmérjük Ohm mérővel, hogy a két "-" pont közösítve van-e- Ha igen, nem hidalt az erősítő. De mérhetünk a "-" kimenet és valamely bemeneti csatlakozó hidegpontja (vagy az erősítő fém háza) között is. Ha nulla ohm-ot találunk, akkor nem hidalt. Minden esetre, ha a kivezérlésjelző GND-pontjához az erősítő más csatlakozójának külső házázát (erősítő GND pontját) kötjük, akkor hibát nem követhetünk el, és hidalt erősítőnél is ugyan úgy fog működni a dolog. - Jack dugónál meg kellene nézni a bekötést. De általában a dugó csúcsa a baloldali (+) kimenet, majd a jobboldali (+) kimenet következik, és végül a GND pont. De Jack dugót, általában csak kis erősítőknél (fejhallgatóknál) használnak. (Persze itt a bal és jobb oldalt teljesen mindegy ha felcseréled, mert az áramkör bemenete azt úgy is közösíti.) - Ez a kapcsolás alapvetően hibás, mert ha a bemeneti diódák nem szivárognak kellőképpen, akkor az IC bemeneti árama feltölti a 10µF-os kondit, és a kijelző bementi jel nélkül is mutat valamit. Ha ez áll fenn, akkor a 10µF-os kondival párhuzamosan egy 1Mohm-os ellenállás megoldhatja a problémát. üdv! proli007
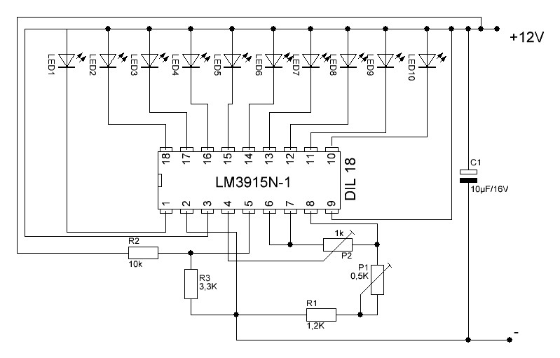
Ezen a kapcsolási rajzon a poti 3. lábát hova kell kötni?
Sziasztok.
A segitsegetekre lenne szuksegem. Az erositomhoz szeretnek epiteni egy nagyon jo kivezerlesjelzot. Tudtok valami jot ajanlani, amihez mar van kesz nyak? ha lehet kockaladest ? De jo az egyszeru is. Elore is koszonom
1. és 2. láb összekötve megy a testre, a 3. megy az 1.2k és a 8-as láb csomópontjához.
Sziasztok!
1 LED-es kivezérlésjelzőt szeretnék csinálni, de nem megy, és ehhez szeretnék segítséget kérni. Már több vonalon is próbáltam megközelíteni, de sikertelenek voltak: 1: próbáltam 741-es műv erősítővel erősítő kapcsolást csinálni, de csak gerjedt. Pedig csak egy sima nem invertáló, negatívan visszacsatolt kapcsolás volt, 0-12-es táppal. 2: próbáltam bc182-es földelt emitteres alapkapcsolást is, de az is kudarc volt. 3: próbáltam 741-es komparátoros kapcsolást is, de az meg csak kapacitív közelség érzékelő lett. 4: próbáltam egy neten talált kapcsolást átalakítani, de az kudarccal járt. Bővebben: Link Van valakinek ötlete?
Hello!
Pedig ezt a tranyós kivezérlésjelzőt már sokan sikerrel megépítették. Sőt van aki esküszik rá. 1. De lerajzolhattad volna a 741-es erősítőt, mert az nem éppen a gerjedéséről híres, csupán egy kondi kellett volna az invertáló láb és a kimenet közé.. 2. Tranyóval, sokkal nehezebb korrekt erősítőt készíteni, mint IC-vel. 3. Ha kapacitív kapcsoló volt, akkor vagy gerjedt, vagy lógot valami a levegőben. 4. Ha egyszerű nem sok Led-es kivezérlésjelzőt szeretnél, akkor nézd meg amit Alkotó készített nemrég. Akkor biztos a siker. De a régi tranyós/IC-s kapcsolása is működik, sőt "logaritmizáltuk" is kissé. Amúgy nem írtad, miért kellett plusz erősítő, és mire kapcsoltad a kijelzőt.. Rajz-rajz-rajz.. üdv! proli007
Kb. ezeket próbáltam.
Sima hangszóró kimenetre szeretném kötni. Lenne ötleted a problémám megoldására?
Hello!
- Az első kapcsolásban a GND-re menő BAT dióda fordítva van bekötve.. A tápfesz nincs megjelölve, de az első erősítő fokozat erősítése, a hangszóró kimenet miatt, szinte felesleges, (munkapont beállítása sem túl szerencsés) de elég lett volna egy egyszerű emitterkövető fokozat is. - A második kapcsolás az "vagy jön valahonnan, vagy megy valahová". Leginkább a kukába. (Munkapont és egyben erősítés beállítása értelmetlen.) - A harmadik kapcsolásnál a műveleti erősítő elvileg komparátorként működik, de munkapont beállítása értelmetlen. A neminvertáló láb "nem lóghat a levegőben". Mert egy kondin keresztül, pont ezt teszi. Minimum egy 22k/10k osztót kívánna a tápfeszültségből, ha már a másik bemenet szintje szabályozva van mint "küszöbfeszültség". - A negyedik kapcsolás munkapont beállítása is helytelen. 8bemenet szintén nem lóghat a levegőben) Egy-tápfeszültségű üzem esetén, a neminvertáló bemenetre a tápfeszültség fele kell. Tehát ide egy 1:1 arányú osztó lenne szükséges. De ekkor az erősítés Au=(R1/R2)+1 értékű, de ez a munkaponti egyenáramra is igaz, ezért az IC kimenete kimenne a tápfeszültségre. Így az R2-vel sorosan egy kondi szükséges. Ekkor a váltakozóáramú erősítés a fennemlített Au, egyenáramú erősítése 1. Tehát a kimeneten szintén 6V lesz mérhető, mint az 1:1-es osztó után. üdv! proli007
Thx. Holnap kipróbálom amiket mondtál.
Azután megint jelentkezem. Üdv.
Hali!
A komparátorost kipróbáltam, és működik! Köszönöm, a helpet! (Igaz, kisebb ell.áll.-okat használtam, de az arányt tartottam.)Thx. Üdv.
Sziasztok!
Ha mikrofonról szeretnék egyet működtetni akkor az audió bemenetre kel a mikrofon, erősítővel? Szerintetek?
Sziasztok! Valaki megtudná nekem mondani ennek a kivezérlésjelzőnek a bekötését? Még 5 db zöld led híjja van. Sajnos ez a legjobb minőségű kép amit tudok csinálni! Előre is köszi szépen!
Milyen IC az ?
Ezt így nehéz lesz megmondani. Oldalanként négy madzag-ból gondolom az egyik a GND a másik kettő talán a szimm. táp a negyedik meg a bem.jel.
UAA180 a vezérlő IC tipusa,jól látom?
|
Bejelentkezés
Hirdetés |











(Igaz, kisebb ell.áll.-okat használtam, de az arányt tartottam.)






