Fórum témák
» Több friss téma |
Fórum » [OFF] Pihenő pákások témája - Elektronika, és politikamentes topik
Témaindító: Topi, idő: Nov 18, 2007
Jólvan, hogy ne harapjátok tovább a fejem, ezért bocsit kérek !
Nem azért kell, és nem tőlünk, hanem be kellene látnod hogy ez nem helyes.
![]() A standard kondi, meg az ellenállás egyébként olyan olcsó hogy nem is érdemes, talán nincs is ilyen lehetőség szerintem. Erre van egy közmondás, hogy " a tetűt felhajtanád Pestig 2forintért."
Mielőtt nekiestek valakinek olvassátok el az adatlapját. Nem helyes nekiesni egy gyereknek csak a naivsága okán.
Sziasztok, segítséget kérnék egy olyan ügyben, hogy a már elkészített készülékeimet. (Mérnöki szinten szeretném dokumentálni.) De sajnos csak pár fejezetrésszel vagyok tisztába. És tudom hogy vagy 20 különböző részre lehet taglalni. (Ezt a Bánki Donát MKI.-ban anno egy nagyon kedves tanárom leírta nekem, csakhogy az a füzetem nincs itt, úgy hogy most hadilábon állok.) Csak hogy értsétek miről beszélek Kb. eddig ezekre emlékszem.
1. A készülék megnevezése (kép róla) 2. (Rövid leírás) 3. Paraméterek, mérési eredmények 4. Tartalom 5. Szerkezeti felépítés bemutatása 6. Blokkvázlat 7. A készülék ismertetése, alapos leírás 8. Kapcsolási rajzok, nyáktervek, pozíció rajzok, forráskódok 9. Felhasznált irodalom 10. Üres jegyzetoldalak Miket hagytam ki szerintetek? (Ill. a sorrend az jó így?)
A tartalmat előre tenném.
De tényleg most hogy említed. A szerző valamilyen szintű elérhetőségét érdemes beleírni? Vagy nem? (Email címre gondolok.)
Ebben van valami. Jó lesz a 2. oldalon.
Bele teheted, de nem "kötelező".
Nem igazán haladtam egyről a kettőre, közben mást is kellett csinálnom, meg nem is nagyon tudom, most mi legyen, mert a dichro tartó felül és oldalnézete nem az igazi, ahogy az ábra is mutatja.
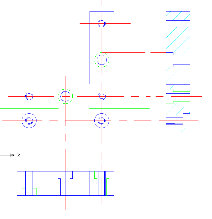
A problémát az okozza, hogy egymás mögött minden furatot egybe rajzolsz. Minden sort rajzolj külön metszetre. Tehát a dichro tartón még két metszet a jobb oldalra. Betűkkel vagy számokkal jelölve melyik hol van. Bár egy intelligensebb fémmunkás már ebből is megcsinálja neked.
Először is az alapokat tedd tisztára. Műszaki rajzból mindig a valóságot rajzoljuk.
Ez alól kivétel, a nagyon közeli vonalak, a nem lényeges görbék pontos megszerkesztése (a tengelyre a hornyot mindig egyenesre rajzolod oldalról, nem pedig kicsit lejjebb, mint valóságban). No szóval, ha nem mén a dolog rendesen, akkor legyen sok rajz, de az egyértelmű. Rajzold meg a tárgy három nézetét. Majd ami ebből nem látszik, arra csinálj metszetet. A nézet elhagyható, ha a metszet megy helyette, és ebből is egyértelmű lesz. Viszont egy rajz nem lehet nézet és metszet is EGYBEN. Létezik részleges metszet, azt használhatod. A dichro tartó montírozott.PNG képeden a jobboldali rajz az egy nézet, melyre legalább két metszetet rárajzoltál. A mélyedést, ha látod, akkor körnek rajzolod, teljesnek. A menetet pedig egy kör és köré egy 3/4es körív, aminek kezdő és végpontja véletlenül se esik egybe a kör "tengelyvonalával". Majd mindjárt levázolom neked ezt az egy tárgyat, a többire gyere rá magadtól.
Rendben,akkor megpróbálkozom az este folyamán vele, de szerintem ezt már csak holnap reggel fogom felrakni.
Végül nem holnap délután, hanem hétfő délután kell mennem ahhoz, aki legyártja.
Sziasztok!
Segítséget szeretnék tőletek kérni.Nőnapra szeretnék tanácsot kérni tőletek,hogy mivel lepjem meg (barát)nőmet.Semmiféleképpen nem szeretnék virágot és parfümöt illetve csokit venni neki. Szeretnék neki valamit csinálni de nem tudom,hogy mi is lenne jó. Lehet elektronikai de az sem baj ha nem az csak saját kezemmel akarom az ajándékát megcsinálni.Ha elektronikai akkor valami világítós dolgot szeretnék neki de nem akarok sokat költeni rá. Ti miket ajánlanátok?
Mennyi az a nem sok? Én vezeték nélküli gyertáyt ajánlanék neked/neki: Bővebben: Link
Szerk.: vicsys egy picivel gyorsabb volt.
No itt a vázlat. Még egyszer ez csak vázlatrajz. Ezt még ki kell méretezni.
Egy megjegyzés van feltüntetve, de ha esetleg betűvel megjelölöd az azonos "mélyedéseket" akkor elég egyszer kiméretezni. És akkor a megjegyzés se kell.
Ezen én is gondolkoztam de valami mást szeretnék.
Ám köszi mindkettőtök tanácsát.
Tudom elég randán rajzolok, nem szépek a vonalak, meg csak telefonnal fényképeztem. Így volt gyors. A célnak megfelel.
És ez?Bővebben: Link
Megköszönném, ha esetleg leírnád mi a hiba.
Jónak tűnik. Még átgondolom. De én is nézelődtem egy picit és ez is tetszik.
A nézet rajzon nem látható a középső süllyesztés.
Arra gondolsz, hogy hiányzik a szaggatott kör középen?
A technika rohamosan fejlődik. Lassan a 3d-s tv-k is elérhető áron megvásárolhatóak lesznek.
Én úgy gondoltam, hogy csinálok magamnak egyet. A garázsomban hempergett egy Régi Orion tv. Azt alakítottam át. A Táppal vannak még gondok... Ha kevés nyervog a hang, ha sok akkor pedig berreg. De így is szórakoztató. Gondoltam megmutatom nektek , hogy sikerült.
Köszönöm neked is a segítséged, épp rajta vagyok az ügyön, nem is olyan soká feltöltök egy képet, hogy megkérdezzem, az úgy jó lesz-e.
|
Bejelentkezés
Hirdetés |










Ez is vezeték nélküli gyertya... 



