Fórum témák
» Több friss téma |
Fórum » Muzeális készülékek-alkatrészek restaurálása
Témaindító: Kutyuli, idő: Márc 29, 2008
Témakörök:
Kedves Kollégák. Ha már a 331-esekél tartunk, nekem is most készült el egy, sajnos a két oszlopn az elején, még javítani kell, mert nem jól sikerült a lakkozás. Ezt elsősorban eladásra, cserére szánom, (kicsit már sokba van a retrózás) A jobb használhatóság miatt került bele egy URH- részegység, igy most teljeskörüen, napi használatra alkalmas, veszi az FM sávot. Ez a rész természetesen 4 csavar, és 3 vezeték bontásával, bármikor percek alatt kivehető, ha kell az eredeti állapot nyom nélkül visszaállítható. Üdv.
szia
Köszönöm a rajzot.. ez alapján valószínűleg könnyen után tudom építeni az erősítőjét. Lenne még egy kérdésem. Találtam a készülékben egy fűtőbetéthez hasonló dolgot. Nem tudom hova kellene bekötni vagy mire szolgál mivel a készülék hálózati része annyiból áll jelenleg hogy 3 vezeték a motortól jön.Valaki tudna segíteni hova kössem be..? Egyébként a tipusszáma BM2005.. köszi: Dani
Sziasztok!
A segítségeteket szeretném kérni, van egy hagyományos tölcséres, mechanikus gramofonom, de sajnos működésképtelen,. Szeretném megjavíttatni, de nem találok olyan embert, vagy szervizt aki foglalkozna még ilyesmivel. Amennyiben tudtok olyan személyt aki ért hozzá, vagy szervizt amelyik foglalkozik eme gép restaurálásával, megköszönném ha jeleznétek felém. Használtan kaptam, ebben az állapotban, lehetséges hogy alkatrész cserére is szorulna, szeretném megjavíttatni, de nem tudom hol induljak el e cél felé. Segítségeteket előre is köszönöm:janosm.
Itt leginkább abban tudunk segíteni, hogy te hogyan javíthatnád meg. Ha van kedved és ügyességed hozzá, tegyél fel képeket és biztosan kapsz tanácsot.
Egy kép erről talán segíthetne, hogy vajon mi annak a funkciója?
Szép az így is, elárulnád, hogy azt a lakkozást mivel, hogyan csinálod?
Sajnos nem szép, csak a fénykép nem adja vissza, hogy csúnyán megfojt, és amikor le akartam csiszolni, még rondább lett, mert elszineződött. Szóval a módszer, először kromofagos, nitrohigítós lemosás, csiszolás, és utána kerül rá, fényes szintelen akrillakk, dobozból fujva. Nem olcsó megoldás, én általában egy dobozzal el szoktam fujni egy rádióra, ami 1050 Ft.
Ha visszamész a 25. oldalra, ott leírtam, hogy egy 222-es dobozát hogy újitottam, fel, vannak fényképek is.
Sziasztok Mesterek! Ma véletlenül rábukkantam egy rádióra,csak nagyon siralmas állapotban van. Doboz lehet menthetetlen, a lelke még menthetőnek tűnik. Pontos típusát megtudná mondani valaki?
Ez egy Videoton R646, vagy valamelyik leszármazottja, vagyis egy Velence. Lehet hogy ferrit-antennás volt, akkor 646 Fí (a kapcsolás ugyan az) 1961-63 ból.
Kinézetre nekem is ez ugrott be először, de nem értem azt a színüveg csövet a sasszin. Velencében ilyen csövek nem fordultak elő. Valószínűleg elég rendesen bele lett piszkálva.
A berhelés az tuti.Nézd meg a cső nevét,szerintem 'U' sorozatú,azaz soros fűtésű lesz.Ha már ott tartassz,elvileg a fűtés körül lennie kéne valami módosításnak,hogy meghajtsa azt a csövet.
Szervusz Janó Bácsi! Esetleg közkinccsé tudnád tenni a 418A skálaüveg fájlokat? Van nekem is ez a rádióm. Sajnos mint látszik a bal szélső üvege hiányzik, és egyedül a jobb-középsőn nincs még egyáltalán megkopva a felirat. Skálaüveg beszerzésnél nem jártam sikerrel, de így már van esélye, hogy valaha egész legyen ez a rádió.
Engem amúgy nagyon érdekelne ez a történelmi visszatekintés amit említettél. Az első rádióm is egy függőleges skálás volt, egy A117. Erre azóta sikerült ugyanilyen, de ép emblémát találnom.
Nem az enyém a rádió, hanem Maci80-é, úgyhogy nem tudom megnézni. De akár E sorozatú is lehet az a cső, akkor nem kellett a fűtést berhelni. Létezett pl. EBL21 / UBL21; párhuzamos / soros stb.
A helyzet az hogy a VT a Velence alapjain, vagy 6-8 féle, szinte azonos kapcsolású gépet gyártott különböző dobozokkal. 1956és63 között, volt 21-es csövekkel, volt vegyesen, és tiszta novállal is. Át kell nézni, ha nem egyezik a 646-al akkor a 946-os jó hozzá, vagy valamelyik keveréke. Egyébbként a sárga Kádár könyvnek (1960-1963) ennek a fényképe van az elején, és belül R646-nak írja.
Egyenlőre a két közép, és a rövid skálájával vagyok kész, bár a rövid vonalain még kell javítani. A hosszú még vissza van. A kép A4es méret, nekem kinyomtatáskor 50%-os nagyságra kelett beállítani a lézernyomtatót, hogy a fólián méretarányos legyen. A117-es egyébbként szép, biztos jó is, nagy kincs.
Este ha végzek a melóval, pihenésképp írok kicsit a "függőleges skálás"-ok ról.
Köszönöm szépen, majd várom a többit is alkalom adtán.
![]() A 117-esnek csak apróbb hibái voltak, pár skálaizzó pótláson kívül egyedül a húrozását kellett megfeszíteni, és az emblémát cserélni. Nagy antennával eszméletlen mennyiségű adót fog, minden hullámsávon.
Szakik! Visszaolvastam a fórumba forgó kondi ügyébe, az a hibája hogy hullámsávtól függetlenül amint tekerem s "csukódik be" (Odaérek a kossuth adóhoz). Tottál elhallgat, kinyitott állapotba pedig teljesen jó. Itt is a kiszerelés, pucoválás, lamella állítgatás segítene? (ezt olvastam régebbi HSZ be)
Szóval a "fügőleges skálá"-sok: A történetet némi visszatekintéssel kezdeném, a rádiógyártás hőskorában, nem a skála, hanem a hangszóró rács volt a készülékre jellemző "dizájn" először a skála, valójában csak a nagyméretü forgató gombok élére volt rajzolva. Késöbb aztán kis pajzs alaku nyílások mögé raktak különböző forgó, megírt kaucsug lapokat skála gyanánt, de a fontos a gépre jellemző kinézet, a hangszóró elötti rács cizellálása volt. Később csak a 40-es években kezdett a skála dominálni a rádión, a hangszóró, meg vászon mögé került, már nem volt olyan fontos a kinézete. Az ötvenes évek elején aztán az Orion kitalálta a csupa skála kinézetet, vagyis az egész gép elölnézete a skáláról szólt, az lett a legfontosabb diszítő eszköz. Gyönyörű készülékek születtek igy, a 442, 882, 443, 117, stb. Ezek a rádiók akkor, mint kinézetre, mint műszakilag világszinvonalat képviseltek, akkor Európa egyébb gyárai sem produkáltak ennél különb rádiókat. Mindezt pedig a legvadabb Rákosi korszak idején, mikor a hatalom vidéken lesöpörte a padlást, az emberek éheztek, jegyre adták az alapvető élelmiszereket,(már ha volt egyátalán,) és ha valaki esetleg valahol a nemtetszését hangoztatta, akkor éjjel érte jött a lefüggönyözött Pobeda, a családja meg évekig nem látta, és annak is örült, ha egyszer elő került egyátalán.
Müszakilag egyébbként a legnagyobb a 881-882-volt, külön csővel erősitett antenna előkörrel, push-pull bupla végfokkal, több hangszóróval, és szabályozható KF sávszélességgel!!. Persze a készülékek itthon és külföldön is óriási sikert arattak, mindenki ílyet szetett volna, olyan volt mint a 80-as években az 1500-as Lada, akkori álmaink autója. De sokaknak se pénze se lehetősége nem volt venni egyet, (plusz még a boltosnak is kellett csúszópénzt adni, mert áruhiány volt,) ezért az Orion gyorsan piacra dobott egy kistestvért, egy olcsóbb, egyszerűbb változatot, a 418- 814 est, ami valójában a 222-es törpeszuper kapcsolásával, alkatrészeiből, a 420A-520A sassziára készült, illetve azoknak is ez lett az alapja. És most egy kis személyes: kezdő müszerész koromban az ötvenes évek legvégén, még akkora nimbusza volt, egy 881-es nek, hogy nekünk ifjaknak nem is adták oda javításra, mi csak a néprádió-tipusszuper, meg az 545-Velence, stb gépekkel vesződtönk, a müvezető et. reggel a munka kiosztáskor, szinte szertartással osztott ki egy függöleges skálást, valamelyik öreg szakinak, komoly megtiszeltetés volt ezekkel foglalkozni. Aztán gyorsan fordult a kocka, ugyanis hamar kiderült a műhelyben, hogy valami miatt, nekem különleges műszaki érzékem van a mechanikai dolgokhoz, nevezetesen a skálahúrozáshoz, (nem tehetek róla, adottság) percek alatt meg tudok húrozni bármilyen komplikállt skálát, még akkor is ha nem láttam elötte. Igy aztán, mikor az öreg szakik félnapokat szenvedtek a 442-881 elég kacifántos skálahúrozásával, előbb utóbb az lett a vége, hogy "gyere Janókám húrozd meg helyettem". És persze némi ingyen sörözés, meg presztis nyereség is járt hozzá. Bocs hogy kicsit hosszú voltam. Üdv
Köszönöm a leírást, nagyon tetszett! És pár olyan dolgot is megtudtam belőle, amit eddig nem.
Az A117-eshez egy kis személyes élmény legyen tőlem is: Ez az egyetlen csöves rádióm, ami családon belülről származik, így ez is van meg a legrégebben. Nem tudom pontosan hány éve őrzöm, de több mint 15. Eredetileg a nagyszüleim nyaralójában volt, de már használaton kívül. Szóval egészen kisgyerek koromból emlékszem már erre a rádióra, és arra is, hogy nagyon féltem tőle valamiért, és a mérete miatt TV-nek gondoltam. Persze nem értettem, de nem is igazán foglalkoztatott, hogy miért nincs képernyője. Aztán később, mikor már változtak az idők, szerettem mindent szétszedni. Akkor megkaptam, hogy vigyem, legalább kevesebb a lom. Emlékszem, ki akartam belőle szedni a hangszórót, meg erősítőt csinálni a belsejéből. Szerencsére ezekre a műveletekre sosem került sor, jobban tetszett a megőrzés gondolata, mint a szétbarmolásé és megkedveltem a régi rádiókat. Később a TV-ket is.
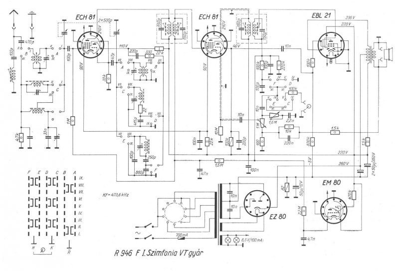
Szia Janó bácsi! Próbáltam a rajzát megkeresni de nem találom amit találtam az 636 C F H jelűek. Részben egyezik,de mégsem az, a varázsszem is hiányzik belőle. Eltudnád küldeni 646, 946 rajzát? Sajnos 1 csövön látszik a típus a másik kettőn semmi felirat és kettő hiányzik. Sok a lógóvégű alkatrész, és van hátul is egy kapcsoló ami szerintem utólagos beszerelés.
Sziasztok! Voltam a pincénkbe s fotóztam pár régi motyót gondoltam feltöltöm, az orion tv 6éve nem volt használva természetesen antenna nélkül azonnal gyönyörűen működött! No ez a nem semmi!
VT R646 kapcsolási rajz:
VT R 946 kapcsolási rajz:
Pincében, antenna nélkül kép?
Azért tudtak a régi öregek!
Elkészült a rövid, meg a hosszú skálája, itt küldöm. Én több fóliát is csináltam és elvittem az egészet egy profi fénymásoló műhelybe is, persze az lett a legjobb. Most már meg van az alap, ha kell, meg tudom csináltatni neked is a kész fóliákat, akkor nem kell kinlódni vele. Ha érdekel a dolog, keress meg privátba. Üdv
Sziasztok!
Szeretném a segítségeteket kérni. Szerencsésen hozzájutottam egy Orion nagy toronyhoz ami régi vágyam volt Mindent rendbe raktam rajta, izzócserék, után hangolás, fejtisztítás, kábelcserék. Szépen működik is minden csak két bajom van Az SM250B Magnódeckjének hiányzik az egyik gombja (visszacsévélő) ami nagyon bántja a szemem és nincs demagnetizálóm a fejhez. Tudnátok e segíteni nekem?
Üdv mindenkinek. Készen vagyok a Habilami kolléga segítségével szerzett Orion418-as-sal, már csak pár apróság van hátra.
Még képek
Ez nagyon szép lett! - Elismerésem
|
Bejelentkezés
Hirdetés |











Engem amúgy nagyon érdekelne ez a történelmi visszatekintés amit említettél. Az első rádióm is egy függőleges skálás volt, egy
Aztán később, mikor már változtak az idők, szerettem mindent szétszedni. Akkor megkaptam, hogy vigyem, legalább kevesebb a lom. Emlékszem, ki akartam belőle szedni a hangszórót, meg erősítőt csinálni a belsejéből. Szerencsére ezekre a műveletekre sosem került sor, jobban tetszett a megőrzés gondolata, mint a szétbarmolásé és megkedveltem a régi rádiókat. Később a TV-ket is.

















