Fórum témák

» Több friss téma
Fórum » PC táp átalakítás
 
Témaindító: kand, idő: Nov 13, 2005
Lapozás: OK   63 / 200
(#) SmithWebster válasza Iszkakof István hozzászólására (») Márc 14, 2011 /
 
Dupla dióda. Greatz-el kellett volna?
(#) Inhouse válasza Inhouse hozzászólására (») Márc 15, 2011 /
 
Én is szívok. Akartam csinálni még egy 24V/3A-est. Nem volt kedvem a tekercseket átkötözgetni, gondoltam megcsinálom a másik variációt, ahol trafó középkivezetés a NYÁK-on elvág és a szekunder 2 vége mehet graetzre, a negatív meg testre. Innentől elvileg ugyanaz... A táp teljesen egyforma az előzővel...el sem indul... Ez pár napja este 11 körül lett meg, azóta nem volt időm...

Üdv
Inhouse
(#) Iszkakof István válasza SmithWebster hozzászólására (») Márc 15, 2011 /
 
Csak elmélkedek. Amíg én elmélkedek, addig neked beugorhat a megoldás. Megtörténhet, hogy ha graetz hidat használnál, a szekunder tekercs két végére kapcsolnád, miután a tekercs közepét a testről leválasztanád, kétszer akkora feszültséget érnél el. Természetesen a szabályzást is hozzá kellene igazítani. Az is lehet, hogy ez butaság, majd a tapasztaltabbak tudtunkra adják.
Az én ATX – es akkutöltőm is halad, bár csigaléptekkel, de halad.
(#) Inhouse válasza Iszkakof István hozzászólására (») Márc 15, 2011 /
 
Ugyanazt írtad, amit én...

Üdv
Inhouse
(#) didyman válasza Inhouse hozzászólására (») Márc 15, 2011 /
 
Te mit gondolsz, a középkivezetés nélkül hova fog mászni majd a visszacsatolás referenciája?
(#) erbe válasza didyman hozzászólására (») Márc 15, 2011 /
 
A visszacsatolás nem a középkivezetéshez viszonyít, hanem a GND-hez. Hídegyenirányításnál a --t kell kötni a GND-re és a +-ról ellenállással beállítani a feszültséget. Helyén lehet hagyni a középkivezetést és a fél feszültségre szabályozni, de akkor a táplált eszköz egyik fele sem lesz GND-n. Jobban kell vigyázni.
(#) didyman válasza erbe hozzászólására (») Márc 15, 2011 /
 
Ha középkivezetés alatt egyre gondolunk, az minden ilyen régi vacaknál a GND-re fog táplálkopzni. Ezért nem elég csak kikötni. A kolléga leírása ezt nem tisztázza egyértelműen.
(#) erbe válasza didyman hozzászólására (») Márc 15, 2011 /
 
Idézet:
„trafó középkivezetés a NYÁK-on elvág és a szekunder 2 vége mehet graetzre, a negatív meg testre.”

Egyébként szerinted az "új vacak" miben tér el a régi vacaktól?
(#) Iszkakof István válasza Inhouse hozzászólására (») Márc 15, 2011 /
 
Igen, azt írtam. Bocs... Eredetileg azt akartam írni, hogy hagyja meg a dupladiódát is és tegyen graetzet is. A graetz kétszer akkora feszültséget ad, mint a dupladióda. Amikor jobban belegondoltam, elvetettem ezt a variációt, mert a stabilizálás csak a dupladiódánál van, a graetzen felszökik a feszültség ellenőrizetlenül, fogyasztástól függően.
(#) Inhouse válasza didyman hozzászólására (») Márc 17, 2011 /
 
Leírtam, hogy a graetz negatívja megy a testre.

mint itt

Üdv
Inhouse
(#) Inhouse válasza Iszkakof István hozzászólására (») Márc 17, 2011 /
 
Nem igazán értem amit írsz...miért lenne jó a dupladiódás megoldás után egy graetz? Ez nem igazán jó így....

Üdv
Inhouse
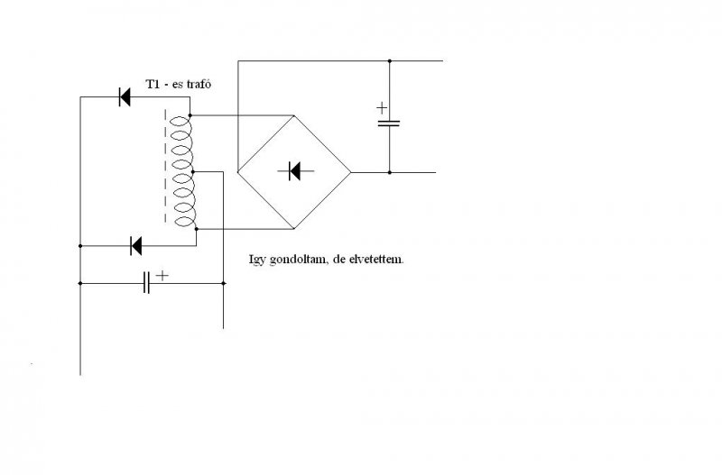
(#) Iszkakof István válasza Inhouse hozzászólására (») Márc 17, 2011 /
 
Elvetettem ezt az elméletet. Nem a dupla dióda után gondoltam, hanem a graetz is a trafótól kapja a váltó áramot, közép kivezetés figyelmen kívül hagyásával. Így a graetz kétszer nagyobb feszültséget kap, mint a dupla dióda. Csak elmarad a stabilizálása, vagy az ellenőrzése. A jobb érthetőség végett készítek egy vázlatot. Egy + jelet rossz helyre tettem, nézzétek el.

Vázlat.JPG
    
(#) Inhouse válasza Iszkakof István hozzászólására (») Márc 17, 2011 /
 
Nem közösíthető a 2 féle megoldás, mert csak az egyik lesz figyelhető, mivel nem közösíthető a 2 testpont.
Minek kellene egyszerre 2 megoldással egyenirányítani?

Üdv
Inhouse
(#) Iszkakof István válasza Inhouse hozzászólására (») Márc 17, 2011 /
 
Írta a fórumtárs, hogy csak 16 voltig megy fel a feszültség. Dupla diódás módszert alkalmazott. A graetz kétszer annyi feszültséget adott volna a másik mellett, figyelés nélkül, ugyanannyi menetszámból. Így felment volna a feszültség 32 voltig. Pontosan ezért vetettem el a megoldást, mert a 32 voltot sehol sem lehet a GND – re kapcsolni, mert már a 16 volt oda van kapcsolva. Most, hogy annyit firtattuk a dolgot, egy soklábú kapcsolóval, talán meglehetne oldani, hol az egyik, hol a másik figyelését. És a GND átkapcsolását is bírnia kellene, mert ott nagy áramerősség folyik át.
Esik az eső. Elmélkedhetek.
(#) Inhouse válasza Iszkakof István hozzászólására (») Márc 17, 2011 /
 
Öööö, ez a feszültség dolog nem teljesen tiszta...
A tekercsek ugyanazok, csak a kétféle egyenirányítási megoldás miatt lesz más a feszültség, tulajdonképpen nem a diódák adják hozzá, csak a kapcsolás...
A graetzes megoldásnál gyakorlatilag csak a negatív ág diódáit kell erősebbre cserélni és a test átvágást/átkötést megcsinálni. Gyárilag is ott a "graetz" és a 24V, csak a +12V és a -12V között kell mérni.
egyenirányítók, tápegységek

Üdv
Inhouse
(#) Inhouse válasza Inhouse hozzászólására (») Márc 17, 2011 /
 
Egyébként most gondban vagyok.
A második 24V/3A nem tekercs sorbakötős módszerrel készült tápom vacakolt az indulással. Közben kiderült, hogy az önrezgés a vezérlő IC nélkül mindig elindul. Az IC néha letilt... Közben amikor elindult mértem, a ref 5V ok, az IC tápja, 56V!! Micsoda???
Még jó, hogy nem szállt el... Mindezt úgy, hogy közben 23.2V van a kimeneten, és ez a rész innen kap tápot egy soros diódán és 20ohmon keresztül...
Gyorsan előkaptam a működőt (ahol az 5V-os ág tekercsei sorba vannak kötve, már ment több mint 8 üzemórát), és ott 44V!!!
Hogy a fityfenében lehet több ott a feszültség, mint ahonnan kapja??? Kalóz impulzusok rohangásznak?

Üdv
Inhouse
(#) Inhouse válasza Inhouse hozzászólására (») Márc 17, 2011 /
 
Ezt még mindig nem értem...
Elvileg ott max. 22,5V lehetne...vagy inkább kevesebb a 22ohm miatt...

Üdv
Inhouse

pc táp.jpg
    
(#) erbe válasza Inhouse hozzászólására (») Márc 17, 2011 /
 
Vegyél elő egy ősrégi mutatós műszert és mérj azzal!
Önrezgő módban nagyon szűk tűimpulzusok vannak. Ha a 494-es tápkondija kissé száraz, digitális műszer bármit mérhet ott. Forrassz be az elkó mellé 100 nF-os kerámia vagy valami komolyabb fóliásat! A 494 max. tápfeszültsége adatlap szerint 41 V. Hogy a 22,5-öt honnan vetted...?
(#) KTobi válasza Inhouse hozzászólására (») Márc 17, 2011 /
 
A kapcsolóüzem megzavarhassa a digitális multimétert. De lehetséges magas feszültség, mivel ez előtt nincs szabályzás. Ha mindig ilyen nagy a kimenő feszültség, ajánlom egy alsó ellenállással állíts be feszültségosztót, hogy ne mehessen nagyon fel a feszültség, vagy egy zennerdiódát tegyél be.
(#) Inhouse válasza erbe hozzászólására (») Márc 17, 2011 /
 
Ezen már túl vagyok, a mutatós is ugyanannyit mér, enélkül nem is írtam volna.
Nem önrezgő módban van, ilyenkor már a TL494 dolgoztatja őket.
A TL494 max tápfeszültsége 40-42V, ezért csodálkoztam, hogy rövid ideig kibírta az 56V-ot (közben az eredeti 7500 meghalt), és a másikban a 44V-ot órákig.
A 22,5V abból adódik, hogy adott volt a 23,2V a kimeneten és innen egy soros diódán és 22ohm-on keresztül kapja az IC a tápot, 23,2-0,7=22,5V.
Kaptak 2W-os soros párszáz ohmokat, a tekercs sorbakötés nélküli, középkivezetés elvágós, graetzes is működik.

Üdv
Inhouse
(#) Inhouse válasza KTobi hozzászólására (») Márc 17, 2011 /
 
Analóggal is mértem, egyezett.
Kapott ellenállást, 24-28V között állt be a 2 félében.
Minden működik, csak a válogatott adapterdugós kábel nem akart meglenni a másodikhoz így 11 óra tájban este...

Üdv
Inhouse
(#) erbe válasza Inhouse hozzászólására (») Márc 17, 2011 /
 
A megemelt kimenet miatt érthető a feszültségnövekedés.
Ha megnézed a rajzot, a TL494-hez a dióda a fojtó előtt veszi a tápot. Ez nem egyezik a fojtó utáni szabályozott feszültséggel. Még komoly csúcsok lehetnek rajta. A 494 komoly vezérlőáramokat nyom a meghajtó tranzisztoroknak erről a tápfeszről. Óvatosan a párszáz Ohm-okkal. Inkább az elkót cseréld, az gyanús.
A túl nagy ellenállásokkal az lesz a gond, hogy terhelés nélkül, kis terheléssel meglesz a kívánt feszültség, majd nagyobb terhelésnél "elfogy a táp" és nem tudja telítésbe vinni a tranzisztorokat, azok meg szépen megsülnek.
(#) Sendi hozzászólása Márc 18, 2011 /
 
Jó reggel.
Kicsit eltérő, de témába vágó kérdésem van.
Adott egy kis ferritmagos trafó. Miként befolyásolja a tekercsek mérhető induktivitását, ha a trafó egyik tekercse erősen menetzárlatos? (a hibás, és az ép tekercsét?) Másik kérdésem: Az itt (korábban) említett módon, mikrosütős melegítéssel, (kb.60-70 fokra)melegítéssel szétszedett trafómag tulajdonságai, megváltoznak e jelentősen a melegítés hatására?
Köszönettel.
(#) Inhouse válasza erbe hozzászólására (») Márc 18, 2011 /
 
Igen, a fojtó előttről megy, ezen agyaltam én is...
Kössz az infót!
26-28V maradt így is a két változatnál, 2,5A-el terhelve (a csúcs 3A helyett), nem változott az IC tápfesze pár tizedvoltnál többet...
Ma lesz egy próba, majd figyelem.
Akik eddig emelt feszre alakítottak PC tápot, mindenki ATX-el csinálta és a segédtápról járatta? Vagy miért nem jött elő eddig ez a probléma?

Üdv
Inhouse
(#) roland8lsm hozzászólása Márc 18, 2011 /
 
Sziasztok! Lenne egy olyan problémám, hogy tönkre ment a dell sx280-as pc-m tápegysége. Az új táp beszerzése sokáig tart, arra gondoltam, hogy ideiglenesen egy hagyományos ATX táppal helyettesíteném, csak nem tudom, hogy lehet-e üzemeltetni biztonságosan csak a 12V-os ág használatával. Az eredeti táp 12V-ot és 18A-et tudott.
(Dell DA-2 ADP-220AB B) Előre is köszi.
(#) erbe válasza Inhouse hozzászólására (») Márc 18, 2011 /
 
24 V 3 A még nem terhelés, akkor még nem kell aggódnod.
Miért nem jött elő ez a probléma?
Nem mérték.
Egyébként ahány táp, annyiféle megoldás. Találkoztam már olyannal, ahol stabilizálták a vez. IC feszültségét. De az 56 V annak is sok lenne.
(#) Inhouse válasza erbe hozzászólására (») Márc 18, 2011 /
 
A graetzes változat 5perc után elpukkant, a másik megint lenyomott 8órát. Itthon kiderült, hogy az IC puffere (47µF/50V) szállt el, valószínű ki volt már száradva. Kapott egy fizikailag jóval nagyobb méretű, 47µF/63V-osat és sorosan egy fojtót. Amúgy más nem halt meg, megy.
Kíváncsiságból megnéztem egy átalakítatlan AT-s tápot, terhelés nélkül, amikor a 12V-os ágon 10,5V van, 24,1V-ot kap a TL494!
Holnap lehet, hogy megint szerepet kap a graetzes táp, hátha most már nem hagy cserben...
Találtam még egy külsőre ugyanolyan, sárgacímkés AT tápot, de az belül más. Ebben már benne van a plussz trafó az áramkorlátra, azzal az 1 menettel...

Üdv
Inhouse
(#) Inhouse válasza Inhouse hozzászólására (») Márc 18, 2011 /
 
Off, de ez is a leltár alatt történt...
A második CL1000-es vonalkódolvasó csipogója adta be az unalmast egymás után. USB csatlakozóval vannak szerelve, van pár PS2-es, jóval öregebbek, azokkal nem volt ilyen gond. Egy műanyagházas piezó van bennük, még adatlapja is van fenn. Szét pattintottam (alulról kiöntötték valamivel), mindkettőnek elengedett az egyik belső hozzávezetése, amik vékony lakkozott rézhuzalok.

A másik érdekesség, ezeket az olvasókat hosszabbítva használjuk, 5m-ert, vagy 2x3m-ert még elbírnak. Az egyik hosszabbító csatlakozójánál kontaktos lett. Volt régről 2db 5m-es USB-A dugó-USB-B dugó kábelünk, ami tévesen lett B-s. Gondoltam átalakítom, vettem 98Ft-ért USB-A lengő aljzatokat. Levágás, blankolás és az árnyékolást nem lehet forrasztani...szép fényes, de nem fogja az ón... Aztán megnéztem jobban, 5-6 szál rézszínű, a többi fényes, ezeket különválasztva forraszthatóak. Eddig ilyen sodratot még nem láttam...

Üdv
Inhouse
(#) mugab válasza Sendi hozzászólására (») Márc 19, 2011 /
 
Szerintem az induktivitást nem befolyásolja, viszont a jóságát (Q) csökkenti a tekercsnek.
Általában nem ajánlatos használni mert egyrészt rontja a hatásfokot másrészt ezt úgy teszi hogy a veszteség hőben jelentkezik...
A másik kérdésedre a válasz: én úgy tudom hogy a vasmagok (ferritek) indukciós tulajdonsága romlik a hő hatására 10-20%-ot.
(#) szucsip hozzászólása Márc 19, 2011 /
 
Üdv mindenki!

Azt szeretném kérdezni, hogy a TL494 -es IC-nek a hibajel-erősítői minimum mekkora bemeneti impedanciával rendelkeznek? Kár tud tenni az eszközben az, ha nem kap tápfeszültséget, de az egyik hibajel-erősítő bemenete egy -mondjuk 10k ellenálláson keresztül- kb 7V-ot kap, a másik bemenete pedig a referenciára van kötve (szintén ellenálláson keresztül)?

Valamint akkor mennyire lesz baja, ha GND-hez képest a másik hibajel-erősítő bemenetei (mind a kettő) feszültséget kap?

És mégvalami: Lehet-e azokat a hibajel-erősítőket némi pozitív visszacsatolással ellátni (az egyiket, a másikat pedig negatívan csatolnám vissza)?

Köszönet a válaszokért.
Következő: »»   63 / 200
Bejelentkezés

Belépés

Hirdetés
XDT.hu
Az oldalon sütiket használunk a helyes működéshez. Bővebb információt az adatvédelmi szabályzatban olvashatsz. Megértettem