Fórum témák
» Több friss téma |
Egyelőre más elfoglaltságom akadt, így csak visszajeleztem, hogy vettem az adást
.Még ma mindenképp szakítok rá 5 percet és az eredményeket tovább adom kiértékelésre
Hát...
14V körül mértem C1-en C2 4V körül. Viszont az egyenirányító híd elszállt. A mérőcsúccsal véletlenül összezártam egy pillanatra a váltó bemenet és a +kimenet kivezetését, berregett egyet, aztán kikapcsolt az egész... Ennyitől tönkre mehet vagy akkor ő volt a hibás és ez volt az utolsó lökés? Nincs itthon másik híd, nem tudom kipróbálni sajnos.
Hello!
A félvezetőnek a zárlat olyan, mint amikor a szemedbe nyúlnak. Te meddig bírod?.. üdv! proli007
Persze, ezt értem, csak se füst, se pukk.
Mindegy, jelenleg próbálgatni sem tudok, marad a jövőhét. Azért köszönöm az eddigi segítséget.
Szia!
Cseréltem diódahidat. Utána vettem észre, hogy a primer biztosíték is kiment a legutóbbi akció során, ezt is cseréltem. Próba: a táp működik, de visszatértünk a kiinduló hibához, feszültségek változatlanok. D2 dióda csere, eredmény semmi. Eddig ezek lettek cserélve: D1-, D2 dióda, diódahíd, C1 kondi. Lehet jobban járok ha szisztematikusan kicserélgetem az alkatrészeket, addig, amíg működőképes nem lesz?
A középkivezetés lemérésénél megint van egy anomália...
A multiméter COM vezetékét rákötöm a középkivezetésre 0V-ot mutat, oké. Bekapcsolom a tápot és a 0-ról felmegy 4,1 V-ra úgy, hogy a multi másik vezetékét még sehova sem kötöttem! Ha megfogom a piros mérőcsúcsot, akkor meg 20-25V-ot mutat. Lemértem más trafót, normális értékeket ad váltófesz. mérésnél. Szóval végképp nem értem... Egyébként TP1-TP2: ~13V TP3-TP2: ~13V
Hello!
"Valamivel terheld is meg, hogy a mérés igaz legyen. " Mint ha ezt írtam volna.. Egyébként teljesen természetes dolog. A trafó a hálózattal kapcitív csatolásban van, a műszer belső ellenállása hatalmas, tehát a zsinór mindent összeszed.. (Én trafót, hálózatot mindig analóg műszerrel mérek) "Próba: a táp működik, de visszatértünk a kiinduló hibához, feszültségek változatlanok." A kiindulás az volt, hogy nem működik.. A javaslatom pedig az, hogy mérni kell.. Most meg azt sem lehet tudni, meg van-e már a + tápfeszültség, vagy sem, működik-e valami vagy sem.. Kissé szétszórtnak talállak. Vagy tévednék? :no: üdv! proli007
Hát.. lehet.
Azt, hogy "működik" úgy értettem, hogy van rajta feszültség. Mert, mint mondtam a legutóbbi elbénázott mérés során leállt az egész (utóbb kiderült a biztosítékot kicsaptam). 120 Ohm-mal terheltem le, a mért értékek jószerivel hibahatáron belül változnak csak. Nem küldök új eredményeket, mert a legutóbb küldött rajzon jelölt értékek nem változtak, csupán 1-2 tized V-ot. C1: 10,7V C2: 3,6V
Hello!
Nem is tudom mit írjak. - Úgy tűnik, már a C1 feszültsége sem jó. A D1 a C1-el, egy egyutas egyenirányító kapcsolást alkot. A C1-en csak akkor lehet 10Vdc (12V váltó mellett), ha "agyon van terhelve". De akkor meg valaminek "füstölni" kellene. - A negatív táp fogyasztása nem több, mint 10..20mA. Ez a C1 kondiban 0,3V búgófeszültséget okozna, és a feszültségesés (mért DC átlagfeszültsége) nem lehetne 10,7V. Annak illene közel csúcsra töltődni, mint ahogy C2-enk is. Vagy nincs meg valamelyik kondi kapacitása. - De ha van másik tápod, vagy csak egy 9V-os elemed, akkor tápláld meg a C2-őt vele. Nézd meg működik-e a táp így és mérd meg mekkora áram kell a "pót tápból" (elemből) Ennyi balgaságot csak valami triviális hiba tud okozni.. üdv! proli007
Az utolsó mondatodon gondolkodtam délelőtt...
Leírtad múltkor, hogy kb. hogy működik a kapcsolás ezen része, cseréltem minden alkatrészt, ami a hibát okozhatja, de semmi. Szóval biztosan elsiklottam valami felett és jóval egyszerűbb hiba lesz. Valami valahol összeér, vagy megrepedt egy forrasztás egy átkötésnél, bármi. Nem tudom számít-e bármit, de a potik egy 6 pólusú csatlakozón vannak. Kimértem, nincs szakadás, se kontakt hiba, semmi. Viszont ha lehúzom a csatlakozót, tehát kiveszem a potikat az áramkörből, akkor a kimenő fesz. 0,6V-ról 1,1V-ra ugrik.
9V-os elemmel próbálkoztam.
Rákötöttem a C2 lábaira és láss csodát, a kimeneten megjelent 26V... Tehát akkor? Mi a diagnózis?
Hello!
Nincs negatív táp! Ez komoly feladat, két dióda - két kondi - két tekercs.. üdv! proli007
Sziasztok, a TR-9253 típusú labortápegységemben elromlott az elektronikus automata biztosítóm. Tehát az a jelenség, hogy ha feszültséget állítom be a kimenetre, egyből leold. Az, az rövid zárt jelez. Ha resetelem, akkor ismét jó de csak akkor, ha a kimenetre nincs feszültség állítva. (Már 0,1 V esetén is rövid zárt ír.) Mellékelek kapcsolási rajzot! Szét szedés után nem találtam, egy vezetékes se ami rövidzárlatot okozna.
Sziasztok.
Hozzám került egy om szöv oe 71 tápegység, de sajnos nem élet képes állapotban. Az a hibája hogy a kimenetén meg jelenik a táp feszültség ami 40V, bár milyen kezelő szervre nem reagál. Tudnátok segíteni hogy merre induljak el a javítással? Köszönöm előre is!
Hello!
Elsőként a rajzát lenne érdemes megkeresni, másrészt a végtranyó esetleges zárlatát ellenőrizni, kollektor-emitter között. üdv! proli007
Sziasztok! Egy labor tápegység javításához kérném a segítő tanácsaitokat. Sok sok évvel ezelőtt egy elektromérnök barátom épített nekem egy labortápegységet (0-32V és 0-2A) bár én nem vagyok szakmabeli és sokat nem is konyítok hozzá a tápot mégis sokat használtam. Leginkább a fiam elektromos játékainak teszteléséhez javításához és akkuk töltéséhez. Pár hónapja viszont elromlott
Az építője sajnos már nincs közöttünk én pedig hiába próbálkoztam a hibát megtalálni nem sikerült. Ekkor elvittem egy TV, rádió műszerész barátomnak, hogy segítsen és javítsa meg de sajnos ő sem találja a hibát. A hibajelenség abban nyilvánul meg, hogy a kimenő feszültséget csak 21 és 24 volt között lehet szabályozni! A barátom már kicserélte benne a két IC-t és kimért minden mérhető alkatrészt és mindent jónak talált de hiába a táp nagyon makacs és nem müxik. A tápról van rajzom is azt mellékelem és kérem akinek van használható ötlete az ossza meg velem hátha beválik valamelyik!
Hello!
- Elsőként mérd meg a tápfeszültségeket, a "0V" (táp kimenti negatív) pontjához képest. - Majd mérd meg a +-12V segédtáp feszültségét, a táp + kimeneti pontjához képest. - Ha ez rendben van, vedd ki a T2-T3-T6 tranyókat, hogy ne szóljanak bele a működésbe. - Majd mérd meg a 723 lábain mérhető feszültségeket. - Majd állítsd be a P1 potit úgy hogy a "0V" kimeneti ponthoz képest a 723 5. lábán 0V feszültség legyen mérhető. üdv! proli007
Üdv mindenkinek,
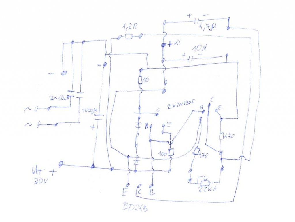
a képen látható egy -talán- rádiótechnikás fesz.szabályzó labortáphoz, kapcsolásom nincs róla. Nagyobb trafóval láttam el, ami lazán tud 30V/5A-t, csak a kapcsolás szabályoz le 1,5A-nél. Hogyan lehetne az áramkorlátozását, ami 1,5A-nél lép be kitolni 5A-ig? Nem egy bonyolult szerkezet, de ha kell, lerajzolom. ![]() Ha van egy egyszerű fesszabályzós kapcsolás 0-30V, 5A, az is jöhet, de első körben egyszerűbb ezt tuningolni. Balról jobbra: 2n2905, bc 300 Munkatranyó: bd249 D: 1n4148 Köszönöm előre is!
Enyhe túlzás ezt labortápnak nevezni...
Az alkatrészekből egy rövidzár ellen védett, zener diódával beállítható kimenőfeszültségű egyszerű táp következik. Adott esetben persze tudhat 5A-t is - mondjuk 40V bemenő és 30V kimenőfesznél - de a disszipáció 50W-nál nem lehet több ezzel a bordával és 1db teljesítmény tranzisztorral. Az áramhatárolást az 1,2 ohm-mal lehet beállítani. Szabályozhatóra átalakítva sem alkalmas labortápnak. Keress vissza, több jó kapcsolás is fel van téve.
Tudtam, úgy tudtam, hogy cikizni fogja valaki, meg a hűtést is felhozza
, node fém sasszin van eleve+ventillátort is applikálok bele. A kollektor soros ellenállását próbáltam módosítani(0,33-al), de lényegi eredményt nem hozott. Oké, nem labortáp, csak egy állítható feszültségű fesz.forrás, de az nekem bőven elég.
Nekem gondom akadt egy TR9120-as labortáppal.
A túláram védő része csak részben működik (már ha működik, mert néha nem akar menni) ill van benne 1 ellenállás amit nem tudok beazonosítani, mert az eddig talált rajzok egyike se az a verzió ami nekem van. A képeken bekereteztem azt a részt. A harmadik képen van az ellenállás ami nincs a rajzon a tranzisztorral.
A képen az a legnagyobb ellenállás, ezért gondoltam: csak az lehet az áramfigyelő (kb. 1,5A-re jónak is tűnik az érték). De azt írod: a kollektorral sorosan van...
Muszáj lesz lerajzolnod, hogy megértsük a működését.
Hello!
Én sem tudom, de talán keresd ki, hova kapcsolódik a tranyó és az ellenállás lábai az áramkörben, akkor lehet okosabb leszel tőle.. üdv! proli007
Szép jó estét Uraim
Gondom akadt, kérem segítsenek. Megépítettem ezt labortáp LM324-el v2.7.1 a kapcsolást azzal a változtatással, hogy a BC337 helyett BC546 és a BD244 helyett BC640 ill. a 2N3055-ök helyett egy db MJ11032 használok. A probléma az, hogy kis idővel a bekapcsolás után a kimenő feszültség, függetlenül a beállított értéktől, a bemenő fesz.-re ugrik. (ha a meghajtó fokozatot kikötöm akkor minden rendben természetesen ekkor nem lehet elérni a tervezett kimenő fesz._t )
A -5V megvan? Ha nincs akkor az a baja.
Most már megvan a -5V, tranyók, IC kicserélve sajna nem gyógyult meg, a tünet ua. kis ideig normálisan működik utána a kimenő fesz. kiakad kb 30V-ra.
DC-off kapcsoló működik? IC-k tápja jó? Világít valamelyik LED?
Köszönöm a segítséget, meglett a bűnös, a fesz. szabályozó potméter volt a ludas.
Sziasztok,
Keresem a Conrad / Voltcraft PS-302A labortáp rajzár. Köszi. Tóni
Kedves Sebi!
S ím, már el is készült. Előre elnézést, ez egy skicc beültetési, nem kapcsolási rajz. |
Bejelentkezés
Hirdetés |




.


Az építője sajnos már nincs közöttünk én pedig hiába próbálkoztam a hibát megtalálni nem sikerült. Ekkor elvittem egy TV, rádió műszerész barátomnak, hogy segítsen és javítsa meg de sajnos ő sem találja a hibát. A hibajelenség abban nyilvánul meg, hogy a kimenő feszültséget csak 21 és 24 volt között lehet szabályozni! A barátom már kicserélte benne a két IC-t és kimért minden mérhető alkatrészt és mindent jónak talált de hiába a táp nagyon makacs és nem müxik. A tápról van rajzom is azt mellékelem és kérem akinek van használható ötlete az ossza meg velem hátha beválik valamelyik! 


, node fém sasszin van eleve+ventillátort is applikálok bele. A kollektor soros ellenállását próbáltam módosítani(0,33-al), de lényegi eredményt nem hozott. Oké, nem labortáp, csak egy állítható feszültségű fesz.forrás, de az nekem bőven elég. 







