Fórum témák

» Több friss téma
Fórum » VF3 - 6 végerősítő
 
Témaindító: isamisa, idő: Nov 20, 2006
Lapozás: OK   46 / 74
(#) Lászlógyerek hozzászólása Márc 17, 2011 /
 
Szevasztok!

Látom sokan vagytok, valaki válaszolna egy kérdésemre, amely így hangzik:
Mi lenne, ha TL 081-es FET-es Műveleti erősítővel építemém meg a VF 3-at?
Szerintetek jó ötlet, szerintem sokat tud az IC, nomeg csak az van itthon....
(#) punkkazy válasza PiperR hozzászólására (») Márc 17, 2011 /
 
Ha 100mA volt a nyugalmi áram, akkor nem kellett volna neki recsegnie. Ott akkor más baj van. A gond az, hogy 100mA környékén a trimer nagyon kicsi tekerése nagyon nagy mértékű nyugalmi áram változást okoz (ezét lenne szerintem tanácsosabb kisebb ellenállásút berakni a 47kohm helyett).
(#) punkkazy válasza Lászlógyerek hozzászólására (») Márc 17, 2011 /
 
Nekem TL071-el futnak. A VF6 is, de volt benne TL081 is. Mind1, a lényeg, hogy kompatibilis legyen a lábkiosztás (működés szempontjából indifferens).
(#) szamóca válasza Lászlógyerek hozzászólására (») Márc 17, 2011 /
 
Sokan cserélgetik a ME-ket, és mindel más eredményt kaptak.
(#) CIROKL válasza PiperR hozzászólására (») Márc 17, 2011 /
 
Majdnem jó , csak a trimert nem kellett volna tekerni már .
A javaslatom az hogy mindent vegyél ki a panelből ez sajnos igy el szált szépen , a FET -ek szinte biztos , talán az ÍC -is de javaslom a tápegység ellenőrzését is , a panel nélkül .
Legközelebb ha teheted akkor labortápról éleszd a VF erősítőt .
(#) Lászlógyerek válasza punkkazy hozzászólására (») Márc 17, 2011 /
 
Köszi mindenkinek!
(#) PiperR válasza punkkazy hozzászólására (») Márc 17, 2011 /
 
Akkor az volt a gond hogy csak úgy tekertem, és szépen felszökött a nyugalmi áram. Legközelebb körültekintőbb leszek, akkor a fetek kukák fahin, még jóhogy van tartalék. A másik: 2 panelom van mivel sztereóba szeretném megépíteni, csakhogy hiányzik a másikból az a 47pF kondi, van viszont 33-as az jólesz helyette?
Köszönöm a segítséget!
(#) PiperR válasza CIROKL hozzászólására (») Márc 17, 2011 /
 
Az a biztos ha kicserélem a műv erősítőt is, meg persze a feteket (de azt kimérem azért hátha jó, bár nem valószínű)
Köszi
(#) Geri86 válasza PiperR hozzászólására (») Márc 17, 2011 /
 
A bemenetnél a kondi után kell egy ellenállás, vagyis rajz szerint.
(#) Geri86 válasza punkkazy hozzászólására (») Márc 18, 2011 /
 
Élesztésnél mindegy, hogy a trafó primerjéhez kötünk sorosan egy izzót vagy a végfok tápágaikhoz 1-1-et?
(#) Geri86 válasza (Felhasználó 13571) hozzászólására (») Márc 18, 2011 /
 
Akkor inkább érdemes a pufferek utána tenni pozitív és negatív irányból is mondjuk egy 40w-os izzót.
(#) PiperR hozzászólása Márc 18, 2011 /
 
Újabb próba: Összeraktam a másik panelt. Átnéztem rajta mindent, forrasztást, alkatrészeket stb. A táp ágba betettem (mindkettőbe) 10 ohm-os ellenállást (3W-osat). A tápot ellenőriztem megfelelő feszültséget adja. A bemenetet is a földre kötöttem. Bekapcsoltam. Az ellenállások nem melegedtek, semmise melegedett. Megmértem a kimenő (hangszóróhoz) feszültséget és -8,2V-ot mutat , de zárlat nincs. Kicsikét tekergettem a trimmeren jobbra is balra is (nem mertem sokat nehogy úgy járjak mint az előzővel), az ellenálláson 0,3V esik (ha jószámolom kb. 0,8V körül kéne lenni 80mA nyugalmi áram esetén), és nemnagyon változik 1-2 tizedet csak. Valami elszállt? Képek az élesztésről
(#) punkkazy válasza PiperR hozzászólására (») Márc 18, 2011 /
 
Üdv!
Ez szerintem azért van, mert az IRF540 nyitva van valamiért. Körülötte ellenőrizd a forrasztásokat. Esetleg a műv. erősítőnél is lehet gond, pl. ha a bemenetére valahogyan egyenáram kerül.

A képeken nem igazán tudom kivenni, de ott vannak a diódák a FET-eken?
(#) PiperR válasza punkkazy hozzászólására (») Márc 18, 2011 /
 
Igen ott van mindkét fet-en, ragasztva ahogy kell. A bemenet földön van. De akkor egyik fet se ment tönkre? A műv. erősítőnél tudok valahogy ellenőrizni? Mit vizsgáljak meg?
(#) punkkazy válasza PiperR hozzászólására (») Márc 18, 2011 /
 
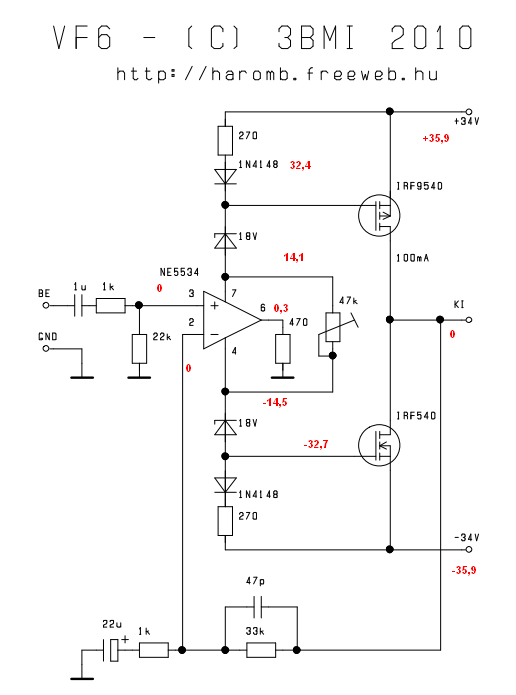
A multidat feszültség mérés állásba kapcsolod, a fekete vezetékét a GND-hez kapcsolod, a piros vezetékével pedig minden vezetősávon feszültséget mérsz. A kapott értékeket odaírod paintben a kapcsolási rajzon a megfelelő helyekre (oda, amin méred a feszültséget pl. IC2-es lába stb). Aztán ezt feltöltöd nekünk, és sokkal többet tudunk így tenni, sőt, lehet hogy magad is rájössz a hibára.
Az IC-nek a táplábain (adatlapon szerepel minden alkatrész lábkiosztás, vö. (Bővebben: Link) ugyanakkora, de ellentétes polaritású fesznek kell lenni, az IC bemeneti lábán nem szabad egyenáramnak lennie stb-stb. Ha leméred, akkor már látszódni fog, hogy hol a gond.
(#) PiperR válasza punkkazy hozzászólására (») Márc 18, 2011 /
 
Lemértem a feszültségeket.
(#) punkkazy válasza PiperR hozzászólására (») Márc 18, 2011 /
 
Egy gondot már látok is: az IC 3-as lábán -3,3V-van, ami azt jelenti, hogy egyenáram kerül oda, amit az IC felerősítve átküld a FET-nek, az meg a kimenetre pakolja. Szóval ezért van -8V a kimeneten.
Ha van másik IC-d, akkor megpróbálhatod kicserélni, hátha hibás. Amint látod, a 3-asl lábra a 10µF-os bemeneti csatoló és egy 22kohmos ellenállás kapcsolódik a GND-re. Ezek alapján, nem lenne szabad ott -3.3V-nak lenni! Nézd meg, nem fojt-e ón az IC 3-as 4-es lába a közé! Ellenőrizz minden vezetősávot a multiméter sípoló funkciójával (hogy épségben vannak-e, illetve nincs-e zárlat közöttük)!
(#) punkkazy válasza PiperR hozzászólására (») Márc 18, 2011 /
 
Lemértem az enyémen a feszültségeket, valami hasonlót kéne neked is kapnod! Ha nem lenne ott az IC-d bemenetén az egyenáram, akkor nem lenne gondod szerintem. Ott kell keresni a bajt!

vf61.png
    
(#) PiperR válasza punkkazy hozzászólására (») Márc 18, 2011 /
 
Cseréltem műv ic-t, de ugyan az a hiba illetve a kimeneten most már "csak" -7.8v van. Ellenőriztem a 3, és 4-es lábat, az egyik írányba vezet (dióda állásba 1030-at mutat, ha a piros mérő vezeték a 4-es lábon van)
(#) punkkazy válasza PiperR hozzászólására (») Márc 18, 2011 /
 
Nos, akkor merészebb vizekre evezünk! Vedd ki a műveleti erősítőt és úgy mérj rá a 3-as láb vezetősávjára! Csak óvatosan, minnél gyorsabban, mert megeshet ilyenkor, hogy a két FET nyitva lesz, és akkor max áramot fog húzni!

Ellenőrizd le, hogy rendesen csatlakozik-e a tápegység GND vonalához az erősítő GND-je.
(#) PiperR válasza punkkazy hozzászólására (») Márc 18, 2011 /
 
A bemenetem a földre van kötve? Az jó ugye? Én úgy vettem ki az írásból hogy azt a földre kell kötni, élesztéskor.
(#) punkkazy válasza PiperR hozzászólására (») Márc 18, 2011 /
 
Igen, jól tudod!
(#) PiperR válasza punkkazy hozzászólására (») Márc 19, 2011 /
 
Bocs, de tegnap már fáradt voltam, ezért már nem próbálkoztam. Kivettem a műv ic-t, bekapcsoltam a fet zárva volt szerencsére (különben a védő ellenállás már elégett volna), úgy mértem rá a 3-as vezető sávra, és 0V-ot mutat a műszerem.
(#) punkkazy válasza PiperR hozzászólására (») Márc 19, 2011 /
 
Nos, akkor végképp nem értem, mert IC-t cseréltél, szóval annak jónak kéne lenni.
Milyen IC-t használsz? Ha jól emlékezek, nekem volt gondom az NE5534-el. Lehet, hogy valami ócska gyártmány és azért? Nekem TL071-el megy minden VF szériás erősítő. Ha van valami más típusod azzal is kipróbálhatnád.
Illetve szerintem kivett IC-vel is mérj feszültségeket és jegyezd fel! Hátha látok/tunk valami nem odaillőt.

Most még az jut eszembe, hogy talán fordítva raktad be az IC-t. Én csináltam már olyat .
(#) PiperR válasza punkkazy hozzászólására (») Márc 19, 2011 /
 
Igen NE5534-est tettem bele (texas instrument), de eleve nemjó? Ráadásul a másodikse? Akkor más gyártmánnyal próbalkozzak? Mindjárt mérek feszkókat kivett ic-nél.
(#) punkkazy válasza PiperR hozzászólására (») Márc 19, 2011 /
 
Hát igazából csak találgatok, mert egyenlőre fogalmam sincs. Talán okosabbak leszünk a feszültség mérések után. Megnézted, hogy nem raktad-e be fordítva az IC-t?
(#) PiperR válasza punkkazy hozzászólására (») Márc 19, 2011 /
 
Megmértem a feszkókat:
4-es láb: -16.3V
7: 16.1V
2: -0.03V
A többin 0V-ot mutat a műszer. Az ic-t szerintem jóltettem be, Az egyik sarkába van az a pötty vagy mi, az az 1. láb (érdekes hogy a felirat meg fejjel lefelé van rajta).
(#) pixels válasza PiperR hozzászólására (») Márc 19, 2011 /
 
A 10µF elektrolit kondenzátort tantál vagy fólia kondenzátorra cserélése még lehet megoldja a problémát, nekem az elektrolit minden zajt összeszedett, sistergett és torzan szólt (máig sem értem, hogy miért)
(#) PiperR válasza pixels hozzászólására (») Márc 19, 2011 /
 
Nem 10-es van bent hanem 2,2-es! Csak a rajzot nem szerkesztettem át.
(#) punkkazy válasza PiperR hozzászólására (») Márc 19, 2011 /
 
Hát ezek szerint minden rendben a NYÁK-al. Megnéztem az egyik képen, és szerintem is jól van berakva az IC.
Nem akarja megmutatni magát a hiba....
Leellenőrizted már az alkatrészeket? Gondolok itt olyanra, hogy a megfelelő értékű ellenállás van-e mindenhol, illetve kondenzátor? Diódák? Mást már nem tudok, de hát már kb. mindent átnéztél... Ellenőrizd az ellenállásokat! Ha multiméterrel nem megy, akkor a színkódok alapján.

Most vettem észre, hogy a NYÁK-on a bemeneten nincs ott az 1kohmos ellenállás. Azt pótolni kéne, mert így le van a bemeneted húzva földre! Meg kell szakítanod a 10µF-os kondit és a 22kohmos ellenállást összekötő vezetősávot, és egy 1kohmos ellenállással a megszakítást áthidalni. A legkézenfekvőbb, ha állítva forrasztod be az 1kohmot.

Írtam tegnap a földről. Leellenőrizted, hogy a tápegység GND vonalához rendesen csatlakozik az erősítő GND vonala?
Következő: »»   46 / 74
Bejelentkezés

Belépés

Hirdetés
XDT.hu
Az oldalon sütiket használunk a helyes működéshez. Bővebb információt az adatvédelmi szabályzatban olvashatsz. Megértettem