Fórum témák
» Több friss téma |
Mielőtt kérdezel, a következő két dolgot ellenőrizd!
I. A helyes tápfeszültségek megléte.
II. A kimeneten van-e egyenfeszültség.
Élesztés.
Lehet. Az akkut megnézted nem e zárlatos?
Való igaz. De nekem otthon van egy Quad405-öm agyontuningolva, meg egy TDA2030-as hídüzemű végfok, ami kb. 2 x 100Wattos. Meg most jön a kis utód, aztán a hangoskodást valahogy mellőzni kell.
Tudna esetleg valaki ajánlani nekem mindenki által hozzá férhető nagyon jó minőségű kondenzátort a lentebb említett probléma megoldásaként.
Sajnos igen, mert 5 vagy 3,3 helyett tizen valahány voltot kap. Ezt nem minden alkatrész tolerálja főképpen a digit panelen...
A végtranyók helyére darlingtont raktam, tinában leszimuláltam és a visszacsatolást le kellett venni 15k-ra meg a poti mögé kellet 1k-s ellenállás és a kimeneten tiszta sinus volt. Valószínű ezt fogom megépíteni BD137/136 + TIP142/147el. Esetleg nyákrajzod nincs hozzá véletlenül? +-37V ról kb mekkora teljesítményt adhat le 4 ohmra?
Ó Ni-nek lovagja! Kerítünk neked egy rekettyés erősítő rajzot!
"de szép legyen ám, és ne túl drága."
Ájjájáj.A akku nem zárlatos kivettem megmértem viszont nem töltött.Ezért külső tápról adtam neki 6V-ot és szépen fel vette az áramot.Szóval az akku jó.
DEDEDE? A fesz. stabilizáló panelon 5!! kis tranyó is szakadt.Az mitől lehet?A nagyobb bordára szerelt darabok azok jk de a kicsikből szinte az összes szakadt.Kb van 8 kis tranyó rajza abból 5 kuka.Mitől szoktam a tranyók megszakadni?ÉS nagy valószínűséggel mivel a + és a -12 a +10v és a +5,6V hiányzott nem csoda hogy nem indult. Holnap megyek és veszek 5 új tranyót.De ezekre az van írva hogy A144 meg C144.Ilyen néven is kapok vagy keressek nekik valami helyettes darabot.? bocs a helyesírási hibákért
2SA és 2SC szerintem. Úgy kérd a boltba.
Oké köszi.És a C114 re mit kérjek?
Esetleg atranyó szakadásra nincs valami ötlet?Szerintem túlfesztől meg túláramtól zárlatos szokott lenni.De ezek mint szakadtak.
Akkor a 2S-t tegyem elé.
2SA144 2SC144 2SC114.
Azért a tranyókra menő diódákat ellenállásokat is mérd ki mert azok is okozhatják a galibát, a biztonság kedvéért azért vegyél vagy 2 garnitúra tranyót.
Úgy van hogy van a 2x17,9V az van egy diódahiddal egyirányítva meg pufferelve ez megy a panelba és ott vannak atranyók meg zenerek és azok vágják meg +-12 +10 és +5,6V-ra.
Élesztéskor meg lesz 100Wos izzó a primebe.
Meg ha ezzel meg is leszek akkor még marad a 6,2V-os zener melegedése ami csak akkor melegszik ha a 4,7 ohm-os R777 ellenállás benn van.Bár ez az ellenállás jobban hasonlít egy kerámia kondira mint ellenállásra.Még sose láttam ilyet.Sötét barna méretre mint egy 250-300V körüli varisztor.
Olyan tranyókat szinte biztos,hogy nem fogsz kapni.Keress helyettesítőket..pl:itt
Ojajj.Visont ezeknek a tokozása ilyen kis lapos téglalap.De minden oldala viszonlag sík.Vagy elviszem az eladónak megmutatom hogy ilyen és akkor majd kitalálunk valamit.De ahogy nézem ezek 50V ot és 200mA-t tudnak.ÉS gondolom az A meg a C jelölés a P meg az N csatornát jelenti.
Esetlg mi az a BC szériából amit használhatok ide?
Tovább itt kérdezz a tranyókról mert le leszünk csapva.
Szia! Kézzel rajzoltam a nyákot, nagyjából Így néz ki.. A következő már vasalós lesz, azt szívesen elküldöm ha elkészül. Még egy áramkorlátozót kéne kieszelnem hozzá
Itt olvashatsz a kapcsolásról. A +/- 37V 4ohm-on 100W felett fog teljesíteni. Ha darlingtont használsz, akkor csak a nyugalmi áram beállító tranyónál előnyös a BD137, ami a bordára kerül és véd a hőmegfutás ellen, a másik kettő lehet egyszerűbb típus is.
Nálam STR-DE 235, a végfok miatt kell hűtenem. Levettem a burkolatot, ebben is van pár meleg alkatrész, de tapintva még elviselhető.
Köszi! Akkor áttérek a texas-os topikba.
sziasztok!! sima tápegységgel hogy lehet megoldani az erősítő meghajtását h ne legyen benne zaj?
Ne engedj a sötét erő csábításának lúúúk! Ezt az erősítőt is össze fogom tudni pofozni annyira, hogy szóljon akkorát.
Fentebb írtam pár dolgot az erőlködőmről. Vetnél rá egy pillantást, ha megkérlek?
A másik dolog. 4Ohm terhelés mellett 7V effektív feszültség volt mérhető az erősítő kimenetén, látható torzítás nélkül. Ezt 50Hz-en, 400Hz-en, 1KHz-en néztem. Ez mekkora teljesítmény is? Feltételezem az U * I itt nem igazán játszik, pláne nem effektív feszültségnél.
Ennyit sikerült kisajtolnom belőle ezzel a beállítással, 2 x 16,5V-ról. Ez még kevéske. Ennél többet is tud szerintem, csak más tranyók kellenének, esetleg megoldom hasonlóan a végtranyókat mint a texasnál, és 2 x 26V-ról fogom meghajtani. (2 x 20V-ot ad a trafóm)
Viszont jobban belegondolva a dologba: Pár alkatrésszel, nagyon kicsi méretben sikerült erősítőt készítenem, ami még jól is szól. Idézet: „...esetleg megoldom hasonlóan a végtranyókat mint a texasnál...” Akkor miert nem egybol a Texas erositot epited meg?
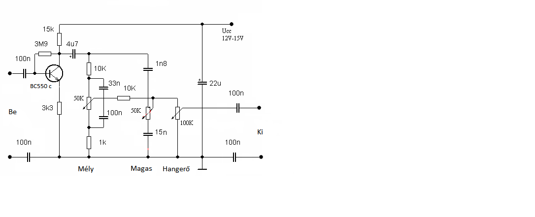
Hali.
Megépítettem a mellékelt 1 tranyós előfokozatot. Működni működik csak az a gond vele, hogy ha összekötöm a végfokkal akkor búg vagyis mintha brummos lenne az egész. Táp rendesen megszűrve (4x10000uF).
Szia!
Tégy be egy szűrőellenállást a tápágba.
Mert saját tervezésű erősítővel akarok büszkélkedni. Ugyanúgy mint a programok terén is mindig sajátot akarok.
|
Bejelentkezés
Hirdetés |











