Fórum témák
» Több friss téma |
Mielőtt kérdezel, a következő két dolgot ellenőrizd!
I. A helyes tápfeszültségek megléte.
II. A kimeneten van-e egyenfeszültség.
Élesztés.
Ha az én kapcsolásom működik, akkor ez is fog, de szerintem az első IC fölösleges. Szerintem egy nagyon jó erősítőt fogunk itt összehozni.
Megnéztem az amit mondasz 7805 ami jobban melegszik a másikat nem látom mert eltakarja a kondi.Bocs élesebb képet nem tudtam.
Ha leveszem a szemüvegem, és is így látok Rakj egy nagyobb hűtőt arra a melegedő alkatrészre, aztán felejtsd el.
Igen az egy 7805 a másik meg a BA033T (3,3V-os stab.ic.) nagyobb bordát neki és sosem lesz tőbbé forró...
Itt egy élesebb kép. Egyébként ha nem csinálok semmit tönkre fog menni vagy ezek bírják?
Udv!
Nem lenne mukodokepes mert a zenerek ele kell 1-1 soros ellenallas a tapagakba! Nehany mas eszrevetel: 1. Az elso muveleti erositore nincs szukseg. Nem tudom miert szeretnel mindenkepp fazisfordito erositot kesziteni, de ha nem muszaj akkor ne keszits ilyet. Igy akkor a bemeno impedanciat is sokkal kenyelmesebben be tudod allitani a muveleti erosito nem-invertalo bemeneten. 2. A 4.7k-s bemeno ellenallassal sorban levo 680nF erteke keves, magasan van a toresponti freki! De ez nem annyira erdekes ha figyelembe veszed az elozo pontot, azaz az elso muveleti erositore nincs szukseg. 3. Sima darlington kimenofokozattal teljesen felesleges a nagyobb tapfeszultseg, hisz az erosito max. kimenofeszultseget a muveleti erosito max. kimenofeszultsege fogja meghatarozni. A darlington fokozat feszultseget _nem_ erosit, csak aramot! Persze ha nagyon szőrszálat akarunk hasogatni akkor lehet nagyobb tapfeszt is adni az erositore, megvan annak is az elonye, de ilyen erositonel ez nem igazan lenyeges. 4. A C4 feleslegesen nagy erteku. Persze ez nem befolyasolja negativan az aramkor mukodesu de a visszacsatolo agban levo 10k-s ellenallassal sorban elegendo kb. 3.3µF amibol lehet jobb minosegu folia kondit hasznalni.
És még valami, hogy a retekbe férne ott el bármi ami nagyobb?
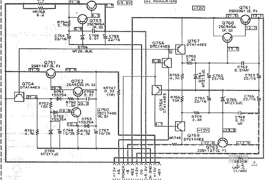
Na megnéztem.Ha a fő panelra ahol vannak az egyenek+pufferek nincs rákötvea végfok meg a 'táp egység" akkor nem esnek a feszültségek.Akkor tárol a kondi.A végfokon a - ágban merül le a főpanelon pedig a B+ nevű csatlakozás merül le.
Csatolom a tápegységnem nevezett részt.A B+ részeket kell figyelni.Ha jól nézem 12V körüli fezsültségek jönnek létre a 21-22Vból.Esetleg mi amire nézzek ráMErt mértem a panelon de nincs zárlat.Viszont a R749 nem ellenállás hanem átkötés.
Elnézést az előbb elfelejettem.VAn a táp részben egy zener ami eddig mindig rázlatos lett.MOst vettem bele erősebbet és most csak melegedett.Aztám méregettem és gyanús lett a R777.De aztán kiderült hogy az 5 ohm az hozzá való.Voszont ha nincs ez a R777 beépítve akkor nem melegedik.
Kollégaúr!
Kérlek ezt szakértsd meg! Fentebb írtam, hogy a diódákat kicseréltem egy DMV56-os dióda "hídra". (Jó, most a pontos megnevezésbe ne menjünk bele.) Az ellenállásokat kicseréltem 150 + 15 Ohm-os ellenállásokra. (165Ohm így egy - egy ágban.) A dióda "híd" közös lába lett az IC-vel közös láb. Tehát a rajz szerinti dióda + ellenállás "kombó" fel lett cserélve. Hangja ettől szebb lett most. Kimeneti offszer -8.8mV. (Ellenállások pontatlansága miatt) 165Ohm-os precíziós ellenállással reményeim szerint ez megoldódik majd. Szerinted ez így mennyire életképes? Hőegyüttfutás talán jobb lett, viszont a diódacsomagot véleményezd kérlek! Meg úgy ámblokk az egészet.
A közelben lévő kondikat cseréld ki főleg a két 16V-os puffert az ic-k kimenetén 105C lov esr-re. Lehet, hogy azért melegszenek ennyire az ic-k, mert száradnak a kondik és az is terhel.
Még egy kérdés ucsó kérdés aztán nem zavarlak többet (egyenlőre) ha valamelyik elszáll vihet magával valami értékesebbet , ill ha kicserélem a kondikat és az ic-ket azzal csinálhatok valami bajt.Mert kicserélni kitudom de mindenfélét méricskélni nem tudok annyira nem vágom.De ha régit ki az ujjat be akkor nincs gond.
Nagyon köszönöm a segítséget.
Szia! Nekem is forró a Sony, dugasztápra kötöttem 8cm ventillátort és rátettem a szellőző nyílásra
Íme pár loopback teszt ismételten. Szintén nem megfelelő hanganyaggal. De a méréseken túlmenően ennél jobbat nem tudok kitalálni már.
Viszont kicsit nagyon összetömörítettem a hanganyagokat. Ez van.
Valószínű azért melegszik mert kicsit túl van terhelve, én átnézném a zéner utáni részeket is tranzisztor, dióda nem e zárlatos.
Ha kicseréled a kondikat ujakra azzal gondot nem tudsz okozni, csak a forrasztásnál figyelj és a polaritásra. Az ic-ket hagyhatod.
Neked mi a véleményed a fentiekről? Loopback teszt és a diódacsomagos dologról.
Sajnos sem a dióda sem a tranyó nem zárlatos.A furcsa az hogy kivettem a R777 és így nem melegszik.MEg van a regulator rész oda megy az egyik lemerülő puffer.A B+-ok.HA jól nézem ez 12V-ot csinál.Viszont ott is méregettem és semmi rendelleneset nem találtam.De mégis leszívja a kondit.MEg avégfok - ágában is lemerül a kondi nagyon hamar.
Meg van egy akku a kapcsolásban ami nem töltődik fel.0,1-2V-ot kap csak pedig egy közel 6V-os akku.
Köszönöm. Most már csak az foglakoztat, hogy mivel a műveleti erősítő kimenete határozza meg a végtranyók kihajtását esetleg nem nem e lehetne még +2 tranyóval jobban kivezérelni a darlingtonokat?
Akkor innentől kezdve már kifogytam az ötletekből, egyik ismerősömnek is volt ilyen problémája és neki zárlat miatt szívta le az egyik puffert.
Ötletes
, bár a damper diódát nem erre a célra találták ki . Esetleg kipróbálhatnád Schottky diódával is, bár mondjuk azon kisebb feszültség esik.
Mindegy köszi az eddigi segítséget.Átnézem mégegyszer a merülő ágakat meg hogy minek kéne töltenie az akkut.
Olyan létezik hogy rossz az akku és az leterheli a dolgokat.
Ha teszel rá mondjuk egy nagyobb erősítésű fokozatot, mint ahogy azt a Texas erősítőben is láthattuk, akkor nagyobb erősítést is ki lehet venni.
Egyébként meg szinte fölösleges megoldás... És miért? 4Ohm-on ekkora feszültség mellett egy közel 15 - 20Wattot ki lehetne hozni belőle. 8Ohm-on hídba kapcsolva 40Wattot. 4Ohm-on hídban (ha bírják a tranyók) akkor egy kb. 80Wattot. Ha jól számoltam a korábban mások által is leírt képletekkel. Ha 2 x 15Wattot ad le kristály tisztán, akkor az több mint elég teljesítmény egy lakásba szerintem.
Az is lehet, hogy az akku zárlatos szerintem nézd meg azt is.
MErt egyszerűen nem tölti.ÉS lehet hogy pont amelegedő zener tölti.6,2V os töltés egy 6V-os akkunak pont megfelel.
Teljesítményből sosem elég
. Ki fogom próbálni a Texasos megoldást is.
Köszönöm hálás vagyok a segítségedért egy kicsit megnyugodtam hogy nem vettem szart.Csak még annyit hogyha isten ne adj elszáll valamelyik ic véleményed szerint okozhat nagyobb bajt vagy csak ö maga hal meg?
MEg nem értek annyire a hifikhez az enyémbe nincs de az akku mit szolgál?A készenléti dolgokat meg ha pillanatnyi áramszünet van akkor a memóriát ne ejtse el?
Értem.Neked is hasonló típus van?Nekem a digital panelon van ez a melegedés neked is? A végfok cuccok nem melegszenek ha nem hajtom,ez digipaneles ez akkor is melegszik ha csak bekapcsolva hagyom és nem szól semmi.
Nem fogsz benne csalódni. Ne5534, BC-k helyén BD139/140, BD249/250 helyén - ahogy pénztárcád engedi - lehet vele hangoskodni :yes: Bővebben: Link
|
Bejelentkezés
Hirdetés |








Viszont kicsit nagyon összetömörítettem a hanganyagokat. Ez van.
. Ki fogom próbálni a Texasos megoldást is.





