Fórum témák

» Több friss téma
Fórum » DC-DC konverter
 
Témaindító: Placi84, idő: Nov 10, 2005
Témakörök:
Lapozás: OK   33 / 133
(#) frissadam válasza lapose hozzászólására (») Márc 15, 2011 /
 
Találtam db242-t. Az jó lenne?
(#) kadarist válasza frissadam hozzászólására (») Márc 15, 2011 /
 
Ez csak 3A-es, de a semminél jobb. Mekkora áramot szeretnél kihozni ebből a kapcsolásból?
(#) frissadam válasza kadarist hozzászólására (») Márc 15, 2011 /
 
5A kellene azért. Én is néztem hogy kicsi lesz. 3A-es stab meg úgy is van tehát nem éri meg.
(#) Ricsi89 válasza frissadam hozzászólására (») Márc 15, 2011 /
 
Azt tudod ugye, hogy ezzel a megoldással kb 60W-ot fogsz elfűteni? Ekkora áramra már jobb lenne valami kapcsolóüzemű átalakító.
(#) proli007 válasza frissadam hozzászólására (») Márc 15, 2011 /
 
Hello!
Jól írtam én, hogy "innentől OFF"! mert ezek a kérdések nem éppen DC/DC konverterek, még ha annak is néznénk. Szerintem máshol a helyük. Egy kis kérés mehetne a kedves Modik felé, hogy helyezzék át..
üdv! proli007
(#) Mary bx hozzászólása Márc 15, 2011 /
 
Sziasztok!
14.4V-rol k.b. 10V-ra szeretném lecsökkenteni a gépkocsi nappali menetfényéhez az izzokhoz/12V55W/jutó feszültséget dc-dc konverterrel.Tud Valaki ehhez kapcsolási rajzot?
(#) proli007 válasza Mary bx hozzászólására (») Márc 15, 2011 /
 
Hello!
Nem lebeszélni akarlak, de nem biztos, hogy túl jó ötlet. Mert a halogén izzók élettartamára nem jó hatással van az alacsony tápfeszültség.
üdv! proli007
(#) Mary bx válasza proli007 hozzászólására (») Márc 15, 2011 /
 
Utánna olvastam igazad van.
(#) frissadam válasza Ricsi89 hozzászólására (») Márc 15, 2011 /
 
Igen tudom. Lenne valami egyszerű kapcsolásod? Mert akkor megcsinálnám azt . Sajnos nekem többre nem futja így "zsebből".
(#) Vape hozzászólása Márc 24, 2011 /
 
Sziasztok!
Szükségem lenne egy SEPIC tápegységre:
tápfesz: 42-64V
Kimeneti max fesz.: 80V
Kimeneti max áram: max. 10A
terhelés, 5,10,15 ohm.
Már a megfelelő IC-(k) megadása is óriási segítség lenne, az áramkört utána összeszedném.
cél: oktatási célra
Előre is köszönöm!
(Esetleg ha valaki tud SEPIC tápokról valami jó tananyagot, azt is szívesen fogadom)
(#) kadarist válasza Vape hozzászólására (») Márc 24, 2011 /
 
Szia!
A SEPIC konverter egy feszültség növelő-csökkentő átalakító, aninél a kimenet polaritása azonos lesz a bemenetével. Egy SEPIC tápegység: SEPIC példa.
(#) Vape válasza kadarist hozzászólására (») Márc 24, 2011 /
 
Köszönöm a gyors választ, ezt megtaláltam csak kellene valami ic, vagy valami infó arról hogy milyen szempontok alapján kellene kiválasztanom.
(#) kadarist válasza Vape hozzászólására (») Márc 24, 2011 /
 
Tíz amperes SEPIC IC nincs. A tervezési példákból kellene kiindulni, mert azokban rengeteg hasznos információ van. De szerintem neked egy egyszerűbb buck-boost konverter is jó lenne, ahhoz több példakapcsolást is találnál..
(#) Vape válasza kadarist hozzászólására (») Márc 24, 2011 /
 
Igen igen, csak....nincs sok választásom... Ez a kötelező feladatom,ezekkel az adatokkal...:$
De köszi az infókat
(#) szepazelet hozzászólása Márc 24, 2011 /
 
Sziasztok!

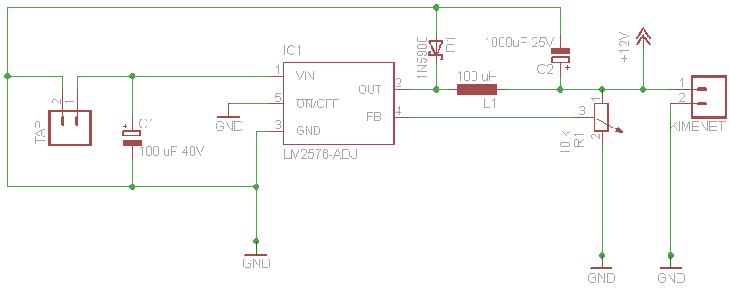
Építettem egy DC-DC konvertert (a Ti segítségetekkel, amit ezúton is köszönök),de kicsit furán viselkedik. A kapcsolási rajzot mellékeltem, bocsánat hogy ilyen nem standard, de első általam készített eagle projektről van szó.

A lényeg az, hogy a kimenőfeszültséget 12 V-ra akartam beállítani, két fix ellenállással most a kimeneten 11,5 V van, az IC 3A-t tud kiadni. Ez idáig rendben is van, a kimenet stabil. A konverterrel 2 db áramgenerátort hajtok meg (Skory-féle, állítható max 1 A-es), amelyek powerledeket üzemeltetnek (1db 5W, és 2 db 2W-os egy-egy áramgenerátoron). Az áramgenerátorok párhuzamosan vannak a tápra kötve, és nagyjából 500-500mA-t vennék ki belőlük; ez az áramérték - mint már említettem - potméterrel állítható. Ha 500-500mA-es állásban hagyom az áramgenerátorokat, és ráadom DC-DC kimenetét, akkor a ledek nem kapnak 500mA-t, éppen csak világítanak! Ellenben ha letekerem a potmétereket az áramgenerátorokon egészen addig, hogy mindegyik led éppen hogy világítson, és utána visszaállítom az eredeti, "nagyáramú" helyzetbe, akkor már megkapják a kívánt áramot.

Az áramgenerátorok külön-külön is tesztelve voltak, teljesen működőképesek, a hiba a konverterrel lehet, de nem tudok rájönni, hogy mi a megoldás...
(Sajnos a tekergetés nem igazán jöhet szóba)

Valami ötlet?
(#) kadarist válasza szepazelet hozzászólására (») Márc 25, 2011 /
 
Szia!
Azt az 1000 µF-os elkót és a 100 µF-os elkót cseréld fel és úgy próbáld.
(#) Inhouse válasza Vape hozzászólására (») Márc 25, 2011 /
 
Nem tudom, hogy létezik-e 800W-os IC, de gyanús...
Az 5ohm terhelés 80V-on 16A-t jelent, az kicsit több a 10A-nél...
800W-nál már kevés az, hogy kell egy IC és összedobom, mondom ezt úgy, hogy én nem csináltam még ilyet, de láttam pár küszködést ebben a témában nálam jóval ügyesebb emberektől...

Üdv
Inhouse
(#) Vape válasza Inhouse hozzászólására (») Márc 25, 2011 /
 
Igen igen, köszönöm az infót, lesz benne áramkorlát is a kimeneten. Jövőhétre lesznek konkrétabb elképzeléseim is. Esetleg kisebb áramra 10A alatt ismer valaki jó IC-t?
(#) Szabadember hozzászólása Ápr 4, 2011 /
 
A Microchip által gyártott csodálatos MCP1640 boost-converterrel akadtam el. Ezt a chipet már sikeresen használtam 3.3V előállítására gombelemről, illetve 1-2 darab ceruza elemről. Az adatlapja alapján képes előállítani stabil 5V is. Az én problémám az lenne, hogy ha megváltoztatom a feszültségosztóban található ellenállások értékét annak érdekében, hogy 5V kapjak 3.3V helyett, akkor a kimeneti fezsültség instabillá válik, sőt el sem éri az 5V, illetve folyamatosan esik az elemek merülésének előrehaladtával. Az adatlap által ígérteket sehol sem teljesíti 5V-re állított kimenet esetén. A gyártóval megpróbáltam felvenni a kapcsolatot, de meg sem nyitották a csatolt doksikat , csak leráztak gyorsan.

Remélem van itt valaki, akinek van tapasztalata az említett chippel. Az áramfelvételem nem túl nagy, az elemből 70-90mA az áramfelvétel. (Az MCP1640 kimenetén akkor nyilván kevesebb áram folyik, de nagyobb fezsültségen. )

Csatoltam a kapcsolási rajzot, illetve oszcilloszkóppal rögzített képeket a táp kimenetéről. A felvételek készítésekor a táp kimenete ki volt egészítve egy 100nF kondival is a kapcsolási rajzon jelölteken felül, de az természetesen nem javított semmit a problémán.

A 3.3V táp teljesen stabil, de arról már nem tudtam képet mellékelni, mert nem lehet többet .
(#) Magashegyi válasza Szabadember hozzászólására (») Ápr 4, 2011 /
 
Hello ezzel az ic-vel nincs tapasztalatom, de szerintem először ki kellene cserélned az induktivitást egy nagyobbra mondjuk 10uH-re, de lehet hogy a 22uH-se lenne sok. A másik amit észre vettem hogy jó zajos a kimenet, ezt 10nF X7R anyagú kondival a ki és bemeneten meg lehet oldani. Ezeket szorosan a tantál elkók mellé kell rakni.
(#) Szabadember válasza Magashegyi hozzászólására (») Ápr 4, 2011 /
 
Hello!
Amit elfelejtettem írni, hogy kétféle induktivitást is próbáltam. Az egyik 4,7 uH 920mA, a másik 10uH 2,1Amper. Az adatlap szerint 15uH-nál nem szabad nagyobbat betenni és nekik állítólag működik 4,7uH-val, úgy hogy csak a 10µF volt a ki és bemeneten.

A 10nF biztosan javítana a zajosságon, de azon segítene szerinted, hogy csak 4,4 voltot ad és pl amikor már csak 1,5volt van a bemeneten leesik 2,6 voltra a kimenet?

Most már csatoltam a 3.3V tápról a méréseket, hogy látni lehessen, hogy az milyen. Na ha az 5V csak ennyit tudna, már meg lennék elégedve. A 3.3V táp ezt 1 darab merült elemmel is ugyanúgy teljesíti, mint 2 darab újjal. A kapcsolási rajzon láthatod, hogy ugyanaz a kapcsolása a kettőnek.
(#) lazsi válasza Szabadember hozzászólására (») Ápr 4, 2011 /
 
Az nem lehetséges, hogy a 12V-os táp okoz problémát az 5V-osnál? Mennyire szeretheti a kapcsitáp, ha egy másik kapcsitáp van a kimenetén?
A 12V-ot nem tudnád szintén a bemeneti 3V-ról meghajtani?
(#) Szabadember válasza lazsi hozzászólására (») Ápr 4, 2011 /
 
Hi!
Na ez égés , rossz kapcsolási rajzot küldtem, mondjuk a különbség minimális, pont ez amit mondasz. A +12V táp is az elemekről kapja direktben a bemenetet.

Na csatoltam a kapcsolási rajzot, ami a ténylegesen megépült kütyüt tükrözi. (Leszámítva, hogy minden táp kimenete kapott a 10µF kívül 100nF kondikat is, de az csak utólagos rákontárkodás )
(#) bundyland hozzászólása Ápr 14, 2011 /
 
Sziasztok !

1 li-ion celláról szeretnék üzemeltetni 3.3v ezközöket (kb500mA) és ehhez kéne nekem valamilyen feszültség szabályzó amit kapni is lehet (buck/boost).
Vagy esetleg más ötlet is jó lehet.
(#) kadarist válasza bundyland hozzászólására (») Ápr 14, 2011 /
 
Szia!
Van itt egy hagyományos kapcsolható stabkocka 3,3V-ra: Bővebben: Link. Vagy kapcsolóüzeműek: Bővebben: Link
(#) bundyland válasza kadarist hozzászólására (») Ápr 14, 2011 /
 
Szerintem ezek közül egyik sem tud mondjuk 3.4 voltból 3.3 voltot csinálni.
(#) kadarist válasza bundyland hozzászólására (») Ápr 14, 2011 /
 
Ennyire számít az az egy tized volt? Köss egy Schottky-diódát a akksikkal sorba, de az a baj, hogy még egy ilyen diódán is több feszültség esik, mint 0,1V.
(#) bundyland válasza kadarist hozzászólására (») Ápr 14, 2011 /
 
Ja nem ez egy kisarkított példa volt!
A töltő befejezi a töltést azt hiszem 4.1v körül és használat közben mondjuk azt hiszem nem kéne 3v alá
engedni az 1 db li-ion cellát. Tehát ebben a tartományban kéne a 3.3v.
(#) kadarist válasza bundyland hozzászólására (») Ápr 14, 2011 /
 
Tehát akkor mit szeretnél valójában? Milyen feszültséghatárok között adja le a stabil 3,3V-ot?
(#) bundyland válasza kadarist hozzászólására (») Ápr 14, 2011 /
 
Amit előbb is írtam kb. 3v -4,1v. Mint írtam 1 db celláról kell üzemeljen az ezközöknek annak feltöltött és kisütött
(nem mély) állapota között.PL: LTC3440
Következő: »»   33 / 133
Bejelentkezés

Belépés

Hirdetés
XDT.hu
Az oldalon sütiket használunk a helyes működéshez. Bővebb információt az adatvédelmi szabályzatban olvashatsz. Megértettem