Fórum témák
» Több friss téma |
Fórum » VFD óra IV-6 csövekkel
Témaindító: rockersrac, idő: Jún 28, 2010
Témakörök:
Látom tovább haladtál a "csillagszóróval", a kapcsolóüzemű táp helyett nem lenne jó egy trafós megoldás a táp kérdésére? Ezt találtam a neten:Vfd_psu Ez egyben megoldaná a fűtés kérdését is, bár a különálló csöveknél nem fontos a váltóáramú fűtés, mert rövidek a fűtőszálak és így nem változik a fényerő a csövön belül. Én most IV-18-ban gondolkodom annál már kicsit más a helyzet.
Köszi, de szerintem mindenkinek jobb lesz ha én nem állok neki trafót tekercselni...
![]() A fűtést LM317-tel kipipáltam, protoboardon ki is próbáltam és jó. A 30V-hoz a kapcsolóüzemű tápnak a tervezőjével sikerült felvennem a kapcsolatot. Biztosított róla, hogy nála szintén IV-6 csövek vidáman mennek róla. Ma meg is vettem hozzá az alkatrészeket, mindössze 540Ft-ot perkáltam értük. Tetszik ez a megoldás, mert a kitöltési tényező miatt, ha rendes fényerőt akarok akkor lehet, hogy fel kell tolnom 60V-ig. Ma éjszakás leszek a munkahelyemen, de holnap amikor felkeltem akkor protoboardon letesztelem és majd jelentkezek az eredménnyel.
Momentán így néz ki a nyákterv. A vezérlés, ha a tesztjeim jónak bizonyítják akkor már maximum esztétikában fog változni, a csőfoglalatos rész még nagyon nincs kész, de dolgozom azon is. Hogy a csövek cserélhetőek legyenek, ezért egy mezei DIP14-es IC foglalatba fogom őket beforrasztani.
Akkor én is kíváncsian várom, mert egy IV-4 vagy IV-17 esetleg IV-22 sorozatot még el tudnék viselni majd egyszer.
Okés! Úgy tervezem, hogy ha teljesen készen lesz és gond nélkül üzemel akkor írok belőle cikket, hátha más is rákap!
Ezeket láttam Mester, nagyon guszta, rögtön szereztem is egy iv-18-at, abban a reményben, hogy egyszer cikket írsz belőle
de addig nekem még gyakorolnom kell az smd technikát
Én meg hozzá sem merek kezdeni az smd-hez. Bár tényleg nagyon profi, minden elismerésem Vicsys mesternek, de inkább megvárom, hogyan alakul Martinov kijelzője (csakis az smd miatt).
Gyerekek, ha valaki hozzámvágna egy IV18-at addig nyúznám magam míg meg nem tanulok SMD-t forrasztani, vagy fejlesztenék hozzá más vezérlést.
Idézet: „Biztosított róla, hogy nála szintén IV-6 csövek vidáman mennek róla. Ma meg is vettem hozzá az alkatrészeket, mindössze 540Ft-ot perkáltam értük.” Örülök neki, akkor én is megrendelem hozzá a cuccot. Különben a diódát nagyon elnéztem, megtévesztett a rajz, az nem Zener. Ilyenem van is itthon, de a nagyfeszültségű kondi még mindig hiányzik.
Pedig az IV-18 ott virított a neten egy jó ideig, amíg le nem ütöttem... a max ic-t már beszereztem, majd lassan a többi is meglesz. Most 16F84-04/SO smd ic-vel gyakorolgatok
Holnap délután összerakom a boardon és kimérem, szerintem nem lesz gond. Csak nehogy elnézzem a lábakat és csillagszóró legyen...
Nem bírtam a kíváncsiságommal, így még lefekvés előtt hullafáradtan összeraktam a cuccot. Vegyesek az érzelmeim, sikerült belőle kicsikarnom közel 30V-ot és a 60V sem lesz gond, de nem úgy értem ezt el ahogy gondoltam. Elméletileg a potival lehetne változtatni a kimenő feszt, nálam valamiért erre alig pár tized volttal reagál mindössze... a 28V-ot úgy sikerült elérnem, hogy 300uH-re változtattam a kapcsrajzon megadott 100-170uH közé eső induktivitást, valamint a kimenetet 5KOhm-nal húztam GND-re.
Eredetileg annyiban tértem el a kapcsrajztól, hogy BYV95C-t nem kaptam a boltban ezért BYW95C van helyette, és a 330µF/100V elko is 470µF/100V-ra van változtatva. Valamiért nem gondolom, hogy ez okozná a rendellenes működést... sajnos az analóg elektronika nekem elég ingoványos terület. :no: Azért alvás után átvizsgálom a kötéseimet. Addig itt van pár kép a tesztről:
Sziasztok! Megtaláltam a hibát! Kicsit megtréfált a rajz, mert nem volt egyértelmű, hogy az MPSA42 emitterét GND-re kell-e húzni, vagy csak sorbakötni R11-gyel... az eredmény az, hogy GND-re kötve tökéletesen működik az áramkör, szépen tartja a beállított értékeket! Így már csak pénzügyi korlátai vannak az óra elkészülésének!!!
Hátez meg micsoda, az IV-18 törvénytelen gyereke?
(Még gimis voltam amilor kaptam egy welco számológépet abban volt ilyesmi cső, érdekesség volt, hogy balról jobbra írt nem pedig jobról balra shiftelt. Le volt törvre egy egy láb ezért kihajintották németországban, én visszaforrasztottam a tőben letört lábat, tehermentesítettem és így lett egy jó számológépem, olyan jól sikerült, hogy később el is tűnt a suliban...)
Az IV-18-as csöveim, huncutkodtak pár hónappal ezelőtt a fiók sötétjében...
Ez is egy számológépből van. Made in Japan.
"Huncudkodhatna" a vitrinem népe is egy kicsit :zavart1:
Sziasztok!
Tovább dübörög az IV6 projekt! Már boardon összedugdostam a PIC-74LS47-LTV846 kombót és jelentem nem működik... Úgy kötöttem ahogy a mellékelt nyákterven szerepel. Az LTV846 optocsatoló állandóan átad, így a szegmensek folyamatosan világítanak, pedig a PIC és a dekóder is jól működnek, mert a rájuk kötött kontroll LED a megfelelő pillanatokban villan fel. Ha lehúzom az opto komplett vezérlését akkor is átad. Mit ronthattam el? Valakinek ötlet?
Azt nem tudom, hogy az optocsatolónál mit ronthattál el. Ehhez kicsit kevés ennyi info. De most nézegetem az SL5 nyáktervet. Egy hiba egészen biztosan van benne: a kijelző panelen a szegmensek bemeneteit egységesen GND-re kötötted.
Két tipp. 1. Bal oldalon a menüben bekapcsolhatod a TEST üzemmódot. Ha ilyenkor rákattintasz egy vezető pontra, akkor lilával kiemeli, hogy mivel van összekötve. 2. Ha egy forrszemet kijelölsz és megnyomod az F12-t, átmenő furat lesz belőle, tehát mindkét oldalon fog vezetni. Így lehet összekötni a fóliát és az átkötéseket.
Itt az optocsatolós topicban van egy rajz, de nem igazán hasonlít a te kapcsolásodra.optocsatoló Mintha nálad nem lenne lehúzó ellenállás, és a táp is az emiteren van. A led előtét ellenállása is nagynak tűnik.
Vagy a lehúzó ellenállás a kijelző panelen lenne?
Köszi az észrevételt, bár a mostani próbáknál ez nem játszhatott szerepet, de később gond lett volna. Azok a szegmensek lehúzó ellenállásai voltak csak aztán átraktam a csatlakozó tüskéket a GND vonal meg jól ottfelejtődött...
Valaki mondta, hogy lehúzók nélkül szellemképesek lesznek a csövek.
Végülis igen, a lehúzók ott vannak a kijelzőpanelen. Az 1k azért van, mert a fórumban olvastam, hogy egy tag annyit szokott rakni és neki bejött. Én egyébként 56 Ohm-ot számoltam, annyival is próbáltam, de nem változtatott se pro se kontra. Gyakorlatilag ha a LED mindkét kivezetését üresen hagyom akkor is átenged a kimenet...
Ha tennel fel kapcsrajzot (kep formaban) tobbet latnank belole.
Ha lenne már feltettem volna. Alapvetően nyák-ban szoktam csinálni a tervezést, kapcsrajz maximum néhány skicc szokott lenni egy darab papíron...
A lényeg, amit nem értek, hogy az LTV846 optocsatoló miért engedi át a szegmenseknek és rácsnak szánt kb 30V-ot, még akkor is ha LED lábai egyátalán nincsenek bekötve. Ha jól értelmeztem az adatlapot akkor 80V-ig tudnia kellene kapcsolni...
Végül, ha az optocsatolóval teljesen befürdök akkor áttervezem diszkrét tranzisztorokkal, csak úgy jóval nyűgösebb lesz összeszerelni.
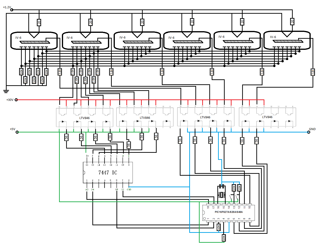
Nekiestem és gyorsan rajzoltam kapcsolásit, amin a tápegységeken kívül minden rajta van. Remélem átláthatóbb mint a nyákterv.
|
Bejelentkezés
Hirdetés |





de addig nekem még gyakorolnom kell az smd technikát




(Még gimis voltam amilor kaptam egy welco számológépet abban volt ilyesmi cső, érdekesség volt, hogy balról jobbra írt nem pedig jobról balra shiftelt. Le volt törvre egy egy láb ezért kihajintották németországban, én visszaforrasztottam a tőben letört lábat, tehermentesítettem és így lett egy jó számológépem, olyan jól sikerült, hogy később el is tűnt a suliban...)
Úgy kötöttem ahogy a mellékelt nyákterven szerepel. Az
Valaki mondta, hogy lehúzók nélkül szellemképesek lesznek a csövek. 




