Fórum témák
» Több friss téma |
Mielőtt kérdezel, a következő két dolgot ellenőrizd!
I. A helyes tápfeszültségek megléte.
II. A kimeneten van-e egyenfeszültség.
Élesztés.
Köszi
Sziasztok.
A képen látható jelalak milyen hibára utal?(1kHz sin)Túlvezérlés,kis tápfesz,rossz mérőkábel vagy más...?(Csak most kezdegetek ismerkedni az o.szkóppal)Kép
Negatív tápfeszágon lévő tranyók nem igazán aktívak.
Erre gondoltam én is,de,hogy miért csinálja ezt a kimeneti telj. függvényében arra már nem jöttem rá.Rossz lehet a graetz?
Feszültségesést is tapasztalsz az -ágban a teljesítmény növelésekor? Mert akkor lehet a gond a negatív tápágban.
Mindkét állásban ilyen,egyébként AC ,holnap kicserélem nagyobbra graetz-et meg a puffert aztán majd meglátom...
Én a keresztirányú torzításod elcsúszására gyanakszom inkább. Mi állítja azt , tranyó vagy dióda előtét?
Véletlenül megtaláltam a hiba okát! Egy BC 546B D9 nevezetű tranzisztor miatt volt a hiba a védelemben! Köszönöm a segitséget mindenkinek!
Nem túl jó képek de azért remélem tudtam segiteni!
Üdv.
Itt csak azért vannak + lyukak mert némelyik potinak nagyobb a lábtávolság. Tehát te veszel sztereó potikat és megnézed, hogy mekkora és melyik lyukat kell kifúrni hozzá. Tehát csak azt kell kifúrni amibe benne lesz a poti a többit nem kell kifúrni mert felesleges.
Hello!
Megpróbáltam értelmes formában felrakni az erősítő manual-ját, de a 2MB korlát miatt át kellett alakítanom az eredeti pdf-et.
Sziasztok.
Azt szeretném megtudni, mert nem vagyok ezzel tisztában, hogy az erősitőkön van a hangszóró kapcsoló A, B, A+B álással. A, B egyértelmü, de ha A+B van kapcsolva akkor ugye szól mind a 4 hangszóró az erősitőn de ilyenkor hány Ohm lesz ha mind a 4 hangszóró 8 Ohmos? Sorba kapcsolja az erősitő őket vagy pedig párhuzamosan?
Párhuzamosan, két 8 Ohmos hangszóróval az eredő impedancia 4 Ohm lesz oldalanként.
Szervusztok!
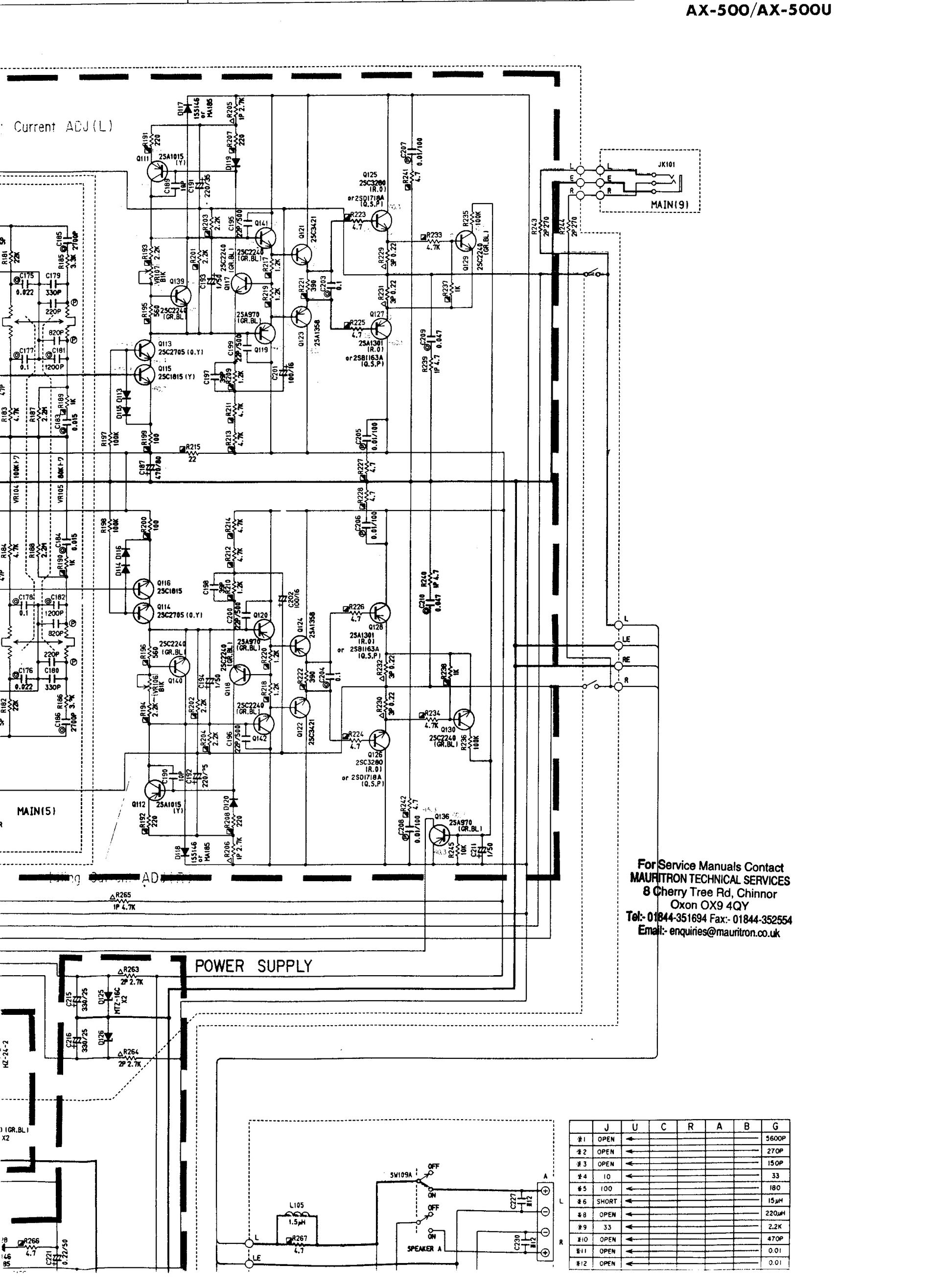
Ma egész nap nézegettem ezt a fórumbejegyzést, hátha találok valami megoldást a Yamaha AX-500 erősítőmre nézve. Nagyon sok hasznos írást találtam, és arra gondoltam, hogy kellene egy olyan bejegyzés, ami a Tranzisztoros erősítők munkapont beállítását írja le részletesen. Arra gondolok, hogy gyakorlatban mondjuk egy multiméter segítségével hogyan tudjuk beállítani. Tudom a nyugalmi áram legyen 50-100mA között, a kimeneten 0 DC szint. Régen foglalkoztam már elektronikával, de ismét a hurok közé kell csapnom. ![]() Arra gondolnék, hogy összeírnánk, hogy mit, hogy mivel kell beállítani a munkapontokat. (Kell e műterhelés, bemenő jel milyen legyen...)És mindezeket úgy leírni, hogy nincs jelgenerátorunk, szkópunk, csak egy multiméterünk. Nem akartam sokat írni, de szerintem ezt hasznos lenne összeírni. A válaszokat előre is Köszönöm!
Hello!
Ja még annyi, hogy a Yamaha AX-500 rajzra ha valaki ránézne, és segítene a korábbi kérdésemben azt nagyon megköszönném. Mindenkinek szép napot!
Ez erősítő függő is lehet, van ami sorba van ami párhuzamosan kapcsolja. Van olyan is ahol nem lehet egyszerre a kettőt használni. Amelyik párhuzamosan kapcsolja azoknál van figyelmeztetés, hogy 4Ohm-os hangszóró párokat tilos egyszerre használni
A soros kapcsolás borzalmasan rossz megoldás, mert a hangváltók elhangolódnak, de akár tönkre is mehetnek bivaly hangerőn.
sziasztok fiúk tranzisztoros 1 wattos végerösítöt keresek 8 ohm es terhelhetöségel és a osztályban dolgozzun . Roberta
Ez egy hidalt TDA7294 +-30V-on járatva.Kicseréltem a puffereket meg a graetz-et és így is ez a helyzet.A másik fele tökéletes.Gerjedés lehet?
Ez nem gerjedés. A negatív erősítőrésszel, vagy annak meghajtásánál lesz a hiba. Van szkópod?
Hát... nem nagyon sikerült az elküldés...
A rizsa nem sok hasznunkra van. Kihagyhattad volna azt a pár oldalt. Elég lett volna csak a végerősítő részt és a tápegységet elküldeni, amivel problémád van. De azokat olyan minőségben, hogy valamit ki is lehessen olvasni belőle. Te látod a rajzot? El tudod olvasni az alkatrészek értékét? ... a pozícióját? Számomra olvashatatlan. Jó lenne, ha megmondanád, melyik ellenállásal van a problémád. Vagy találjuk ki? Megpróbálunk segíteni, de ehhez a Te aktív közreműködésedre is szükség van.
Van igen,de nagyon nem értek még hozzá. A másik felét leteszteltem műterheléssel meg hanggenerátorral az teljesen jó 140-150W-ig tiszta sinus-t mértem a hi-fi tartományban.
A pdf-jében lévő kapcsolást építetted meg? Meg kellene nézni a 22k ellenállat után, a 2 nem invertáló bemeneten lévő jelet. Mivel van egy működő feled, ezért könnyű az összehasonlítás. Nem kevertél össze valamit? Pl. ellenállásértéket, kondipolaritást, vagy kis zárlatocska estleg.
Eltaláltad tényleg az volt a hiba.Már vagy öt éve csináltam ezt az erősítőt most hozták vissza mert 4 Ohm-on döngették és kiment benne a bizti. Egyszerűen eloxidálódott rajta a vékony nyákcsík a neg. tápágban,felmelegedett és meg-meg szakadt,átforrasztottam és tökéletes lett.Lelakkozom aztán mehet vissza a gazdájának.
Köszi
Köszönöm,remélem minél előbb megleszek a táppal is.
Hello!
Köszönöm a hozzászólást, és igazad van. Tömör leszek. Kérdések: 1. Idling Circuit: A bemenetre nem adok jelet, kimenetet terhelem, potikat alaphelyzet, és így állítom be az R229, 230-on a feszt 10mV-ra. Jól tudom? 2. A pufferkondinál lévő R262,263,264 ellenállás az a mi nagyon melegszik. Oka lehet a nem megfelelő beállítás? Képeket csatolom. Előre is Kösz!
Sziasztok!
Az alábbi videón egy Crative Inspire P380-as 2.1-es hangcucc látható. A hiba van hogy bekapcsoláskor, van, hogy csak 10 perc zenehallgatás után következik be. Kérném segítségetek, hogy hol lehet a hiba. Másik táppal kipróbáltam, akkor is produkálta. Köszönöm előre is a segítséget! http://www.youtube.com/watch?v=z_EBHwdrFCw
Az általad említett ellenállások nem érintettek a (végfok nyugalmi áram) beállításokban. Az R263, R264 zener diókat lát el árammal, ami az előerősítő +/- 16V tápfeszültsége lehet. Ha az ellenállások diódához kapcsolódó végén megvan a 16V és ezek az ellenállások 2,7k értékűek akkor hagy melegedjenek.
Az R262 relét működtet, itt azt ellenőrizd, hogy az értéke 1 egész (nem tudom elolvasni hány) kohm legyen és a relé felőli lábán 24-26V van-e. |
Bejelentkezés
Hirdetés |

















