Fórum témák
» Több friss téma |
Hello.VAn egy hidalt IC-s erősítőm.A tápja jelenleg egy 250W-os trafó egyinirányítással és 2x10.000µF pufferral.Idővel a tápot egy 320W-os kapcsitápra szeretném cserélni.A jelet DVD-ről és TV scart csatlakozójáról kapja.Viszont nem mértem de szerintem ezek a jelek gyengék.Eléggé ki kell vezérelni hogy normális teljesítméynt adjon.A kérdésem hogy érdemes-e egy előerősítőt csinálni neki?
Érdemes :yes:
TL072 jó e célra?
Inkább mondjuk úgy, hogy megfelelő.
Ha hifire kell, akkor NJM 2068D a nyerő. Sokkal szebben szól mint bármelyik 072 :yes: Én ezt használom ebben a végfokomban, OPA 2134 műveleti erősítővel. PA hangfalakkal ez az ícé tetszett a feszes, ütős hangja miatt. Működik 072-vel és 5532-vel is és minden azonos lábkiosztású ícével.
Aha.EZ sem bonyolult.A két poti mit csinál?Hangerőszabályoz?MErt ha igen akkor azt át is lehet kötni mivel van egy poti a végfok előtt.
A nyákon nincs hangerőpoti, csak az erősítő előlapján. Az előfok a hátlapon van, 2db 6,3-as Jack aljzattal. A nyákot át tudod rajzolni neked megfelelőre.
JAj.Bocs rég volt reggel.Az nem poti.... :no:
Iylen IC-vel szekszárdon esetleg tudnak szolgálni?Holnap úgyis megyek mert kell tirisztor.
Holnap ne menj, mert a Peti szombaton nem fog kinyitni
Szerintem ha megcsinálod, először dugjál bele 072-t és ha jónak találod akkor finomíthatsz rajta egy 2068D-vel.
Voltam már máskor is szombaton.Igaz nem 9re hanem negyed 10re ért oda.
Akkor megveszem az apróságot és kiróbálom TL-lel.
Bocsi, igazad van... 9:00-12:00 -ig (elvileg) nyitva van :yes:
Kicsit megzargattam ma a hidat!!! Hát ez nagyon kemény.. az RH Soundot simán leszolja......! Tápfesz +-35,2V-ig esett vissza,a +-40,7V-os táp mellett, hallható torzítás mellett. A hangszóróknak jött már a szaga
A hűtés is nagyon szuperál......Bassmester féle venti szabályzóval. Kb kézlangyos volt a borda.
Sziasztok!
Szeretnék kipróbálni egy TDA7294es végfokot. Egy 2.1 es hangrendszer mélyét akarom hajtani vele. Van egy trafóm kb. 150-200Wos lehet, egy panelt szeretnék hajtani róla, birni fogja hosszú távon? A trafórol szűrőkondik után +-45V DC jön le, de ez terhelés alatt lentebb esik gondolom néhány volta. Jól fog menni az emlitett trafóval? Hűtőbordát azt jó nagyot kap, esetleg baj lenne ha 4ohmal terhelném? A panelt valószinüleg nem én fogom csinálni egy ismerősöm hoz egy KITet mert igy olcsóbb és nem kell a nyákal bajlódjak.
Kicsit sok a táp neki...állitólag 4ohm-ra(szerintem) . Egyébként 1 végfokot elbír a trafód.
Én is tudom hogy soknak hangzik, de nemtudom hogy terhelés alatt hány voltot esik. Ha teszek hozzá egy jó nagy bordát akkor nem fog nagyon melegedi 4ohmon sem, ugye? Vagy esetleg tehetek aktiv hutest is bele.
Melegedni fog attol hogy jónagy bordát teszel rá....de az a jó ha minél nagyobbat teszel rá.Azt hogy hány V-ot esik a tápfesz,az a tápegységedtől függ, 4-5 V simán belefér szerintem. Épp írtam 2 hsz feljebb. nekem kb 5-öt esett.Az aktív hűtés csak jó a bordának
Na akkor összerakom! Van egy 10colos kis mélyem, csak az a baj, hogy 4ohmos ideiglenesen szerintem birni foga azt is, később majd beszerzek egy 8ohmosat, ha lesz rá keret. Egy sztereó vagy egy hidalt 7294nek mekkora trafó kell? 250Wos elég neki?
1 Hidnak kell a 300w szerintem.....De vannak itt,akik jobban értenek hozzá.
Normál használat esetén bátran ajánlom a 250VA trafót.
A szinuszos teljes kivezérlést, és a torzításba hajtást leszámítva.
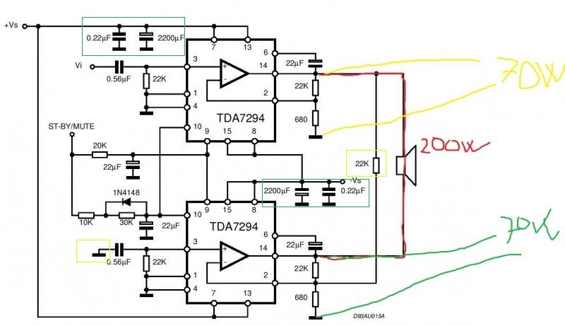
sziasztok! lenne egy kis kérdésem. a mellékelt képen berajzoltam amit szeretnék kérdezni a lényeg hogy mint ha autós erőlködőről beszélnék ha két h.sz. 2x 70w és a hidat békén hagyom vagy ha kell nagyobb ládához 200w akkor csak a hidat használom. szóval a kérdés ez hogy ez így működőképes? szal egyik eset a két ic külön dolgozik külön h.sz-re a másik eset hogy mind a két ic hídban dolgozik egy h.sz re köszönöm
Ha külön hajtásnál a visszacsatoló hidat (22k) elhagyod és a második végfok 3-as lábát földről jelre teszed akkor gond nélkül. Még esetleg a tápágban a két 2200µF-os kondit kettészedném külön külön a két ic-nek azaz 2*1000µF az egyik ic mellé külön tápágba majd a másik mellé szintúgy és utána lehet közösíteni a tápágat.Biztos mennie kell. TDA 2030-cal működött , itt is fog.
Sziasztok. csinaltam egy uj trafot az erositomhoz.
Az a helyzet hogy 2x29.3V-ot ad ki. Nem lesz ez sok az erositonek? Az egyoldalas sima valtozatot epitem.
29.3*1.41= 41,313 de ebből még lejön a greatz hídnál egy minimális veszteség a diódák miatt , tehát terheletlenül lessz nagyon max. +/-40v.
Nekem a szimpla tda7294 2 csatornával éveket elment így. Igaz hajlamos fűteni elég rendesen, meg a 4 ohm-ot nem igazán kedveli. Egy rövidzár ölte meg végül
Tisztességgel kell hűteni akkor bírja a 4ohm-ot is.NEkem tegnap 5órán át ment 4 ohmon 5óra után az IC körül a borda alig érezhetően alngyos a borda többi része hideg volt.2db 80-100W-os 3utas hangszóró megy róla.
Hát igen , ha van kellő hűtése akkor bírja.
A nagy bordákkal nekem is szobahőmérsékleten ment
Koszi a valaszodat.Hat remelem hogy birni fogja. Mar nagyon sok energiam benne van ebben az erositoben .
Nálam kerek +/- 40V a táp, a terhelés 4 ohm. A ventit folyamatosan járatom, semmi gondja. Bővebben: Link
Szep munka!
Hat igen, de nekem sajna nem ekkora a hutobordam es 2 db 5cm-s ventim van. 29V egyeniranyitva az mar 41-42V
Nekem úgy van hogy egy alu test arra vannak az IC-k csavarozva aztán az alu test a bordára.NEm oylan nagy a borda de közvetlenül 8cm-s venti van rajta(minta proci hűtőkön) és az egész házba még 2 nyolc cebtis fújja be a friss levegőt.
A 29,3Vac a kondenzátorokon még terhelés nélkül sem fog elérni 42V-ot, az egyenirányítón elég sok elmegy.
Láttam már a fórumon a hűtőbordádat, de kérlek segíts egy likkel, hogy rá tudjak nézni. Hátha tudnék valamit segíteni |
Bejelentkezés
Hirdetés |




A hűtés is nagyon szuperál......Bassmester féle venti szabályzóval. Kb kézlangyos volt a borda. 






