Fórum témák
» Több friss téma |
Fórum » Led/Lámpa ütemre villogása! Hogyan a legegyszerűbb?
Témaindító: gorcsek, idő: Ápr 22, 2006
Témakörök:
Sziasztok nekem nemtudna valaki építeni egyet? mondjuk egy általa használt biztosan működő álllítható hangérzékenységű áramkört?
Íme az enyém nekem ilyenem volt csak ez sajnos meghalt:/
Nekem sajna nincs rajztervező progim de ha elolvasod topi tranzisztoros cikkét utána már te is össze fogod tudni rakni egy tranyó meg néhány ellenállás kell hozzá.
Sziasztok megépítettem az alábbi kapcsolást amihez terveztem egy nyákot és nem nagyon akar működni. Elméletileg ütemre villogna a led de e helyett elfüstölt a mikrofon ha jól láttam. Kondenzátor mikrofont tettem bele nem tudom ilyen kell e egyáltalán. Nagyon megköszönném ha valaki segítene
Most figyeltem meg hogy nem is a mikrofon hanem a stab ic füstölt:S
Hát ebben olyan nem sok van.Mondhatnám egy sem.
De a nyákot amit terveztem hozzá abba már beletettem. Igaz a kapcsoláson nem szerepel.
Igazából ez sok mindentől füstölhetett.Vagy túl nagy a bemenő meg a kimenő feszültség különbség ,vagy kis teljesítményűt raktál rá ,esetleg túl sok ledet tettél utána...
Vagy egyszerűen elkötöttél valamit.Ha a 47 ohm is melegedett/barnult/elszakadt akkor valamit biztosan elkötöttél az erősítő részben.Ha semmi nem melegedett a stab icn kívül akkor meg azt raktad bele rosszul.
Hello!...az a kérdésem lenne, hogy tudna e nekem valaki szóban segíteni...a téma az lenne, hogy van egy régebbi hangfalunk ami meg lett javítva, tehát rendesen működik, de szeretnék bele villogót tenni, tehát ütemre villognának a membrán mögött elhelyezett led-ek, vagy diódák...dehogy ehhez esetleg valaki kapcsolást tudna e nekem linkelni, vagy bármi segítséget adni, azt megköszönném...
Üdv!
Lehet ilyesmit csinálni, nem túl bonyolult. Csak azt azért elmondhatnád, hogy a villogás energiaigényét a hangfalat tápláló erősítőből akarod-e fedezni, vagy hajlandó vagy-e külön tápforrást használni a dologhoz.
sziasztok van egy irf 540-es mosfetem meg tudnátok rajzolni hogy hogy kössem a jack kimenetet a ledet meg a trimmert rá hogy a zenére villogjon?
hát külön tápról szeretném megoldani...
Hello.
Itt egy egyszerű kapcsolás. Az R1-es potméterrel tudod szabályozni a bemeneti jelszintet.
köszi ez talán jó lesz...
Nekem is valami ilyesmi kéne be tudod rajzolni hogy hogy kössem a fetet?
Tessék.
Ha nagy teljesítményű a végfokotok, akkor az 1k-ohmos poti helyett tehettek be nagyobbat, vagy a fejhallgató kimenetre is köthetitek.
Köszi de a fetnek hogyy vannak a kivezetései ?
A képen látható módon.
S az adatlap és a kapcsolási raj alapján én így kötném be az IRF540-et, hogy zenére villogjon. Lásd mellék. De a MOSFET-nek nagyobb feszültség kell mint a bipoláris tranzisztornak. Így valószínűleg nagyobb jelszint kell majd. ( A kapcsolás nincs tesztelve. )
Ja bocsi most látom, hogy te egy másik fetről érdeklődtél.
Amit én berajzoltam az a BC337-es tranzisztornak a lábkivezetései. Jani rajza szerint kösd be, úgy valószínűleg működni fog.
Jó Köszi már rájöttem azóta
Üdv!
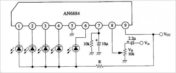
A mellékelt kapcsolásba (AN6884) szeretnék egy kis módosítást végrehajtani, ami az lenne, hogy az egyik led helyére egy tranzisztort,FET-et kötnék, és az kapcsolgatna több ledet, ezt hogyan tudnám meg oldani egyszerűen. Mert én elakadtam ott hogy az AN.. a ledek 'negatív lábát vezérli'. Remélem értehtő
Hát PNP tranzisztort teszel (vagy P-fetet használsz) a ledeket meg a negatív táphoz teszed.
Néni gond esetleg az áramgenerátoros kimenettel lehet.
Így gondol-od/játok ?
De így a ledek is ugyan azt a tápot kapják majd mind az AN... ez elég lesz 10 db lednek? Hogyha rossz így akkor javítsatok ki légy szíves.
Sziasztok!
Két kérdésem lenne. 1) Az alábbi kapcsolás működőképes lehet-e egy autóban, ha a jel +- -ra a mélyláda kábelét kötöm. Magyarán a mély ütemére fog villogni? Ha nem akkor hogy lehetne elérni? 2) ha nem egy hanem mondjuk sok (20-30 db) ledet szeretnék hasonló képen hajtani akkor hogy kéne átalakítani a kapcsolást? Előre is köszönöm. Bakos
Köszönöm holnap kipróbálom!
Sziasztok! Az lenne a kérdésem, hogy, hogy tudnék egy nagyon de nagyon egyszerű kapcsolást összerakni vagy valaki aki rá érne össze rakná nekem aminek a célja hogy a mélly hangokra villog csak egy ilyenről beszélek
Képek az áramkörről Ez egyébként egy PC-be való 12V-os cucc ja és NEONhoz volt csak a neonokat és az invertert kidobtam mert elromlottak és ennek a kimenetére voltak kötve a ledek de most ez is megadta magát már másodszorra de nemtudom most mi baja van mert nem a tranzisztor az is nagyon jó lenne ha valaki nekem megtudna építeni egy ugyanilyet! Ez egyébként Microfonnal érzékelte a hangokat ez a legjobb! :bummafejbe:
Üdv olyan kérésem lenne a mesterekhez.Zenélek és 1 egyszerü metronomra lenne szükségem a min lenne 1 poti ami az ütemét szabályozza kis helyen elfér és 1 fülhalgatóra adja a kattogó ütem jelet amit tudnék változtatni. És a hangerö változtatható legyen.Elöre is köszönöm Feri
Hello.
Olyan tervem van, hogy villogtatnám ütemre a karácsonyi izzósorokat.Az izzósorok biztonsági okokból 24V-osak. A lényeg az volna hogy többé-kevésbé a mély hangokra villogjon,de ne relés megoldás legyen, mert az nem olyan szép, mint az amikor csak kis basszus jön, és éppencsak "pislákol" az izzó. (NEM LED-es az izzósor a félreértések elkerülése végett). Olyasmire gondolok, mint a BD243C tranzisztorra épülő villogó, ahol egyszerűen a 0,65V-ra kinyitó tranzisztor a rákapcsolt 12V-ból átenged annyit, hogy 5db LED villogjon. Namost valami hasonlóra gondoltam, de mivel nem csak 5db LED-re kell, így FET-re gondoltam. Kisebb feszültségnél "kapcsol" és nagyobb áramot/feszültséget is elbír. Megoldható ez valahogyan? Tehát hogy a FET kinyitott állapotában engedje át mind a 24V-ot, egyébként.(Tehát a vonalkimenettel vezérelném a FET-et.) Előre is köszönöm a segítséget. |
Bejelentkezés
Hirdetés |














:bummafejbe: 



