Fórum témák
» Több friss téma |
Szia!
Össze kell válogatni a végtranzisztorokat és akkor nem lesz torz a hang.
Mi lenne ha elszál egy tranyó? Mi lenne olyan nagy probléma?
A szimmetrikus táplálású erősítőd aszimmetrikus tápot kapna, így a kimeneten féltápfeszt mérhetnél a földhöz képest, ezt kapná meg a hangszóró, nem túl szerencsés.
Hát ahhoz az erősítőhöz már nem fogok válogatni tranyókat (kb. 14 évvel ezelőtt építettem ) azóta már jópár más erősítőt megépítettem, és ahol kellett ott válogattam is a tranyókat, nem mondom hogy nem lehet jó hangot kihozni belőle, nekem akkor nem sikerült, ez a tapaszatlatlanságomnak is köszönhető volt.Én net sem volt még akkor, meg HE fórum.
Ezt a végfokot én is meg építettem sztereóban itt van, és bárkinek megmerném mutatni a hangját , szépen szól .
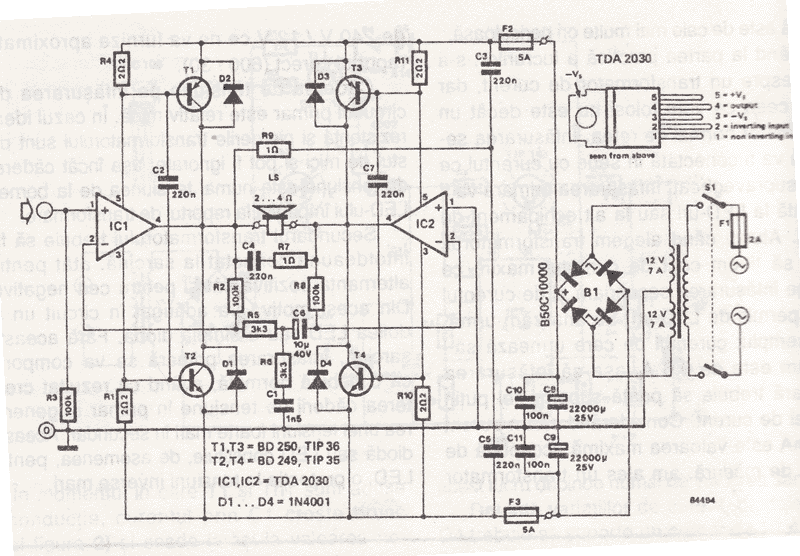
http://www.hobbielektronika.hu/forum/files/82/82f622b1a5680d58597a4...f3.gif BD250 249 Tranzisztorokkal . Nem válogattam párba a tranzisztorokat sem . A műhelyemben van egy régi rádió decket erősítek vele sokat hallgatom, annak elenére hogy nem igazán profi munka de nem szedem szét megszeretem .
Azok az aluprofilok hűtik csak amik a képen vannak? Elegendő neki? Amúgy szerintem is jó ez a TDA2030. Nem egy mai darab, de ahhoz képest még megállja a helyét. :yes:
+15és-15volt feszültséggel hajtom , a 2030as ic én érzek melegedést de a tranzisztorok szinte semmit nem melegednek. Ellentétben a 100watos típusomnál, ot már érzem hogy kissé melegednek a tranzisztorok de az sem vészes. Azt is inkább akor csak ha csont hangerőn hallgatom. Ezért írtam a multkor hogy aki ezt meg építette és melegszik a hűtő bordája az nem a tranzisztor melegedése hanem a 2030as icé melegedése ami közös hűtő bordán nem észlelhető külön, csak így. A nyákját én terveztem , igaz + és a-vezeték fölötte van a levegőben csak úgy mint a GND is de tényleg nincs semi gerjedés hang, a hangszóróján . A BD250 Elég nagy teljesítményeket elvisel találtam már vele 200w végfokot is . Egy ilyen 40w teljesítményen amit ha nem is hallgatok csont hang erőn nevetve viszi el, szerintem még a rövid zárat is el viselné ebben a 40watos tda2030kapcsolásban,legalább is nem azonnal purcanna ki .
Töb mint fél éve csináltam meg ezt a kapcsolást , előte erősítőt még semmilyent sem . Ez volt az első azóta egy folytában mindenfelé a kapcsolási rajzokat keresem ki tölti már az egész szabad időm. TDA2030Híd kapcsolás. Hűtő borda helyet egy 4es alu lemez van ,és az ic-ék külön nyákon vannak elhelyezve erre akartam nagyob hűtő bordát szerelni. A hoszú alkatrész lábak és vezetékek ellenére rendben van a nyugalmi árama, csupán a tápba kell 10000mikrós és 220nf kondi és jól szuperál. Hang erején én magam is meglepődtem , ehhez a kis ic hez viszonyítva. Ezen sem szált még el az ic a kis hűtő borda ellenére
Azt hiszem ezzel nincs gondom már megtudnám profin is csinálni, de még sok minden nem tiszta nekem.
Nézd meg ezt. Ez kifejezetten 2030-hoz készült.
Üdv mindenkinek nekem sajnos sehogy nem akar összejönni mi lehet a baj?
A tápfeszem mondjuk még mindig elég nagy de 2DB fogok róla üzemelni, gondom az lenn hogy nyugalmi állapotban több mint 2A vesz fel és az összes dióda melegszik (FORRÓ) 3DB kötöttem sorba hogy kis seb legyen a fesz esetleg ez lehet a baj valamit én szúrtam el?
Hali! Lehet, hogy gerjed a TDA-d. Esetleg mellékelnél egy kapcsolási rajzot.
Tessék remélem mindent odaadtam.
A geatz 6A 35V 4700µF kondikkal
én meg majd a quadomat fogom bevinni jövőre elektorba ...(ra) amugy nem csak nektek írom hogy nekiálltam egy tda 2009-nek és ugyanezt tudja max 1-2 vatt különbséggel. orion minihifikbe tették ezeket. dehát e emlékszem az első hídba kötött tdamra és olyan szxrul szólt sorszámra nem emlékszem de 2x5 wattos volt hangos volt de nem jöt ki belölle normális mély pedig láda amivel probáltam nem volt fika...
Sziasztok!
Én teljesen kezdő vagyok az elektronikában, van egy multiméterem meg egy forrasztó állomásom. Szeretném az alábbi kis erősítőt megépíteni. Kérdésem az lenne hogy egy 1.5 A-es toroid elég-e hozzá? Nem akarom a szomszédokat elkergetni felébreszteni csak azt szeretném hogy szép hangja legyen és jól szóljon. Valamint van olyan dolog amire különösen kellene figyelnem a kapcsolás megépítése során? Felrakom mellékelve a kapcsolást, nyáktervet meg a HEstoros bevásárló listát elméletileg egyezik csak ha minden igaz akkor majd 2x-esen kell feltölteni hogy ha stereot akarok, remélem jól mondom. Esetleg a trafó egyenirányítására ha tudna vki vmi jó ötletet azt szívesen venném. Láttam itt az oldalon egyenirányító kapcsolásokat de ezekkel a puffer kondikkal még nem vagyok tisztában, ha vki elmagyarázné mit mennyit hova tegyek belőlük azt szintén megköszönném. Előre is köszönök mindent . Kenikol
Sajnos ebben nem tudom segíteni, nekem az aszimmetrikus táp változat van/volt meg, de még mindig gerjedésre gyanakszom.
Viszont találtam egy kapcsolási rajzot és ez teljesen más mint amit te mellékeltél, pl. invertáló (2) lábra nincs rákötve a + tápfesz, és van benne zobel-tag is, meg a tranzisztorok kollektora is rá van kötve az IC kimenetére. Mellékelem a kapcsolási rajzot.
Üdvözöllek!
Néhány válasz a kérdéseidre. Mivel azt írtad, hogy stereo erősítőt akarsz építen, ezért kevés 1.5A-es toroid. Talán 2db ebből elég lenne. De egy darab 1.5A-es határozottan kevés a teljes kihajtáshoz (stereo megoldás esetén). Nos ami kapcsolást linkeltél az müködőképes, a nyákterve szintén tökéletes. (én már megépítettem pontosan ugyan ezt). Egy dologra figyelj. A rajzon 12V asszimetrikus tápot írnak. Ez édes kevés az IC-nek. Az IC maximális kihajtásához legalább 30V feszültség szükséges. A maximum 36V. Nekem 32V-ról duruzsol. Ez úgy történjen, hogy a trafóról kijövő két~ vezetéket a greatz híd két~ pontjára kötöd. A greatzból kijövő + és - pontokat a pufferkondira. Puferelés kb. 10000uF...20000µF elegendő lesz. A pufferkondik után bekötsz egy hidegítő fólia vagy kerámia kondit. Értéke:100nF...470nF közötti. És ez után kötöd az erősítő tép részére. Adsz az erősítőnek bementi jelet, aztán a kimentre mehet is a hangszoró. Mellékelek egy rajzot remélem segít. Ha valami nem egyértelmű kérdezz. nyugodtan.
Waaaóóó TDA2030Híd+tranzisztorpár végre látom már hogy mások is foglalkoznak vele
Hozzá szólnék pár szót a kapcsolásodhoz ha nem haragszol érte mivel én is meg építettem , de elsőre nem működöt, most már viszont szuper. Nekem a próbálgatások közepette elszállt a TDA 2030asom és ugyan ez a jelenség amit az írásodból ki veszek . A diódák melegetek , az egyik tranzisztor is . Az ic 4es és ötös lábai között 300óhm ellen állás érték volt mérhető , innen következtettem ki hogy ez volt a baj . .5ös láb pozitív tápfesz semi esetre sem szerencsés hogy a kimenetre került. A nyák lemez alat lévő lemez házon fontos hogy ki legyen alakítva a csillag pontos földelés, legalább is a tápfesz közép nulláját vid ide rá. A hűtő bordára nem kel semmi ennél a kapcsolásnál a közép nulla biztosan nem , max. a hálózati védő föld a közép nulla nem kell ide ! A táp oldalon fontos hogy oldalanként legyen 1000nf értékű kondi a nagyfrekvenciás gerjedésre , és nekem sokat számított hogy össze kötöttem a tápfesz +-oldalát külön 220nf kondival, de ha a hangszóró le halkításkor ad hangokat akkor még az oldalankénti kondik értékét növelni kell. A be menetre nem árt egy szűrő RC tag. Hő vezető pasztát nem látom a tranzisztorok alatt amit építettél , és a tranzisztorok egy forma márkájúak legyenek ha már nincs bétára válogatva, mert az ennél a kapcsolásnál fontos volna, úgy tudom hidalni azonos paraméterű végfokokat ajánlatos. Persze én sem válogattam bétára mert körülményes de utána jártam hogy ez esetben ennél a végfoknál torzítás jelentkezik ez miatt. Hát az enyémen 4óhmos hangszóróknál már nem a legtökéletesebb de 8óhmos Videoton hangszórót szépen meghajtja , és hangosabb mint a sima TDA híd tranzisztorok nélkül.
Persze ha a be meneti jelre reagál akkor jó az ic .De a közép nulla fontos a lemez házra, lehet ezzel meg tudod oldani . Remélem
Idézet: „A táp oldalon fontos hogy oldalanként legyen 1000nf értékű kondi a nagyfrekvenciás gerjedésre...” 100nF-ra gondoltál nem? Az 1000nF az pontosan 1uF.
Sajnos manapság az azonos márkájú tranzisztoroknak közel sem ugynannyi a béta (h21) értékük. Ez a párba válogatás nem egyszerű dolog, szerencse is kell hozzá, hogy éppen mit kapsz a boltban. Mivel lehet, hogy akár 10db-ból sem találsz 2 egymáshoz hasonló bétájú tranzisztort, de az is leeht, hogy már 3-4 darabból találsz. A torzítás azért is lehetséges, mert a TDA2030-nak a kihajtáshoz nem kell magas bemeneti jel, tehát könnyedén túlvezérelhető, és akkor máris jön a durva torzítás, ami a hangszórónak nagyon nem tesz jót.
Egyébként ha mindent jól csinálsz és nem vezérled túl, akkor nem fog gerjedni, és brumm sem lesz. Ez csak megfelő táprész kialakításán és megfelő vezetékezésen múlk. A 4 ohm -nak nem szabadna gondot okozni ennek az erősítőnek. Nekem 2 ohm -ról megy mindenféle mellékzaj és torzitás nélkül.
A kapcsolási rajzon 100nf van írva igen de az nálam kevés volt . Ahhoz hogy ne legyen semmi félé brum vagy fütyülés a hangszórón így van 1mikró körüli kondi kellet. De szerintem a gondot én nállam a nem azonos bétájú tranzisztorok okozhatják én nem válogattam párba , bár el képzelhető hogy a tápfeszhez nincs köze de valami zavaró gerjedés biztosan van nálam ezért kelet ilyen értékű nf kondi a tápba, azt tudom hogy így lett jó. Szerintem amúgy is legtöbb esetben a táp egységekhez kell ilyen értékű kondi a puffer után .És a puffer nem árt ha oldalanként 15000 mikrót el éri .
Akkor gratulálok neked
Én nem válogattam bétára a tranzisztorokat és most így 8óhmos hangszóróval jól működik. Bár ami a 4óhmos hangszórót illeti azt már írtam neked az egy 25 éves CCCP típusú lemez játszóé volt amit az örök vadász mezőkre küldött más 4óhmossal nem próbáltam mert ki elégít a hangereje a 8óhmossal is . A tiéd profi az enyém meg egy ilyen végfok A későbbiekben remélem nálam is emelkedik a színvonal.
Általában nagy vitákat tud okozni a puffer mérete. ITT írva vagyon, hogy minél nagyobb a pufferkondenzátor, annál nagyobb áramimpulzusok töltik fel a kondenzátort, ami miatt a vezetékben feszültség fog esni és már kész a brumm generátor (iromány alján, a tápegység résznél).
A 100nF-ot én általában nem csak a tápegységhez, hanem minél közelebb az IC, vagy félvezető lábaihoz szoktam ültetni. Ha így is gerjed, akkor marad a Zobel-tag, az megoldja a problémát, bár a TDA-s kapcsolásokban szerepel ez a két alkatrész.
Köszi szépen a tanácsodat ezt az oldalt át fogom olvasni .
Köszönöm szépen a segítséget, amint lesz időm el is kezdem megépíteni mert már nagy szükségem lenne egy szépen működő erősítőre.
Esetleg tudnál adni valami támpontot milyen trafót keresgéljek vagy hogy merre? Leírásod alapján valami 20-30 volt közötti legalább 4-5 amperes kellene hozzá akkor?
Szia!
Én a 24V-os biztonsági trafókat ajánlom, az pont 32V körül lesz egyenirányítva, és általában olyasmi teljesítményűek mint ami kell neked. Elég elterjedt típus, néha olcsón ki lehet fogni, de érdemes pincében/műhelyben is körbenézni, lehet van is egy ismerősödnek, én is kaptam már így.
Így van. Én is 24V AC trafót használok. Egyenírányítva, pufferelve kb. 32V lesz, ami tökéletes az IC-nek. Ajánlom itt a fórum apróhirdetéseit nézdd végig. Szerintem van is neked megfelő, kersgess. Aki keres talál.
Most már sztereó ez a tda 2030 100w hidam. Igaz kicsit nagyobb a keleténél
|
Bejelentkezés
Hirdetés |





Azt hiszem ezzel nincs gondom már megtudnám profin is csinálni, de még sok minden nem tiszta nekem. 












Egyébként ha mindent jól csinálsz és nem vezérled túl, akkor nem fog gerjedni, és brumm sem lesz. Ez csak megfelő táprész kialakításán és megfelő vezetékezésen múlk. A 4 ohm -nak nem szabadna gondot okozni ennek az erősítőnek. Nekem 2 ohm -ról megy mindenféle mellékzaj és torzitás nélkül. 








