Fórum témák
» Több friss téma |
Csak fotózni tudtam... de olvasható
Hello!
A csövesnek a nagyfeszét úgy gondolták szerintem, hogy 2 kisebb, pár VA-es transzformátort kellene "szembe" kapcsolni. Az első -ami ellátja a fütést is - szekundere rá van kötve a második - ami a nagyfeszt adja - szekunderére. Így a második trafó primerén ott vigyorog a nagyfesz. 2db 12V-os trafóra lesz szükséged, az elsőnek szerintem olyan 6,8VA-10VA bőven elég, míg a másodiknak már kisebb is elég talán, de lehet az is 6,8VA-s körüli, a nagyfesz oldalon nincs akkora teljesítmény igény,de ártani nem árt. A fütést egyenirányíthatod is, pufferelheted, stablizálni nem kell, ugyanannyi lesz a DC feszed ebben az esetben,mint az AC, vagy lehet AC is, de akkor két ellenállással ki kell közepelni. Ez a két trafós megoldás rengeteg gyári cuccban fellelhető, Mesa, H&K, keress rá pl a V-Twin torzító rajzára, ott láthatod a teljes tápegységet (az első trafó kivételével, mert azt dugasztáposra csinálták meg a tervezői). Ismertem régebbről ezt a csöves torzító témát...hát...Ezt a torzítót dilettáns tervezte, az biztos. Esetleg, ha érdekel, estefelé csinálok neked egy táp rajzot, ha mélyebb segítség kell ,vegyél fel nyugodtan msn-en, ha tudok és szeretnéd, segítek szívesen! Zsolti
Sziasztok!
Ismerős valakinek az MXR El Grande Bass Fuzz? Felkérésem van, egy ilyen építésére... Tapasztalat? Előre is köszi!
Körülnézek itthon milyen trafók vannak... msn em nincs mert nagyon utálom skype -od esetleg nincs?
Szia Future-Trabantos EcoPityu!
![]() Meghallgattam a cuccot, hát mit mondjak. Nem a leggyönyörűbb hang, de lehet valakinek épp ilyen effekt kell. Mivel utána néztem a rajzának, szinte teljesen halott ügy nincs róla dokumentum. Ezért ajánlanám bármelyik hasonló hangú fuzzt, amibe cserélsz nagyobb bemeneti kondit, és kicsit változtatsz a hangszínben. Esetleg Ampeg Scrambler? Az is basszra készült és ahhoz mindenféle rajz van, tény hogy kissé élesebb a hangja Tone nélkül. Nem adtam fel. 2 óra elteltével. Nagyon kemény dió volt ez az El Grande rajz, de meglett! Ha kell, akkor mit adsz érte? Jó hír, hogy még beültetési is van hozzá.
Nem azért, de nekem mindössze 2 percembe került...
Én nem kérek érte semmit, de szerintem a kollégának az is lehet, hogy megvan, csak tapasztalatot kért róla. Nem én készítettem, csak netes találat, ezért nem érzem korrektnek vele üzletelni...Szerintem szégyeld el magad ilyen kijelentés miatt egy DIY fórumon! Más kérdés, ha a te szellemi terméked!
Nincs skype-om sajnos, max msn-en tudok estefelé beszélni
Munka...
Értem... kerestem itthon trafókat de nincs olyan amit tudnék használni sajna majd kell vegyek addig félreteszem... Szóval 2db 12V os 10VA -s kell nekem. Amúgy ma keresgélés közbe megtaláltam és előszedtem a régi Regent 150K gitárkombómat (panel tört azt hidalgattam át) De érdekesen működik az előfoknál van a baj szerintem bekapcsolom az erősködöt és egy pillanatra van hang majd elhalkul és kis pihentetés után újra ez van. Egy efektet használtam előfoknak rányomtam a végfokra akkor szépen szól... 14V ot megkapja az előerősítő.. szerinted mit nézek meg rajta? Sajna kapcsrajzsom sincs róla...
Hi Zsozsóó! Csak ugrattam Pityut. Szerintem már Ő is megtalálta, ha esetleg nem volt meg neki. Amúgy itt egy másik schematic rajz is. (Valószínű ez egy eredetibb kapcsolás, viszont a pedál neve nincs feltüntetve, de az alkatrészek alapján El Grande-nak tűnik.)
Azt láttad ugye, hogy a http://www.handmades.com.br/ -ről van ez a cucc? Esetleg van hozzáférésed az oldalhoz? Mert sajnos új regisztrációt nem enged és az a böngészéshez elengedhetetlen. Lehet rengeteg érdekesség rejtőzik rajt. EcoPityu: - Nekem az a véleményem a pedálról, hogy ha kifejezetten ilyen megrendelést kaptál akkor készítsd el, mert nagy valószínűséggel ugyanúgy fog szólni, mint a Youtube-os hangmintákon. Legalábbis működnie kell. Természetesen a pdf alapján csináld.
Zsozsóó, witti!
Köszönöm a segítséget, a pdf-es azonnal elkészíthető, lézernyomtatósan szinte gyerekjáték! Még 062-őm is van itthon, de jó is, hogy a műszerembe vettem régebben... A hangjáról annyit, hogy tuti az emberünk is a youtube-osat hallotta, és ott lett forevör láv... Viszont úgyís hallani fogja, hogy csak csövesen lesz állat a hanga, hátha rá tudom sózni a piros mocskomat.. Witti, láttam a szmájlidat, nem is vettem bizniszajánlatnak a dolgot, max felajánlottam volna némi vatikáni valutát cserébe. Köszi mégegyszer, majd csevegünk, ha kész lesz, hogy milyen lett! Sziasztok!
Sziasztok!
Szeretném megcsinálni ezt a kapcsolást csak el akadtam a 2db tranzisztornál. Nem találok sehol még infót sem róla a hep251 és a hep801 a kérdéses alkatrész. Mivel lehetne helyettesíteni?
Hello!
Sima bipoláris tranzisztor meg jfet. A bipoláris a fázistolós oszcillátor, a jfet meg a szaggató "erősítő"... Bipolárisnak szerintem minden megfelel, bc556/7/8 vagy akármi bc kisjelű pnp tranyó. A fetnek meg szerintem akármi megteszi, bf245,2n3819 stb...Bár nekem furának tűnik az egész kapcsolás...Az oszcillátor még rendben volna,de a jfetes rész...nem tudom, olyan fura,én nem így oldottam volna meg a kérdést... Remélem azért tudtam segíteni! Zsolti
Ez tényleg tremoló, vagy ugyan azt csinálja, mint a gitáron az igazából vibrato kar?
Ez vibrató és közel sem ugyanaz a hatása mint a mechanikus tremolónak.
Most ezt nézem, de nem tudni, hogy a youtuben ki tudja, hogy igazából a vibratót és a tremolót felcserélték (nem baj, nekem akkor is marad tremolós a gitár
). Én meg nem tudom, hogy melyik a tremoló és a vibrató.. A mechanikus tremoló megint más, azt nem lehet elektronikával "utánozni"?
Eh.. Most értem haza bp-ről. vettem bc558-9 et 6-7 van itthon de fet-et nem. Ha van jobb ötlet arra a részre ami megoldható bc-vel az szívesen fogadom.
![]() Köszi!
Srácok!
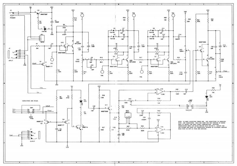
Van némi gond... Akárhol nézem ezt az el grande-ot, mindenhol csak 3 tekergető, meg a deep nyomógomb van rajta. A freq potit írja, hogy 100k-s, de nem trimmernek jelöli! Az gondolom valami aluláteresztő szűrő lehet, de, most tegyem ki azt a potit is? Nem tudom mit szól hozzá az a laikus zenész, aki max a youtube-os videókat látta, és belezúgott a 3 potiba... Tanácstalan vagyok! Gondoltam olyat is, hogy alulra fúrok egy lyukat, és oda egy csavarhúzós potit teszek, ha néha kell tekergetni, akkor lehessen. Szerintetek?
Hello!
Idézet: „ We took a classic 70's fuzz circuit, re-tuned it for more low end, and added a DEEP switch that delivers up to +15dB of monstrous bass that is internally adjustable between 87Hz - 113Hz.” Ezt találtam az Dunlop oldalán. Nem vagyok túl jó angolból, de ha jól értem nincs kivezetve. A helyedben én nem nagyon tennék még trimmert sem, egyszer az ügyféllel be kell állíttatni ,aztán fix értéket oda. Az egy ilyen girátoros megoldás, semmi egetrengető, csak egy kemény állítható frekvenciájú (30-40Hz-nyi tartomány) bass boost. Vagy vezesd ki potival szerintem (mondjuk a kapcsoló a doboz tetején, mint az mxr-nél és vele egy vonalban oldalra egy poti is bulis megoldás lenne...stbstb) vagy fix beállítás, vagy egyszerűen tényleg egy jó minőségű trimmer a dobozon belül és ha állítani kell ,akkor szétszed és állít. Az ilyet úgyis tök élvezik az emberek,ahogy észrevettem... Ennek a tápfesze nem vezet halálos áramütéshez, nuygodtan turkálhat benne bárki Én valami ilyesmit követnék el
Megvan a válasz!
3:45-nél állitgat valamit Az SW3-at kapcsolva a VR4-en! Akkor csak trimmer lesz a fenekén belül! Azért köszi!
Arra gondoltam hogy nem lehetne valahogy ennek a két kapcsolásnak az előnyeit ötvözni?
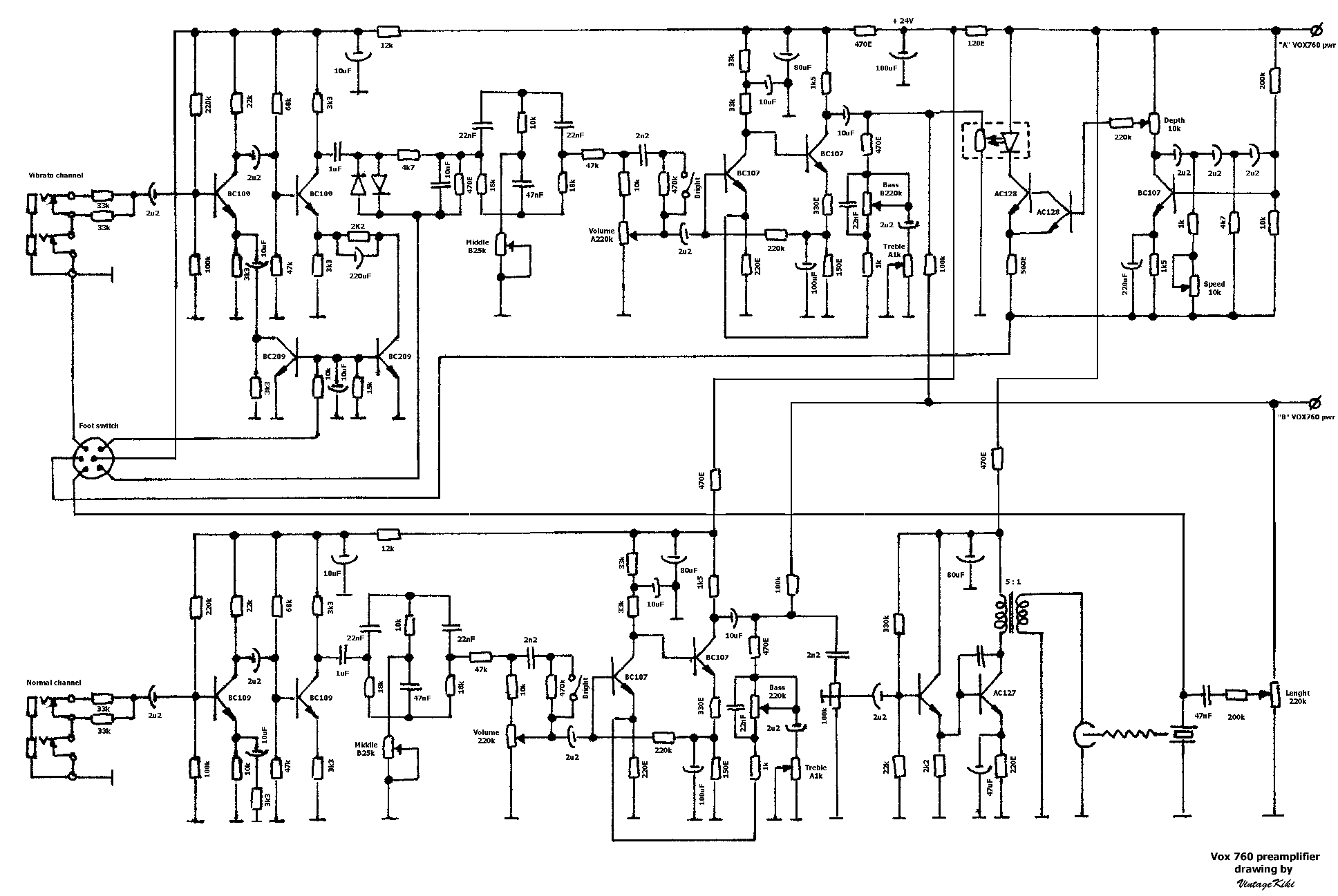
A Kay T-1 el az a gondom hogy az oszcillátor részen az R12 értékét nem értem mi az a 33E ? Továbbá az R15 C7 tag nem értem minek, és hova? R14 re meg azt írja hogy 68k leírásban meg hogy néha 10k, na ezt sem igazán értem miért. Amit hiányolok belőle az a Depth poti ami a másikban meg van. De a tranyók helyett elvileg jók a BC558-ak azok vannak, tehát alkatrész lenne hozzá az 5K-s potit kivéve, 25K-m van itthon. És ez menne 9V-ról. A "tremoloc.gif"-el az a bajom hogy nem tudok 18 voltot adni neki max 12V-t, de a Kimeneten lévő fet helyére sem tudok mit tenni nincsenek itthon fet-ek BC tranyó viszont egy zsákkal. Tudna segíteni valaki össze hozni egy jó kapcsolást? Ami fontos lenne 9-12V tápfesz, BC-kből meg lehessen alkotni, és hogy mind két poti benne legyen. Köszi!
Szia
Én is rákattantam a tremolóra és ezeket találtam. Gyári erősítő kapcsolások, ha nincs "nyomtatási hiba" bennük akkor tutira működik.
Köszi! Ezekre, sőt még sok másra én is rá bukkantam, de ezek nekem nem jók sajnos amit írtam hogy mi a lényeg egyikben sem felelnek meg.
Üdv, 660mH-s tekercset szeretnék csinálni wah-wah pedálhoz. Ha valaki esetleg tudna segíteni benne, az jó lenne(már kész a kapcsolás, csak a tekercs hiányzik). Milyen vasmagra érdemes?miből?mennyit?
Szia!
Az eredetiek ,ha jól tudom ferrit fazékvasmagon vannak. Lehet boltban kapni általában ,a régi Hagy magokon az Al érték is fenn van, van egy egyszerű képlet, ami megadja, hogy mennyit kell feltekerned adott induktivitáshoz. Az Al dimenziója nanohenry per menet négyzet, a képlet tehát Al{nH/me^2} = L {nH} / menet ^2 . Innen rendezd át menetre és megkapod, hogy egy adott Al értékű vashoz mennyi menetet kell feltenned 660mH re. Innen látszik, hogy a nagy Al érték azért jó, mert kevesebb menetszám kell azonos induktivitáshoz. Azért így sem lesz kevés, egy 1200 es Al-ű magra pl fel kell tenned 740 menet körül(remélem jól számoltam)...A huzalvastagságot szerintem a rendelkezésre álló helytől tedd függővé, túl nagy áram nem fog ott folyni, bírni fogja... Remélem tudtam segíteni! Zsolti
Köszi a segítséget.
Nemrég kaptam egy HAGY magot, 2700 van rá írva, gondolom az Al akar lenni, viszont elég kicsi:valamennyivel kisebb az átmérője mint egy 5Ft-os. Nekiesek kiszámolni, és csak összejön valmi
Valami nem tiszta nekem a képlettel kapcsolatban:s
Hello!
Mi nem tiszta? n = gyök ( L/AL). Esetedben 660mh kell. Az nanohenry-ben, ha jól számolom, akkor 660mH x 1000(uH-nél tartunk) x 1000(így lesz nH) = 660000000nH. gyök (660000000 / 2700) = 494, azaz 500 menetet feltehetsz. Remélem jól számoltam! Valaki erősítse meg, de szerintem rendben lesz! Azért fél henry nem kis induktivitás ám!
Ide a wah-wah-hoz ugye nem kell légrés? Mert akkor megtekerem toroidra.
Jó kérdés! Maga az induktivitás egy kérdés, de a tekercs dinamikai működése, maga a vas esetleges telítődése egy más kérdés. Szerintem megtekerhető bármire, nem fontos a légrés...Aztán a többi kísérletezés dolga
|
Bejelentkezés
Hirdetés |






Munka... 

). Én meg nem tudom, hogy melyik a tremoló és a vibrató.. A mechanikus tremoló megint más, azt nem lehet elektronikával "utánozni"? 






