Fórum témák
» Több friss téma |
Fórum » Kapcsolási rajzot keresek
Témaindító: Kallai Csaba, idő: Márc 11, 2006
Témakörök:
Üdv mindenkinek!
Kaptam a napokban egy Street VOX P6000.4B típusú autós végfokot, aminek sajnos a bal oldala teljesen néma. Állítólag a bekötésnél lett vele valami, talán a vég tranyók. Sajnos kapcsolási rajzot nem találtam hozzá, és így nem tudom hol is kezdjek neki, ha valaki tud segíteni akár kapcsolási rajzzal, akár kimérni, hogy mi a hibája. Azt kérem *** Köszönettel Lackó * Ez a honlap nem szervízszolgáltatásról szól .
Kiméred az alkatrészeket, valahogyan megjegyzed (lefotózod). Kiforrasztod az alkatrészeket, be scanneled és megcsinálod az új nyákot. Én ezt csinálnám.
Nincs látható vagy halható dolog, egyszerűen csak elindul de kizárólag a jobb oldal. A meghajtás jó mert másik végfokkal tökéletes mind a két oldal. Az alkatrészeken és a panelon nincs látható elváltozás, a hűtés rögzítés alatt sem. Ezért nem is értem miért kellene az előző hozzászólás alapján új NYÁK-ot készíteni.
A passzív alkatrészek kimérése nem okoz problémát, de pl a MOS-FET mérése, vagy hibás működés megállapítása, már nem megy, nem tudom hogyan lehetne. És nem találok hozzájuk helyettesítő alkatrészeket sem. Ilyenek vannak benne: FMG22R és FMG22S oldalanként egy egy, ez valami nagy sebességű szilícium egyenirányító diódák. K B778 O723 és K D998 O 728 oldalanként 2 pár van benne nem tudom mik ezek nem találtam adatlapot. P55NF06 egyik oldalon van 6 db Ezek nagy teljesítményű MOS-FET-ek. De többet nem sikerült kihámozni. Lackó
Szia.
Ha a másik oldala jó akkor ahhoz képest tudsz mérni. Először is nézd meg meg van-e a tápfesz,ha nincs akkor valószínűleg a kapcsitáppal lesz gond mérd ki a feteket meg a többi alkatrészt így.Ha megvan a tápfesz akkor jöhet a végfok vizsgálata kiszereled egyenként a félvezetőket és kiméred őket....és ha megvan a rossz csak írj ide a tranzisztorhelyettesítőbe,ha nincs a boltban...utána valami áramkorláttal jöhet a próba...
Sziasztok!
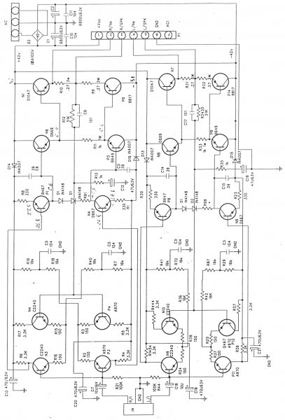
Van egy nagyon jó kis végerösitöm B817 és D1047-es végtranyókkal. Ezek elött van két kis tranzisztor, biztos azok lehetnek a meghajtó i a végtranyóknak. Volt egy kis zárlat és ezek a kis tranyók kifüstöltek. Az egyik tranyó szétcsattant és nem tudom a számát, amugy a másik tranyó B649A. Ezért szeretném hogyha valaki mutatna egy kapcsolási rajzot hogy abbó hátha megtudom hogy milyen tranyó is kell oda. Nem tudom milyen erösitöböl lehet ez a végerösitö, mert csak igy vettem magában(a képeken láthatjátok)
Sziasztok!
Valamikor régen, egy messzi-messzi galaxisban meg akartam építeni ezt a függvénygenerátort (Urbán Elektronika Kit). Sajnos akkoriban félbemaradt. Most került elő a szekrény mélyéről, gondoltam befejezem, de nem találom a kithez adott dokumentációt. (a Neten sajnos semmit sem találtam, még képet sem). Ha valakinek megvan kérem segítsen azzal, hogy felteszi ide! Köszi!
Helló!
Valaki nem tudna nekem adni egy nagyon egyszerű rendőrségi sziréna kapcsolási rajzot?
Tedd a tranyók neve elé, hogy 2S , máris megtalálod őket.
Üdv.
Ez az?
Üdv.Bővebben: Link
Egy kérdést a fórmban csak egy helyre teszünk fel. (Egyébként a helyén kaptál választ is.)
A tranyókat megtaláltam eddig is, csak kapcsolási rajzot nem találok, még ugy se ha eléirom hogy 2s!
Reménykedek hogy ez a tipus lessz! Azt majd csak holnap tudjuk meg hogy jó lessz-e vagy nem.
Köszönöm a segitséget.
Tényleg ilyen tipusu tranyó kell. Találtam kapcsolási rajzot, sőt azt is megtudtam hogy mibe volt ez a kis erösitö és azt is megtudtam hogy 2*120W-ot le bir adni.
ilyn cuccba van: http://www.torg.ua/items/kirovograd_audio_i_video_ativnye_kolonki_f...183112
Keresem egy Videoton RA6350S (Aida) típusú rádió rajzát, amelynek a végfokja 2*30W-os, vagyis 9 tranyó van oldalanként a végfokban, máshol nem találtam, csak a 7 tranyós változatot. Előre is köszi!!!
Sziasztok!
Én egy 55cm-es Alien TV-hez keresek rajzot. Típus : RF21TX Sasszi : 02TA062B Google-val erre a sasszira számra keresve több helyen láttam , hogy PT92 sasszira hivatkoznak. Ezek szerint megegyeznének?
Sajnos ez még mindig nem az, még van benne 2 tranyó, úgy teljes a rajz, egyébként ugyanezeket találtam.
Arról nem is beszélve, hogy ez még 7 tranzisztorosként is hibás rajz!
STK 7226 hoz keresek kapcsirajzot , A gugli barátom
2 óra alatt sem tudott adni nekem
Szia!
Rajz: Bővebben: Link
Sziasztok . Egy kapcsolási rajzra lenne szükségem egy SABA S7040C típusú TV-hez .ha valakinek meg van és el küldené azt meg köszönném.
Szia!
Ez ICC20-as sasszi, úgyhogy kattints a Get Manualra lent.
köszia segítséget már meg oldottam .
Nem mellesleg az a 7 tranyós hibás rajz elvileg a 2x20W-os végfok. Olyan nincs, hogy nincs a 2x30W-oshoz rajz(munkapont beálltó ellenállások is égtek le)
:rinya: |
Bejelentkezés
Hirdetés |









örök hálám ! 