Fórum témák
» Több friss téma |
- Ez a felület kizárólag, az elektronikában kezdők kérdéseinek van fenntartva és nem elfelejtve, hogy hobbielektronika a fórumunk!
- Ami tehát azt jelenti, hogy a nagymama bevásárlását nem itt beszéljük meg, ill. ez nem üzenőfal! - Kerülendő az olyan kérdés, amit egy másik meglévő (több mint 17000 van), témában kellene kitárgyalni! - És végül büntetés terhe mellett kerülendő az MSN és egyéb szleng, a magyar helyesírás mellőzése, beleértve a mondateleji nagybetűket is!
sziasztok. Nekem az lenne a kérdésem hogy egy subládát szeretnék be kötni két meglévő hangfalamhoz aminek 2 csatornás erősítője van a subláda erősítője 1 csatornás. Kell hozzá hang váltót bekötni a subládának? Mert elvileg az erősítő 30-150 Hz szűri. De valahogy nem akar működni.
Sziasztok!
Azt hittem már tudok valamit, de mégsem. Kísérletezgetek a logikai kapukkal. Elsőre egy 4081 AND IC-vel. 7.láb GND; 14.láb +5VDC. Input1 tápon, Input2 "sehol" és a kimeneten 2,5 VDC van. De miért? Ennek nem úgy kellene működnie, hogy ha inp1 és inp2 is H vagyis 5VDC akkor out1 is H vagyis 5VDC egyéb esetben nulla a kimenet? Hogyan kerül oda a 2,5VDC? És akármekkorára állítom a tápfeszt annak a fele lesz a kimeneten amikor 'szerintem' ott 0V kellene, hogy legyen.
A logikai kapuk bemeneteire mindíg korrekt logikai szintet kell adni. Mindíg mindegyikre.
Nem igazán értem amit írsz.
Sehol sem láttam, hogy a bemeneteket külön húzkodják GND és táp között. Amit én próbáltam: 555 IC monostabil módban. Az AND kapu in1 lábára megy az 555 kimenete az in2-re pedig egy kapcsoló. Én azt szerettem/szeretném volna elérni, hogy ha az 555 épp magas szintet ad ki tehát 5V és megnyomom a kapcsolót ami az in2 lábon van akkor a kimeneten is 5V jelenjen meg. Ez megy is, de akkor amikor L szint kellene, hogy legyen a kimeneten mert vagy az 555 kimenetén nincs H vagy a kapcsolót nem nyomtam meg akkor is 2,5V van a kimeneten ami szerintem nem normális.
És ha a kimenetet húznád le a földre mondjuk 100K-val?
Szia!
Logikai áramköröknél nincs olyan, hogy "sehol", vagyis sehova nem kötöd be. Van a "H", és az"L" jel. A "H"-ra kötöd a lábat, akkor az rákötöd a + tápra, vagy "felhúzod" egy ellenállással a "+"-ra. Ez az ellenálás ne legyen nagyobb 1-2Kohm-nál! Ha "L"-re kötöd a lábat, akkor az legyen vagy összekötve a testel, vagy esetleg párszáz ohm-os ellenálláson keresztül vezetve (húzva) a testre, "0"-ra. Ha szabadon (bekötés) nélkül hagysz egy lábat, azt az IC álltalában nem tudja értelmezni, vagy "H"-ra kötésnek veszi. (esetleg megzavarodik) Mindig minden lábat köss valahova, vagy "'H"-ra, vagy"L"-re, és ne hagyd szabadon. Ha segíthetek írj! üdv tibi
1cm3 víz=1gr-, előhívó anyag fs.x víz. Akármilyen (gyógyszeres) mérőedénnyel(ha lé). Szilárd anyag: szakácskönyv szerint. :yes:
Az és kapu egyik bemenetét az 555 "húzkodja" GND és a táp között. a másik bemenetét az és kapunak egy 1 k ellenállással felhúzod tápra, és ezt húzod le a GND re a nyomógomboddal.
Üdv!
A C-MOS ic-k áramkimenetűek,terhelés nélkül L logikai szinten is tudsz feszültséget mérni.Terheld le a kimenetet,vagy köss rá egy ledet,ugy láthatod a kimenőjelet is.
Üdv!
Szeretném megcsinálni a mellékelt ábrán látható áramkört. Megvettem az infra vevőt hozzá (SFH5110-30) és a zacskón amibe benne volt az van ráírva, h 4,7µF 50V (smd 105°C). A kérdésem az lenne, h a kapcsolásban egy 10µF-os kondi van és ahelyett 4,7-eset kellene beraknom vagy jó a 10µF-os?
Üdv!
Az lenne a kérdésem, hogy kell ellenállás helyére potmétert kötni? A poti melyik lábára mit kell kötni?
A csúszkát össze kötöd az egyik végével, és innen már gondolom egyértelmű.
Azt szeretnéd, hogy tudd állítani az ellenállás értékét, vagy fix értékre van szükséged?
Hello!
Ez erős tévedés. A CMOS IC kimenete egy komplementer MOS tranyó, ami terheletlen és L szintű kimenet mellett, igen közel 0V feszültségen van. Ugyan így Terheletlen H szint esetén, majdnem tápfeszültség van a kimenetén. Azért van az, hogy áramkimenetűnek gondolod, mert a nyitott meghajtó Fet-eknek van csatorna ellenállása (tehát nem nulla), és az korlátozza a kimeneti áramot. De nem ez a normál logikai működése. üdv! proli007
Hello!
Ebből aztán nem sok dolog derül ki.. Mi is ez valójában? üdv! proli007
Így kösd be. A két láb ami pirossal van összekötve az egy szál dróttal kösd össze, hogy máshoz ne tudjanak hozzáérni, A feketével jelölt pedig megy az ellenállás helyére.
Köszönöm szépen mindenkinek a válaszokat!
Hétvégén meg is építem!
Köszönöm, akkor 10µF-ossal csinálom.
Remélem jó lesz.
Sziasztok!
Ezt a tápegységet szeretném megépíteni: Bővebben: Link Van egy 2x24V-os trafóm (max 1,2A leadott árammal szekunderenként) és arra gondoltam, hogy megépítem kétszer mindkét szekunderhez ezt a tápot. Viszont azt nem tudom, hogy a táp kimeneteit sorbaköthetem-e. Úgy értem, hogy közös földpontnak vehetem-e az egyik kimenő ágát és a másik bemenő ágát. Így szabályozható +/- szimmetrikus feszültséget állítana elő, maximálisan 2,4A-t leadva.
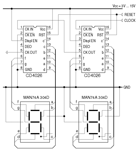
Van egy rejtélyes problémám egy 2 digites számlálóval me itt van tudnátok nekem tippeket adni mi lehet a probléma!!???
honnnan nekem az a problémám hogy valamikor a G segment aktv valamikor meg nem? próbanyákon megéptettem ott jó volt most pedig nem
Kérlek segííts
Annyira nem vágom a témát, de biztosan valami hiányzik. Rajz van?
mindent átnéztem már érintkezési helyeket megnéztem nem érnek össze a forrasztások sem viszton multiméterrel megnéztem és a G kimeneten mindg van jell!!
Foggalmam nincs mi lehet a baj....... |
Bejelentkezés
Hirdetés |









Kérlek segííts 
Foggalmam nincs mi lehet a baj....... 




