Fórum témák
» Több friss téma |
Hi!
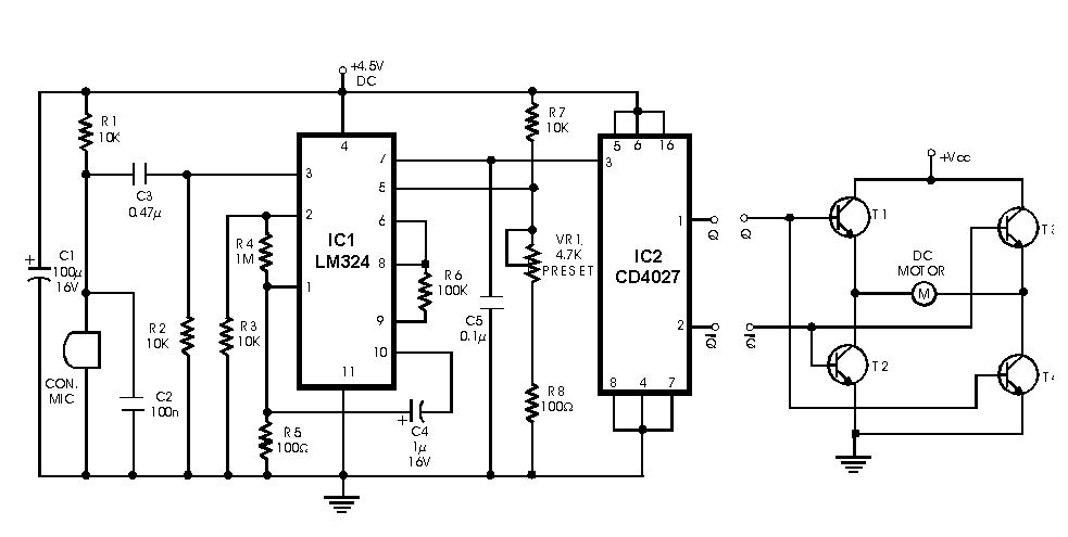
Lehet hogy én vok hülye de , meg elég hülye kérdés de a motornál lévő tranyók(T1-T4-ig) mit kell be tenni? Ha vki tudja mondja meg nagyon meg köszönném.
Sziasztok!!
Van nekem egy flower nevű fényem egy kicsit régi darab de én nagyon szeretem. Na az lenne a lényeg hogy volt benne egy olyan panel ami mély hangok hatására a motor forgás irányt váltott. De sajnos ez a panel tönkrement még az előző tulajdonosnál és nincs meg. És nekem egy olyan panel kéne végül is ami 12V-ról megy és két motort kéne neki meg hajtani de lehetőleg úgy hogy amikor az egyik irányt vált akkor a másik ellentétesen váltson irányt. Két 12V micró motor és a panelhez való trafó 12V 50W. És nagyon meg kérek mindenkit aki küld nekem kapcsolási rajzot az csak is JÓT küldjön mert már meg építetem egy rosszat. Ja és lenne még egy nagy kérdésem lehetőleg már meg tervezet rajzok legyenek . Előre is köszönöm a segítségeteket remélem hogy minél hamarabb tudtok segíteni. Bye Dj Peat voltam.
Sziasztok segítsetek már mert nagyon fontos lenne kösszi.
Bye Dj Peat.
Azt szeretném tudni, hogy mellékelt motor vezérlő csak a forgás irányt váltja, vagy amikor nincs zene meg is állítja a motort, mert nekem olyan kéne ami megállítja a motor mozgását, ha nem szól semmi. Ha ez nem ilyen lécci linkeljetek be olyat amit ezt tudja!!!!
Sziasztok
Nem olyan régen találtam nálatok egy kapcsolást amit le tőlőttem. De sajnos nem tudom megrajzolni mert nincs hozzá meg felelő program és persze a hozzá kellő tudásom. DE szívesen meg tanulnám de nem tudom hogy hogy kell hozzá állni, és mi alapján kell meg csinálni és hülyeséget nem akarok csinálni. A rajzot haverom segítségével át alakítottam és ez elméletileg jó. És abban szeretném a segítségeteket kérni hogy valaki lenne olyan rendes és elmagyarázná nekem hogy hogyan kell vagy meg rajzolná nekem. Én nagyon meg köszönném!! A segítségeteket előre is köszönöm. Bye.
fogj kockás papírt + cerukát és rajzold meg, régen is ez volt!
üdv :yes: Ez egyszerű a motor kapcsoló Hid aljába vagy tetejébe 1 áteresztú tranzisztort kell rakni Ezt meg vezéreld a időzítő monostabil kimenetéről. Ami nem más mint a IC2D IC2C kapuk ponált / negált kimenetei Elhagyhatod a "lökdőső multivibrátort" (IC2A és IC2B) is Lásd előző hozzászólásom : (#2236) Kera_Will válasza Kera_Will hozzászólására (#2222) Itt a teljes rajz és átalakithatod ahogy írtam http://www.hobbielektronika.hu/forum/files/c2364ce5d782a9a94a8505db...3a.gif
Sziasztok
Meg rajzoltam ezt a kapcsolást de nem vagyok a rajzban biztos hogy jó. És azt szeretném meg kérdezni tőletek hogy szerintetek jó-e. Mert nem régiben meg építetem egyet ami szintén azt mondták hogy jó de a végén kiderült hogy nem jó. Nagyon szépen kérlek benneteket segítsetek mert nagyon fontos lenne. És ha nem jó akkor tudnátok nekem olyat adni amin nem kell semmit sem változtatni hanem csak rajzolni kell és kész. Köszönöm a segítséget meg egyszer ezer köszönet. Bye Dj Peat voltam.
Olyan kapcsolási rajzot keresek, amelyikkel egy motor forgási iránya váltakozna a zene ütemére.(pl a fényeffektekben)
Nekem egy olyan kene,hogy egy kis IC bizonyos idokozon kent 2 motor fordulatszamat illetve a forgas iranyat valtsa.
Peldaul:elindulnak a motrok egy iranyba,az egyik lassul,a masik gyorsul,es utanna az egyik forditva forog,es ugyan csak ismetlodik a sebesseg eltolodas.
Idézet: téma ide áthelyezve. „motorfordulat irányváltás ritmusra”
itt egy jo kapcsolás. én nem ezt használom, de egy nagyon hasonlot csak más ic vel. nekem 4013 és 4011 van benne. egyébként a 4011 3,6,12 es lábára lehet kötni egy tranyot ami tud vezérelni egy plusz motort. (swing, shark)
valaki csinálhatna hozzá egy normális nyákot.
hát én ezt nem értem. eddig mindenki nyüszitett egy jo kapcsolásért most meg senkinek sem kell. na ezután igy rakok ki bármit is. ha esetleg mégis érdekel valakit, rakjon ki egy rajzot meg egy nyákot is.
Szia
Engem érdekelne csak már annyi panelt meg csináltam és ebből még egy sem volt jó. Ezért egy kicsit bizonytalan vagyok most a panel készítés terén. Yyy meg szeretném kérdezni tőled hogy amit fel raktál kapcsolást az így biztos jó mert ha igen akkor meg csinálom a panel rajzát. Mert engem érdekelne a két motoros vezérlés is azt meg tudnád mutatni nekem egy piszkozatban hogy is néz ki mert akkor azt is meg rajzolnám már alapból bele. Előre is köszönöm. Bye Dj Peat Fájl: Bővebben: Link
ez a rajz biztos hogy jo. némi modositást lehet csinálni. a második motort egy npn tranyoval lehet vezérelni aminek a bázisát egy 10 kilos ellenáláson keresztül 4093 3,9,12 lábcsoportra kell kötni. aztán nem ártana esetleg a 741 visszacsatolását dinamika kompresszorosra átalakitani. igy csak egyszer kell beállitani a szintet aztán mindenféle hangerönél müködik rendesen.
megcsináltam a nyákot hozzá. benne van a második motor helye is. van benne néhány átkötés a tápban. silabizáld ki. ha nem tudod ne is álj neki. az 555-nél a 470k/330n cseréld ki 150k/1µF ra.
Fájl: Bővebben: Link
majd elfelejtettem. a beültetési rajz a nyák felöl van. és csak tájékoztato jellegü. hogy mégis nagyjábol hogy néz ki. nem minden alkatrész az aminek ott látszik.
na akkor itt a jo rajz a nyákhoz. most már akkor mehet a disco lámpa gyártás. ha lesz idöm kirakom a léptetö motoros verziot is de az csak egy motoros.
Szia yyy.
Lenne egy kérdésem ezzel a panelrajzzal kapcsolatban. Szerintem nem jó CD4013 IC-nek a láb kiosztása. Azért mert a 10 láb megy a 3 és a 13 lábba, mikor a 9-nek kéne 3 és 12-be. Vagy rosszul gondolom. Ezt nem piszkálódásnak vagy bármi ilyesminek vedd mert csak kíváncsiságból kérdezem. Ja és még azt szeretném meg kérdezni hogy a stabilizáló IC-nek mit használjak szerinted. És meg szeretném köszönni az eddigi segítségedet. Bye Dj Peat voltam
megnéztem de én ugy látom hogy a 9,3,12 van egybekötve. a 3 a 13 mal nincs is szembe. 14 lábu a tok. a panel 7812 höz van tervezve. !!!vannak benne átkötések!!! három vagy négy. egyébként nekem ez a kötyü müködik az egyik lámpámban . annyi külömbséggel hogy annak a panelját még kézzel rajzoltam.
Szia
Köszönöm szépen a segítséget akkor most már meg merem csinálni. Még egyszer ezer köszönetem ja és akkor ez a kapcsolási rajz ehhez készült? Bye Dj Peat voltam. Fájl: Bővebben: Link
Kedves drága dídzsé pít.
Örvendenék, ha ebbe a témába és sehova soha máskor nem töltenéd fel azt a füzetből szkennelt rajzot. Csak ezen az oldalon 5-ször szerepelt ugyan az a fájl. Hivatkozzál rá. Üdv. Topi.
Szia
Topi elnézésedet kérem többet nem fog előfordulni. Vagy is jobban fogok figyelni. Bye Dj Peat
nem tudnál egy olyan kapcsolási rajzot felrakni amit én is megértek?
nekem is eltudnád küldeni?
itt a címem: arni-1994@freemail.hu köcce
Segítséget szeretnék kapni, hogy hogyan tudnék mély hangra hangra forgásirányt váltó motorhoz vezérlőt csinálni. Mivel csak 13 éves vagyok ezért nem nagyon értem a bonyorult kapcsolási rajzokat. Úgy hogy ha lehet akor ne bonyorítsátok túl. Csak egyszerűen.
előre is köcce!
ja és ha lehet akkor monhátok meg hogy miet hol találok hozzá vagy hogy miből tom kiszerelni meg ha lessz róla kép akkor lécci azt is tegyétek föl. Köcce!!!!!!!!
|
Bejelentkezés
Hirdetés |




, meg elég hülye kérdés de a motornál lévő tranyók(T1-T4-ig) mit kell be tenni?
Ha vki tudja mondja meg nagyon meg köszönném.









köcce




