Fórum témák
» Több friss téma |
Megpróbáltam Tinába megcsinálni az a ledes villogó kapcsolást ami a egyszerű kapcsolásokban található a hobbielektronika honlapján. Nem nagyon értek az elektronikához de milliméter pontosan lemásoltam, de nem működött. Valaki segítsen. Miért?
Az elektronikai szimulátorok többsége ideális alkatrészekkel számol, S emiatt az a kétledes villogó mehezen tud beindulni mivel a két tranyón egyforma vezérlés van jelen, avagy kialakul egy egyensúlyi helyzet ami a valós kapcsolásnál semmiképpen nem fordulhat elő. A valóságban két tőkéletesen egyforma alkatrész nincs, S ezért az egyik tranyó valamivel hamarabb kezd nyitni mint a másik és a villogó innen kezd indulni - pulzálni. ...
Próbáld meg az egyik tranyó bázisát földre lehúzni. :yes: Ezzel a technikával az EWB-s kapcsolást sikerült beindítani. Lehet, h. a tinánál is beválik. Nekem ez volt a tapasztalatom...
Sziasztok
nekem egy olyan aramkor kene,amivel a led vilagitasi idejet lehet szabajozni Pl.2sec ig vilagitson es utanna villanjon fel a kovetkezo led ami csak0.5 sec ig vilagit Elore is kosz
És a második LED felvillanása után rögtön világítson az első újra?
sziasztok
Igen nekem ugy kene,de egyszerre csak 1 db led vilagitson :yes:
Akkor neked változtatható kitöltési tényezőjű astabil multivibrátor kell.
Igen nekem egy olyan aramkor kellene de nincs hozza kapcsolasom
:no: Ha valaki kuldene nekem egy ilyen kapcsrajzot annak nagyon megkoszonnem :yes:
Hirtelen EZT találtam neked. Ez azt csinálja amit szeretnél, de ennél van egyszerűbb is jóval.
Ez jonak tunik meg is tudom csinalni
de ha van egyszerubb kapcsolas azt is szivesen megneznem Es koszi a kapcsolast
sziasztok!Szerettem volna építeni egy olyan 2 ledes villogót ami nem csak simán villog hanem vátoztatja a sebességét is. Kitalátam hogy továbbfejlesztem !
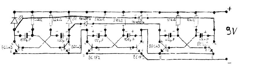
A 2 LED helyére nem ledet raktam hanem még 1-1 villogót, és beállítottam úgy az értékeket hogy kb. 5 másodpercenként váltson. Az egyik oldal úgy van beállítva hogy gyorsan a másik pedig lassan villogjon. A 4 LED-ből egyet- egyet összekötöttem egy diódával hogy hogy csak 2 led villogjon egyszer gyorsan egyszer lassan.Mivel a Bc182 tranzisztor nem tud nagy áramot kapcsolni ezért kicseréltam egy BD243 tranzisztorra, miven én nem egy ledet akarok villogtatni hanem vagy 30-at. Itt egy kép, és az általam kitalált kapcsolási rajz.
Sziasztok! Szeretnék építeni egy olyan ledes villogót amely négy négy 100x-os fényű ledet villogtat a csatolt kép szerint. A lehető legegyszerűbb megoldás kellene és 12 V-ról menne. 555-össel próbálkoztam, de nem igazán sikerült. Köszönöm.
(#23763) MaSTeRFoXX: rajz.gif
Vagy ez: Villogos_Futofeny_beallithato_impuzus_es_lepesszammal.jpg A MaSTeRFoXX-é egyszerűbb. Abban csak egy oszcilátor vezérli a másikat. Az enyém egy kicsit donyább . DE a sokféle villogás beállítható vele... :yes: Jó építést, bütykölést. Megnéztem a rajzodat, és egy-két módosítást eszközöltem rajta (utólagos engedelmeddel ). Így jobb lesz a kapcsolás, (Remélem... Én PNP-sre alakítottam át a rajzot. Egy kis munkával könnyebén visszalakíthatod NPN-es re.) Próbáld meg a vezérlést és a teljesítményrészt egymástól elválasztani! Sok kellemetlenséget és bosszúságot lehet vele megelőzni! A ledekből készíts soros füzéreket, és arra méretezd az előtét ellenállást. Helyet és alkatrést lehet vele megspórolni. Erre is találsz példát a fórumon.... A rajzon a sematikusrészt, és az alkatrész értékeket értelemszerűen kell kiegészíteni. (A piros szín csak kiemelés, és nem hiba!) Valamint, ha az NPN-tranyót PNP-sre cseréled, akkor a tápfesz és kondik, és diódák polaritását is meg kell fordítani!!! Sok sikert a projektedhez.
én nem értem hogy miért alakítottad át a kapcsrajzot, de nem kétlem hogy működne így is. én megterveztem , összeraktam és megy !! tökéletesen. nekem így jó!! , már ha nem sértődsz meg
egyépként próbátam már 30 leddel is rendesen működött,semmi kellemetlenséget nem okoz ha a vezérlés nincs elválasztva a teljesítmény résztől. DE azért mégis kössz hogy kijavítottad a kapcsolási rajzomat.
, te azért bizosan jobban értesz hozzá mint ÉN.
Ez inkább csak ötletadónak szántam, S nem javítás.
Ezt én ÚGY oldanám meg.... Gondold át! :awink: Persze ésszerű határok között lehet egyszerősíteni, de az később visszaüthet... S örükök h sikerült egy müködőképes projektet kihoznod ebből az "egyszerű" kapcsolásból. Nekem is ezvolt a legelső kapcsolásom, sok sok évvel ezelött!
Hello, én is megépítettem a szerkezetet, de sajnos nem működik normálisan. Csak az egyik led ég folytonosan. Mi lehet a probléma?
A kondikat jó polaritással tetted be?
Ellenőrizd a tranyók helyes bekötését is.
Megpróbáltam a kondik fordított polaritásával is és ugyanaz a helyzet, a tranzisztorok szerintem jól vannak bekötve. Nem tudom mi lehet a probléma
Amúgy ezután a rajz után csinláltam:
Pedig itt sok hibalehetőség nincs.
Biztos mindent jól kötöttél? Nincs hibás alk.rész? Esetleg fényképet tudsz mutatni róla?
A kondikat bekötöttem már sokféle képpen (remélem nem öltem meg őket), de mégis ugyanaz a hiba. Mihez tudnám viszonyítani a kondik polaritását? A képekböl nemtudom mennyit lehet kivenni, sajnos csak ez van
Na kiszedtem a kondikat, kipróbáltam, és kondik nélkül is ugyanaz a helyzet, ez akkor azt jelenti, hogy a kondik bekötésével vagy magukkal a kondikkal van valami igaz? Ja és bocsi a moderátoroknak a dupla hsz-ért de nem engedte módosítani
A jelölt kondit fordítsd meg!
A dupla HSZ-ért szerintem nem szólnak, de a "Válasz" gomb nemhasználatáért biztos.
1000 bocs, és köszi a segítséget, nagyon hálás vagyok
S < EZ > a kapcsolás (mostmár) neked rendesen működik?
Mert a kapcsolás PNP-s, s ezért a "2"-es csatiponton a + tápot, míg az "1"-esen a - tápot kapcsolod az áramkörre... S, h. mi az ami nemtetszik! Az pedig a D1 D2 helyzete! Meg kelle őket fordítani!
Hát őszíntén megmondom, hogy NEM! Annyi bajom volt már vele, annyiszor cserélgettem a tranyókat, hogy felvált a réz a nyákról. Persze rájöttem, hogy én hibáztam, először rossz tipusú tranyókat raktam, aztán meg jó tipusút de rosszúl kötöttem és kinyírtam, szóval ettöl a kapcsolás még lehet jó. Ezek után találtam ezen az oldalon egy nagyon egyszerű (számomra) kapcsolást és most azt szeretném megcsinálni (a másikat is csak azért választottam, mert volt hozzá nyákterv is). Reméljük az már működni fog, majd szólok. Szánalmas, hogy ennyit kinlódok egy ilyen egyszerű áramkörrel
De akkor sem adom fel
1. Használd a "válasz" gombot!
2. Ha ilyen "kísérletet" végzel, akkor célszerűbb egy "dugdosós" próbapanelon előbb összerakni. Akkor nem válik fel a réz a NYÁKról, és ha már rendesen működik, csak akkor készíteni hozzá NYÁK-ot. (Ez különben minden próba-áramkörre igaz...) |
Bejelentkezés
Hirdetés |




:no: 


. DE a sokféle villogás beállítható vele... :yes:
Megnéztem a rajzodat, és egy-két módosítást eszközöltem rajta (utólagos engedelmeddel 
Gondold át! :awink:
Amúgy ezután a rajz után csinláltam: 








