Fórum témák

» Több friss téma
Fórum » TV hiba, mi a megoldás?
Lapozás: OK   260 / 1283
(#) kadarist válasza tnorbika hozzászólására (») Máj 14, 2010 /
 
Itt csak a lencséket kell összehozni. Fedésbe kell hozni a három színt.
(#) kadarist válasza kopaszs hozzászólására (») Máj 14, 2010 /
 
A screenen tekerj feljebb. Nézzük meg, hogy a képcső megkapja-e a tápfeszültségeit. Megmérheted még a katódfeszültségeket is a képcsőpanelen.
(#) tnorbika válasza kadarist hozzászólására (») Máj 14, 2010 /
 
probáltam sajnos nem lehet.mikor mind1iket élesre állitom akkor a piros nagyon távoli árnyékos a kereszt meg nem találja meg
(#) tnorbika válasza kadarist hozzászólására (») Máj 14, 2010 /
 
akárhogy állitom a lencsét a piros sosem fedi a többit ha le szedem és alé teszek valamit akkor máshol megy kia piros vagy épp a betüknél
(#) kadarist válasza tnorbika hozzászólására (») Máj 14, 2010 /
 
A zöld van középen. Ahhoz ne nyúlj! Takard le a piros lencsét, és állítsd fedésbe a kéket a zöldhöz. Fekete-fehér képet használj!
Majd takard le a kék lencsét és a pirosat állítsd a zöldhöz.
Lehet, hogy a lencsék fókusztávolságai (nagyítás) is el van állítva, erre is gondolni kell! Ha már nagyon sok állítgatás után vagy, akkor nehéz lesz normálisan beállítani. És akkor még nem is beszéltünk a dinamikus konvergencia állításról, amit potméterekkel kell végezni.
Hát, Norbi, jól befürödtél ezzel a szörnnyel.
(#) kopaszs válasza kadarist hozzászólására (») Máj 14, 2010 /
 
feltekertem de semmi sötét és nem izzik pontosabban megtudnád mondani hol mit mérjek?
(#) kadarist válasza kopaszs hozzászólására (») Máj 14, 2010 /
 
Egyáltalán beindult a sorvégfok, vagy csak szisszen egyet bekapcsoláskor? Nagyfeszültséget jelenlétét lehet érezni?
(#) kopaszs hozzászólása Máj 14, 2010 /
 
őszintén szólva nem mértem még rajta semmit beraktam a sorkimenőt rákötöttem a kábeleket azt ennyi csak az ellenállást mértem meg amit írtál.Mikor bekapcsolom kattanik egyet meg ilyen gyújtó féle hangot hallok éles vagy nem is tudom hogy jellemeze.
(#) kadarist válasza kopaszs hozzászólására (») Máj 14, 2010 /
 
Ha a képcső tápfeszültségei megvannak a képcsőpanelon(200V, 150V), akkor működik a sorvégfokozat. Ezeket ellenőrizd először a rajz alapján.
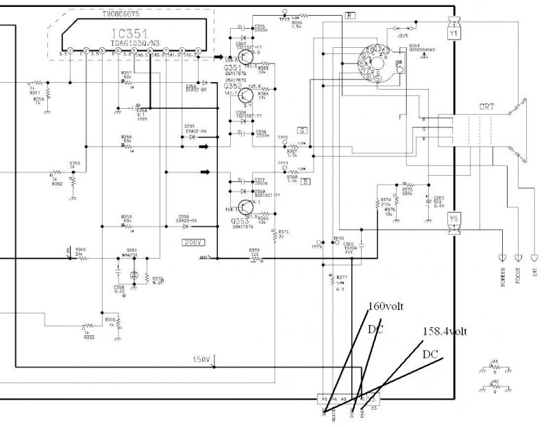
(#) kopaszs hozzászólása Máj 14, 2010 /
 
Nézd a képet ott vannak az adatok amit mértem most hogy tovább?Bocsi elnyomtam nem a válasz gombot nyomtam hanem uj kérdés feltevése mindegy legközelebb
(#) kadarist válasza kopaszs hozzászólására (») Máj 14, 2010 /
 
A 160V egy kicsit kevés. Szakítsd meg a 200V vezetékét valahol, mondjuk az R372-nél. Akkor mi történik? A katódtáp szűrője a C563 nem púpos? (sortrafó mellett)?
(#) kopaszs válasza kadarist hozzászólására (») Máj 14, 2010 /
 
nem púpos megnéztem sajnos megmérni nem tudom mert a multim kondit nem tud mérni akkor az R372 egyik lábát ki forrasztom.
(#) kopaszs válasza kadarist hozzászólására (») Máj 14, 2010 /
 
ugyan úgy nincs kép és nem is izzik annyit csináltam hogy kiforrasztottam R372 egyik lábát
(#) kadarist válasza kopaszs hozzászólására (») Máj 14, 2010 /
 
Mekkora a sortápfeszültség (150V)? A C861 sarkin mérd meg.
(#) kopaszs válasza kadarist hozzászólására (») Máj 14, 2010 /
 
rakjam vissza az R372? c861 162voltot mértem
(#) kadarist válasza kopaszs hozzászólására (») Máj 14, 2010 /
 
Az meg sok... Szerintem vidd el szakemberhez.
(#) kopaszs válasza kadarist hozzászólására (») Máj 14, 2010 /
 
az a igazság hogy nekem kéne valamit kezdenem mert beszéltem már szerelővel mivel hogy már csináltam vele valamit pontosan pl:kivettem a sorkimenőt és vettem bele másikat így már nem válalják ezért fordultam a fórum hoz hátha tud valaki segíteni ha azt nézem már így is haladtunk vele mert már azt tudom hogy amit vettem sorkimenő az jó.Még egy két ötlet és lehet hogy a hiba is meglesz mondjuk lehet hogy majd holnap délután jelentkezem de ha esetleg van még ötleted jöhet más nem ha úgy van holnap délután.Eddigi segítségedet is nagyon köszönöm.
(#) kadarist válasza kopaszs hozzászólására (») Máj 14, 2010 /
 
Oké, még gondolkozom a problémán.
(#) kopaszs válasza kadarist hozzászólására (») Máj 14, 2010 /
 
Oké köszi majd akkor holnap délután jelentkezem.
(#) jenci2007 hozzászólása Máj 15, 2010 /
 
Sziaztok


Hell Szereztem a grundig tv be bele valo tranyót de kivágja ugyan ugy egyből.

megnéztem a kondenzátorokat is jók azok is akkor mi lehet a baja mit nézek még meg ?
(#) kadarist válasza jenci2007 hozzászólására (») Máj 15, 2010 /
 
Meg is mérted a kondenzátorokat, vagy csak szemre nézted meg őket.
Ha jók a kondik, akkor vagy a meghajtó IC nyitja ki a tranzisztort, és ezért fut meg, vagy a sortrafó zárlatos.
(#) jenci2007 válasza kadarist hozzászólására (») Máj 15, 2010 /
 
igen kiméregetem a kondenzátorokat kőrűlőtte mindengyiket és jok . akkor meghajto ic lehet a probléma szentem nehéz lesz bele találni nemtudom van egy pár darab tv alkatrészem . Lehet abban találok . szented menyi az eséjem ?hogy találok vagy hagyam az egészet .?
(#) tvdvdszerviz válasza jenci2007 hozzászólására (») Máj 15, 2010 /
 
Ha magas a rendszertápod akkor is elszáll a sorvég tranzisztor. Rossz tranyó ki, indít,mér.. Ha megfelelő a tápod rajz szerinti, akkor oszcilloszkóp elő, és meghajtójel mérése a bázison... Ha hiányzik a meghajtó részt vizsgáld át. Ha magas a táp, a primerkör átkondizása /elkók/. Ha ezek nem mennek neked szakember kell hozzá.
(#) katona.t hozzászólása Máj 15, 2010 /
 
Helló

Vettem egy nagy Grundig színes tv-t. Típusa: ST82-675/9
Különösebb hibája nincs azon kívül, hogy nem tudom kezelni. TP661-es távot kaptam hozzá.
Csatoltam egy képet a távirányítóról.
Ha valaki tud user manualt, akkor annak is örülnék.
Menübe szeretnék bejutni, behangolni, elalvást kapcsolni...

PH_7.jpg
    
(#) kadarist válasza katona.t hozzászólására (») Máj 15, 2010 /
 
Szia!
Angol és német nyelvű beállítási útmutatót találtam. A P/C gombbal lehet a programozási módba lépni.
(#) kopaszs válasza kadarist hozzászólására (») Máj 15, 2010 /
 
Sziasztok újból vagyok még mindig tv ről van szó hang van kép nincs meg amire ugye tegnap jutottunk hogy csőfűtés sincs.Elmondom hogy hogy is történt a tv elromlása mert beszéltem a haverral aki-é volt hát ha ez segít valamit.Az volt hogy idább odább elment a kép azt mondja hogy oda ment a tvéhez megkopogtatta a tetejét azt egyszer csak vissza jött a kép ilyen többször is volt azt később olyan is történt hogy ki be kapcsolgatott a tévé de utána megint jó volt ez mondjuk sorkimenőre utalt azért csináltam hogy kicseréltem először egyből.De ez a kikapcs bekapcs csak egy szer volt utána sokáig napokig ment aztán elment és már hiába kopogtatta már nem jött vissza.Ugye tegnap arra jutottunk hogy most a sorkimenő működik de még mindig van valami hiba valahol van.
(#) kadarist válasza kopaszs hozzászólására (») Máj 15, 2010 /
 
A forrasztásokat átnézted rendesen? Ha egy készülék mozgatásra, ütögetésre helyrejön, akkor az valamilyen érintkezési hibára utal.
(#) dobo válasza kopaszs hozzászólására (») Máj 15, 2010 /
 
Én nem értek a tvk-hez de az én készülékem is hasonlóan rossz volt én nekiáltam és elkzdtem átforrasztani minden forpontot .
Amikor a felével végeztem már ment is a tv .
Azótta is megy .
Érdemes a melegedő nagyáramú részekkel kezdeni.
(#) kopaszs hozzászólása Máj 15, 2010 /
 
megnéztem még hozzá egy lámpás óriási nagyítóval ahol esetleg labilisabbnak láttam ott meg pöttyintetem az de nem igen volt ilyen amit meg kellett volna ez volt az első amit megvizsgáltam sőt meg is mozgattam a panelt meg a kábeleket is de semmi de tegnap volt egy pont ahol több áramot mértem mint amennyit kellet volna ez volt ugye C861 ez nem tudom mért lehetett.Én még arra gyanakodtam hogy valamelyik tranzi esetleg.Ja meg a régi tvékben volt az a Bu tranzik most ebbe is nem-e ezzel lehet a baj de nem is tudom hogy itt a bu helyet melyik lehet amit beleraktak vagy a Q551 vagy Q802
(#) kopaszs válasza kadarist hozzászólására (») Máj 15, 2010 /
 
bocs megint rosszra nyomtam
Következő: »»   260 / 1283
Bejelentkezés

Belépés

Hirdetés
XDT.hu
Az oldalon sütiket használunk a helyes működéshez. Bővebb információt az adatvédelmi szabályzatban olvashatsz. Megértettem