Fórum témák

» Több friss téma
Fórum » TV hiba, mi a megoldás?
Lapozás: OK   789 / 1280
(#) ared2 válasza granpa hozzászólására (») Márc 24, 2013 /
 
Nem tudod véletlenül a Szlovákok milyen kódba nyomják, mert ,ha MPEG4 akkor lehet hogy egy szoftver frissítés elég lenne és be tudná hozni a magyar adókat is?
(#) kadarist válasza ared2 hozzászólására (») Márc 24, 2013 /
 
MPEG2-ben adnak Szlovákiában és a tévéknél nem szokott működni a szoftverfrissítés, mert ott hardveres a dekódolás.
(#) roymen válasza BarnaPili hozzászólására (») Márc 24, 2013 /
 
Szia István!Igen jók a kondik a szekunder körben.Elindult a tv most már a földelősodronnyal együtt,csak még olyan hiba van hogy két
oldalon 10-10 cm fekete csík van függőlegesen.Ez gondolom valamelyik kondenzátor a vízszintes eltérítő körében.Ezt még kisakkozom,és remélem örülhetek.A sorkimenőről kijövő tappancsot vezetékkel együtt cseréltem,és így beindult a tv.Azt nem értem ha hiányolta a képcső a feszt az anódon akkor miért nem pattogott a sorkimenő?Na mindegy.Lényeg hogy eddig megvagyunk,mostmár csak a csíkokkal kell foglalkoznunk.Van vmi.tipp hogy melyik kondit cseréljem?
A hozzászólás módosítva: Márc 24, 2013
(#) BarnaPili válasza roymen hozzászólására (») Márc 24, 2013 /
 
A két függőleges csík egyenes,vagy van neki hasa?
(#) roymen válasza BarnaPili hozzászólására (») Márc 24, 2013 /
 
Hasa is van neki.Bocs hogy szakadozva írok de a műhelyem lent van a külső épületben,és még nem vittem le a netet.
A hozzászólás módosítva: Márc 24, 2013
(#) BarnaPili válasza roymen hozzászólására (») Márc 24, 2013 /
 
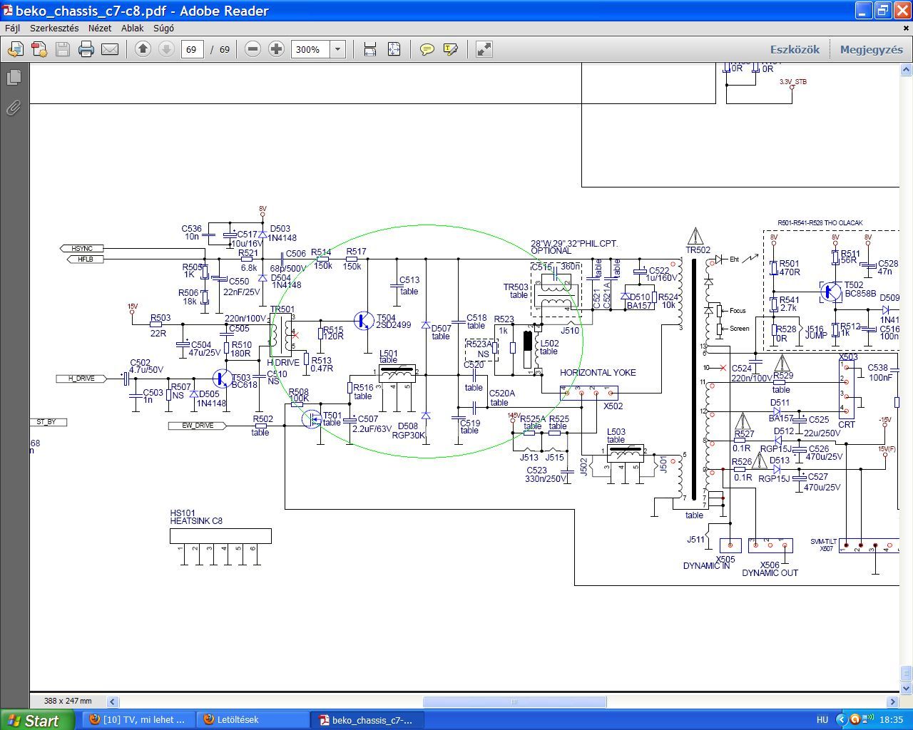
A csatolt rajzrészletben lévő alkatrészeket nézd meg! Amit leírtál az a raszterkorrektor hibája.

bekoc7.jpg
    
(#) roymen válasza BarnaPili hozzászólására (») Márc 24, 2013 /
 
C513, C518, C520, C520A, C506, D507 mérésre jók,de a diódán kívül nem tudok belerakni semmit,mert nincsenek itthon ilyen kondijaim.Holnap birok csak venni ha van az üzletben raktáron,ahonnan szoktam vásárolni
(#) kadarist válasza roymen hozzászólására (») Márc 24, 2013 /
 
A T501-et is ellenőrizd, és ha mérésre jók az alkatrészek, akkor nem kell őket kicserélni.
(#) BarnaPili válasza kadarist hozzászólására (») Márc 24, 2013 /
 
Azt hittem ez egyértelmű
(#) roymen válasza BarnaPili hozzászólására (») Márc 24, 2013 /
 
Ezt egy csatolmányban olvastam,ami a tanyáról lett letöltve.A fetet mérem mindjárt.
A hozzászólás módosítva: Márc 24, 2013
(#) BarnaPili válasza roymen hozzászólására (») Márc 24, 2013 /
 
Ez mind igaz,de neked most nem a sorvégtranyót zabálja a gép.
(#) kadarist válasza roymen hozzászólására (») Márc 24, 2013 /
 
A te esetedben nem a sorvégtranyó megy tönkre, hanem "csak" torz a kép.
(#) roymen válasza roymen hozzászólására (») Márc 24, 2013 /
 
Igaz,ezt benéztem.Annyira örültem neki hogy 6nap meló és mérés után beindult a tv,hogy már olvasni is csak a sorokon átfutva tudok.
(#) BarnaPili válasza roymen hozzászólására (») Márc 24, 2013 /
 
A C507-et ne felejtsd ki.Az egy elkó,ráadásul meg is van terhelve kicsit.
(#) roymen válasza BarnaPili hozzászólására (») Márc 24, 2013 /
 
C507-et már előzőleg cseréltem.Lehet hogy kapacitásszegény mert már jó pár éve porosodik a fiókban.Mindjárt nézek másikat helyette.
(#) roymen válasza roymen hozzászólására (») Márc 24, 2013 /
 
C507 cserélve,ugyan az a helyzet.Kép ugyanúgy párnatorzításos 10-10 cm-en
(#) bandesz hozzászólása Márc 24, 2013 /
 
Üdv.Mindenkinek!A gondom a következő,meghalt a LG 1921 tip lcd.Tv/monitorom.Tünete:Le lett állitva a számitógép.a moncsi készenlétiben állt,újrainditásnál átváltott a led pirosról zöldre,majd eltünt minden.A tápban találtam 2 db.1000 mikrós púpos kondit,cserélve.Próba,elvileg a tápok megvannak,de nem indul semmi.Ha találkozott esetleg valaki,hasonló hibával,a segitséget előre is köszönöm!Üdv:Bandesz.
(#) adika28 hozzászólása Márc 25, 2013 /
 
Sziasztok.Van egy TOSHIBA 43PH36P projektoros tévém és a képen látható hiba a jelensége.Ha tud valaki segítsen?Köszi!

Kép 001.jpg
    
(#) kadarist válasza adika28 hozzászólására (») Márc 25, 2013 /
 
Szia!
Tönkrement a konvergencia-áramkör. Van benne két STK IC, azok közük rossz valamelyik. A rajz letöltéséhez kattints az alul megjelenő "Get Manual"-ra.
(#) adika28 válasza kadarist hozzászólására (») Márc 25, 2013 /
 
Köszi kipróbálom. Szervízmenű van benne? Ha van nem tudod hogy tudok belelépni? Mert a sima menüben nem tudok oda lépni.
(#) adika28 válasza kadarist hozzászólására (») Márc 25, 2013 /
 
És még az a baja hogy a hangot leadja de a képet nem ,csak az osd-t
(#) pesti10 hozzászólása Márc 25, 2013 /
 
Szép napot!a tévém pár napja ezt a jelenséget produkálja!műsor alatt nem zavaró anyira de észrevehető!valami ötlet milehet a gond találkozott valaki hasonlóval?kép t-homos beltérivel ,házimozival antennával is próbáltam ugyanezt produkálja
(#) BarnaPili válasza pesti10 hozzászólására (») Márc 25, 2013 /
 
A videovégfok 200V-ját nézd meg.Illetve a segédrács feszültség szűrését.
(#) jalos hozzászólása Márc 25, 2013 /
 
üdv Mindenki.
LG 47LM 3000 LCD TV bekapcsolás után csak fel-fel villan a kép,utána készenlétbe kacsol.
Ötleteket szeretnék.
Előre is köszönöm.
jalos
(#) balulau válasza adika28 hozzászólására (») Márc 26, 2013 /
 
Szia!

Igen az STK IC a ludas ebben az esetben, sajnos nem is olyan egyszerű hozzájutni, és még drága is. Ha szerencséd van akkor csak az egyik rossz.

A kép problémára meg szerintem első körben menj végig a video panelen lévő csatlakozókon, el szoktak válni a lábak a forrasztási ponttól, egy után forrasztás jól jön.

Viszont a képnek ahogy látom már homorú a széle, ez legtöbbször kondi hiba. A "meleg" helyeken kéne kondit vizsgálni, látványos esetben már púpos, ha peched van akkor látszatra semmi baja, viszont értékét száradás miatt elveszti.

B.
(#) adika28 válasza balulau hozzászólására (») Márc 26, 2013 /
 
Köszi kipróbálom.
(#) roymen válasza BarnaPili hozzászólására (») Márc 26, 2013 /
 
Helló! Jelentem kész a Grundig C7-es tv.A sorméret a T501-es fet fölötti fóliaszakadás miatt nem volt tökéletes.Kijavítása után a kép tökéletes.3.5 órája jártatom hiba nem jelentkezett.A táp nemindulása,ill.a táp cincogása az MCR22-8 tirisztor hibája és a P601 10K USys beállító poti kontakthibája,TL431C cseréje,és a körébe tartozó smdk rossz forrasztása okozta.Köszönöm a segítséget Neked is és Kadaristnak is.
(#) BarnaPili válasza roymen hozzászólására (») Márc 26, 2013 /
 
Remek! Örülök,hogy sikerült megcsinálni. És nagyon szívesen.
(#) lacika5555 hozzászólása Márc 26, 2013 /
 
Tiszteletem!

Olyan kérdésem lenne lenne egy régebbi tv-m és a képernyőjén egy függőleges csík jelenik meg.
Szeretném megkérdezni meglehet csinálni vagy kár vele bajlódni?

Köszönettel Laci
(#) BarnaPili válasza lacika5555 hozzászólására (») Márc 26, 2013 /
 
Ha használni akarod,nem pedig a lomokat szaporítani,akkor mindenképpen érdemes.Írd le ide a típusát,és megpróbálunk kiokoskodni valamit.De így látatlanba a sorkimenő környékét nézd át.Szakadások,kirohadt forrasztások,eltérítő tekercs csatlakozó...
István
Következő: »»   789 / 1280
Bejelentkezés

Belépés

Hirdetés
XDT.hu
Az oldalon sütiket használunk a helyes működéshez. Bővebb információt az adatvédelmi szabályzatban olvashatsz. Megértettem