Fórum témák

» Több friss téma
Fórum » USB-s hangkártya PCM2902 IC-vel
Lapozás: OK   32 / 34
(#) storm válasza kérdező hozzászólására (») Szept 22, 2013 /
 
Szerintem még senkinek se jutott eszébe androiddal használni. Mintadarabot úgy tudsz szerezni, hogy beregisztrálsz a texas honlapjára, beregisztrálsz, ahol meg kell adni egy csomó adatot, aztán csak kosárba kell tenni amit kérsz és 2-3 nap alatt megérkezik.
(#) Szpisti válasza storm hozzászólására (») Szept 25, 2013 /
 
Szerintem sem jutott eszébe senkinek androiddal összehozni, mert evidens hogy nem létezik hozzá ilyen driver.
A korábbi kérdésedre azóta gondolom rájöttél a válaszra, a PCM audio data "egység" a számítógép felől usb-n jövő adatfolyamot jelképezi, a 10-14 lábak, ami a "controller" lenne, pedig vagy egy processzor vezérlés ami a különböző üzemmódokat tudja beállítani, vagy egyszerűen fix potenciálra kötve állítanak be egy fix üzemmódot.
Ha rákeresel a chiphez tartozó kapcsolási rajzokra a guglival, ez egyértelműen látható.
(#) Helios hozzászólása Dec 19, 2013 /
 
Üdv. Úgy döntöttem hogy megpróbálkozom én is ilyen eszköz építésével. Kunyiztam a TI-től két PCM2902-es DAC-t, meg is érkeztek rendben. De. Szükségem lenne egy két információra, mégpedig azzal kapcsolatban, hogy az optikai kimenet működik-e rendesen, illetve lehetséges-e külső tápos megoldással elkészíteni az eszközt. Ha valaki tud válaszolni azt megköszönném.
(#) storm válasza Helios hozzászólására (») Dec 22, 2013 /
 
Szia!
Az optikait nem próbáltam, az 5V-ot pedig egy 'dugasz'tápról is kaphatja csak az usb földje és a táp földje legyen közös
(#) simib hozzászólása Jan 5, 2014 /
 
Sziasztok!

Valaki tudja, hogy ennél a kapcsolásnál: Bővebben: Link , a műveleti erősítőknek milyen erősítése van, amennyiben a megadott értékekkel állítjuk össze a kapcsolást?

Köszönöm!
(#) gyovcsi válasza Szpisti hozzászólására (») Jan 17, 2014 / 1
 
Ez tévedés. Az android beépítve tartalmazza a drivert a szabványos (01h) USB audio interface-hez. Magyarul egy USB OTG kábellel csatlakoztatva, azonnal, minden driver nélkül működik a hangkártya, és szól rajta minden (zene, rendszerhangok, stb.) Természetesen feltétel, hogy a telefon tudja az OTG funkciót. Én ezzel a külső USB-s eszközzel próbáltam: USB hangkártya
és több Samsung telefonnal.

Természetesen nem állítom, hogy minden telefonnal és tablettel működik, de amivel én próbáltam mind ment.
(#) Szpisti válasza gyovcsi hozzászólására (») Jan 17, 2014 /
 
Aha. És azokban a hangkártyákban PCM2902 chip lakozott?
Mert itt arról volt konkrétan szó.
(#) Szpisti válasza gyovcsi hozzászólására (») Jan 17, 2014 / 1
 
Na jó, meggyőztél Azaz meggyőztem magam, miután jobban körülnéztem.
Ezen az oldalon van egy alapos leírás és teljes építési doku a pcm29 családról, és megemlíti hogy kompatibilis a szabványos usb audio kodekekhez, köztük az androidhoz is.

Kösz hogy jelezted a tévedésemet
(#) petemazi hozzászólása Márc 11, 2014 /
 
Sziasztok!
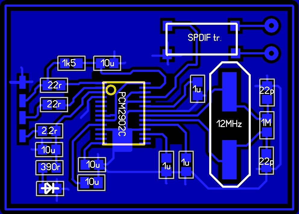
Valaki rápillantana a tervemre? A forrasztás tökéletes, a nyák tisztára pucolva, viszont nem ismeri fel a gép..
(#) bbalazs_ válasza petemazi hozzászólására (») Márc 11, 2014 /
 
Elso ranezesre az a 10u az 1.5K mellett soknak tunik.
Masreszt elso korben probald minden csatlakozas nelkul, 1.5K-t pedig vedd ki, hogy ne huzza a vonalat semerre.
(#) didyman válasza petemazi hozzászólására (») Márc 11, 2014 /
 
Az a kondi maximum 2 µF lehet, az ajánlott értéke 1 uF.
(#) petemazi válasza bbalazs_ hozzászólására (») Márc 12, 2014 /
 
Ha nincs bent az 1k5, egyáltalán nem ismeri fel a gép. A 10u is egy korábbi terven 1u volt, de valahol olvastam, hogy ha nem ismeri fel, akkor oda ajánlott nagyobb kondit tenni. Melyik csatlakozásra gondolsz? Az spdif kimenet? Egyelore nincs bent a trafó, szóval a levegőben lóg az a láb.
(#) petemazi válasza petemazi hozzászólására (») Márc 12, 2014 /
 
Csináltam egy fotót, sajnos ez a legjobb amit ki tudtam hozni. Jól szét van már taknyolva, de zárlat, szakadás sehol nincs, az alkatrészek jó helyen vannak..

pcm.jpg
    
(#) bbalazs_ válasza petemazi hozzászólására (») Márc 12, 2014 /
 
Bocsi, de mi a kulonbseg a "nem ismeri fel" es az "egyaltalan nem ismeri fel" kozott?
Egy tippem lenne meg: esetleg a ket lab fel van cserelve D+ es D- ?

Probald megmerni kozvetlenul az IC lab toveben (a tokbol kijove) a labakon a tapot es a foldet, valamint a kivant le- vagy felhuzasokat, hogy megvannak-e rendesen.
Aztan kivennem az 1M-t onnan es kisebb/nagyobb kondikkal is probalkoznek.

Ha mas nincs, betennek egy 1u-s kondit es az 1.5K helyere egy potit es tekergetni/probalgatni...

Igy a NYAK-ot elnezve en a helyedben kimernem a ket adatvezeteket, hogy az IC-hez tenyleg eljut-e. A csati masik feletol az IC labaig...
A masik, ami gyanus, az a kristaly es kornyeke.
A hozzászólás módosítva: Márc 12, 2014
(#) petemazi válasza bbalazs_ hozzászólására (») Márc 13, 2014 /
 
A win kiírja, hogy nem tudja felismerni az eszközt. Az 1k5 nélkül nem történik semmi amikor rádugom a gépre.
Annyit cserélgettem már a D+ D- vezetéket, hogy feljött már alóla a pad..
Otthon megméregetem újra, de úgy emlékszem minden a helyén van. Megpróbálom az 1M nélkül is, most kondiól 22pf van benne, de 33 is volt már.
(#) bbalazs_ válasza petemazi hozzászólására (») Márc 13, 2014 /
 
Az nem jelent jot, akkor esetleg az IC nem mukodik. Mert barmi, ami terheli a vonalakat, a Win eseten kivaltja, hogy elkezdi keresni az USBs eszkozt. Tehat a ket usb szal vegen akkor nem erzekel semmit, ha nem keres.
Tehat elvileg kell mennie az 1K5 nelkul is, legalabb keresesi szinten.

Tovabb nezegetve a NYAKot, nem vagyok memgyozodve, hogy minden lab erintkezik. Nagyon picik a PADek a labak alatt. Szoval amit tegnap irtam, probald a lab toveben a tokhoz minel kozelebb merni a kivant ertekeket.
Van masik IC-d?
A hozzászólás módosítva: Márc 13, 2014
(#) petemazi válasza bbalazs_ hozzászólására (») Márc 13, 2014 /
 
Berosálok, rájöttem. A 8-9 láb nem 3,3V-ra volt kötve, hanem az SSPND-re. Mondjuk ezután rejtély, miért nem működött egy másik terv amit innen töltöttem le, és a készítőjénél ment.
(#) bullwebster válasza storm hozzászólására (») Márc 31, 2014 /
 
Van az ic-n két láb, ahova eepromot lehet kötni, abba kéne valami szaftver amivel látja az android, avagy esetleg ott lehet elnevezni az eszközt. (tehát az eepromból olvassa ki a nevét a win.
(#) djklein hozzászólása Júl 20, 2014 /
 
Sziasztok! 2db digitális bemenetre lenne szükségem a laptopomon. Hogyan oldható ez meg? Egy időben 2db cd lejátszó sztereo digitális jelét szeretném a laptopon rözíteni USB- keresztül. Fordított konverterből milliószámra találok USB-->SPDIF de bemenetre még csak utalást sem. Kemény 10-ezrekért sem szeretnék hangkártyát venni ha nem muszály. Van erre egyszerű megoldás?
(#) pixels válasza djklein hozzászólására (») Júl 20, 2014 /
 
Szia! Két hangkártya is megoldhatja a dolgot, csak a szoftver, amivel rögzítesz, tudjon kezelni két jelforrást egyszerre. Akár a PCM2902 IC-vel is építhetsz ilyet, láttam is ilyen projektet, talán ide a topikba is be lett linkelve. A lényege, hogy egy USB hub, és két PCM2902 volt egy dobozba építve, így lett egy-egy sztereó analóg/digitális bemenet a számítógéphez.
A hozzászólás módosítva: Júl 20, 2014
(#) djklein válasza pixels hozzászólására (») Júl 23, 2014 /
 
Szia! Igen közben már én is utánnanéztem, 2db PCM2902 + egy usb hub valóban megoldaná a problémám. A szoftver képes több jelforrást is kezelni sztereo esetében az oldalakat külön is két monoként stb... ez nem probléma.
(#) djklein hozzászólása Júl 23, 2014 /
 
A problémám az hogy a jelenlegi felállásban a rendszer a cd lejátszó analóg jelét digitálissá alakítja a PC feldolgozza majd újra analóg jellé alakítja megy a keverőbe ahol ismét digitálissá alakul majd a keverő kimenetén újra analóg konvertálás következik. Ez tök felesleges a lejátszónak van digitális kimenete a keverőnek van digitális bemenete így a jel digitális formában haladhat végig csak az utolsó lépésben a keverő kimenetén van szükség D/A konvertlásra. A PC-t nem tudom kihagyni a láncból így ehez kell olyan eszköz ami fogad digitális audio jelet. Körülbelül 10-15 ezer forint egy hangkártya amint van 1db digitális bemenet ebből kellene kettő de ennyit nem akarok most rá költeni.
A hozzászólás módosítva: Júl 23, 2014
(#) djklein hozzászólása Júl 24, 2014 /
 
Tudna nekem valaki linkelni egy nyák tervet ahol minden ki és bemenet megvan? Valami hasonlót szeretnék építeni. 6db RCA csatlakozóval. Potméterek nem kellenek.
(#) Szpisti válasza djklein hozzászólására (») Júl 24, 2014 /
 
Ez itt pl ?
Elég részletesnek tűnik...
(#) djklein válasza Szpisti hozzászólására (») Júl 24, 2014 /
 
Ezt én is megtaláltam de ez már túl részteles a toslink ki és bemenetek a gombok feleslegesek nekem azokat el lehetne hagyni és egyszerüsíteni.
A hozzászólás módosítva: Júl 24, 2014
(#) djklein hozzászólása Júl 24, 2014 /
 
körülbelül ennek a rajznak kellene a nyák terve
(#) neogeo2 válasza djklein hozzászólására (») Szept 4, 2014 /
 
Egyszerűen ki lehet hagyni a felesleges alkatrészeket a nyákról
(#) janikukac hozzászólása Szept 13, 2014 /
 
Sziasztok!
Hibakeresésben kérek segítséget! Építettem korábban több hangkártyát, abból van is egy ami még most is jó állapotban van, akkor tökéletesen működött. Most Windows 7-em van, s kb. 30 próbálkozásból 1x ismeri fel a számítógép, többször nem, pedig régen tökéletes volt. Elolvastam itt sok mindent, gyantát letöröltem amennyire csak bírtam, átforrasztottam az IC-t, stb. de nem javult. Nagy szükségem lenne rá jövő héten, szóval most meg kell oldjam. Ötletek???
(#) frecsko válasza janikukac hozzászólására (») Szept 13, 2014 /
 
Szia!

Szerintem a W7 driver-ével lehet gond. Ha eddig XP alatt tökéletes volt, akkor nem a panelen lehet a hiba.
A hozzászólás módosítva: Szept 13, 2014
(#) janikukac válasza frecsko hozzászólására (») Szept 13, 2014 /
 
Most próbáltam ki egy XP alatt is, ott sem akar indulni... Amikor elkészült, akkor működött, annak viszont van már 2 éve legalább...
A hozzászólás módosítva: Szept 13, 2014
Következő: »»   32 / 34
Bejelentkezés

Belépés

Hirdetés
XDT.hu
Az oldalon sütiket használunk a helyes működéshez. Bővebb információt az adatvédelmi szabályzatban olvashatsz. Megértettem