Fórum témák
» Több friss téma |
Üdv, kaptunk egy iylen tv-t sajnos távkapcsoló nincs hozzá, de ez nem is lenne baj, csak nem tudom vele megjegyezteni a beállításokat. Gyk beállítok valamit elkapcsolok egy másik csatornára, visszamegyek és utána elvész a beállítás. Megnéztem az lcd mögötti panelt, nem láttam semmi különöset. Kivettem megpucoltam a csatlakozót, vissza. Most én vagyok répa a dologhoz vagy kiment benne az eeprom?
Üdv.minden beállítást a piross gomb. memorizálni kell. adót ,csatornát, fény/hang és szín.Ha nem megy ,ujra OPCIÓZNI. Tisztelettel Öreg T.
Üdv. Ha miután beállítottad a csatornát, villog a kijelző, a program+- gombokkal be kell állítani a kívánt program helyet, és utána megnyomni a memória gombot!
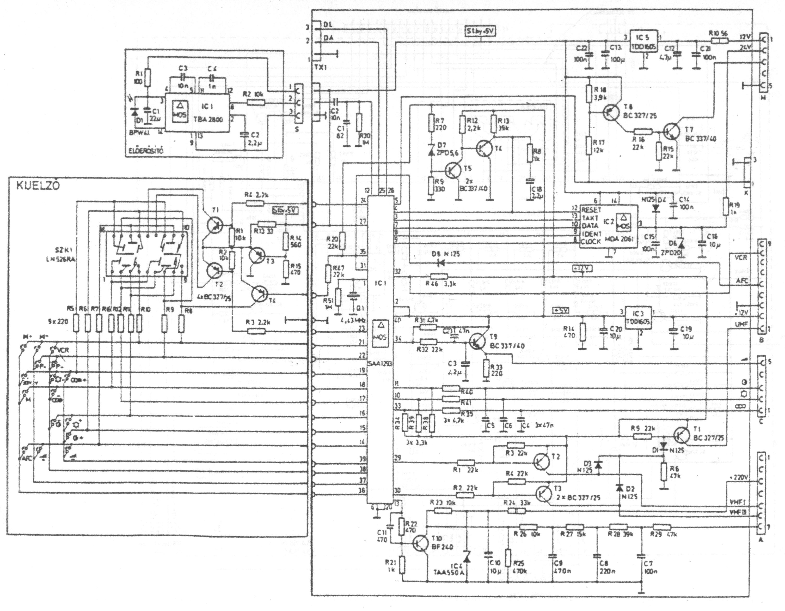
Ha így sem jó ellenőrizni kell a memória (MDA2061) 20 v-os feszültségét.
Hanyas lábon kapja a tápfeszt?
oregtamas0202: Mi ez az újraopciózás? Bocsi hogy tudatlan vagyok de tévét eddig max kiporoltam..
Az MDA a 20v-ot a 3-as lábon kapja, lásd melléklet.
Ha a tn-n a gombok azt csinálják ami rájuk van írva, a legritkább esetben kell opciózni, de ahhoz kell távirányító!
Ok, meg fogom mérni amint sikerül szereznem multimétert
Pákán kívül otthon maradt az egész felszerelésem..
Pont ugyanilyen TVt kaptam én is vagy kéthete
![]() És ahogy az le is lett írva, beállítot mondjuk az 1es csatornára, megkeresed az adót, aztán piros (M) gomb. így működnie kell ![]() puli
Sajnálattal hallom, mert ez nálam ugyan nem megy
Csak adná már a szomszéd azt a multimétert
Próbáld azt, hogy memorizálás után kikapcsolod. Meg nem mondom fejből hogy a miénk pontos típusát, de annál így kell.
Hármas és hetes láb között század pontosan 20 voltot mértem... Egyéb?
Mondjuk ki kéne cserélni a panelt, csak honnan a fenéből sz@rok másikat a helyére?
Szia
Az 5V részt elleőnirzd, ha már 4.8v kap az 5V helyet már meghülyülhet.
Kivettem az ic-t, megpucoltam a foglalatot, megpucoltam a lábalat, visszaraktam ugyanúgy, és most üvölt a hangszóró és ezt írja ki...
Hali!
Az RT ÉK1993-as számában szinte minden benne van, amit tudni kell, lehet, az említett TV-ben lévő mikrovezérlőről. Szerintem érdemes átnézni, hogy megértsd a működését. Többek között kiderül belőle az is, hogy a kijelzőn megjelenő karakterek, stb. mitjelentenek. Ja, és mivel kivetted a memóriát-t, szerintem egy-két beállítás elállítódott. (Ha nem tudod megszerezni, szólj, felrakom valahova.)
Jó lenne ha felraknád, uyganis most egy mobilnetről vagyok 100MB korláttal, szóval sok lehetőségem nincs keresgélni.. Mondjuk gondolkoztam abban, hogy elviszem egy emberhez aki újraírja a tartalmát, bár nem hiszem hogy sokat javítana a helyzeten..
Ok, akkor holnap felrakom, mert ma már lassan aludnom kéne...
Addig jutottam hogy mostmár számokat is ír ki 2.3 -.1 meg iylenek ha nyomkodom.. Ilyenkor kellene opciózni?
Hali!Bővebben: Link
Jelszó: HE Megnézem amint lesz valami értelmes netem, és le tudom tölteni(még vagy egy hét, aztán emgint egy hét amíg a közelében leszek a tvnek )
Mivel EEPROM van benne annyiszor veszed ki amennyiszer csak akarod nem felejt el semmit. Sokkal valószínűbb hogy rosszul érintkezik(elég gagyi a foglalat), vagy fordítva raktad be!
Két 5V-os táp is van, érdemes őket ellenőrizni, ha nem 78-as sorozat van benne hanem a TDD akkor azonnal ki kell őket hajigálni! Szerintem most azért is csinálhat hülyeségeket a Tv, mert az opciókat a memóriában tárolja, éh ha nem éri el a memóriát az opciókat sem tudja beolvasni!
Befújtam a lábakat kontaktsprével és hajlítgattam kicsit befelé rajtuk, most megy megint a tévé.. Eredeti baja változatlanul megvan.
Hali
Szüleimnek van ugyanilyen, csak TXT-sben. Az annyit csinált, hogy néha (pár naponta) felejtette csak el a beállításokat. Kiderült, hogy a proci panelon megnyúlt egy ellenállat. Nem emléxem melyik, de valami 1k körüli rémlik. Ha már kibontottad, a tápját kondizd át! Szekundert is! Legutóbb a mienknek ez volt a baja. Sok kellemetlenségtől megkíméled magad. Amik eddig előjöttek (hátha segít később): - A fent említett ellenállat - Táphiba először csak fütyül, majd megáll. (Frekibeállító?) 1u szikkadt. - Sokszorozó hiba - Színvégfok tranyó - Még egy táphiba a szekunder oldalon lévő 4u7 szikkadt a 14V-ban. - Most olyan párna mint állat. És a TXT nem vesz semmit. |
Bejelentkezés
Hirdetés |






Pákán kívül otthon maradt az egész felszerelésem.. 


) 
