Fórum témák
» Több friss téma |
Az lehet de semmi köze ahhoz hogy mi van a drót túloldalán.
Közben szétszedtem a gépet.Nos a nulla kizárólag a vezérlésnek és a 2 motornak van a fűtésnél össze vannak kötve a fűtőbetétek nullái egy közös csillagpontba.Azt gondoltam ki hogy 1 fűtőbetétet kötök be és annak adok csak nullát.Ennek így elvileg működnie kell és így jön ki az előző fotón látott 3200W os teljesítmény az 5400 helyett.
Bocsánat, eme kijelentés igazságtartalma nullához tendál.
Bocsánat, szerintem egy betét kevés lesz ahhoz.
A konyhánkba a konyhai felsőszekrénybe be van építve 3db 12V-os 35W teljesítményű spotlámpa. A hozzá beszerelt adapter 12V, max 105W, max 9A-t tud a secunder körön. Az adapterrel nincs is gond, csak a kijövő kábellel, ami eléggé melegszik. 0,75-ös kábel jön ki, majd ketté osztódik és az egyik ág megint ketté. Ez így üzemel kb. 4 éve. A feleségem takarításkor vette észre, hogy nagyon forróak a kábelek. Megvizsgáltam oly annyira melegszik, hogy a szigetelés már meg van merevedve rajta.
Hol a hiba? Milyen átmérőjű kábelt kellene használnom, hogy nem melegedjen? Bővebben: Link számlálója szerint, MSZ alapján elég a 0,75-ös, de a feszültségesés alapján 1,5mm-es. Akkor most melyik?
Szia!
9A-re már illik 1,5mm2 keresztmetszetet használni.
Cseréld le LED-re, ötöd annyit fog fogyasztani, és nem kell újrakábelezni sem !
A hozzászólás módosítva: Dec 16, 2014
Számolj a rosszabbal.A közös részeket legalább cseréld le vastagabbra.(akár a 2,5mm2 sem túlzás ha teljesen ki van használva) Hamár lámpa, akkor világításra fordítsa az energiát. Ami pozitív, az égő élettartamát növeli ez az alkalmazás.
Igen igen ismerős és igen csak meglepődtem
De mindig vigyázni kell mert mindenhol vannak ezermesterek is.
Szia! Van köze! Olvasd el a szerződésedet.
Mármint a vékonyabb vezeték növeli az égő élettartamát.
Üdv. Volna itthon egy Legrand 036 64 1000W-os távszabályozható moduláris fényerőszabályzóm. Az volna a kérdésem hogy az "A" illetve "B" csatlakozásra mit kell kötni? Már egy ideje a polcon porosodik,és nemrég elővettem,de sajnos nem tudom használni. A válaszokat előre is köszönöm.
Szia! Egy francia leírást találtam, egyszerű nem világítós kapcsolót kell rákötni. 1,5 mm2-es vezetéket javasol.
Tehát egy egysarkú sima kapcsoló,vagy nyomógomb?
Kapcsoló, de azt hittem egyértelmű lesz
Értem,és köszönöm a segítséget.
A fényerő szabályozóhoz nem kapcsoló kell!
Hanem nyomógomb. Egy kapcsolóval hogyan is szabályoznál, főképpen párhuzamosan kötve őket. Nyomógomb nyomogatásával lépteti a szabályozást.
Az 5.ábra lefordíttatása szerint egyszerű nem világítós nyomógomb.
Valóban, figyelmetlen voltam, elnézést a kérdezőtől is. A felfogásom lemaradt a nem világítós zárónál, a nyomógomb kimaradt. Az kell hozzá.
Nekem viszont a Legrand katalógus segített a rendelési szám beazonosításához.
Köszönöm mindenkinek a választ holnap kipróbálom,hogy működik-e még a ketyere.
Jó Estét Mindenkinek!
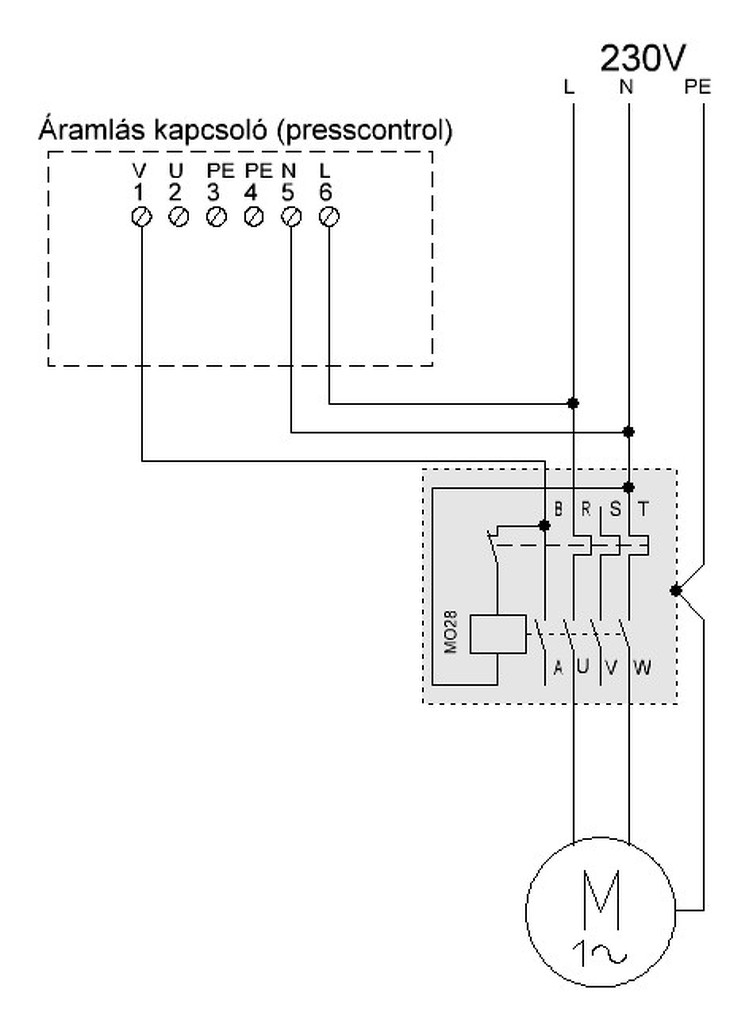
Van valaki aki tudna segíteni Ganz Mol28-as, olajos mágneskapcsoló bekötésében? Annyi a gondom, hogy eddig egy régi hidrofolt vezérelt. Két vezeték jött le a nyomáskapcsolóhoz. Erre szeretnék bekötni egy áramlás érzékelőt. Ez vezérelné a relét, ami indítja a szivattyút. Arra gondoltam, hogy a Motor "V" vagy "U" pontjára kötném azt az egy vezetéket, amire a régi nyomáskapcsoló adta a feszültséget. Csak azt nem tudom, melyiken jelenik meg az áram. Kép 1
Elsőre itt egy eredeti bekötési ábra az olajkapcsolóról.
Idézet: „Csak azt nem tudom, melyiken jelenik meg az áram.” Így nehéz pontos választ adni, mit értesz az "áram" alatt, fázist? Muszáj ragaszkodni ehhez a régi kapcsoló készülékhez? Nem volna jobb egy mai száraz mágneskapcsoló? De azért próbálok csinálni egy rajzot hamarosan.
Köszi szépen! Sikerült bekötni, annyi volt, hogy eddig fázis vezérelte a relét, viszont az áramlásszabályzó a nullát kapcsolgatja
Cserélni nem nagyon akarom, nincs vele semmi gond, teszi a dolgát.
Idézet: „áramlásszabályzó a nullát kapcsolgatja” Azért az optimálisabb volna ha a rajz szerint a fázis volna az áramlás érzékelő kapcsolt ágában, azaz a L-V között. Ugyanis e kettő pont között van a belső reléje.
Ezen még lehetne spórolni. Túl vastag az a szigetelés, elég lenne a fele is.
Ilyeneket már régóta kapni. 2x használtam, de nem győzött meg.
Én a két csavarosba is egymás mellé rakom a szálakat,és úgy csavarozom össze!
|
Bejelentkezés
Hirdetés |




De mindig vigyázni kell mert mindenhol vannak ezermesterek is.









