Fórum témák
» Több friss téma |
Fórum » Vitatkozzunk! / Beszéljük meg!
Moderátorok által fokozottan megfigyelt, és moderált topik!
Kulturáltan, egymást észérvekkel meggyőzni vágyók témája!
Bocsi, akkor félreértettelek!
Azt gondoltam, ha a csapágy sajtolt háza deformálódott, akkor az egyúttal csapágy tönkremenetelét is jelenti, vagyis nem gondoltam, hogy a csapágy és a csapágyház egymástól független elemek.
Nem kellene függetlennek lennie, de miután meglógósodott a csapágyház, így azzá vált. Tehát a csapágyra nem hatott nem rá való erő.
Idézet: „Ha mégis, akkor tönkremegy...” Nos ez így van, mármint viszonylag pirinyó nyomaték nagyon gyorsan tönkre tudná tenni a nem erre optimalizált csapágytípust. Csakhogy egyrészt a meghibásodás jellege (a csapágynak semmi baja csak kimozdult a helyéről) sem utal ilyen nyomatékra, sem a motor kialakítása nem valószínűsíti. Ilyen nyomaték csak akkor alakulhat ki, ha a tengely meghajlik. Persze mondhatod hogy esetleg meghajolhatott a tengely, de ez azért sokkal kevésbé reális mint az hogy szimplán az erőt nem bírta a csapágy háza. A rajzodon egyrészt az nem stimmel, hogy a csapágy által a tengelyre kifejtett erő felfelé hat valójában, másrészt tudtommal nem a hátsó csapággyal volt gond, így nem érdemes azon vizsgálni a nyomatékot, illetve a rajzodból semmi nem derül ki arról, hogy a nyomatékból mennyit vehetne fel a csapágy. Egy tipikus motornál ez a nyomaték szándékosan elhanyagolhatóan kicsire van méretezve a csapágyhorony profiljának segítségével. Radiálisan a kotyogás um nagyságrendű, ezzel szemben a tengelyek szögében 0,3 fok kotyogás teljesen normális, ami pl. 10 cm hosszú motoron a tengely 0,25 mm-es behajlásáig (ami brutális) biztosítja a feszülésmentes csapágyat. Ha pedig mégis ennél sokkal jobban meghajlik a tengely, akkor a lemezből sajtolt pajzs rugalmassága is engedi a csapágy elfordulását anélkül hogy a teljes nyomatékot felvenné.
A zöld X-l jelzett csapágynál maximum csavarónyomaték lép fel s nem forgatónyomaték.
A nyomatékot az erővel. Szerinted az erő változatlan, a nyomaték változó az erőkar függvényében, ráadásul fordítottan arányos (?!?) lenne vele. Nem tudom hogy ezt honnan vetted. Csakhogy a motor nyomatéka van megadva, az állandó, az erő pedig a fizika törvényei szerint csökken az erőkarral. De ezt már írtam.
Idézet: „Csakhogy egyrészt a meghibásodás jellege (a csapágynak semmi baja csak kimozdult a helyéről) sem utal ilyen nyomatékra, ...” A hiba, ami a kiindulási levélben volt éppen ez volt: a csapágyház megadta magát és ezért a csapágy kimozdult a helyéről. Emiatt nevezte gagyinak Sonajkniz. Idézet: „A rajzodon egyrészt az nem stimmel, hogy a csapágy által a tengelyre kifejtett erő felfelé hat valójában, másrészt tudtommal nem a hátsó csapággyal volt gond, így nem érdemes azon vizsgálni a nyomatékot,” Én nem a csapágy által tengelyre kifejtett erőt rajzoltam be, hanem a tengely által a csapágyra kifejtett erőt. Ez az erő okozta az elülső csapágyház deformációját, és a csapágy elmozdulását. Idézet: „... szimplán az erőt nem bírta a csapágy háza.” Pontosan ez történt. de ez nem a motor, hanem a tervezés hibája, szerintem... Idézet: „Ha pedig mégis ennél sokkal jobban meghajlik a tengely, akkor a lemezből sajtolt pajzs rugalmassága is engedi a csapágy elfordulását anélkül hogy a teljes nyomatékot felvenné.” Mindaddig, amíg ezek rugalmassága reverzibilis és nem okoz maradandó kárt. Illetve a tengely nem hajlott meg sokkal jobban (gondolom), hanem a csapágyház deformálódott. Ötvenkilenc kollégának: A zöld X-el jelölt helyen fellépő forgatónyomaték az ábra bal oldalán lévő nagyobbik kék erő (amit a lánchajtás aszimmetrikus terhelése okoz) következtében keletkezik. A berajzolt piros körív ott van, ahova rajzoltam: A lapra és a tengely hossztengelyére merőlegesen, nem pedig a tengely forgásának megfelelően, a 3D-t síkban ábrázolva.
Hát jól felfújtuk, de még a jelenség kvantumfizikai kitárgyalása hátravan.
És az sem tisztázott, hogy ezen a vonaton ülve, találkozott-e már valaki Richard Burtonnel?
Igen, a csapágyház adta meg magát. Nem a csapágy. Látsz itt bármit ami ellentmond annak amit írtam? Vagy épp megerősíteni akarsz engem? Nem világos hogy mi is a szándékod... Hogy ki szerint mi a gagyi, az jelenleg engem nem igazán érdekel.
Idézet: „Én nem a csapágy által tengelyre kifejtett erőt rajzoltam be, hanem a tengely által a csapágyra kifejtett erőt.” Akkor rossz helyre rajzoltad a nyilat. Az erő hatásvonalát a támadási pontból kellene indítani. Ha a csapágyra hat, akkor a csapágyból kellene indulnia. Vagy oda kellene írni hogy mit jelent. Meg a hossza sem reális/arányos. Már leírtam a mennyiségi és irány összefüggéseket. A berajzolt nyomaték meg ugyebár eredőben 0, hiszen nem kezdett el bukfencezni a motor. Idézet: „Ez az erő okozta az elülső csapágyház deformációját, és a csapágy elmozdulását. ” Akkor csak megérkeztünk oda amit eddig is írtam. Idézet: „Pontosan ez történt. de ez nem a motor, hanem a tervezés hibája, szerintem...” Lehet, illetve értelmezés kérdése. A kettő összefügg. Ez részben gazdasági döntés volt mindkét részről, mindenki spórolni akart. Idézet: „Mindaddig, amíg ezek rugalmassága reverzibilis és nem okoz maradandó kárt.” Természetesen. De ettől valószínűleg nagyon messze volt, illetve azt a szintet valószínűleg a brutális rezgés is elárulta volna.
Csak ahhoz óvodásokat kell hívni segítségül...
Még egy utolsó gondolat a gagyi - nem gagyi témakörben.
Mint így utóbb megtudtam, a vonat magyar gyártmányú. A gyártó a Zimmermann cégtől vásárolta a motorokat, kapcsolókat, sönt ellenállásokat. A most tönkrement vonat elektronikája már újítás volt. Amikor a motor odalett, a vonat tulajdonosa felvette a kapcsolatot a gyártóval, aki rögtön megrendelt két motort a Zimmermanntól. Ma megérkeztek a motorok. (Miután megküzdöttem a tönkrement felélesztésével.) A motor teljesen szerelten érkezett. Felfogatókkal, lánckerékkel. Láss csodát! Nincs elülső pótcsapágyazás, de van öntvény csapágyház! Ezek szerint még sem volt az a lemez vacak jó konstrukció.
Amikor először lett megvásárolva a gyártótól, akkor is lánckerékkel együtt kapta meg a vonat gyártója? A motor gyártója akkor tudta, hogy a motorja mire és hogyan lesz felhasználva?
Bárcsak nekem is ennyi időm lenne, hogy egy ennyire túlrágott csonton napokkal később is találjak még valamit
Süt a nap, menjetek sétálni inkább egyet, veszekedés helyett! A vonat már meg van szerelve, és viszi az utasait, ez a lényeg.
Valószínűleg az eladó Zimmermann cég tudta, mivel mint írtam a kapcsolókat és a söntöket is tőlük vette, ráadásul a kapcsolók direkt erre a célra készültek. Az egyik ugyanis irányváltást és az akkuk soros - párhuzamos átkapcsolását intézte egyidejűleg, a másik pedig jobbra 4 fokozattal a hajtást kapcsolgatta söntökön át, balra 4 fokozattal pedig fékezett. Tehát elég valószínű, hogy kifejezetten erre a célra megalkotott kapcsolók. A lánckerék motortengelyre rögzítésének technikája pedig ugyan az.
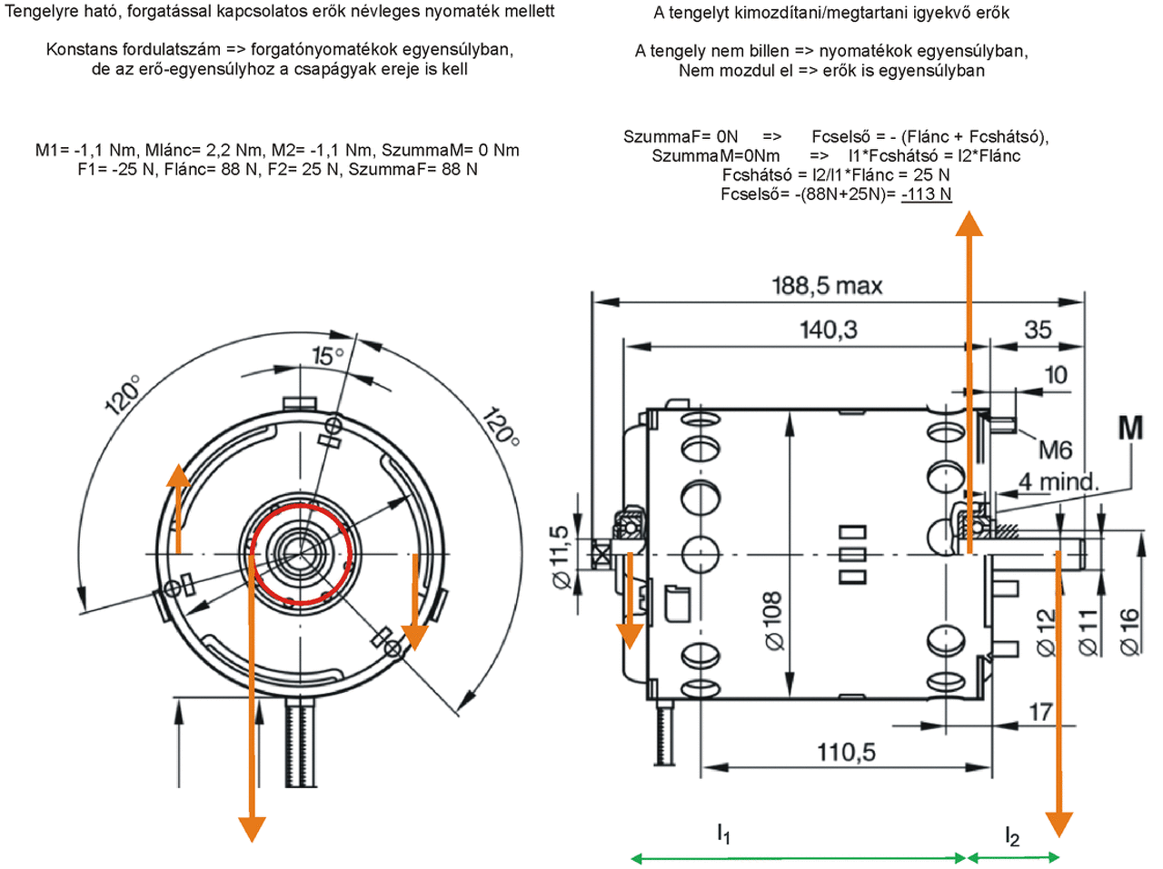
Itt a bonyolult erőszámítás ábrákkal, mert a jelek szerint nehéz térben gondolkodni.
"Ötvenkilenc kollégának:
A zöld X-el jelölt helyen fellépő forgatónyomaték az ábra bal oldalán lévő nagyobbik kék erő (amit a lánchajtás aszimmetrikus terhelése okoz) Azaz a túlfeszített lánc húzóereje? A lánckerék és a csapágy közötti tengelyrészre nem hajlítási erő hat? Vagy azt mondod, hogy az ott fellépő erő Húzó, hajlító) egy az egyben a hátsó csapágyra szerinted mint forgatónyomaté hat? következtében keletkezik. A berajzolt piros körív ott van, ahova rajzoltam: A lapra és a tengely hossztengelyére merőlegesen, nem pedig a tengely forgásának megfelelően, a 3D-t síkban ábrázolva. " Hmm hmm Az a fekete téglalap lenne a tengely síkban (2D-ben) ábrázolva?
Egyesek szürke betűvel írnak hozzászólásaikban és a moderátorok nem vadásszák le őket.
Miért ?
Az OFF bizonyos határig megengedett.
Hol van ábrázolva az M1, M2, F1, F2 stb? Maga a rajz sem igazi. A csapágymetszet mellett mi az a sraffozás? Mit jelölne? Mi az M és a 4 mind. Az átmérő megadásnál nem szokás a méretvonalat a méretnyilakon keresztül húzni.
A Boschnak van egy hasonlo motorja, aminek egy szép flansa is van, amivel meg lehet fogni a csapágyházat. Ezen ezt nem, látni, megint csak egy öszvér konstrukcio. (Lehet, higy a Zimmerman gyártotta az uj homloklapot.).
Idézet: „Hol van ábrázolva az M1, M2, F1, F2 stb?” Az alatta levő ábrán balról jobbra pont olyan sorrendben, ahogy a szövegben szerepel. Idézet: „Maga a rajz sem igazi. A csapágymetszet mellett mi az a sraffozás? Mit jelölne?” Kérdezd Robert Bosch-t! De nem tökmindegy? Idézet: „Az átmérő megadásnál nem szokás a méretvonalat a méretnyilakon keresztül húzni.” Szerinted ez egy valós probléma? Különösen az olyan hibákkal összemérve, mint hogy egyesek nem tudják megkülönböztetni a nyomatékot az erőtől, a hatást az ellenhatástól, a fölfelét a lefelétől, a vak tippelést a számolástól, stb...
Nekem az volt a célom, hogy egy szemléletes, egyszerű vázlatot készítsek, hátha a szemben álló felek a segítségével megértik egymás álláspontját (legalább részben). Erre te belekötöttél a 2 perc alatt, Paint-ben összedobott ábrámba (ahelyett, hogy a jószándékot észrevetted volna, és egyből támadtál engem...). Ezek után ne csodálkozz, ha a mérnöki precizitásodat számon kérik rajtad...
Idézet: „Hogy ki szerint mi a gagyi, az jelenleg engem nem igazán érdekel.” Kár... Mert éppen ez volt ennek a levélfolyamnak az elindítója!!! Eredetileg senki sem volt arra kíváncsi, hogy mekkora erők és nyomatékok vannak ebben a rendszerben, csak a gagyi - nem gagyi kérdésre ugrott pár ember. Idézet: „Ez részben gazdasági döntés volt mindkét részről, mindenki spórolni akart.” Ez a lényeg! A motor gyártója (gondolom) készít jobb minőségű mechanikájú motorokat is, bizonyára jóval drágábban. A szakember tudja, hogy min lehet és/vagy min érdemes spórolni, és min nem. Ez viszont egyértelműen a tervezés kérdésköre! Ha valaki spórolásból az adott célra nem megfelelő egységet (motort) épít be, az az ő hibája és ne mondja gagyinak azt a terméket, ami más célra egyébként tökéletesen megfelelne. Idézet: „adott célra nem megfelelő egységet (motort) épít be, az az ő hibája és ne mondja gagyinak azt a terméket” Te is felületes vagy kissé! Már volt többször is említve, hogy nem én építettem a mozdonyt, csupán javítottam. Azt pedig, hogy legagyiztam, változatlanul fenntartom. Miért is? Talán azért, mert napi szinten dolgozom villanymotorokkal, bár nagyrészt csak a meghajtásukról gondoskodom, ritkább esetben választom én a motort, viszont látok! Látom azt, hogy a legnagyobb teljesítményű lemezházas motor amivel eddig találkoztam, (ezen kívül) az akkus kerékkulcs motor volt. De annak meg a komplett háza az elülső pajzzsal együtt egy darabból volt sajtolva, siklócsapágyas, és speciálisan arra a szerszámra gyártott, rövid üzemidejű motor. Külön a kereskedelemben nem kapható. Golyóscsapágyas, folyamatos üzemű villanymotorban még ez idáig nem láttam ilyet. Pedig rengeteg különböző motorhoz volt már szerencsém.
"Az alatta levő ábrán balról jobbra pont olyan sorrendben, ahogy a szövegben szerepel."
Ott csak nyilak vannak más semmi! Nem azonosíthatóak a nyilak, kitudja mit jelentenek, mik lehetnek. például haladási irányt jelző nyilak. "Kérdezd Robert Bosch-t! De nem tökmindegy? " Nem . Egy műszaki ember ilyet nem követne el. Az hogy neked tök mindegy a szakmai hozzállásod mutatja. "Szerinted ez egy valós probléma?" Valós, hiszen a műszakirajz az egy dokumentum, azok az alapján készítenek el eszközt , épületet stb. Ha a dokumentum trehányul van elkészítve akkor az is amit elkészítenek az alapján. Na abból adódnak majd a gondok. Összedől az épület, szétesik a gép stb. Szerinted nem fontos, hogy a műszakirajz milyen? Hmm Micsoda jövő.. A hozzászólás módosítva: Máj 23, 2017
Idézet: „ne mondja gagyinak azt a terméket, ami más célra egyébként tökéletesen megfelelne.” Milyen igazad van! Hogy én erre nem gondoltam. Soha többé nem gagyizom le a két hét alatt szétmálló kínai papucsot. Hiszen ha nem a lábamra húzom, más célra tökéletes!
A két hét alatt szétmálló papucs gagyi! Egy másik papucs, ami normál körülmények között megfelelően hosszú ideig használható arra, amire való (pl. strand, uszoda, stb...), de télen, a hóban merev, rideg lesz és eltörik, az nem gagyi, csak nem megfelelő helyen/időben használták.
Valaki írta (most nem keresem vissza az előző 4-5 oldalon, és az állítását sem ellenőrzöm, de senki sem cáfolta, így nagy eséllyel el lehet fogadni), hogy ezt a motort ventilátorhoz használják. Arra valószínűleg megfelelő, mert nem kap a tengelye oldalirányú erőt.
Nos én az előző hozzászólásomat csupán poénnak szántam, de ha te komolyan vetted, akkor felhívnám a figyelmedet az előző hozzászólásom soraira.
Idézet: „az akkus kerékkulcs motor volt. De annak meg a komplett háza az elülső pajzzsal együtt egy darabból volt sajtolva, siklócsapágyas, és speciálisan arra a szerszámra gyártott, rövid üzemidejű motor. Külön a kereskedelemben nem kapható.” A lényeg a végén van. Mivel nem általános célú motor, így kereskedelemben nem kapható. Ha ezt a motort adott eszközhöz gyártották, miért tették kereskedelmi forgalomba? Idézet: Újabb téma, de ez jóval egyszerűbb, mivel itt nyomaték nincs, csak erő. Vagy fene tudja, megint összekeverem. „Soha többé nem gagyizom le a két hét alatt szétmálló kínai papucsot.”
Nem adott eszközhöz, hanem adott felhasználási területre, ahol nem hat a tengelyre oldalirányú erő.
Ha egy strandpapucsot csak nyáron a strandokon lehet használni, de télen a hóban nem, akkor "miért tették kereskedelmi forgalomba" és miért nem csak a strandokon árulják? |
Bejelentkezés
Hirdetés |






Süt a nap, menjetek sétálni inkább egyet, veszekedés helyett! A vonat már meg van szerelve, és viszi az utasait, ez a lényeg.


