Fórum témák
» Több friss téma |
Sziasztok!
Van egy Weller Wsp80 pákám , Wsd81 vezérlővel. Eddig szuperül működött. Most bekapcsolom és a kijelzője szerint felmegy egészen 500 fok fölé ( max 450 fok a normális ennél ) azután vissza 400 fok alá majd elkezd össze vissza értékeket jelezni. Fűt, de a forrasztóónt nem olvasztja meg. Vagy amikor bekapcsolom másik alkalommal, rendesen felfűt és egy kis ideig lehet vele forrasztani is . De később már nem olvasztja meg a forrasztóónt. Van valakinek tepasztalata ilyen hibával?
Elsőnek nézd meg a csatlakozásokat, hogy tuti nem kontakthibásak e. De szerintem a fűtőbetéted haldoklik. Annak is a hőszenzor része.
Törött kábel produkálhat ilyen hibát. Valamelyik ér (nagy eséllyel a hőérzékelőhöz tartozók közül) el lehet szakadva és nem mindig érintkezik.
Sípolós multiméterrel ki lehet mérni, de macerás.
Végigmértem de nem szakadt egyik kábel sem.
Viszont a hőérzékelő alapbol 28 ohm, és bekapcsolás után felmegy 60 ohm fölé is. a fűtőszál 7.1 ohm .
Akkor a termisztor meghibásodott, illetve nálam olyan probléma volt, hogy a termisztorhoz csatlakozó vékony kábel lett kontakt hibás, szétvágva a betétet belül a termisztor jó volt. Sajnos cserélni kell egyben. A vezeték körben a WSP80 fűtőszála, középen a termisztor.
A hozzászólás módosítva: Jan 17, 2016
Annyit sikerült még kiderítenem hogy van mikor a hőérzékelő ellenállása megáll 50 ohm nál és akkor beáll 450 fokra a páka, fűt is. Lehet szabályozni . Ha viszont bekapcsolás után felmegy 60 ohm fölé akkor már nem működik jól .
50ohm az 362 fok Celsius körülbelül. 450 fok Celsius az 57,1ohm.
A hozzászólás módosítva: Jan 17, 2016
Sziasztok! Kattogós weller pákához hol kapok értelmes, emberi áron ilyen hegyet? Ez a hegy 6-os, és cserélném ki 7-es vagy 8-as ugyan ilyen hegyre, de nem tudom lehet-e külön kapni, és ha igen hol/mennyiért? Előre is köszönöm a válaszokat!
U.i.: Ez speciel egy ic kiforrasztónak a hegy része, de az ónszipkázós is ilyen menetes végre csatlakozik rá. A hozzászólás módosítva: Jan 20, 2016
Kérdezd meg a C+F kft-től, ők biztosan be tudják szerezni, ha nem lenne raktáron.
Üdv Mindenkinek!
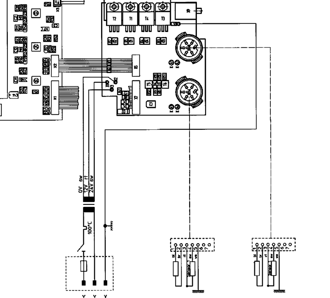
Lehet nem épp a legjobb témába keresgélek, de szükségem lenne egy Weller MLR-21 forrasztópáka bekötésének az ábrájára. Kábel meg van blankolva, nincs dugó rajta. Nem tudom melyik micsoda, így ebben kérnék egy kis segítséget. Előre is köszönöm!
Szia! Érdekes csak most értesített a rendszer a hozzászólásodról. Így kell bekötni, egyformák ezek a típusok.
Sziasztok!
Van egy Weller (talán TCP 50) pákám, 24V-os dugasza van, kattogós. Azt szeretném kérdezni, hogy ehhez milyen típusú hegy kell? És hallottam olyanról, hogy a hőfokszabályozójába ha beépítek egy triakot vagy mit, megkíméli a kapcsolóját. Erről tudnátok valami felvilágosítást adni? Köszönöm!
Sziasztok! A Weller WSP-80 pákában hőelem, vagy termisztor van? Előre is köszönöm a segítséget!
Sziasztok!
Egy weller wtcp 50-es forrasztóállomáshoz mennyibe kerül használtan egy komplett trafó? Pákám és pákatartó van,csak trafóm nincs!
Szerintem a weller arany áron van.
Kattogós wellerhez egy 50W vagy nagyobb trafó kell, ha veszel egy gyári dobozt is jobban jössz ki mint egy gyári trafóval.
termisztor van benne; PTK; 20 fokon kb. 22 ohm az ellenállása
Értem. Köszi! Ezt hogy lehet ,,illeszteni" olyan hőfokszabályzóhoz, ami alapból pt-100 hoz van?
Sziasztok.
Weller WD2M állomáshoz lehetne csatlakoztatni DSX80-as vagy DXV80-as bontópákát? Úgy gondolom, hogy a kapcsoló kontaktját továbbvinni az állomásból és a vákuumot más módon megoldani. Csak az a kérdés, hogy a páka csatlakozója jó-e az állomás aljzatába?
Üdv mindenkinek! Kis segítségre lenne szükségem, van egy weller tcp-s pákám 24voltról működik a gondom az lenne vele hogy hol fel melegszik hol nem éppen mikor milyen kedve van,csináltam már vele táp cserét,vezeték cserét, és ami le fogja a hegyen finom polír papírral meg is lett csiszolva.
Van benne egy kapcsoló a nyelében, azt is meg kéne nézni, mert a vezeték törés után az a második leggyakoribb bibi ezekkel.
Megtudnátok mondani, hogy milyen fajta, típusú fűtőbetétet továbbá termisztort használnak az LR-21-es pákákhoz? Valaki le tudná fényképezni szétszedett állapotban?
Sziasztok!
Szeretnék egy kis segítséget kérni tőletek VP 700 EC állomással kapcsolatban. Nincs hozzá valakinek dokumentációja esetleg? A hozzá tartozó ECP pákához milyen hegyek passzolnak? Előre is köszönöm nektek!
Sziasztok!
Van egy Weller TCP pákám, azonban valamelyik része elromolhatott mert már nem kattog olyan szépen mint eddig. Fűteni fűt, csak nem kapcsol le. Hol érdemes keresni a problémát ilyen esetekben? Köszönöm előre is!
Pl. a kapcsolóban; tipikus hibája, hogy összeég.
Üdv.
Van egy weller wha 900 forrasztó állomásom, melyben a fűtőbetét tönkre ment. Tud valaki olcsóbb megoldást rá (a boltok sos elektronika, tme stb. egy új állomás fele áráért adnának ujjat), hogy újra használható legyen?
Üdv. - Weller TCP 24 V 50W - os Pákához szeretnék csatlakozót, 3 pólusút, olyat, ami a WTCP-51 -es állomáson van. Valaki meg tudja mondani, hogy honnan szerezhetek be ilyet? Egy lengő dugó és egy készülékházba szerelhető aljzat is kellene...
Szia! Itt nézelődj: TME.
Hello!
A minap szétégett a Weller W 100C pákám belsejében egy fekete, hasáb alakú alkatrész, kicserélném, de beazonosíthatatlanná égett. Valami zavarszűrő lehetett. Ha valakinek van ilyen pákája, megtenné, hogy kioldja a 3 csavart, szétszedi, és készít az alkatrészről egy makro fotót, amin látszik a felirat? Szövegesen leírva is jó! Köszi! |
Bejelentkezés
Hirdetés |





U.i.: Ez speciel egy ic kiforrasztónak a hegy része, de az ónszipkázós is ilyen menetes végre csatlakozik rá. 








