Fórum témák
» Több friss téma |
Cikkek » Digitális technika a vasútmodellezésben I. rész Digitális technika a vasútmodellezésben I. rész
Szerző: Topi, idő: Dec 25, 2005, Olvasva: 53664, Oldal olvasási idő: kb. 2 perc
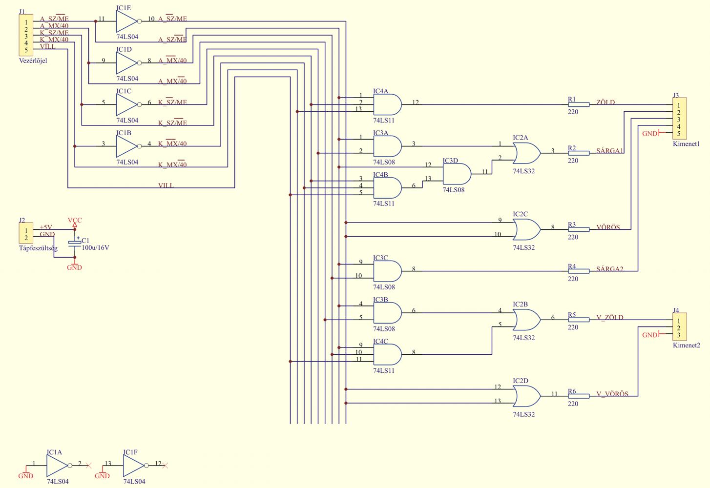
Ez az áramkör a biztosított bejárati, kijárati és fedezőjelzők meghajtására készült. 4 bemenetén TTL jelekkel (5 V vagy 0 V) lehet a jelző által adott utasítást vezérelni. A kimenetre közvetlenül csatlakoznak a jelző fényei, valamint a vezérlőasztalon elhelyezhető zöld és vörös visszajelző fények. Az áramkör felhasználja a villogófény generátor által kiadott 1 Hz-es négyszögjelet. Táplálása 5 V egyenfeszültségről történik. A fényjelző által adott utasítást két jel írja le, a SZ/-ME és az MX/-40. A SZ/-ME jel alacsony értéke esetén a fényjelző megállj jelzést, magas értéke esetén szabad jelzést ad. Az MX/-40 jel, szabad jelzés esetén a megengedhető legnagyobb sebességet állítja. Alacsony értéke esetén legfeljebb 40 km/h sebességet engedélyező, magas értéke esetén a vonatnál alkalmazható legnagyobb sebességgel jelzést adja. A jelző megállj állása esetén ennek a jelnek nincs jelentése. Mivel a jelző jelzésképe egyúttal a következő jelző előjelzését is adja, ehhez a fenti két jelen kívül a következő jelző ugyanezen két jelét is feldolgozza az áramkör. A visszajelző fények a jelző megállj állásában vörös, szabad, a legfeljebb 40 km/h sebességgel állásában villogó zöld, szabad, a vonatnál alkalmazható legnagyobb sebességgel állásában folyamatos zöld fényt adnak. Az áramkör működését az alábbi táblázat mutatja.
Kimenet:
A táblázat alapján az egyes kimeneteket a következő logikai függvények adják:
A J1 csatlakozóra érkezik az öt vezérlőjel, a J2-re az 5 V tápfeszültség csatlakozik. A tápfeszültséget a C1 elektrolit kondenzátor szűri. Az áramkör a függvényeket az IC1, IC2, IC3 és IC4 logikai integrált áramkörökkel valósítja meg. Az IC-k megfelelő kimenetei az R1, R2, R3, R4, R5 és R6 ellenállásokon kerülnek a kimenetekre. A J3 csatlakozó a fényjelzőjöz, a J4 a visszajelző fényekhez csatlakozik. ![]() A nyomtatott áramköri panel mérete: 68,6 mm x 40,6 mm
A cikk még nem ért véget, lapozz! Értékeléshez bejelentkezés szükséges! |
Bejelentkezés
Hirdetés |
||||||||||||||||||||||||||||||||||||||||||||||||||||||||||||||||||||||||||||||||||||||||||||||||||||||||||||||||||||||||||||||||||||||||||||||||||||||||||||||||||||||||||||||||||||||||||||||||||||||||||||||||||||||||||||||||||||||||||||||||||||||||||||||||||||||||||||||||||||||||||||||||||||||||||||||||||||||||||||||||||||||||||||||||||||||||||||||||||||||||||||||||||||||||||||||||||||||||||||||||||||||||||||||



