A sok visszajelzést és tanácsokat meghallgatva tökéletesítettük a szoftvert, és kiegészítettük úgy nevezett mérőfeltéttel, mely egy speciális mérőkábel pár alkatrésszel.
Ennek segítségével áramkörbe forrasztott elektrolit kondenzátoroknak is meg tudjuk mérni a veszteségét kiforrasztás nélkül. A műszer áramkörében semmilyen módosításra nincs szükség, csupán az új szoftvert kell beprogramozni. Természetesen a mostantól igényelt szoftverek, illetve a HEstore-ba szállított műszerek már tudják ezt a bővítményt.

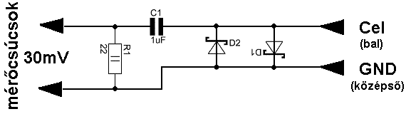
A kapcsolási rajz:

A shottky diódával söntölt mérővezetéken 300mV-nál nagyobb feszültség nem lép fel. A gyakorlatban még ennél is kisebb. A mérés pontossága mégis kielégítő. Ez egy valós mérés, nem rajz, vagy szimuláció:

Az alkatrészek:


A zsugorcső fontos a tehermentesítés szempontjából. Összeszerelve így néz ki.
Akinek szüksége van alkatrészekre a mérővezetékhez vagy a műszerhez, lépjen kapcsolatba velünk.
A cikk még nem ért véget, lapozz!
Értékeléshez bejelentkezés szükséges!