Fórum témák
» Több friss téma |
Cikkek » Mérésadatgyűjtő Mérésadatgyűjtő
Szerző: Bakman, idő: Máj 2, 2019, Olvasva: 14931, Oldal olvasási idő: kb. 1 perc
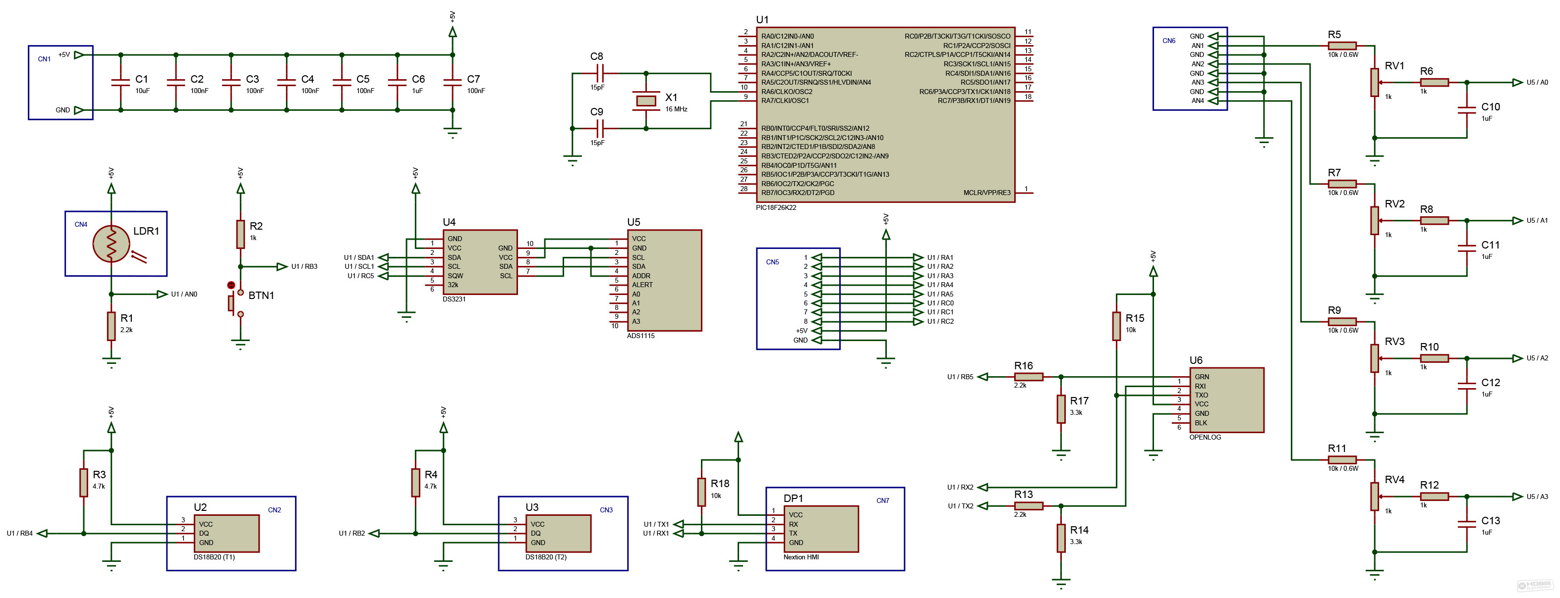
Kattints a képre a nagyobb méretért! U4: A rendszer időalapját adó, DS3231-es típusú, nagy pontosságú RTC modul. A modulról már írtam egy korábbi cikkben, megtalálható itt: Nyolc csatornás időkapcsoló. U5: Az analóg feszültségszinteket monitorozó ADS1115-ös IC-vel szerelt modul. Adatlapja szabadon letölthető. Figyelem! Többféle kialakítású modul kapható, a cikkben bemutatott mérésadatgyűjtő az alábbi típushoz lett tervezve:
Ez mindössze annyit jelent, hogy a NYÁK-terv ehhez a fizikai kialakításhoz igazodik. Természetesen áttervezéssel másik típusú modul is használható. U6: OpenLog modul. Egyszerűen használható modul, az UART bemenetén kapott adatokat micro SD kártyára írja. Igény szerint a kapcsolat fordítva is működik, SD kártyáról olvas és az adatokat UART-on továbbítja. Bővebb leírás a modulról itt található: OpenLog Hookup Guide (Sparkfun). Az itt ismertetett eszköz gyakorlatilag csak az előbbi irányt használja a mért adatok mentéséhez. U2, U3: DS18B20 típusú hőmérő IC-k. DP1: A legkisebb (2,4") Nextion HMI, típusa: NX3224T024. LDR1: Alapszintű, a megvilágítás mérésére szolgál. A kijelző fényerejének beállításához használja a kontroller, de igény szerint egy ötödik analóg bemenetként is szolgálhat. BTN1: Mindössze a kijelző kalibrálásához használatos nyomógomb. C1 - C13: 100 nF esetén kerámia, egyéb esetben tantál kondenzátorokat javaslok használni. RV1 - RV4: többfordulatú trimmer potenciométerek, pl.: 64Y1K. Méréshatárok: AN1, AN2, AN3 és AN4: 0 - 60 V-ig a GND-hez képest. T1, T2: -55 - +125 °C-ig. AN0 (LDR): 0 - 5 V-ig a GND-hez képest. A kijelzőn mindig a tíz bites eredmény olvasható le, ebben a formában egy bit 4,89 mV-ot jelent, pontos 5 V-os tápfeszültség esetén. Digitális bemenetek: 0 vagy 1, a GND-hez képest. H szint esetén 1, L szint esetén 0 értéket ment a memóriakártyára. A bemenetek nem tartalmaznak fel-, vagy lehúzó ellenállásokat Fontos!A bemenetek nem rendelkeznek semmilyen túlfeszültség védelemmel! A bemenetek és a tápfeszültség bemeneti pontok galvanikus kapcsolatban vannak egymással! A NYÁK és az alkalmazott csatlakozók nem alkalmasak nagyobb feszültségek mérésére! Méréseknél ezekre mindenképpen legyünk figyelemmel! A cikk még nem ért véget, lapozz! Értékeléshez bejelentkezés szükséges! |
Bejelentkezés
Hirdetés |





