Fórum témák
» Több friss téma |
Fórum » 4017 (tízes osztó)
Témaindító: bozsokiandras, idő: Ápr 24, 2006
Témakörök:
Sziasztok!
Megépítettem még a cikk megjelenésekor az akkukapacitás mérőt, és nagyon jónak tartom. A pedométer számláló/kijelzőt szeretném lecserélni egy kisméretű pic-es impulzusszámlálóra ami 4 digites. Mivel a kapacitásmérő kijelző/számlámláló pedométer 5 digites és az utolsó két digit a tized és század Ah-t mutatja ezért gondoltam egy százas előosztó beiktatását a kijelző/számláló és a kapacitásmérő közé. Elkezdtem keresgélni és a sp8629-es frekvenciaosztót találtam ami az adatlap szerint nekem nem jó mivel nagyfrekvenciára tervezték. Jobban körülnéztem és a 4017-es IC-vel ez megvalósítható ha nem tévedek. Sajnos nem találtam leírást az 1/100-as osztás megvalósítására ehhez kérnék segítséget, esetlegesn kapcsolási rajzot. Előre is köszönöm.
Azt hiszem saját magamtól is rájöhettem volna.
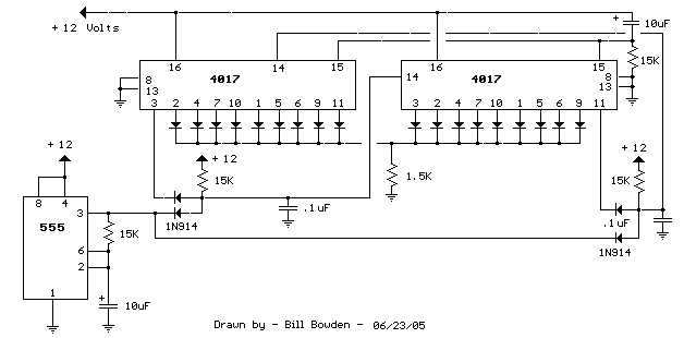
Két tizes osztó egymás után kötve 1/100-as osztót kapunk. Le is rajzoltam, tekintsétek át, hogy jó a rajz, kell-e még esetleges alkatrész?
Hello, SN74..390 is jó lenne a célra, így egy tokkal eléred az 1/100-at
Hello!
Ha már PIC van egy áramkörben, akkor minek oda előosztó? Csak a programon kell módosítani. üdv! proli007
Hello én sem értem hogy minek hardveres előosztó. Nagyon egyszerűen meg lehet oldani szoftveresen is.
Előosztót akkor kell használni, ha a mérendő frekvencia nagyobb, mint a frekvencia mérő max sebessége. Ilyenkor van szükség egy sokkal gyorsabb előosztóra. A 4017 nem gyorsabb mint egy PIC bemenete, ezért nincs rá szükség, mint előosztóra.
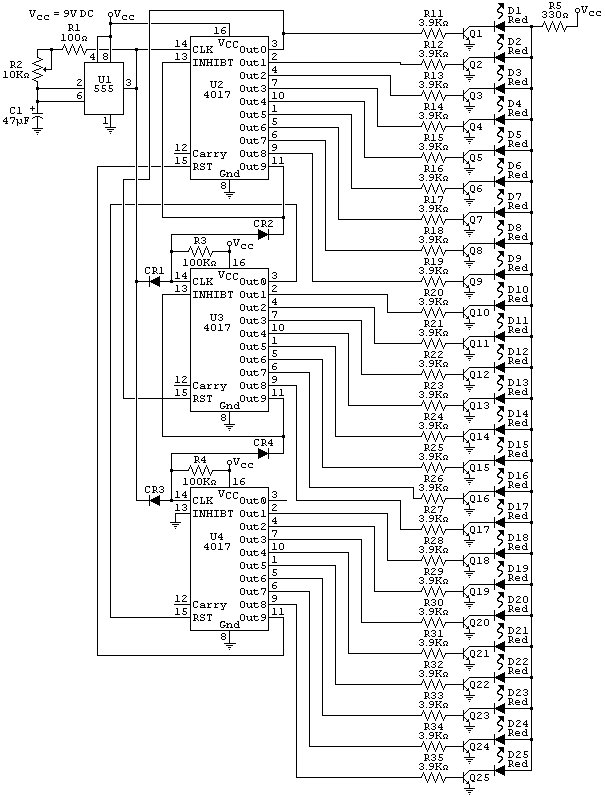
E topicban van egy kép 4017 kaszkádról ÉS kapukkal. Hivatkoznak és kapuk nélküli megoldásra is. Ez a középső képen látható.
Saját elképzelésem fotója az 555-ös topicból a harmadik kép. A kérdésem az, miért tesznek be ÉS kaput a kapcsolásba ha a középső szerint nincs rá szükség? Én is nélküle oldanám meg ha csak valaki fel nem világosít miért előnyösebb ÉS kapuval...
Nem azért a kétfillérért, de a második, és kapuk nélküli megoldásban is ott van az és kapu, mégpedig kettő, csak huzalozott, és nem integrált kivitelben.
Nem néztem át a logikáját, de és kaput azért tesznek egy áramkörbe, ha valamilyen esemény mondjuk resetel egy, vagy több számlálót. Pl. ha tízes számlálóval, csak 8 -at akarunk számolni.
Azért kell bele ÉS kapu, hogy a váltás akkor történjen, amikor az előző 4017-es utolsó kimenete magas szintű ÉS kap órajelet a rendszer. A 4017-es felfutó élre lép. ÉS kapu nélkül már akkor lépne akövetkező, amikor az előtte lévő utolsó kimenete magasra billen, tehát ebben az időszakban egyszerre két LED is világítana (a következő órajelig).
Ez lenne az az és kapu amire gondolsz?
Vagy ennél van az a két led egyszerre világitás a 4081-nál meg nincs? Mert ha igen akkor értem már miért vacakolnak inkább egy IC-vel táppal testel stb. Ill kettővel mert a hamadikban más is van valamiháromszög is. Ugyanakkor jól látom hogy mindkettőben 4 kapu van tehát 4 db 4017-enként kell egy egy ilyen IC? A hozzászólás módosítva: Jún 5, 2013
Igen az, és a másik oldalon is látok.
De a működését neked kell megfejteni.
Szia, itt nem villan egyszerre két led, megépítettem működik.
Köszi. Nézem de nem értem miért nem léptet amikor mindhárom 4017-re egyszerre megy az 555-ös által adott órajel.
Hello! Mert nem ismerd a 4017 működését.
- Ha a Reset magas szintű, akkor a számláló nullán áll, vagy is Q0 kimenet magas, többi alacsony. - Ha az Inhibit bement magas szintű nem engedi az CLK órajelet a számlálóra. Ha alacsony, számlálhat. - Indulj ki abból, ha az első (U2) 4017 nullán áll. Ekkor Q0 magas. Ez reseteli au U3-as számlálót. Az is Q0-on áll, ami Reset-eli az U4-es számlálót. Mivel U4 nullán áll, Q9 kimenete alacsony, tehát az U2 nincs Reset-ben, vagy is az számlálhat. - Elindul U2 számlálása, sorba jeleznek a diódák. Elér Q9-ig. Ekkor U2 Inhibit magas lesz, vagy is nem engedi az U2 számlálót tovább számlálni. - CR1-CR2 és R3 egy ÉS kaput alkot. Mivel U2 Q9 most magas, a CR2-őn keresztül felszabadul az ÉS kapu, így a CR1 felől érkező léptetőjel, bemehet az U3 számlálóba. A számláló, ekkor nullán áll, mert előzőleg Reset-ben volt. De most az U2 Q9-e magas, U2 Q0 pedig alacsony. Vagy is U3 nincs Reset állapotban. Következésképpen számlálhat a léptetőjelre. - El is számol U3 Q9-ig. Mikor lelépet a Q0-ról, megszűnt U4 Reset jele. De számolni az még nem tud, hiszen CR4 nem engedi az órajeleket be az U4 számlálóba. Viszont amikor eléri U3 a Q9-et, megáll, mert inhibit-je magas lesz, viszont ekkor már U4 tud tovább számlálni. - Mikor U4 eléri a Q9-et, az törli az U2-őt, annak Q0 kimenete törli az U3-at, Az U3 Q0 kimenete törli U4-et. - Most minden számláló nullán áll, így kezdődhet elölről az új ciklus. Nos ennyi ez.. üdv!
Köszi. Olyan bekötés ismert ahol kétszínű ledek vannak s a színárnyalat frekvenciafüggő?
Így működhet?
http://www.kepmegoszto.com/201306070907/51b1869494420-2013-06-07-09...7.html Ahol a potmeter közös tengelyu az 555 frekijet szabályzó potmeterrel. A led kétszínű led és a4017 a virtuális testet engedélyezné neki ha ő.a soron következő. A potmeter pedig frekvenciaaranyosan kevernek a színeket.
Tovább durvult a helyzet. A 4017 a második 555 és annak a potija közé kell. Igy nem a bekapcsolást lehet majd szabályozni hanem a kitöltési tényezőt villanásonként. Persze ettől még kell a 4017 a végére is mert ugyanis ki be kapcsolni is kell s az 555 elött nem kapcsolhatom ki, kell a felfutás a ritmus miatt. Az első 4017 ugyis össze lesz megint kötve tehát a másodikra ujra sorba mennek egy helyről a löketek.
Lehet az első 555 elé is kell egy 4017 és akkor egyedileg tudom szabályozni a frekvenciát is villanásonként. Vélemény? Ronda ügy... A hozzászólás módosítva: Jún 7, 2013
Sziasztok,
Megépítve a kapcsolást a következőt tapasztalom: az első kőr rendesen lefut, majd a másokdik körnél a második számláló kimarad rögtön ugrik a harmadik számlálóra (illetve a második számláló első ledje aktív, majd ugrik a harmadik számlálóra).
Hello! Valamit elkötöttél. Lehet a CR4 diódát nem jól raktad bele. üdv!
Sziasztok! A cascad-ba kötött 4017-eseket hogyan lehet resetelni?
Vagy kapukkal plusz vezérlést engedsz a Reset bemenetekre.
Sziasztok!
Ezek közül a kapcsolások közül a második képen látható azt tudja amit a kérdésemben feltettem? Bővebben: Link
Hello! Mondjuk jó lenne tudni mit is kérdeztél, és hol az a második kapcsolás. Ha választ is szeretnél.. Mert én nem tudom összekapcsolni/kihámozni a kettőt. üdv!
Van ez Bővebben: Link a karácsonyi fény.
Ilyet szeretnék én is csinálni. Nekem 18 leddel kellene ezt csinálnia ami a videón is látható. Ezt szeretném megvalósítani az általam linkelt kapcsolással ha ez egyáltalán tudja azt amit én szeretnék.
Hello!
- Azt nem fogod elérni amit a videón látsz, mert ha jól sejtem ezt egy mikrokontroller gyártja, egy meghajtó IC-vel karöltve, és PWM-el modulálva (fénycsóva hatás). - A rajzon pedig egy "Led fut végig", majd azonnal kezdi elölről. - Esetleg próbáld meg amit rajzoltam. Ott legalább három Led fut végig, és a végén vár az újraindulásra, ha a START ütemadó ideje hosszabb, mint a "végigfutásé" . Persze a látvány az üzemadók sebességétől fog függni, meg a kialakítástól. - Itt 16 Led van. De ha ragaszkodsz a több Led-hez, bővíthető ameddig szeretnéd, persze nyolcasával. Csak növelni kell a regiszterek számát. üdv!
Nem kötöttem el semmit. Ráment egy kis idő, de esetleg másoknak tanulságként: túl nagy áramot akartam kivenni a kimenetekről, ezért a logikai szintek "elmásztak" és nem volt jó az ic-k egymás közti engedélyezése, resetelése stb.
|
Bejelentkezés
Hirdetés |



















