Fórum témák
» Több friss téma |
Üdvözlet mindenkinek!
Szeretnék segítséget kérni éspedig: első -7.7V-ról 0V-ra második 0V-ról 7.7V-ra ez egy-egy nyomógomb kimenetén megjelenő feszültség. Ebből kéne egy olyan "jelet" alkotni amit rá tudok kötni a 555-ös IC 2-es lábára,és bármely gomb lenyomásával elindul az időzítés. Remélem érthető voltam és a segítséget előre is köszönöm!
Sziasztok!
Azt szeretném kérdezni, hogy az NE555-ös IC kb. milyen periódusú villogtatára képes? Mert nekem olyan 30Hz körüli érték jó lenne, de ilyet nem találtam sehol a neten hogy meg lehet-e evvel az ICvel valósítani A tervem annyi, hogy a LED helyére (vagy vele párhuzamosan? még ezt nem tudom) kötök egy tranzisztort (amit találok itthon, lehet darlington lesz belőle), és arra pedig vagy kis izzót, vagy egy kis motort kötnék. Így tudnám bemutatni a szaggatós-rendszerű járművek vezérlésének az elvét laikus közönség számára is érthetően. Ha 'kapitális baromságot' írtam volna elnézést, kezdő vagyok Ebből az oldalból indultam ki: 555 timer , hát lett egy áramköröm ami megeszik 1A-t és cserébe semmit nem csinál... lehet nem kézzel kellett volna megrajzolni a NYÁK-ot
Neked impulzusszélesség-változtatásos szabályzásra van szükséged. Ez a topik tárgyalja: Bővebben: Link. 555-el is lehet ilyen PWM-szabályzót építeni.
Ezek között a rajzok között találsz több motorszabályzó kapcsolást: Bővebben: Link
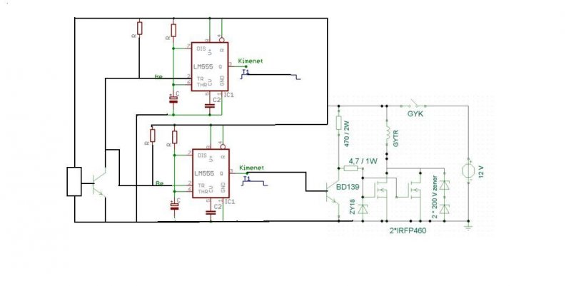
Segítségre lenne szükségem.Adott egy fetes gyújtás amit 555-ös monostabillal időzítenék!2 monostabilt építenék bele.Az egyik a gyújtást időzítené,a másiknak az lenne a feladata hogy amikor nincs gyújtásimpulzus akkor az elsőnek a kimenetét felakasztaná tápra!De az a baj hogy ha nincs bemenő jel,akkor a kimenet testen lesz.A képen látszik mit is akarok.Az lenne a lényeg hogy az alsó 555 kimenete felakadjon tápra,ha a felsőnek a kimenete nincs tápon!A bemenetre a jelet hall ic szolgáltatja
Szia!
Csináld meg komplementer-tranzisztorokkal a gate meghajtást, és akkor nem akad fel semmi sem. Bővebben: Link
Köszönöm a (hasznos) választ!
Sikerült feléleszteni az 555-ös villogómat, nem bírok magammal hogy ne kössek rá vmi lámpát/motort, de szerintem az egyik pwm kapcsolást megépítem
De nekem pont az lenne a lényeg hogy ha a felsőnek a kimenete leesik alacsony szintre,akkor az alsónak a kimenete felakadjon magas szintre.Ezért is hsszabb a felsö időzítése.Próbáltam a felsö kimenetét az alsó resetjére kötni,hogy onnan kapja a tápot,de akor a kimenete alacsonyan marad,és az nekem nem jó.Vagy esetleg az elsö kimenetére rskjak egy tranyó?
Eltartott egy darabig mire rájöttem mire is kell ez a működésmód. Nos, ha jól értelmeztem, ennek a szerepe az az állapot, amikor a gyújtáskapcsoló zárt, (mindegy milyen motor), de nem indítózol, vagyis nem akarod üzembe helyezni. Vagy leállítás után még a gyújtás véletlenül rajta marad....
A megoldás rém egyszerű. Kell egy dióda a felső időzítő, és az alsó triggerbemenete közé. Az indításkor a hall jelének megváltozásakor mindkét időzítő kimenete magas szintre vált, ekkor szakítanak a fetek-> létrejön a szikra. Ha addig nem jön következő inditóimpulzus a hall felől amíg a felső időzítő kimenete magas szintű, akkor annak kimenete alacsony szintre vált, így kinyit a dióda, elindítja az alsó időzítőt, ekkor megintcsak lesz egy szikra, de mivel nem a dugattyú megfelelő pozíciójában keletkezik, így hatástalan marad. Ezután az alsó időzítő kimenete magas szinten marad, mert az indító bemenete tartósan alacsony szintű a dióda miatt. A hall jeladó következő állapotváltozása újrainítja a felső időzítőt, és helyreáll az eredeti működésmód.
Ez az! Isten vagy! Ezt akartam csak én a reset lábon tanakodtam,és úgy nem ment!
Köszi!
Sajna még egy diódával több kell bele...
Az az igazság, hogy a felső 555 berezegne, mert a kimenetére kötött dióda egyúttal a saját triggerlábát is lehúzná, vagyis újraindítaná..... Szétválasztva még egy diódával a kettő időzítő triggerlábát, ez nem fog előfordulni.
Köszi! Az az egy plusz dioda már nem gond!
kipróbálom
Szia!
Én is szeretném a proli007 féle kapcsolást megépíteni csak nekem az idővel lenne gondom mert nekem kb 0.5 másodperctől kellene behúzni a relének (felső határ teljesen mindegy).a feszültség megjelenése után.Még rajt a feszültség addig behúzva tartson a relé kikapcsolás,majd újbóli bekapcsolásnál ismét késsen a relé behúzása a potméterrel beállított értékre.
Sziasztok!
Jól sejtem hogy az alul levő kapcsolás egy kitöltési tényezővel motorfordulatot szabályzó kapcsolás? Azonban szerintem ezzel csak 5-9 volton működő motorokat lehet szabályozni. Én az 1-2-3 kilówattos rezsómat szeretném szabályozni hasonló módon. 230 Volt. 130 fokos olajfűrdőre van szükségem s ez látszik a legolcsóbb gyors megoldási módnak. Hőfogszabályzás nem kell, majd tapasztalati uton beállitom teljesitményszabályzásal. Van olyan 555-re épülő kapcsolásotok, amivel 230 Voltot lehet szabályozni, kilówattos nagyságrendű teljesitmények mellett? Köszi!
Szia!
Válassz inkább egy triakos fázishasításos teljesítményszabályzót. Azok éppen hálózati váltakozóáramú üzemre vannak kitalálva.
Sziasztok!
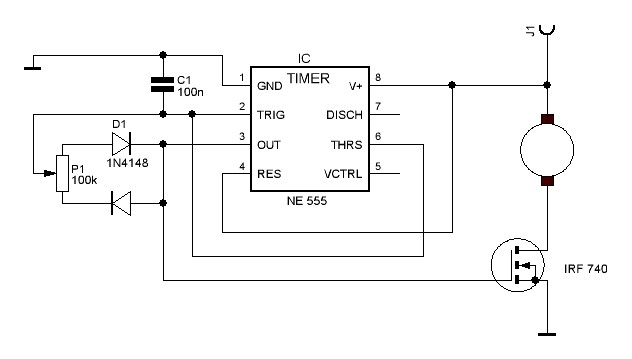
Valamelyitek tudna e olyan rajzot időzítőről 555-el amelyiknél a 12 V-os tápfesz bekapcsolásakor azonnal meghúz a relé,kikapcsoláskor pedig csak pár másodperc után ejt el a relé ( 0-tól két három másodpercig lehet állítani a potival) Köszönettel!
Ha csökkented a frekvenciát ( kb 1-5 másodpercre. ) és a kimenetre SSR-t, kötsz akkor működhet a kapcsolás.
( A T2117 vagy U217B is pont ilyen elvű intervallum szabályzó. Csak hálózati feszültségű. A_T2117-es_kapcsolása. )
( A C3-at és az R7-et nem kell beépíteni. )
Kereső "_kikapcsolás_késleltető_".
Sziasztok !
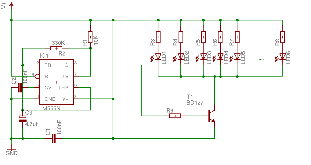
szeretnék működtetni egy LED-es villogót, ami tartalmazna egy 555-öst és 2 teljesítmény LED-et, (1LED: 3,3V, 2Wteljestménnyel, és a két LED párhuzamosan kötve, 7,4V-os akkuról táplálva az egész áramkör) Kaptam egy kapcsolási rajzot keresgélve itt, és a kérdésem az lenne, hogy milyen változásokat kell rajta véghezvinni, hogy a 2+2W teljesítményt megbírja. Szeretném ezzel szabályozni az áramfogyasztást, ha lehet, a kitöltési tényezővel, azaz szögletjelet adni a LEDeknek, mert másképp képesek 1+1A-t is felvenni a körből, és ez hamar lemerítené az akkut. A szögletjel annyira kéne gyors legyen, hogy folytonosnak látszodjon a világítás (24Hz+) Ez egyáltalán megoldható-e és ha igen hogyan ? Előre is köszönöm.
Nekem egy olyan 555-ös villogó kéne aminek lehet szabályozni a kitöltési idejét és a villanások közti időt is.Köszi.
Hello!
Neked, és Knigther-nek is! Egy astabillal szabályzod a villogás frekijét, majd ezzel vezérelsz egy monostabilt, ahol szabályozod a kitöltést. (Ha kitöltés alatt nem a villogás jel-szünet arányát érted, hanem PWM szabályozást, akkor a monostabil helyett PWM kapcsolást kattogtatsz az astabillal. üdv! proli007
Nem.Azt szeretném hogy a villanás hosszát is lehessen szabályozni ne csak a villanások közti időt.
Hello!
Semmi gond, akkor az első változat a nyerő.. (valaki készített is már ilyen villogót, talán a strobi topikban..) üdv! proli007
Milyen első?
Hello!
"Egy astabillal szabályzod a villogás frekijét, majd ezzel vezérelsz egy monostabilt, ahol szabályozod a kitöltést." üdv! proli007
de elvileg ezt egy ic vel is meg lehet oldani.Le tudnád nekem rajzolni? (amúgy ez is egy stroboszkóp vezérlése akar majd lenni)
|
Bejelentkezés
Hirdetés |














