OK
Mégsem
Hobbivasút
|
HESTORE
|
Kislexikon
Hírek
Cikkek
Fórum
OK
Hírek
Cikkek
Fórum
Lexikon
Segédprogramok
Apróhirdetés
Fórum témák
Ez milyen alkatrész-készülék?
Elektronikában kezdők kérdései
[OFF] Pihenő pákások témája
- Elektronika, és politikamentes topik
Ki mit épített?
AVR - Miértek hogyanok
NYÁK-lap készítés kérdések
PIC kezdőknek
ARM - Miértek hogyanok
•
Kapcsolóüzemű tápegység
•
NiMh akku-töltő
•
Lemezjátszó beállítása, javítása
•
Villanyszerelés
•
Hifi erősítők tervezése
•
Arduino
•
Padlófűtés vezérlés
•
Műveleti erősítő
•
V-FET és SIT erősítő kapcsolások
•
Elfogadnám, ha ingyen elvihető
•
Visszafelé járó fali óra fordított számlappal
•
EAGLE NYÁK tervező
•
Muzeális készülékek-alkatrészek restaurálása
•
SMD forrasztás profin
•
Kamerás megfigyelőrendszer
•
Felajánlás, azaz ingyen elvihető
•
Villanypásztor
•
Sokol-403 rádió
•
Monostabil kapcsolás
•
Kapcsolási rajzot keresek
•
Adatlapot keresek
•
RTC óra Nixie csövekkel
•
Alternativ HE találkozó(k)
•
Elektronyika orosz digitális órák
•
Indukciós hevítő készítése
•
DSC riasztó
•
Rádió építés a kezdetektől a világvevőig
•
Rendelés külföldről (eBay - Paypal)
•
Napelem alkalmazása a lakás energia ellátásában
•
Porszívó javítás
•
Nixie(IN-13) kivezérlésjelző, auto power on-off
•
Erősítő mindig és mindig
•
Klíma szervizelés, javítás
•
DC-DC konverter
•
Espressif mikrokontrollerek
•
Elektronikus hangszerek
•
MPLAB-ban miért nem lehet a PICKit2-őt beállítani?
•
Gázkazán vezérlő hibák
•
6kW-os fényerőszabályzó
•
Villanymotor
•
Érdekességek
•
Mosogatógép hiba
•
Vicces - mókás történetek
•
Fázishiány érzékelő
•
Kombikazán működési hiba
•
A-osztályú erősítők
•
Hálózati zavarszűrő építés
•
ZC-18 kazán
•
Hőtárolós kályha
•
Philips TV
•
Hangsugárzó építés, javítás - miértek, hogyanok
•
Autóelektronika
•
UPS javítás tuning
•
DCF77 óra Nixie-csövekkel
•
Fejhallgató erősítő
» Több friss téma
Fórum
Keresendő kifejezés
Keresés módja
Intelligens keresés
Hozzászólás keresés
Fájlmellékletben
Fájlmellékletben (képek)
Kategória
Minden kategória
Alapismeretek
Ellenállások
Kondenzátor
Áramforrások
Tekercsek
Kapcsolók
Érzékelők
Motorok
Műszerek
Egyéb
Analóg áramkörök
Erősítők
Szabályzók
Egyéb
Digitális áramkörök
Flip - Flop és tárolók
Kapuk
Vonali választók
Multiplexerek
Dekóderek
Demultiplexerek
Bufferek és meghajtók
Számlálók
Regiszterek
Aritmetikai áramkörök
Logikai áramkörök
Memóriák
Egyéb
Mikroprocesszorok
PIC
Memória / EEPROM
Memória / EPROM
Memória / RAM
Egyéb
AVR
STM32
STM8
Espressif, ESP
LPC
SAM
PIC32
ARM általános
Speciális
Csövek
A/D konverterek
Időzítők
Komparátorok
Egyéb
Technika
Audiotechnika
Fénytechnika
Vezérlés technika
RF technika
Méréstechnika
Keresés
Új téma nyitása
Lapozás:
1. - 50. elem
51. - 100. elem
101. - 150. elem
151. - 200. elem
201. - 250. elem
251. - 300. elem
301. - 350. elem
351. - 400. elem
401. - 450. elem
451. - 500. elem
501. - 550. elem
551. - 600. elem
601. - 650. elem
651. - 700. elem
701. - 750. elem
751. - 800. elem
801. - 850. elem
851. - 900. elem
901. - 950. elem
951. - 1000. elem
1001. - 1050. elem
1051. - 1100. elem
1101. - 1150. elem
1151. - 1200. elem
1201. - 1250. elem
1251. - 1300. elem
1301. - 1350. elem
1351. - 1382. elem
OK
7 / 28
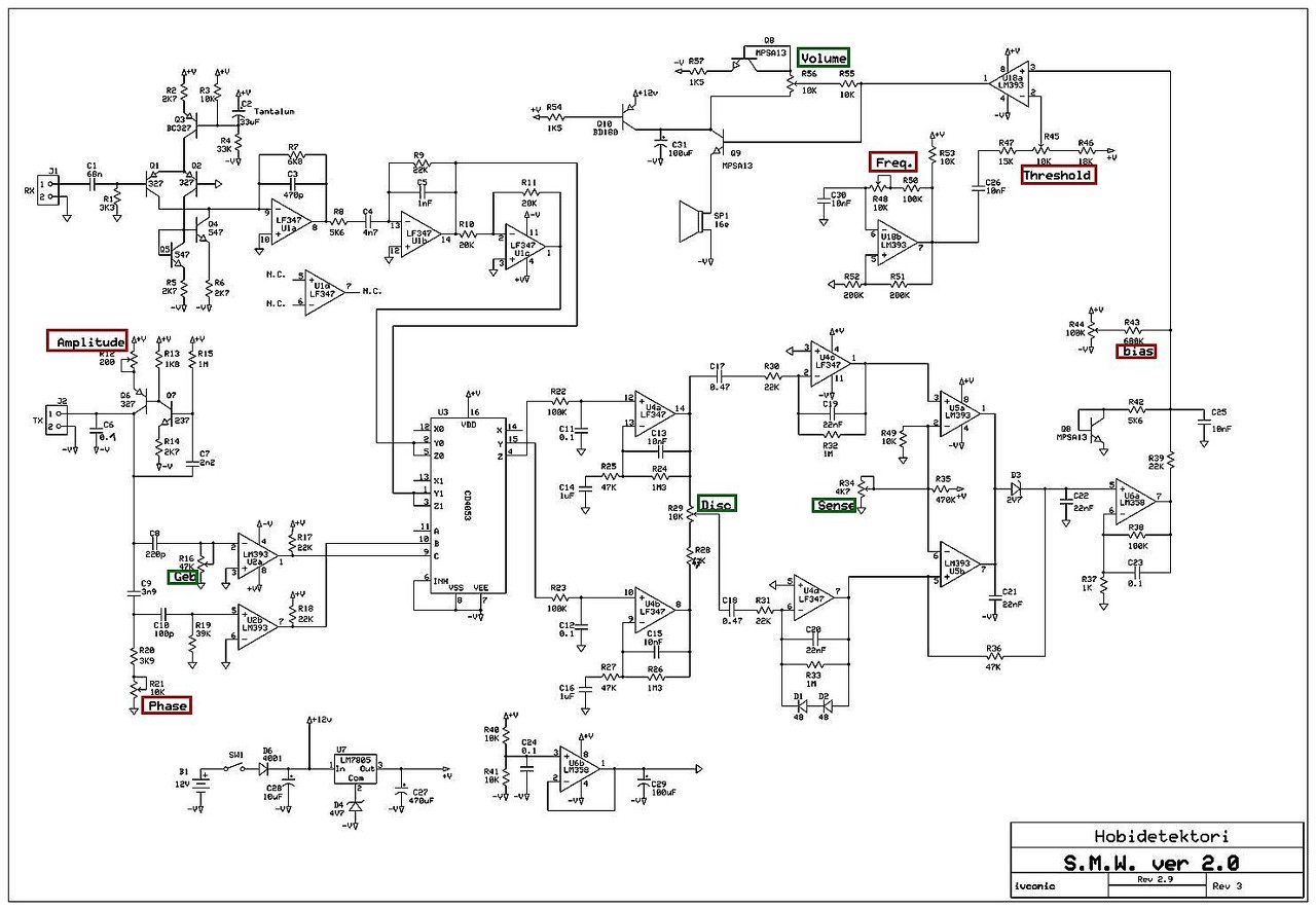
s.m.w.jpg
20180220_195...jpg
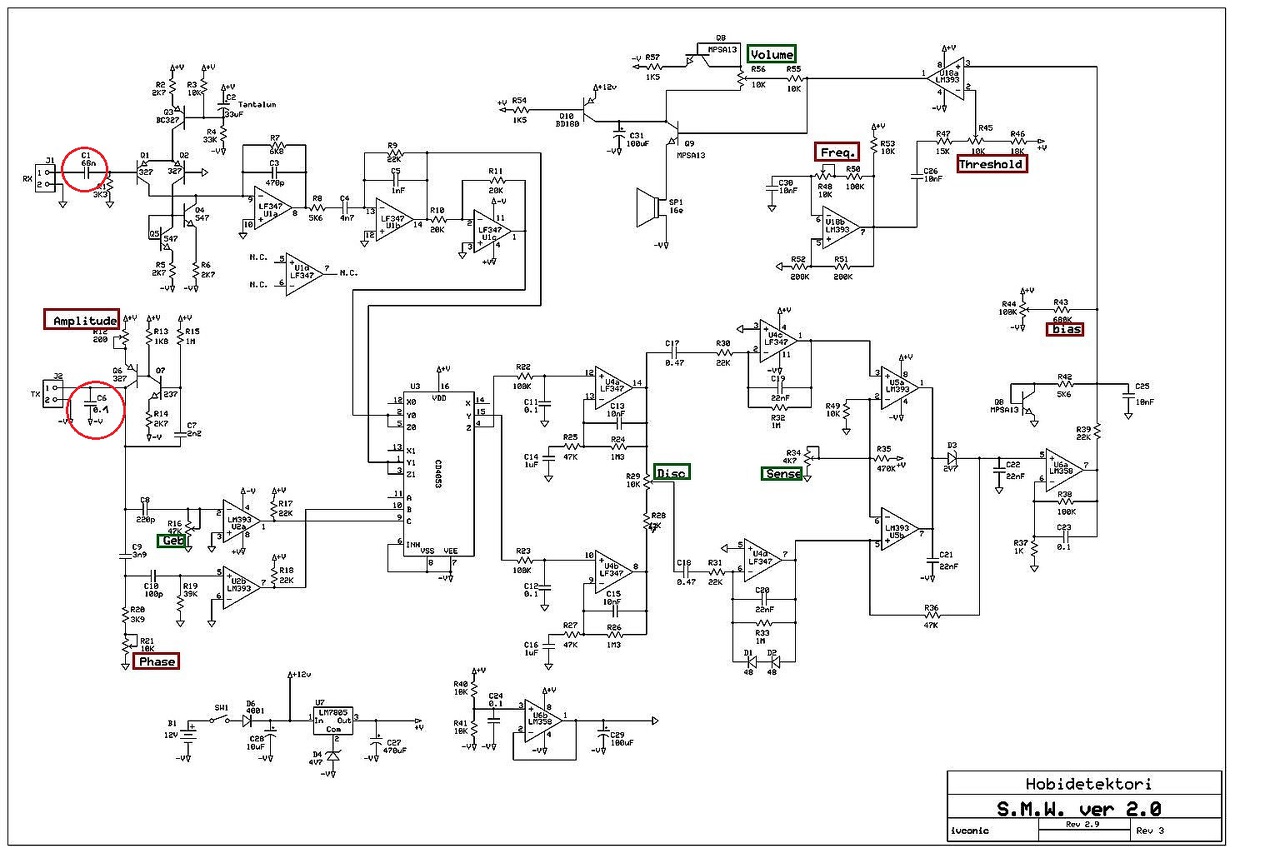
smw. v..22.jpg
vevő.jpg
220px-Parall...jpg
20180210_120...jpg
20180210_120...jpg
20180210_120...jpg
20180210_120...jpg
20180210_120...jpg
smw. v..22.jpg
smw.JPG
smw.JPG
smw-2.JPG
smw-3.JPG
smw. v..2.jpg
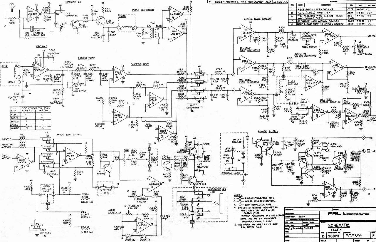
1265-X_85_sc...jpg
126xx.JPG
fisher_mod.JPG
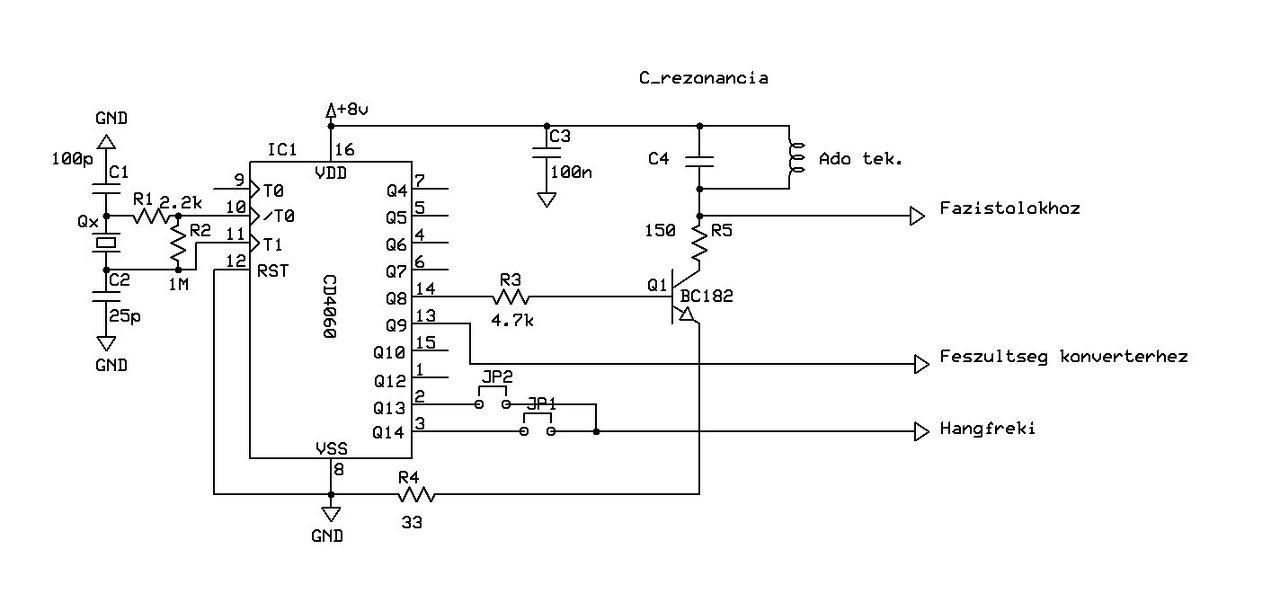
cd4060.jpg
IGSL TGSL co...jpg
IMG_0917.JPG
Módosított...jpg
4066.png
bc327-bc212.JPG
smw3.JPG
TGSL2.JPG
tgsl1.JPG
tgsl1.JPG
smw. v..2.jpg
newDsupresso...jpg
newdtekercs.jpg
newsd2ohm.jpg
supressor.jpg
gate-tekercs...jpg
gate-tekercc...jpg
DSC_0783.JPG
DSC_0785.JPG
sunp0026.jpg
Névtelen.jpg
IMG_0891.JPG
gigapulse2.jpg
gigapulse1.jpg
DSC_0002.JPG
IMG_0823.JPG
IMG_0825.JPG
100k bek,.JPG
lecsengés.png
alap.jpg
vas.jpg
Következő:
1. - 50. elem
51. - 100. elem
101. - 150. elem
151. - 200. elem
201. - 250. elem
251. - 300. elem
301. - 350. elem
351. - 400. elem
401. - 450. elem
451. - 500. elem
501. - 550. elem
551. - 600. elem
601. - 650. elem
651. - 700. elem
701. - 750. elem
751. - 800. elem
801. - 850. elem
851. - 900. elem
901. - 950. elem
951. - 1000. elem
1001. - 1050. elem
1051. - 1100. elem
1101. - 1150. elem
1151. - 1200. elem
1201. - 1250. elem
1251. - 1300. elem
1301. - 1350. elem
1351. - 1382. elem
»»
7 / 28
Bejelentkezés
Felhasználónév
Jelszó
Jegyezz meg!
Belépés
» Elfelejtett jelszó
» Regisztráció
Hirdetés
A használat feltételei
•
Adatvédelem
•
GY.I.K., Használati útmutató és szabályok
•
Impresszum
•
Elosztó
•
Hiba jelentése
Az oldalon sütiket használunk a helyes működéshez. Bővebb információt az
adatvédelmi szabályzatban
olvashatsz.
Megértettem