Fórum témák
» Több friss téma |
Fórum » Akkumulátor töltő
Rajzot én sem találtam, még az orosz oldalakon sem
( gugli képek ) ezért rajzoltam vissza, és kérem itt a segítséget. Köszi a fáradozást.
Orosz doksi és rajz ISKRA töltőhöz
Rajz egy kicsit nagyobb méretben
Ez az köszi !!!
Már csak alkatrész adatokat kell kibogarászni, nem igazán erősségem semelyik idegen nyelv. Nagyon köszi a segítséget.
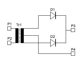
Ez volt benne az egyen irányító. Közepéről jött a pozitív rész, a két szélre meg a váltó feszültség került a negatív meg a trafóból jött ki. Vagyis ha diódásra szeretném átalakítani akkor a két váltóáramú részt bekötöm egy dióda hídba és onnan a pozitívot és a negatívot használom és a trafóból jövő részt kiiktatom ?
Segít a google fordító. Igaz utána még magyarra kell fordítani, de ez nem olyan veszélyes. Tudod, kontroll c, kontroll v.
Üdv!
Előző oldalon Watson csatolt egy rajzot. Az a jó neked! Ne iktasd ki a trafóból jövő vezetéket, az lesz ezután is a negatív!! Neked nem graetz-híd kell, henem csak két dióda. A diódákon általában csíkkal jelölik az anódot. A két dióda ezen kivezetését kösd össze, ez megy az ampermérőre. A másik kivezetésük megy a biztosítékok felé, ahogy a szeléné is volt. Egyik dióda az egyik biztire, másik a másikra. Kész is. Nagyáramú diódákat vegyél! Üdv! Tomi
Próbálkoztam, de kicsi a felbontás, nem tudom konvertálni. bocs
Köszönöm! Így már tiszta!
+1 Ugye ott 26V~ feszültség van és 15A biztosíték . Mekkora diódát kérjek?
Sziasztok!
A kezembe került most egy autó akkumulátor ami elég rendesen van lett púposodva. Valószínűleg az autóban az elromlott töltés szabályozó okozta annak idején. A kérdésem az lenne hogy ezt az akkut használhatom-e biztonságosan a felpúposodás miatt. Véleményem szerint nagy benne a nyomás. Attól félek hogy egyszer csak "fel fog robbanni". Beltérben szeretném használni, a szobában. Mennyire biztonságos így használni?
Szerintem ez nem autó akkumulátor. Használhatod amíg működik. felrobbanni nem fog előbb lesz cellazárlatos az elgörbülő lemezek miatt.
Hát az van ráírva, hogy bicikli akkumulátor. De ez lényegtelen, sima ólmos aksi. De ez megnyugtató, hogy nem kell a robbanás miatt félni. Azért gondoltam a robbanásra mert eléggé felfújódott és mivel gondozás mentes ezért ki se lehet engedni a gázokat. Köszönöm a gyors választ.
A "cyclic" nem azt jelenti, hogy bicikli, hanem azt, hogy ciklikus. Tölt-kisüt. Szünetmentes tápokhoz meg vészvilágításokhoz valóak ezek az akksik.
Tényleg az van ráírva, most kicsit szégyenlem is magam mert ismerem a ciklikus akkumulátorokat. Az elektromos kerékpárokba is ilyen kell. És tudom, hogy sokkal drágábbak. Én értettem félre a feliratot. Ezekben elvileg vastagabbak az ólom lamellák, hogy bírják a sok ciklus és ezeknek nem olyan nagy az indító áramuk mivel nem erre vannak kihegyezve. Olvastam már róla sokat. Köszönöm a megvilágítást. Szerinted a biztonságos a további használata?
Ha nem töltöd túl, akkor nem lesz gond. Szerintem nem menj 14V-nál feljebb a töltőfeszültséggel.
Csatoltam egy pdf-et, hogy nekem milyen töltőm van. Itt a legkisebb feszültség az 14,4V viszont be lehet állítani egész kicsi töltőáramot (0,8A). Ez szerintem elég kicsi ahhoz hogy ne jelentkezzen semmilyen heves reakció.
14,4V-on indul meg az intenzívebb vízbontás, a gázképződés. Nem tudom, hogy a te kissé viseletes akksid mennyire képes visszaforgatni a gázokat vízzé.
A felduzzadt akkumulátor nem a gázoktól fújódott fel, hanem a lemezek elszulfátosodtak. Hosszú idejű töltetlenség, vagy egyszerűen a kor okozza ezt a jelenséget.
Amíg képes ellátni az általad elvárt feladatot, addig használd nyugodtan. Nem jósolok neki sok jövőt. ![]() Lényeges, hogy töltésnél a ráírt értékeket ne lépd túl! Folyamatos üzemnél 13,8 V, "ciklikus" üzemnél a rajta szereplő maximum, ~14,4 V.
A töltő adatlapja szerint a "Mode2" megfelel, ha alkalmanként töltöd fel az akkut. Folyamatos töltésnél 13,8 V-ot kellene tartania. Még nem írtad az akku kapacitását. Ha kisebb 7-7,5 Ah-nál, sok neki a 0,8 A.
Autóban volt. Amiben elromlott a töltés szabályzó még régebben. Abban az időben fújódott így fel. Amikor kopogtatom az oldalát akkor a nagyon felduzzadt része olyan mintha ott tömör lenne. Viszont a másik oldalán a felduzzadt rész úgy kopog mintha levegő lenne alatta. Különben az autóból most lett kiszedve mert új lett bele vásárolva így megkaptam a régit. Nagyobb méretű elemlámpához szeretném használni kempingezéskor. Illetve 12V-os rendszerek tesztelésére. A kapacitásából már veszített bőséggel mert a nagy hidegben nem indította már be az autót, de szeretném a végsőkig kihasználni, utána pedig megy újrahasznosításra
Az akku 40Ah-s. Ahogy nézegettem neten, az ilyen ciklikusok arany árban vannak az indító akkuhoz képest.
Ha autóban volt és 40 Ah-s, akkor mehet a "Mode3". Amit az oldalán olvasol, az még nem jelenti azt, hogy ez egy szuper akksi. Csak a töltési paramérereket írták oda.
Ettől függetlenül, ha felduzzadt, annak annyi. ![]() Elemlámpához még évekig tökéletes lehet, ha rendszeresen töltögeted. Nézd meg a savszintet és töltsd utána desztillált vízzel! Azzal se foglalkozz, hogy gondozásmentes, attól még a víz elfogy belőle. A vízzel nem közölték, hogy gondozásmentes.
Pontosan ez a gondom hogy nem tudom felnyitni, mert ha fel tudnám nyitni akkor ki tudnám engedni az esetleges gázokat amik nyomják belülről és meg is nyugodnék hogy nem feszül tovább. Le van zárva a teteje. Olvastam hogy sok akkut fel lehet nyitni akkor is. Van esetleg erről valami videó vagy leírás hogy hogy is kell ezeket felnyitni? Nem merek csak úgy nekiesni egy csavarhúzóval.
Nincs benne gáz. A duzzadást a szulfáttól felduzzadt lemezek okozzák. A gondozásmentes záródugóit vagy felragasztott műanyag sáv takarja, vagy egyenként egy-egy kerek beleszorított műanyag dugó. Ezek nincsenek beleragasztva, csak beleszorítva. Erősebb késsel, csavarhúzóval ki lehet pattintani. Tegyél föl fényképet, előbbre leszünk.
Ahaa, meg is van amit kerestünk. 6db kis gumis pecek van benne. Ezeket csak simán erővel ki kell húzni?
Hát nem éppen autóba való akksi. VRLA Battery for ...
Az alatt a széles sáv alatt már meg is találtad a dugókat. Szerintem azokat a gumi kupakokat simán le lehet pattintani. Sajnos, nem biztos, hogy segít rajta a deszt. víz. Talán a szentelt víz többet érne. |
Bejelentkezés
Hirdetés |


















