Fórum témák

» Több friss téma
Fórum » Autóelektronika
 
Témaindító: sufni-tunning, idő: Ápr 19, 2008
Témakörök:
Lapozás: OK   200 / 349
(#) attika válasza pistikee901 hozzászólására (») Nov 19, 2015 /
 
Ha ragasztva volt rá és még forrasztva sem volt akkor azt szerintem sehogy nem fogod visszatenni.
Egy kép jó lenne róla,hogy miről is van szó pontosan.
(#) teflon válasza helektro hozzászólására (») Nov 19, 2015 /
 
Szia
Honnan tudnék olyan ragasztós zsugorcsövet szerezni,van valami elérhetőség?
Válaszodat előre is köszönöm
(#) attika válasza teflon hozzászólására (») Nov 19, 2015 /
 
Pl Itt
Meg ITT
Google és kidob millió és egy oldalt.
(#) Chipmunk1960 válasza teflon hozzászólására (») Nov 19, 2015 /
 
Szia, Szerintem, ha összeforrasztod a végeket, majd lefújod akril-lakkal, utána húzod rá a normál zsugorcsövet, hasonló eredmény érsz el. Nekem, itt Írben az oxidáció okoz sok gondot, mert a sós tengeri pára, mindenhova behatol. Minden panel lelakkozva, / mint anno a '70-'80-as évek ESZR, orosz számítógépeiben volt/ adok vissza.
(#) helektro válasza teflon hozzászólására (») Nov 19, 2015 /
 
pl. Lomex
(#) pistikee901 válasza attika hozzászólására (») Nov 20, 2015 /
 
Csak ragasztva volt... De most találtam a neten hozzá "javító" szettet. Valszeg akkor orvosolható a probléma. Hát lefotózni most nem tudom mert egyben van de majd szétszedem hétvégén. Egyébként erről a szettről lenne szó: http://m.aliexpress.com/item/32345643120.html
Ezt a szalagot sikerült elbaltáznom...
Szeretnék egy kis infót kérni a szett használatához aki tudna pls.
Habár sejtelmeim vannak de hátha látott valaki ilyet élőben.
Köszi
(#) attika válasza pistikee901 hozzászólására (») Nov 20, 2015 /
 
Hát ez nekem is új,ehhez hozzá se tudok szólni.
Majd talán valaki más.
Nem tudtam,hogy házilag lehet ezeket javítani.
(#) jdani válasza Chipmunk1960 hozzászólására (») Nov 22, 2015 /
 
Időközben arra jöttem rá, ha tegyük fel a kábel szakadt, tehát nem kap se pluszt, se minuszt a müszerfal ABS kontaktján, akkor a LED világít. Abban a felállásban ahogy néztük, pont fordítva van, nem? Tehát ha nincs jel, nem világít. Ha van jel, akkor világít.
(#) Bago hozzászólása Nov 23, 2015 /
 
Sziasztok!

2009-es Ford S-Maxban nincsen beépítve gyárilag az utasoldali légzsák kapcsoló, csak a helye van előkészítve. Szerintetetk elég egy légzsák kapcsolót beépíteni oda, vagy programozni is kell?
(#) Chipmunk1960 válasza jdani hozzászólására (») Nov 23, 2015 /
 
Az enyémből, ha nem jön ki jel nem világít. Az ABS modul kapcsolja fel gyújtásra, míg lefut az önteszt, ha sikeres elalszik, ha nem, villog. A hibát, /ha van/ az ODB csatlakozón lehet kiolvasni. Elképzelhető olyan megoldás is, ahol ha kábelszakadás, vagy egyéb gubanc van alapban világít, jelezve a problémát.
(#) jdani válasza Chipmunk1960 hozzászólására (») Nov 23, 2015 /
 
Nálam ez így van. Lehetséges hogy az ellenálások ugy adják a jelet a tranzisztornak, hogy az midig világítson, ha nincs jel, és ha érkezik jel (ami egy minusz) akkor letesteli a tranyót, a LED meg elalszik?..
(#) enree hozzászólása Nov 24, 2015 /
 
Sziasztok!
2002-es Swiftben egyik pillanatról a másikra megszűnt működni a tolató lámpa. Az izzókat kivettem, megnéztem, szakadás nem látható rajtuk, a biztosítékokon szintén nem látok semmit. (Csak egy hosszabb pillantást vetettem rájuk, mert jönni kellett dolgozni) A kérdés az lenne, hogy merre találom a kapcsolót? A váltó szoknyát levettem, de ott nem láttam semmit...
Köszi; E.
(#) zolika60 válasza enree hozzászólására (») Nov 24, 2015 / 1
 
Ott nem is találhatod, mert a váltó oldalába van beletekerve. Egy ilyesmi alkatrészt keress.
(#) farika hozzászólása Nov 24, 2015 /
 
Sziasztok nem, vagyok műszerész de az erősáramban szerelésében képben vagyok és csinálom is.
Azon gondolkodtam a minap, hogy, hogy lehetne autóba fényérzékelő érzékelő kapcsolót tenni a ball oldali visszapillantó tükörbe. Ez Arra szolgálna hogy amikor szembe jön az autó akkor lekapcsolná a saját reflektorunkat, és nem nekünk kellene mindig kapcsolgatni. Erre valamiféle alkonykapcsoló féleség kellene. Érdekelne ezt hogy lehetne megvalósítani? Van e egyáltalán ilyen fényérzékelő?
Köszönöm, a válaszokat. Hiszem értettétek mit szeretnék. 12V kell gondolkozni.
(#) zolika60 válasza farika hozzászólására (») Nov 24, 2015 /
 
Nem olyan egyszerű ez. Hiszen bármilyen szemből érkező fény kikapcsolhatná a reflektort, vagy egy rosszul beállított, vagy kiégett lámpájú autó esetén nem kapcsolná le ami ég nagyobb baj. A gyári hasonló rendszerek kamerát és jármű felismerő szoftvert használnak. Nem olyan nagy macera a kapcsoló használata.
(#) enree válasza zolika60 hozzászólására (») Nov 24, 2015 /
 
Ejjha, akkor ez aknás mutatvány lesz... Nyugtass meg, hogy nem kell leengedni a váltóolajat :/
(#) zolika60 válasza enree hozzászólására (») Nov 24, 2015 / 1
 
Nem kell, nem folyik ott ki. De az is lehet, hogy csak a csatlakozó, vagy a vezeték hibás.
(#) enree válasza zolika60 hozzászólására (») Nov 24, 2015 /
 
Ok, köszi
(#) akos70 válasza zolika60 hozzászólására (») Nov 24, 2015 /
 
Többnyire nem, de van úgy, hogy mégis. Nemrég egy Megane-nal jártam úgy, nem is az alján volt a kapcsoló, én is meglepődtem.
(#) zolika60 válasza akos70 hozzászólására (») Nov 24, 2015 / 1
 
Vicces nép a Francia. De az ő járműveiket nem is sorolom az autók közé.
(#) Ricsi89 válasza enree hozzászólására (») Nov 24, 2015 /
 
Nem kell akna, a váltó tetején van, két vezeték megy rá. El sem nagyon lehet téveszteni, mert több vezeték nem igazán megy a váltóra.
(#) akos70 válasza zolika60 hozzászólására (») Nov 24, 2015 / 1
 
Én sem, sosem értettem a humorukat.
(#) kissi válasza zolika60 hozzászólására (») Nov 25, 2015 / 1
 
A kollégámat idézve: "P..na van az elején, megbízhatatlan ! "
(#) Folditomi4487 hozzászólása Nov 25, 2015 /
 
Sziasztok Zsenik!

Nagy gondban vagyok, amit már egy hete nem tudok megoldani, és a sikeres ötlet ihletőjét vagy személyesen, vagy posta úton de megajándékoznám!!!
A lényeg, tekerősről elektromosra cseréltem az ablakaimat.
Csak a két elsőt, így tehát van két motor és két kapcsoló.
Mellékeltem egy ábrát milyen a kapcsolóm és milyen a motorom (bocs a kezdetlegességért...)
Lényeg röviden, nem tudom megoldani sehogy a bekötést, mert ha felfelé húzom az ablakot akkor a pozitív a pozitívhoz, a negatív a negatívhoz. Ha viszont lefelé akkor fordítva kell. A kapcsoló viszont 1-2 Ampernál nem hiszem hogy többet bírna, mellesleg grundmodullal oldották meg gyárilag, azt viszont lehetetlenség bekötni...
HOGYAN tudnám megoldani egyszerűbben?
Köszönöm előre is... íme a kép mellékletben...
A hozzászólás módosítva: Nov 25, 2015
(#) rascal válasza Folditomi4487 hozzászólására (») Nov 25, 2015 /
 
Esetleg a kapcsoló vezérelhetne egy-egy két áramkörös, vagy 2-2 egy áramkörös relét, ami már bírja a 10A-t, és azok kapcsolnák a motort a megfelelő polaritással.
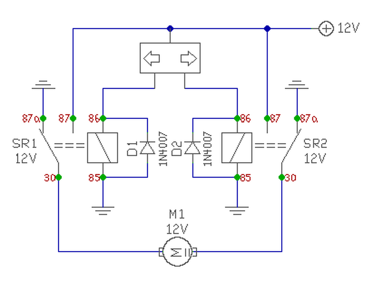
(#) proli007 válasza Folditomi4487 hozzászólására (») Nov 25, 2015 /
 
Hello! Ehhez azért még nem kell zseninek lenni.

ABLAK-UD.png
    
(#) attika válasza proli007 hozzászólására (») Nov 25, 2015 /
 
Ennél szerintem még a dióda is elhanyagolható.
(#) akos70 válasza Folditomi4487 hozzászólására (») Nov 25, 2015 /
 
Legegyszerűbb (és legolcsóbb) az lenne, ha vennél hozzávaló kapcsólót. Kb. 1ezres/db.
(#) Melphi hozzászólása Nov 29, 2015 /
 
Sziasztok!
Van egy corsa b 95-ös évjáratú autóm, valami baja van rendszeresen bedobja a motorhibát, álítólag valahogy kilehet ovasni hogy milyen hiba van, ha valamit rövidrezárok az OBD csatin és figyelem a motorhiba izzót, valaki tudna segíteni hogy ez miképpen működik?
Köszönöm
(#) Chipmunk1960 válasza Melphi hozzászólására (») Nov 30, 2015 /
 
Szia,
Legegyszerűbb módja, ha magad akarod megoldani,
veszel egy OBD2 scannert, és egy összekötő kábelt. Mivel a 2000 előtti modelleken még nem volt egységes. Többféle kábel van, ezért ellenőrizd, hogy jó-e az autódhoz. A mellékelt szoftverrel, + egy XP-s öreg laptoppal ki tudod olvasni. Még ha pillanatnyilag nem is jelez semmi hibát, de az ECU tárolja azt. Természetesen törölni is tudod vele. Ezt találtam a villogtatásról, ha segít.
A hozzászólás módosítva: Nov 30, 2015
Következő: »»   200 / 349
Bejelentkezés

Belépés

Hirdetés
XDT.hu
Az oldalon sütiket használunk a helyes működéshez. Bővebb információt az adatvédelmi szabályzatban olvashatsz. Megértettem