Fórum témák
» Több friss téma |
A rádiók kód ügyében, nem tehetünk semmit, forduljatok a gyártóhoz!
Szerintem rajtam kívül mások is kiváncsiak már hogy mi lesz a vége.
Le tudod húzni az antenna vezérlését a tetőkárpit mögött? Caravan vagy hatch? Caravannál mintha lenne kis ablak,hatchnél nem vagyok biztos,de nem egy nagy müvelet. Az ötödik ajtónál a tetőkárpit rögzítő műanyag sáv többnyire patentos. Leveszed és hozzáférsz. Egy vastag es egy vékony vezeték megy az antennára plusz az ablakmosó cső. A vékony az erősítő vezérlés, minha lenne egy csatlakozó rajta. Próbáld meg széthúzni,és nézd meg változik-e valami. Nem lepődnék meg ha elindulna a kijelző. Onnan a folyamat amit már többen is leírtak. Ha igazam van akkor az antennát mindenképp javaslom kicserélni,mert nemsokára megjelenik egy koszos-rozsdás folt a tetőkárpiton az antenna alatt...
Hát igen már én is kiváncsi vagyok nagyon holnap fogom tudni megnézni ha minden jól megy. Videott néztem ugyhogy tudom már mit kell szétszednem.
Hát sajna a változas annyi hogy így 2.63 volt van. Kijelzőn még mindig semmi.
Szomorú.
Ha már szét van szedve,ellenállásmérővel mérd meg kérlek a testhez képest az ant.erősítő ellenállását úgy,hogy a csatlakozó bontva van és csak az antenna felé menő vezetéket méred. Ha közel 0 ohm,akkor akár a remote kimenet kapcsolótranzisztorát is elvihette,bár emlékeim szerint van benne zárlat védelem. Ha van izzós próbalámpa kéznél,akkor azzal is ellenőrizheted,mi történik: A csipeszét +12v-ra teszed,a mérőcsúcsát pedig a remote pin-re érinted. Ha a kijelző bekapcsol akkor a fejegységben kapcsolótranzisztor csere,ha világít akkor valahol zárlat van.
Üdv! Blaupunkt rd 4 r1 00 rádióhoz / Citroen c4 / keresek nyák rajzot. Eló
Sziasztok.
Kérdezném hogy a képen látható gondod lehet-e valahogy orvosolni? Előre is köszönöm. Üdv. Csaba
Sziasztok!
Előhalásztam a polcomról annó félretett Blaupunkt MP36 fejegységet. Méregettem benne kicsit, de nem nagyon lettem okosabb. Hibája az hogy a végfok némítását szolgáló tranyóra kerülő feszültség lekapcsol, azaz a fő IC félig magához tér, ezáltal a CD olvasó is elkezd néha félműködésbe lépni. Kikapcsolást követően 5 másodperc után jön elő a tünet. Megszűntetni több féle képpen lehet, előlap levesz/ha lent van visszarak, pillanatnyi gyújtás jelre szintén magához tér. Ha úgy hagyom akkor a végfok melegszik, továbbá autóban használhatatlan lenne hangszóró recsegése miatt. CD olvasó lekötve, nem segít. Előlapi panel összekötő mindegy hogy rajta van e vagy sem, a hiba marad. Merre induljak tovább? Üzem közbeni egyedüli probléma hoyg nem mindig némítja illetve a be/ki kapcsolást sem lehet kivitelezni, de ezt betudom a korának és az ellenállások megnyúlásának, ezek javítva lesznek. Szervízleírása neten fent van, ITT megtalálható. U14V-ot néztem, illetve U143-at is, de ezek rendben vannak. U143 feszültség a szabvány szerinti kék vezetékre, azaz antenna remote-ra érkezik. Itt mondjuk 0,5V maradék feszültség van, de szerintem ez lényegtelen kell hogy legyen. Tehát merre kellene tovább indulni? ![]() ![]() A segítséget megköszönném! ![]() Üdv McDeath
Sziasztok!
Van egy Blaupunkt CD43 fejegységem, amiben a már nem használt AM funkciót szeretném lecserélni bluetooth-ra. Segítségre lenne szükségem, hova köthetem rá a blutetooth modul kimeneti lábait (L, R, GND)? Köszönöm.
Nem szeretnélek félre vezetni, de szerintem ezekben a rádókban közös kimenet van az AM és FM részére, így a régi módszer, hogy az AM bemenetet felhasználod, szerintem nem működik. Esetlegesen valami AM esetén jelző lámpa felhasználásával egy relét működtetve a végfokra közvetlenül ( hangerő sem szabályozható a rádióval )
A hozzászólás módosítva: Aug 1, 2022
Szia!
Sajnos a rádió kimeneteit az IC belül intézi azokhoz nem tudsz hozzáférni. Az aux bement már foglalt? Ha nem akkor arra egyszerűbb a rákötés. Ha valami mégis rámegy azt egy relével lehetne váltani. Külső csatlakozón van elérhető megbontás nélkül is. Üdv: Gábor
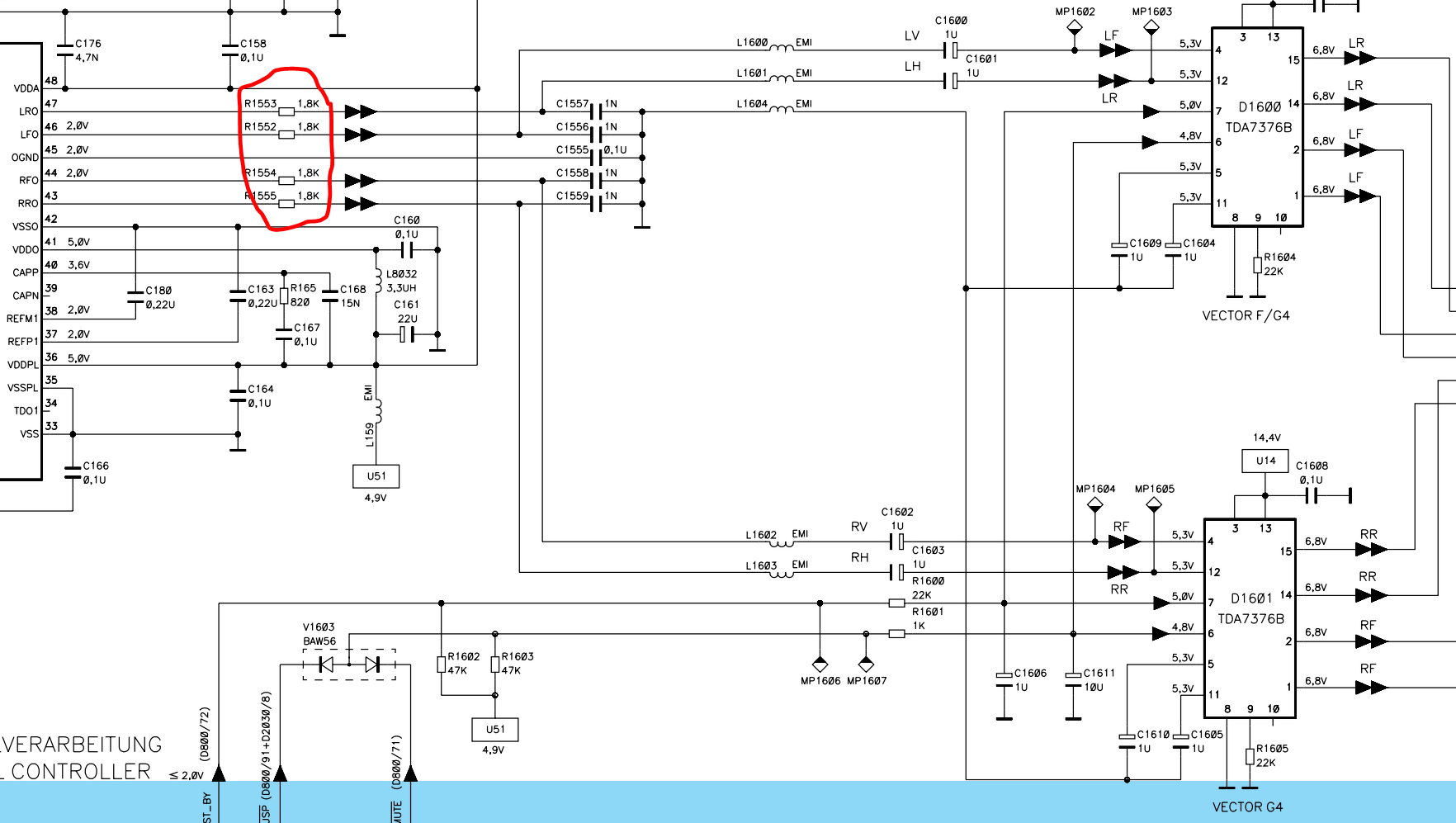
Ahogy nézem igazad van, ráadásul nem is egy, hanem négy kimenet van.
1k8 ellenállásoknál lehetne megfogni, de szerintem úgy sem lesz igazán tökéletes... A hozzászólás módosítva: Aug 1, 2022
Az AUX sajnos foglalt, nagyon barkácsolni pedig nem szeretnék.
Ha nincs más lehetőség akkor marad így. Köszönöm az eddigi hozzászólásokat!
Hali!
Kiszereltünk egy, a képen látható rádiót egy autóból. Beraktuk egy ugyan olyan autóba, és nem tudjuk bekapcsolni. A gombok megvilágítása jó. Mikor a piros vezetékre adom a feszültséget, érződik, hogy egy picike áramot vesz fel. Van valami csel az indításban?
Szia! Annak az autónak a papírjait nézd át amelyikből kiszedted, biztos felírták a négy jegyű kódot.
A készülék hátán lévő adatokból is visszafejthető, de a kódgenerátor nem publikus, a neten könnyen belefuthatsz valami nagy lehúzásba, ha a fizetést meg akarod úszni, illetve azzal együtt is
Nem jutok el odáig, hogy kérje a kódot. Egyáltalán nem kapcsol be. Próbáltam már feszültség alatt hagyni több óráig, hátha.
A kódbevitelhez nem kell valamelyik gombot megnyomni? A rádió működött az eredeti helyén?
A rádió csatlakozója is ugyan olyan? Elvileg bekapcsolásnál a kódbevitellel kellene kezdenie. Esetlegesen a bekapcsoló gomb is lehet rossz. Ha az áramfelvételét nézed, változik valami a bekapcsoló gomb nyomkodás hatására?
Próbáltam másik, ugyan ilyen kapcsolóval, de semmi.
Üdv!
Van egy Blaupunkt TA41-es erősítő,egy kamionos ismerősömtől kaptam. Állítólag az egyik oldal nem szól. 2db TDA 7296 van benne. A rádióra való rákötéssel lenne kérdésem,mert mostanában el vagyok átkozva és akármihez nyúlok,csak rosszabb lesz. Ezt meg nem akarnám még jobban tönkre tenni. Nos a kérdésem,hogy az Audio In-re a rádió hangszóró kimenetét kell kötni,vagy azt amit a külső erősítőre szoktak. Keresgéltem a neten, orosz oldalon azt silabizáltam ki,hogy "magas szintű bemenet", akkor ez a rádió hangszóró kimenetét jelenti? Előre is köszönöm. A hozzászólás módosítva: Jún 1, 2024
Ha csak tesztelni akarod akkor valami fejhallgató kimenetre kösd rá (pl. MP3 lejátszó).
Nézd át az IC lábait, hőmozgás miatt kimozoghatják magukat a forrasztásból. És ne izgulj a tönkre ment dolgok miatt. Mindenkinek van a múltjában olyan amiből tanult. Ha egy topicot indítanánk "ki mit tett eddig tönkre" címszóval, elég hamar felduzzadna ![]() Persze a hulladékká pusztítás koronáját Béka mester fejéről még így együtt sem tudnánk levenni A hozzászólás módosítva: Jún 2, 2024
Nem izgulok, csak bosszant
. Amúgy ma délelőtt kipróbáltam,egy autó rádió előerősítő kimenetét kötöttem rá. Mindkét oldal rendesen szól, tehát nem ebben van a hiba.A forrasztásokat is át néztem, nincs rossz vagy repedt forrasztás. Így jónak nyilvánítottam a cuccost. Blaupunkt autórádióSziasztok!Segítségre lenne szükségem . Egy Blaupunkt MP 28 típusú autórádió wiring diagramját sehol sem találom meg . Esetleg nem lenne meg valakinek ? Köszönöm . Tisztelettel : japam
Szia! A bekötési rajza lenne szükséged?
A "wiring" kétértelmű...a "sémája" necces.
Köszönöm, de nem a bekötési rajza kellene , hanem a rádió kapcsolási rajza..
A leírása szerint gyújtás nélkül is kellene működnie , majd kb 1 óra múlva kikapcsol magától . Arra lennék kíváncsi , hogy egyáltalán tudja - e ért a funkciót , vagy csak az enyém rossz .
Akkor kapcsolási rajzot kell kérni, nem wiring akármit !
![]() ...vagy electric circuit diagram-ot...külföldi weboldalakon. ![]() (Az Elektrotanyán van magyar kézikönyv hozzá, valamit írnak erről a funkcióról) A hozzászólás módosítva: Júl 7, 2025
A rajzból ezt átlag ember ki nem olvassa. ( főleg az 1 órás késleltetést.)
|
Bejelentkezés
Hirdetés |


















