Fórum témák
» Több friss téma |
Fórum » Csöves erősítő készítése
Ne feledd betartani a fórum viselkedési szabályait, és a topik megmaradásának feltételeit. [link]
A téma átmenetileg fagyasztva lett, hozzászólni nem tudsz!
ECC803S igen jó cső, de azért talán ennyire mégsem. Szerintem még a tizede is jó ár érte, lehet, hogy nem is akarja eladni, vagy így fel licitálták az árát.
A hozzászólás módosítva: Szept 12, 2014
Akkor visszavonja az aukciót, hogy csomagolásnál eltörött..
![]() Szerintem valami extradrága kütyüben pont ezzel a sorszámmal lehetett...Aztán a tulaj cserélni szeretné. Nemnormálisak. A hozzászólás módosítva: Szept 12, 2014
Ha van olyan aki ennyiért elviszi, én biztos odaadnám.
S a vicc benne, hogy levélként kűldené..
3.8Eur a hermes legolcsóban. De legalább az biztosítja 500Eur-ig. ![]() Magyarul el sem küldi... A hozzászólás módosítva: Szept 12, 2014
Valamelyikőtöknek véletlen nincs meg az IMÉNT említett erősítőnek nagyobb felbontásban a kapcsolása?
Írj egy emil-t Michael Seiffert-nek, esélyes, hogy megküldi; nekem már sikerült ilyen.
És ha idei is feltennéd...
A hozzászólás módosítva: Szept 12, 2014
Szerintem nincs semmi különleges ebben az árban (ecc803s), fog az még feljebb is menni. Pl a bakelit foglalatos 6N8S a börzén kb 300,- Forint, a MELZ gyártmány, ami szintén orosz, de fém foglalat, és talán lukacsos anód, Ebay-en kb. 40 ezer. Vagy 6n30p-dr jó ha 100 ezerért találsz, viszont a 6n6-p szintén 3-500 itthon, és nagyon hasonlóak. Persze a katalógus adat és a kapott hang nem biztos hogy szoros összefüggésben állanak egymással. Plusz amelyiket felkapja a nemzetközi sajtó, az is túl tud árazódni.
Én nem ezt kértem, hanem egy másiktól - más rajzot.
OK jöhet az is , a fórumban jó helye lesz , megmarad későbbre .
Előző hozzászólásaim közt említettem egy pofás trafót, amit majd fel szeretnék használni a későbbiekben. Kicsikét bontogattam. Csatoltam egy képet. Létezik ilyen vasmag? Ennyire tudatlan lennék?
33 a paketvastagság
Bármilyen hihetetlen, minumum ennyi a valós piaci ára. A NOS állapotú Ecc803s eleve ritkaság, a márkanév többszörösére emeli az árat, ráadásul ez a fajta Tfk tényleg nagyon jól szól. Hogy gazdag DIY-ereknek megéri-e? Persze, méregdrága alkatrészekből pocsék hangot kihozni, az ám a művészet!:S
/Valójában nem. A nagyhírű, "audiofil" komponensek véletlenszerű kiválasztása szinte garantált sikerhez vezet /
15-20W felett vagy jelentős kompromisszumokat kell kötnöd a (hang)minőségben, vagy meglehetősen drága projekt lesz, amit elsőre akkor sem ajánlanék, ha diszkózni szeretnél vele
Idézet: „nem is a csövek ára a lényeges hanem a körítés” ... és itt jutunk vissza végcsövekhez. Magas illesztőimpedanciájú végcsövekhez ui. problémásabb jóminőségű kimenőtrafót csinálni. De ezek pl. minden szempontból ajánlhatók: Bővebben: Link Triódába kötve marha jól szólnak, szerintem jó értelemben" triódásabbak", mint bármilyen 6L6, KT.. 12 illetve 25V fűtéssel pedig néha még olcsóbban ki lehet fogni. A Sylvania márka és a "GA" utótag is lényeges. Link javítva. -moderátor- A hozzászólás módosítva: Szept 12, 2014
Nemszóltam.. Nem találkoztam még ezzel a megoldással.
Hangtechnikailag van ennek a megoldásnak valami előnye? Egy régi grundig lemezjátszóból bányásztam, ha jól emlékszem. A hozzászólás módosítva: Szept 13, 2014
Sziasztok!
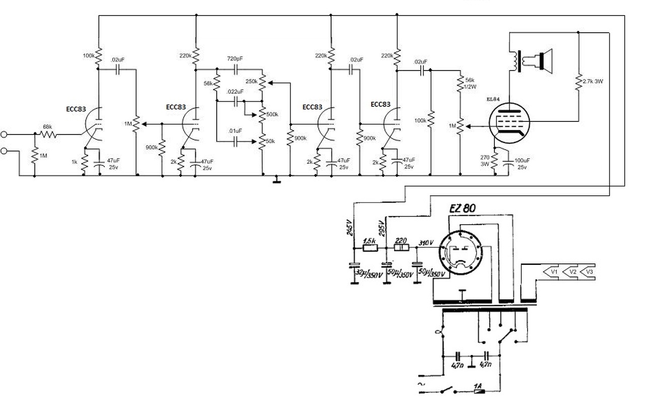
Gondoltam én is nekiállok csinálni egy kis csöves gitárerősítőt magamnak. Sajnos a költségvetés alacsony így bontott alkatrészekből kell boldoguljak. Találtam pár rajzot de igazából nem tudtam eldönteni mi legyen mert minden alkatrészem egyikhez sem volt meg, így kicsit összetettebb lett a dolog. Megnéznétek a csatolt rajzot és leírnátok róla a véleményeteket? Működhet vagy pukkani fog valami? Érdemes e nekilátnom esetleg? Vagy módosítsak e valamit az értékeken? köszi!
Az EI, és M magokat preferáld, a többinek nagy a szórása, nem annyira praktikus.
Azóta is kutatok ennek az erősítőnek a kapcsolása után nagyobb méretben. Nincs valamelyikőtök esetleg regisztrálva a radiomuseum oldalára? Nagyon hálás lennék!
Minek? tök jó, bár kicsit nehezen, de olvasható a kép.
Mennyire mondható bonyolultnak ez a kapcsolás? Mármint általánosságban kérdezem.?.
Mióta a minap rápillantottam újból a csöveimre egyfolytában kutatok. Ebből hiányozna a két darab egyenirányító Egy darab SRS És a két darab ECC83 Trafokat meg ígyis-ugyis kell pödörnöm. Bár lehetséges hogy az ECC-ket tudnám valamivel helyettesíteni. A hozzászólás módosítva: Szept 13, 2014
Idézet: „Létezik ilyen vasmag?” Ha ott van előtted, akkor nyilván létezik ![]() Irányítottabb az EM szórása, mint egy mezei légréses M-magnak, de nincs ötletem, hogy az miért lehet előnyös. Végfok anódtápjának fojtójához lehet felhasználni, ha (kb.) jó a légrésmérete. A hozzászólás módosítva: Szept 13, 2014
Sziasztok!
Csináltam egy kis leltárt a csöveimről. Segítségeteket szeretném kérni, hogy melyek azok a csövek, amelyek erősítő építéshez teljesen használhatatlanok ( vagy ha kevesebb van a listában, akkor melyek azok, amelyek használhatóak, és kis költséggel ki lehet hozni belőlük valamit ).
6C33C -vel épített erősítőről van valakinek tapasztalata?
Illetve valami bevált rajz? (PP jó lenne, tetszik a cső, télen nem kell fűtésre költeni azt hiszem )
Bővebben: Link
Ezt találtam. Német, de ki lehet bogarászni. Szépek ezek a csövek, én is szeretnék szerezni legalább 1 párat
Hát igen szépek. De ebből egy PP-be való csőgarnitúra ~20e, és a meghajtó csövek, amik megint valószínű nem olyan elterjedtek, nehezen beszerezhetők....
Sziasztok !
Valaki tudna küldeni nekem egy 6H8C 6P3S-E SE kapcsolási rajzot ? Köszönettel : Zsolt
Tudom sajnos.. de ha egyszer megengedhetem magamnak, akkor biztos lesz belőle valami
Most PCL86 PP-hez várom, hogy elkészüljenek a trafóim, aztán 6n13sz PP-t építek, utána meg ami jön
Nem egy bonyolult erősítő, de az ördög a részletekben leledzik.
Az első ECC83 -at jó lenne, ha nem kellene helyettesíteni, ha mégsem, akkor ECC40 (ehhez még nehezebb hozzájutni). Az EF 80 nem egy drága cső, és hozzá is lehet jutni. de ha mégis, akkor ECC82 -t be lehet faragni a helyére, de az elemeket változtatni kell. A kombinált stab cső helyett használhatsz egy 150, és egy 80 V -osat sorba kötve, és a szükséges feszültségeket feszültség osztóval előállítva. az egyenirányító csövek helyett AZ4 -et, de akkor 2 db 4 V -os fűtőtekercs kell a hálózati trafón. A hozzászólás módosítva: Szept 13, 2014
Igen, csak nem ebbe a topicba való, mert az egy Grundig Majestic SO 205 rádió rajza.
|
Bejelentkezés
Hirdetés |




33 a paketvastagság 
/ 


). 




